2018 Vol. 44, No. 12

Volume 44 Issue122018
iconDownload (48101) 840 iconPreview
2018, 44(12): 2667-2686.
Abstract:
Information and Electronic Technology
Multi-mode computational optical imaging technology based on software-defined micro-nano satellite
LIU Yangyang, LYU Qunbo, TAN Zheng, PEI Linlin, LI Weiyan, WANG Jianwei
2018, 44(12): 2463-2469. doi: 10.13700/j.bh.1001-5965.2018.0376
Abstract:

In order to accomplish the software-defined micro-nano satellite demands, which includes that its payload functions and parameters could be reconstructive and controllable by uploading software as needs, we have to break through the design limitations between traditional satellite platform and ordinary optical camera, and one new type of optical imaging camera technology is developed based on software-defined micro-nano satellite here. We gave full consideration to the possible development of joint design space between the software and the hardware of the payload. Then we analyzed the influence of sub-pixel information, satellite platform parameters, optical system parameters, detector parameters, noise and atmosphere on image data processing, especially the super-resolution reconstruction. We established the physical model and the error model according to the physical mechanism of each factor, as priori information of the reconstruction method.We applied these prior information constraints in favor of super-resolution to the design of the camera, enabling the images captured by the camera to match the super-resolution method very well. This method can simultaneously improve visual resolution and substantial resolution while maintaining the ability of suppressing noise, and may reduce the size and development difficulty of traditional cameras. We have developed a general purpose computing optical imaging camera, which integrates the super resolution imaging, dynamic range enhanced imaging, video imaging and other multi intelligent controllable imaging modes. Finally we have completed the related camera integration, testing and experiment.

Node level parallel and optimization method of satellite time serial data mining
BAO Junpeng, YANG Ke, ZHOU Jing
2018, 44(12): 2470-2478. doi: 10.13700/j.bh.1001-5965.2018.0334
Abstract:

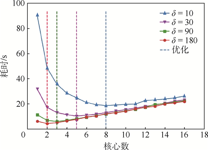
Intelligent satellite technology requires more and more data mining operations for satellite time series data. Usually, satellite data amount is very big that needs a lot of computation, so it will take a very long time to complete the computation in serial program. The satellite anomaly process multi-features analysis procedure is such a typical representation, which performs many common data mining operations, including windows segmentation, computation of vector similarity, feature extraction, Fourier transformation, and cluster-ing. The paper discusses several speed-up and parallel optimization strategies for a time series data mining procedure on a typical heterogeneous computing node with multi-cores CPUs and GPUs, including vector optimization, multi-process parallelization, and GPU computation. We test and compare these optimization strategies in different usage conditions. The experiment results show that the combined use of them can achieve obvious efficiency improvement for different task.

Remote sensing image fusion based on edge-preserving filtering and structure tensor
QU Jiahui, LI Yunsong, DONG Wenqian, ZHENG Yuxuan
2018, 44(12): 2479-2488. doi: 10.13700/j.bh.1001-5965.2018.0345
Abstract:

The hyperspectral (HS) remote sensing image which contains abundant spectral information generally has low spatial resolution. While the panchromatic (PAN) remote sensing image has high spatial resolution. In order to fuse the HS and PAN remote sensing images, a new fusion algorithm based on edge-preserving filtering and structure tensor is proposed. First, to avoid low-frequency aliasing, an edge-preserving filter is introduced to extract the spatial information of the HS image. In order to sharpen the spatial information of the PAN image, an image enhancement approach is applied to the PAN image. Then, an adaptive weighting strategy which is based on the structure tensor is proposed to obtain the total spatial information. The presented adaptive weighting strategy which is different from the traditional fusion method reduces the spectral distortion and provides adequate spatial information. The injection matrix is finally constructed to reduce spectral and spatial distortion, and the fused image is generated by injecting the complete spatial information. Experimental results demonstrate that the proposed method provides more spatial information and preserves more spectral information compared with the state-of-art fusion methods.

Real-time elimination of analog correlator offset using vector modulator
XIN Canwei, HU Anyong, LIU Kai, MIAO Jungang
2018, 44(12): 2489-2495. doi: 10.13700/j.bh.1001-5965.2018.0172
Abstract:

The analog complex correlator used in aperture synthesis radiometers is easy to be affected by many complicated factors, for example ambient temperature, signal crosstalk and so on. These factors result in correlator offset value change with time, which will significantly impact the performance of aperture synthesis radiometers. Real-time elimination of the effect of complex correlator offset value is the difficult and key point in the design of aperture synthesis radiometers. In this paper, a calibration method using vector modulator is proposed to eliminate in real time the effect of complex correlator offset value. Through algorithm derivation and argumentation, the proposed method is verified in the existing aperture synthesis radiometers, and the results show that it perfectly eliminates the effect of correlator offset value. Residual offset value is less than 5%, and calibration time is limited to the integration time of complex correlator, which is mentioned in this paper is at a millisecond level. The real-time calibration method proposed in this paper is efficient and easy to implement, which can be widely used in the systems where this kind of interference needs to be eliminated.

Real-time rapid initial phase calibration method of phased array in near field
XIN Canwei, HU Anyong, LIU Kai, MIAO Jungang
2018, 44(12): 2496-2502. doi: 10.13700/j.bh.1001-5965.2018.0225
Abstract:

Phased array receiver can steer antenna beam direction electronically by changing the phase of the units. Initial phase calibration of phased array is the precondition of steering antenna beam direction. In this paper, a coherent phase-shift measurement method is presented based on phase-shift measurement method, which has high accuracy and high speed to obtain the initial calibration phase of the phased array recei-ver, and then rotating electric vector (REV) method is used to further increase calibration accuracy. By using the measuring method presented in this paper, both the phased array receiver antenna and the probe are immovable, whose exact locations need not be determined in certain application. So, it is easy to be integrated into the monitoring system of the phased array receiver, which can realize real-time rapid initial phase calibration. The phase calibration method presented in this paper is verified on the Ka-band array radiometer, and the results show that the phase accuracy is 5°±1.5°, and the time consumption for finishing 256 channels once initial phase calibration is about 2 min.

A multi-beam handover mechanism in software-defined satellite network
ZHANG Jiale, QIAN Hongyan, CHENG Xiang, CHEN Bing
2018, 44(12): 2503-2509. doi: 10.13700/j.bh.1001-5965.2018.0333
Abstract:

The traditional satellite network usually concentrates the control layer and data layer in the same network device, which leads to more complex network structure, fixed bandwidth and poor resource utilization rate. The software-defined satellite network (SDSN) architecture can effectively manage the satellite resources, improve the utilization of resources, and further provide effective technical support for the multi-beam handover mechanism. In this paper, a multi-decision index handover (MDIH) mechanism is proposed for multi-beam coverage SDSN. Firstly, we analyze the shortcomings of traditional satellite networks' handover mechanism and establish a handover framework based on SDSN. Secondly, we further introduce the concept of time threshold to ensure the accurate trigger of handover strategy based on the traditional channel reservation mechanism. In addition, the MDIH algorithm is used to determine the priority of users' handover in the handover decision process, which makes the decision granularity more fine-grained. Finally, we give an instance of the MDIH algorithm to further demonstrate the scalability of our handover mechanism.

Image segmentation and density clustering for moving object patches extraction in remote sensing image
LIN Yijun, WU Fengge, ZHAO Junsuo
2018, 44(12): 2510-2520. doi: 10.13700/j.bh.1001-5965.2018.0354
Abstract:

Recently, moving object detection in large-scale remote sensing images achieves outstanding performance by fully convolutional neural network. However, handling such data is very time-consuming because the search space is extremely large. This paper proposes a specific improved method from the point of candidate region proposals. First, irregular candidate areas are roughly extracted by neighborhood differencing and local errors handling. Then a spatial-constraint based density cluster algorithm (SC-DBSCAN) is proposed to merge adjacent areas into patches as CNN input, which aims to reduce final outputs' amount and area. Through the priori of space constraints, this algorithm can adaptively divide data into multi types of clusters, and choose different merging strategies according to the complexity of clusters. For complicated clusters, the outputs are related to traverse sequence of each object, and thus a random search strategy based on simulated annealing is applied to avoid local optima and improve the patches' quality. Finally, by reducing the times of model inferences and avoiding redundant object detections, the detection efficiency of proposed method is significantly improved.

Design of optical airspeed measurement system based on Doppler shift
LONG Yanzhi, LIANG Yingjian, HUANG Qiaoping, SUN Xiaoyi, WU Mei
2018, 44(12): 2521-2527. doi: 10.13700/j.bh.1001-5965.2018.0204
Abstract:

In order to solve the defect within traditional airspeed measurement method adopted by helicopter air data system, this paper presents a scheme of airspeed measurement system based on optical and a rapid inversion method of airspeed vector with other airdata. An optical airspeed measurement system is designed based on this method. According to the principle of Mie scattering of aerosol and Doppler effect, the sensor, demodulator and high-speed signal acquisition and processing scheme is optimized in the system. The performance of the system was verified by computer simulation, in which the maximum forward detectable airspeed of the system can reach 450 km/h, and the detection accuracy of true airspeed can be better than ±1 km/h. The optical airspeed measurement system prototype is tested on ground vehicle to compare with the traditional airspeed measurement system, and the effectiveness and reliability of the proposed method and the optical airspeed measurement system are verified.

Motion characteristic inversion method of single platform imaging target
CHEN Binghan, ZUO Zhengrong, XIA Lurui
2018, 44(12): 2528-2535. doi: 10.13700/j.bh.1001-5965.2018.0340
Abstract:

Aimed at inversion of target motion characteristics under single platform observation conditions, the model and method for reconstructing target spatial position and estimating motion parameters based on sequence images are proposed. To suppress the effect of atmospheric refraction on the accuracy of location reconstruction, it is proposed that the atmosphere is treated as a layered sphere, and the reverse tracking strategy is adopted to calculate the transmission path of light in each layer of the atmosphere in reverse, starting from the incident light of the imaging system. In summary, the target location is determined according to the intersection of the tracking path and the target launch plane. Furthermore, in order to reduce the effect of prior parameter errors such as launch plane, iterative estimation is adopted to search the optimal firing surface within the range of prior error, with the consistency of the target acceleration parameters as the optimization criterion, and the reconstruction error is corrected. Through the above process, the target trajectory and the motion parameters are obtained by inversion. Within the prior error range, the inversion location error is less than 200 m and the inversion velocity error is less than 60 m/s.

High-precision WiFi indoor localization algorithm based on CSI-XGBoost
ZHANG Xuanli, XIU Chundi, WANG Yanzhao, YANG Dongkai
2018, 44(12): 2536-2544. doi: 10.13700/j.bh.1001-5965.2018.0268
Abstract:

Considering the influence of complex indoor environment and multi-path effects on the WiFi fingerprint positioning performance, this paper extracts channel state information (CSI) from the Intel 5300 wireless network card and utilizes the modified CSI amplitude and phase information as fingerprint features. A high-precision fingerprint database was built using the extreme gradient boosting (XGBoost) algorithm to achieve indoor positioning at a decimeter level. Experiments in the actual indoor environment have been conducted to evaluate the effects of sampling interval, line of sight (LOS) and non line of sight (NLOS), missing values, and data dimensions on the localization performance of the proposed method. The results of real indoor experiment show that the proposed CSI-XGBoost method is less affected by NLOS and robust to complex indoor environments. In addition, this method can handle high-dimensional sparse data well and solve the mismatching problem of CSI fingerprinting. Moreover, this method is insensitive to missing data, with localization accuracy of better than 90%.

A design and evaluation strategy for GBAS reference station layout scheme
ZHANG Yue, WANG Zhipeng, LI Qiang
2018, 44(12): 2545-2555. doi: 10.13700/j.bh.1001-5965.2018.0080
Abstract:

The layout of ground-based augmentation system (GBAS) reference stations will directly impact the accuracy and integrity performance of GBAS, and it is closely related to the airport conditions, the satellite constellations used and the local ionospheric environment. However, the published documents such as Federal Aviation Administration (FAA) GBAS siting order only give basic requirements of reference station layout and do not deeply take the impact of the above points into account. Therefore, the study on design and evaluation strategy for GBAS reference station layout is very important. By comparing the different GBAS reference station layouts and the broadcast pseudorange correction error standard deviations of five airports based on collected data, analyzing the impact of the number of reference stations on the GBAS protection levels, and studying the impact of baseline length on the performance of ephemeris fault monitor and anomalous ionospheric gradient monitor, a design and evaluation strategy for GBAS reference station layout is proposed, which is supplemented by four sample schemes for Ⅴ-shape runways. The proposed strategy can provide a reference for the design and determination of appropriate layouts based on specific airport conditions and the requirements of ephemeris fault monitor and anomalous ionospheric gradient monitor.

Acceleration scheme of RXD algorithm based on FPGA for hyperspectral anomaly target detection
ZHENG Yuxuan, LI Yunsong, SHI Yanzi, QU Jiahui, XIE Weiying
2018, 44(12): 2556-2567. doi: 10.13700/j.bh.1001-5965.2018.0344
Abstract:

Hyperspectral images bring abundant spectral information, but their large size and high dimensionality also lead to huge calculation. Therefore, it is particularly urgent to develop a high-speed processing scheme for anomaly target detection algorithms. Considering that the field programmable gate arrays (FPGA) are of powerful parallel capability and highly flexible design, aiming at the problem that the computation of the covariance matrix and its inverse is too large in the Reed-Xiaoli Detector (RXD) algorithm, we propose an acceleration scheme of block parallel and QR decomposition for the RXD algorithm based on the FPGA platform, which is optimized by high level synthesis (HLS). Experimental results show that the processing speed of FPGA-based acceleration scheme proposed in this paper is 7.04 times faster than that of CPU-based implementations with the detection performance preserved simultaneously, which verifies that the proposed acceleration scheme is correct and effective.

Auxiliary polarization sensitive array beamforming based on non-circularity restoral
WAN Pengcheng, BAI Weixiong, GAO Xiaoyang, CHEN Hong
2018, 44(12): 2568-2574. doi: 10.13700/j.bh.1001-5965.2018.0202
Abstract:

In order to reduce the application cost of polarization sensitive array (PSA), optimize the utilization efficiency of polarization information and improve the filtering performance under the condition of steering vector mismatch, an auxiliary polarization sensitive array (APSA) model and a beamforming algorithm based on binary phase coded signal non-circularity restoral are proposed in this paper. In APSA, partial elements in single polarization linear array are turned into dual polarized elements; assuming that steering vector is unknown, the received signal covariance matrix and the conjugate covariance matrix are calculated, and a new covariance matrix is eigen-decomposed to determine the weight vector filtering in accordance with the non-circularity maximum criterion. This paper analyzes the performance of the array model, discusses the minimum variance distortionless response (MVDR) algorithm and the eigen-subspace projection (EP) algorithm, and makes a comparative analysis. The simulation results show that the non-circularity restoral algorithm of the binary phase coded signal will not be affected by the steering vector error, and it has excellent anti-jamming performance and strong robustness under the APSA model.

Control Technology and Control Engineering
A routing strategy for software defined satellite networks considering control traffic
FEI Changjiang, ZHAO Baokang, YU Wanrong, WU Chunqing
2018, 44(12): 2575-2585. doi: 10.13700/j.bh.1001-5965.2018.0343
Abstract:

Software defined satellite networks (SDSN) provides an innovative perspective to manage satellite networks through decoupling the data and control planes to achieve logically centralized network states and controls. In SDSN, control messages and data packets are simultaneously transmitted in the network. Massive, dynamic and high-priority control traffic will cause significant interference to data packet transmission. Therefore, a data flow retreat routing (DFRR) strategy is proposed. When calculating data packet routes, DFRR takes control traffic on a link as a factor affecting the link cost to reduce choosing links with large control traffic; before control traffic distribution changing greatly caused by the handoff of overhead satellite connecting with the network operation and control center (NOCC), DFRR predicts probable congested links and selects some data flows on these links for rerouting to avoid congestions. The performance of DFRR is evaluated on OpenSatNet, a research platform we developed for SDSN. The experiment results show that DFRR can reduce link congestions in the network and the packet losses of control messages and data packets effectively.

Multichannel fast star centroid extraction method with low memory resource cost
YU Wenbo, JIANG Jie
2018, 44(12): 2586-2594. doi: 10.13700/j.bh.1001-5965.2018.0124
Abstract:

The attitude update rate is one of the most important performance indexes of the star sensor. With the application of the large array image detector, the processing speed of the traditional star extraction method has become the main bottleneck of the update rate. Given that, a multichannel fast star centroid extraction method is proposed in this paper. Firstly, the information fusion technology based on the effective length of the target in the scanning direction is proposed to realize the correct information fusion of various shapes of boundary targets. Secondly, the dynamic dual-pointer cyclic mapping technology is utilized to recycle the memory resources occupied by invalid information, thus greatly improving the utilization efficiency of the memory resources. Finally, the experimental test is carried out to verify the performance of the proposed method, and the performance is compared and analyzed with that of the traditional single channel method on the same field-programmable gate array (FPGA) chip. The experimental results show that the processing speed of the proposed method is about 3.6 times as high as that of the traditional single channel method, while the memory resource used by the proposed method is merely about 40% of that used by the multichannel method which is directly extended by the traditional single channel method. Thus the feasibility and effectiveness of the proposed method are verified.

Nuclear magnetic resonance gyroscope high-precision magnetic field drive technology
LU Qilin, YANG Dan, ZHAO Xinghua, ZHOU Binquan
2018, 44(12): 2595-2604. doi: 10.13700/j.bh.1001-5965.2018.0137
Abstract:

The interaction of the lasers with the alkali metal atoms and inert atoms in the cell is used to maintain nucleon precessional motion in Larmor frequency, the magnetic field-driven technique is used to achieve closed-loop control of air chamber magnetic field, the resonance state of nucleon is kept by compensating the residual magnetism, and then the system angular rate can be sensed, which is the basic theory of nuclear magnetic resonance gyroscope (NMRG). Magnetic field drive technology, which is an important part of the closed-loop control of magnetic field, directly influences the precision and stability of NMRG. In order to solve the key technical problems of insufficient control accuracy and stability of NMRG magnetic field, a voltage-controlled current source of AC/DC separation design is studied to improve the control precision of the magnetic field. In addition, analysis and modeling of the field drive circuit noise based on noise analysis theory are carried out and the experiment is made for verification. The results show that the control precision of the transverse magnetic field of the 3-axis coil is ±0.046 2 nT and the control precision of longitudinal magnetic field is ±0.003 1 nT. The experiment proves that this technical solution has higher engineering application value.

Dynamic nonlinear system modeling of electronic throttle body based on Hammerstein structure
YANG Xinyu, ZHANG Zhen, TAN Qingyuan, CHEN Xiang, ZHOU Kemin
2018, 44(12): 2605-2612. doi: 10.13700/j.bh.1001-5965.2018.0198
Abstract:

In order to realize the robust control of an electronic throttle body (ETB) system equipped with 5.7 L gasoline engine, the nonlinear inverse model of the ETB system must be established to counteract the effect of dynamic hysteresis nonlinearity on the control performance of the system. In this paper, the dynamic nonlinear characteristics of the ETB system are studied and a dynamic hysteresis model for the ETB system is proposed and identified based on the structure of Hammerstein system. It is challenging for the existing static hysteresis operators to cover the nonlinear characteristics of the ETB system. Thus, to describe the special hysteresis nonlinear characteristics of ETB system, a new static hysteresis nonlinear operator is constructed as the nonlinear subsystem for the Hammerstein model. The analytical inverse operator of the static hysteresis operator is also derived. The unmeasurable internal state in the Hammerstein system is then estimated based on the hysteresis inverse compensation strategy. Finally, the linear subsystem in the Hammerstein system is identified using the estimation method of least square. The comparison between the modeling results and experimental results shows that the proposed model can describe the dynamic hysteresis nonlinear characteristics of the ETB.

Aerospace Science and Engineering
Launch window of space fly-by based on surrogate model
XIANG Kaiheng, LI Renjie, CHEN Yang
2018, 44(12): 2613-2620. doi: 10.13700/j.bh.1001-5965.2018.0264
Abstract:

In order to analyze the influence of initial positions on the launch window in space fly-by problem efficiently, the process of space fly-by was studied firstly in this paper. Then, a numerical method to calculate the launch window under different initial conditions was proposed. For improving calculation efficiency, surrogate model technology was studied, including sample points selection methods, surrogate models construction methods, and accuracy assessment methods. On the basis, two models, radial basis function (RBF) model and Kriging model, were compared. The results show that RBF model is more accurate for the problem in this paper. So it was applied to calculate launch windows under different conditions, which costs only 0.29% of the time that the true model costs, and the accuracy meets requirement. The results prove that using surrogate models can efficiently analyze the influence of initial conditions on the launch window, which will provide valuable theoretical foundation and reference for the orbital planning and design of space fly-by missions.

A method of efficiently using space-based laser energy to remove space debris
SHI Qianqian, ZHANG Yan, ZHAO Peng, WANG Chenglin
2018, 44(12): 2621-2627. doi: 10.13700/j.bh.1001-5965.2018.0241
Abstract:

In view of the growing space debris pollution of space environment, the deorbit model of space-based laser removal of space debris is established. In this model, the effect of the angle between the speed increment and the space debris velocity on the height reduction of perigee is emphatically analyzed, and taking into account the influence of the distance between them, the concept of coefficient of energy assignment (CEA) is proposed from the perspective of energy utilization. According to the CEA, a pulsed laser energy assignment strategy is designed, and it can improve the energy utilization ability to remove space debris more efficiently compared with the way of average energy laser pulse cleaning space debris, illustrating the effectiveness of our removal strategy.

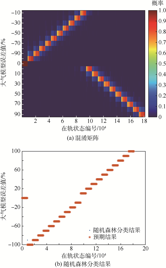
Correction of space atmospheric model based on data mining method
LIAO Chuan, BAI Xue, XU Ming
2018, 44(12): 2628-2636. doi: 10.13700/j.bh.1001-5965.2018.0335
Abstract:

The empirical atmospheric model would cause great error in orbital prediction. This paper, taking a typical satellite as the benchmark spacecraft, proposes two orbital prediction models with different precision to generate training data and test data. Using three supervised classification methods in data mining technology, i.e. support vector machine (SVM), neural network (NN), and random forest (RF), to learn the errors caused by atmospheric model in orbital prediction. In this way, the deviation between the atmospheric model and its real value can be recovered and then corrected. Classification training results show that due to the randomness and voting mechanism, RF makes the highest accuracy in recovering the known deviation of atmospheric model close to 99.99% through choosing maximum probability, which is followed by SVM with the maximum accuracy of 50.7%. It is often the case that feedforward backpropagation neural network fails to learn, so the application performance is poor. Compared with traditional statistical methods, the method proposed in this paper has the advantages of rapidly processing big datasets and the ability of mining potential knowledge in tiny orbital prediction errors.

Space non-cooperative target 3D reconstruction and interaction based on smartphone APP
ZHAI Min, LIU Huaping, ZHANG Tianyu, LU Shan, XU Jingwen
2018, 44(12): 2637-2643. doi: 10.13700/j.bh.1001-5965.2018.0356
Abstract:

In this paper, a software system is designed and implemented, which uses space-based observation sequence to reconstruct the 3D non-cooperative target based on the thought of software defined satellites. Considering the interaction between the satellite and the ground users, the system consists of two parts:software on the satellite cloud node and an APP on the ground users. In this system, normal users can watch the 3D structure of the space targets in real time and improve their knowledge of the space. For researchers, the 3D reconstruction of non-cooperative targets is the basis for further research such as capturing and providing on-orbit services. In order to meet the further requirements of non-cooperative target orbit and pose determination, the system provides the position information of matching feature points generated in 3D reconstruction and the vector information between non-cooperative target and camera ontology. In order to solve the problem of sparse point clouds and poor visualization in 3D reconstruction using structure from motion(SFM), Poisson surface distribution reconstruction is carried out on the basis of sparse point cloud reconstruction using SFM to obtain dense and uniform grid surface. Owing to the lack of the non-cooperative space target imaging data, the ground imaging simulation is carried out to verify the algorithm. The results show that this method can be used to reconstruct the 3D non-cooperative target and the reconstruction is accurate. Meanwhile, the recovery 3D point cloud can be used to determine the orbit and attitude of the non-cooperative space target.

Spacecraft Design & Manufacture
Technology of electromagnetic docking mechanism using nanosatellites
MU Zhongcheng, YE Dong, WU Shufan
2018, 44(12): 2644-2650. doi: 10.13700/j.bh.1001-5965.2018.0346
Abstract:

On-orbit service is one of the main developing trends of future satellites, where on-orbit software reconfiguration and hardware assembly are the key technologies. In this paper, combined with the electromagnetic technology and "pen cap" docking mechanism, an autonomous rendezvous and docking control mechanism with 1U dimension was designed to be used in the cubesat field. And based on the designed electromagnetic docking mechanism, the comparison between precise model and distant field model of electromagnetic force and moment was conducted, and the application range for distant field model with docking distance more than 0.1 m was gained. Using simulation analysis method, it is found that the ratio of without iron core and with iron core is in the range of 10-8~10-4, which provides reference for distant field model correction.

Software defined satellite attitude control algorithm based on deep reinforcement learning
XU Ke, WU Fengge, ZHAO Junsuo
2018, 44(12): 2651-2659. doi: 10.13700/j.bh.1001-5965.2018.0357
Abstract:

Deep reinforcement learning (DRL) technique is a new kind of machine learning based control algorithm, which shows its outstanding performance in the area of robotics and unmanned aerial vehicle. Meanwhile, in the area of satellite attitude control, traditional PID control algorithm is still widely used. As satellites become smaller and more intelligent and software defined satellite emerges, traditional control methods are even harder to meet the needs of adaptability, autonomy and robustness. To deal with these problems, a deep reinforcement learning based attitude control algorithm is proposed. It is a kind of model-based algorithm, which has much faster convergence speed than model-free algorithm. Compared with traditional method, this algorithm does not need prior knowledge of satellite's physical or orbit parameters and has better adaptability and autonomy, which make it possible for software defined satellite to adapt to different hardware environments and to be developed and deployed much faster. Furthermore, through introducing target network and parallelized heuristic search algorithm, the proposed algorithm has higher network accuracy and faster computation speed. The simulation experiment verifies these improvements.

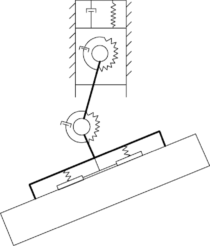
Optimization design of compliant joints of bionic adhesive device
CUI Yongcan, SONG Ting, SUN Jun, CHU Zhongyi
2018, 44(12): 2660-2666. doi: 10.13700/j.bh.1001-5965.2018.0342
Abstract:

In order to improve the adaptability of the bionic adhesive device to target motion parameters when capturing non-cooperative objects in space, a 3-degree-of-freedom series compliant joint is designed. When the joints are embedded in the system, the device can passively adapt to the moving object posture through the coordinated movement of the joints. Meanwhile, the kinetic energy of the target is gradually reduced based on the joints' compliant mechanism consisting of springs, dampers and their energy dissipation function. In order to verify and optimize the joints' performance, a kinematics and dynamics model are established for bionic adhesive device's capture process based on compliant joints using virtual prototyping software ADAMS. The effects of spring stiffness coefficient and damping coefficient on the capture state of non-cooperative objects in the three groups of compliant joints are analyzed. By the ADAMS and iSIGHT co-simulation method, a multi-island genetic algorithm is used to optimize the spring stiffness and damping coefficient of compliant joints. Through parameter optimization, the energy dissipation effect of the bionic adhesive device compliant joints is improved. The motion parameters of the target that can be captured reach the specified envelope range.