2025 Vol. 51, No. 8

Display Method:
Volume 8 Issue E-journal
Volume 51 Issue82025
iconDownload (28338) 1022 iconPreview
Technical difficulties and development trend of near-space airship’s power system
XU Guoning, ZHANG Yanlei, CHEN Kang, HUANG Tingshuang, KONG Hua, JIAO Bin
2025, 51(8): 2573-2586. doi: 10.13700/j.bh.1001-5965.2024.0866
Abstract:

The near-space airship holds significant promise for applications in communication networks and emergency rescue operations due to its remarkable advantages of extended flight duration, substantial payload capacity, and low operation and maintenance expenses. Its power system is composed of solar cells, batteries, power management modules, and power distribution units. To ensure stable long-term operation in the harsh near-space environment, characterized by low pressure, extreme low temperatures, and intense ultraviolet radiation, adaptive design and optimization of the power system are indispensable. The paper conducts a review and analysis of the near-space environmental characteristics, the technical specifications of power systems for near-space airships, and the current state of technological development. It summarizes the key issues associated with the historical, current, and future evolution of power technologies for such airships, discusses the technical challenges confronting their power systems, and clarifies the breakthrough directions and performance indicators required for each technology. The study identifies three critical technologies requiring urgent breakthroughs: low-cost, high-efficiency solar cell modules, high-performance energy storage battery modules with long cycle life, and high-reliability, high-efficiency distributed energy management technologies. Additionally, long-distance wireless energy transmission and extreme environment energy utilization technologies are highlighted as potential pathways to enhance power system capabilities. The paper provides a valuable reference for power system designers of near-space airships and researchers in related disciplines, enabling them to conduct demand-driven technological research and development.

Effect pattern of multiple factors on output performance of solar array for stratospheric airships
YANG Xixiang, HOU Zhongxi, HAN Yu, YANG Yang
2025, 51(8): 2587-2593. doi: 10.13700/j.bh.1001-5965.2022.0651
Abstract:

Solar array is a key subsystem for stratospheric airships to achieve long-endurance station-keeping. A curved surface paving model for solar arrays was established, and a high-precision calculation method for the output performance of solar arrays was proposed. The effect patterns of multiple factors, including latitude, date, and heading, on the output performance of solar arrays were simulated and analyzed. Simulation results show that: in the summer of the northern hemisphere with favorable irradiation, the effect of latitude on the output performance of solar arrays is relatively small, while the effect is much greater in autumn and winter. Date has an important effect on the peak output power and total daily output power of solar arrays, especially in regions at middle and high latitudes. In low-latitude regions, the heading has little effect on the peak output power of the solar array, but a certain effect on the total daily output power of the solar array, while in high-latitude regions, the heading’s effect varies with the date, being smaller in the summer and larger in the winter. The findings can provide references for renewable energy system design and the overall design of stratospheric airships.

Research progress on flexible perovskite solar cells
ZHAO Zhengjing, CAI Zihe, ZHANG Yun, QIN Xiaojun, ZHAO Dongming, ZHAO Zhiguo
2025, 51(8): 2594-2604. doi: 10.13700/j.bh.1001-5965.2022.0839
Abstract:

In recent years, perovskite solar cells (PSCs) have attracted widespread attention owing to their excellent photoelectric conversion efficiency, low cost, low material usage, flexible processing, and other characteristics. Based on this, among the flexible solar cells, flexible perovskite solar cells (F-PSCs) have attracted much research interest due to their flexible bending, light weight, high conversion efficiency, low cost, and other characteristics. The flexible bending of flexible cells enables better processability and broader application scenarios of PSCs, making them outstandingly valuable in providing energy supply solutions for many fields, including satellites, airships, outdoor equipment, building-integrated photovoltaics, and wearable smart devices. Special emphasis is placed on addressing the technical challenges hindering practical applications, including suboptimal device power conversion efficiency, inadequate bending durability, low-temperature fabrication strategies for functional layers, development of novel transparent conductive electrodes, and upscaling technologies for large-area devices. By comprehensively analyzing these core technological breakthroughs and unresolved demands, this work aims to accelerate the transition of high-performance, stable flexible perovskite photovoltaic technologies toward further application.

Exploration of large-area organic solar cells in space applications
ZHANG Jianqi, TIAN Chenyang, WEI Zhixiang
2025, 51(8): 2605-2614. doi: 10.13700/j.bh.1001-5965.2022.0966
Abstract:

Organic solar cells (OSCs) are emerging as a promising candidate for space applications due to their low cost, lightweight flexibility, and printable fabrication. Small-area single-junction OSCs have achieved power conversion efficiency (PCE) exceeding 19%, demonstrating a specific power significantly higher than traditional silicon-based and Ⅲ-Ⅴ-based photovoltaics. Their foldable design further reduces transportation volume, making them ideal for aerospace systems. However, large-area module fabrication still faces challenges such as efficiency loss, structural design limitations, and long-term operational stability. This study focuses on the key issues of flexible OSCs in space environments, systematically analyzing the optimization of solution-printing techniques for scalable production and summarizing the factors contributing to efficiency degradation during upscaling. Additionally, the stability of OSCs under simulated extreme conditions, including ultra-high vacuum, wide temperature ranges, and radiation exposure, is reviewed. Based on recent advances, the study proposes future directions, including molecular structure optimization, tandem device design, and process improvements, to push PCE beyond 20% and enhance long-term stability. These efforts aim to establish a theoretical and technical foundation for the application of flexible OSCs in spacecraft power systems.

Energy influence of stages in cruise profile for near space solar powered unmanned aerial vehicles
DENG Xiaolong, GAO Xianzhong, YANG Minsheng, WANG Yujie, ZHU Bingjie
2025, 51(8): 2615-2623. doi: 10.13700/j.bh.1001-5965.2022.0789
Abstract:

The diurnal energy balance is one of the most important factors for near-space solar-powered unmanned aerial vehicle (UAV) to perform high-altitude long-duration missions. To achieve this goal, the design of a reasonable cruise flight profile is significant. In this work, the energy supplying modes of stages in cruise flight profile, including gliding, climbing, daytime level flight and night level flight, were analyzed respectively. Then the models of power generation, energy storage, energy consumption and dynamics were established. The effects of each stage’s operational characteristics in the flight profile were then thoroughly examined. The findings demonstrated that the climbing and gliding tactics had no impact on the lowest battery energy. The end time of daytime level flight had an impact on the energy storage battery’s minimum power, and increasing the daytime cruise altitude may, to some extent, raise the battery’s minimum energy. The reducing of the night cruise altitude could greatly increase the minimum battery energy.

Energy management of solar-powered UAV based on energy closed loop
HU Yanpeng, GUO Jin, ZHOU Meng, WANG Xiangyu
2025, 51(8): 2624-2631. doi: 10.13700/j.bh.1001-5965.2022.0749
Abstract:

As a newly recognized domain of geospace and an important area for national security, near space has gradually attracted the attention of major countries worldwide. Solar-powered UAVs in near space have become a research hotspot in aerospace technology. However, in conventional designs, energy, power, flight control and payloads are designed independently, whcih making it difficult to reduce structural weight and optimize overall performance. This paper researched the energy management of solar-powered UAVs from the perspectives of energy system reliability and the integrated design of energy, power, and flight control, aiming to achieve structural weight reduction and overall performance optimization. The specific contents are as follows. A dual-redundancy energy management scheme was designed, incorporating a bidirectional solid state power controller (SSPC) for isolation and control, realizing safe return under single-failure conditions. An integrated design was proposed, combining battery control, motor control, power control, and flight control. This design reduced hardware weight and enabled collaborative control through software. An improved ant colony optimization algorithm was adopted to generate a three-dimensional flight route for the solar-powered UAV, and the planned route was taken as an input for a comprehensive ground simulation test of the energy system. The proposed integrated control scheme was validated through simulation experiments, showing effective collaborative control of energy management, power control, and flight control.

Progress in experimental research on flexible solar cells for near space application
WANG Hui, ZHANG Chunfu, CAO Yuexian, JIANG Xiao, ZHENG Dexu, YANG Qi
2025, 51(8): 2632-2641. doi: 10.13700/j.bh.1001-5965.2022.0949
Abstract:

Solar cells are an ideal power supply solution for near-space flight platforms. Flexible solar cells, particularly, have attracted increasing attention due to their high specific power. In this paper, the influence of different types of solar cell module encapsulation materials on the areal density was analyzed first, and the specific power of flexible thin-film solar modules at different conversion efficiencies was calculated. The paper then reviewed the research advances in flexible solar cells, including flexible silicon, flexible copper indium gallium selenium, flexible cadmium telluride, and flexible perovskite solar cells. The substrate materials, fabrication methods, and efficiency constraints of each flexible solar cell were introduced in detail. In addition, the paper presented the research progress on perovskite solar cells in near-space environments and pointed out future research directions for flexible perovskite solar cells.Studies have shown that flexible perovskite solar cells are the most promising candidates for near-space applications due to their high power-to-weight ratio.

Flexible crystalline silicon heterojunction solar cells for near-space applications
ZHAO Wenjie, HAN Anjun, MENG Fanying, HU Wentao, XU Guoning, LIU Zhengxin
2025, 51(8): 2642-2651. doi: 10.13700/j.bh.1001-5965.2022.1001
Abstract:

Aiming at the urgent demand for energy-system for high-altitude spacecraft in near-space, an ultra-thin flexible silicon heterojunction (SHJ) solar cell with a thickness of less than 100 μm was developed based on the double-sided symmetrical structure and the characteristics of the low-temperature process. By examining, evaluating, and contrasting the mechanical, thermal, and electrical characteristics of the flexible modules' packaging materials, the encapsulation structure and technology of the modules were established, and silicon heterojunction photovoltaic modules that are both flexible and efficient and appropriate for high-altitude aircraft in near space were created. The dependability of SHJ high weather resistance and high stability flexible modules, which were extensively used in high-altitude UAVs and stratospheric airships, was investigated in accordance with the needs of environmental adaptation in near space. At the same time, according to different application environments, new components are designed and their performance is compared. The solar cell modules with a conversion efficiency of 20.75% show almost no degradation after environmental reliability testing, making them completely suitable for the complex and variable near-space environment.

A high gain DC-DC converter based on switched capacitor and coupled inductor voltage multiplier unit
XIONG Zhenyang, YIN Jingyuan, HUO Qunhai, HAN Libo, WEI Tongzhen
2025, 51(8): 2652-2662. doi: 10.13700/j.bh.1001-5965.2024.0838
Abstract:

This paper addresses the low port voltage of the photovoltaic array in laser wireless power technology, which requires high-gain DC-DC converters for voltage boosting. The first is a new high-gain DC-DC converter that uses a triple-winding coupled inductor voltage multiplier unit with switching capacitors. By coordinating the windings of the triple-winding coupled inductor with the charge pump, clamping, and voltage multiplier capacitors, the voltage gain is uniformly distributed among the boost units, greatly increasing the converter's voltage gain and lowering the voltage stress on power devices. In addition, the clamping capacitor in the switched capacitor absorbs the energy stored in the coupled inductor's leakage inductance when the power switching device is turned off, preventing the formation of a voltage spike while achieving zero-current turn-on of the power switching device, both of which helps to improve the efficiency of the converter. Then, the working principle and steady-state performance of the proposed converter are analyzed in detail. Ultimately, a prototype and simulation model are developed based on the suggested concept, and simulation and experimentation are used to confirm that the performance analysis and working principle of the suggested converter are accurate.

Overall and energy efficiency optimization for communication-oriented morphing solar-powered UAV
LI Zirong, YANG Yanping, ZHANG Zijian, MA Xiaoping
2025, 51(8): 2663-2673. doi: 10.13700/j.bh.1001-5965.2022.0254
Abstract:

The high-altitude solar-powered unmanned aerial vehicle (SPUAV) offers incomparable advantages compared to other platforms, especially in enhancing aerial base stations, extending coverage to remote regions, supporting disaster response, and providing relay communication. However, the design feasible zones of SPUAVs are limited, requiring a coupling design of payload constraints and overall UAV characteristics. Focusing on the dual constraints of communication mission and UAV platform energy, this paper designed a morphing SPUAV, studying its overall design and optimization. Under the requirement of 24-hour energy closure while ensuring the mission’s effectiveness, the communication relay coverage was maximized. By establishing models for communication, solar irradiation, and mass prediction, setting energy balance constraints and communication constraints, and modeling optimization problems, the paper proposed a global optimization framework using a heuristic algorithm. The simulation results indicate that compared with the conventional configuration, the morphing SPUAV can significantly reduce total weight, especially under conditions of high altitude and heavy load, improving the overall effectiveness of the solution. Under simulation conditions, the total weight showed a 13.3% deduction. The improvement of communication payload specifications and the increase of cruise altitude can increase the coverage of relay communication but at the expense of increased total weight. When the communication payload is fixed, a low cruising altitude can improve the efficiency-to-cost ratio of communication coverage.

Series-parallel topology of reconfigurable battery pack based on hybrid switching devices
YE Zeyu, YIN Jingyuan, ZHANG Tongshuo, SHI Changli, WEI Tongzhen
2025, 51(8): 2674-2684. doi: 10.13700/j.bh.1001-5965.2022.0855
Abstract:

Near-space vehicles require battery packs composed of a large number of cells connected in series and parallel. The failure of battery cells can seriously affect the performance of the battery pack and may cause the propagation of the failure. By configuring power electronic switches in the battery pack, cells or certain sections of them can be reconfigured, enabling fault battery isolation and capacity balance between batteries. In order to achieve high efficiency and reliability of power supply, a reconfigurable battery pack based on a hybrid switch was proposed. First, fast-response power electronic devices were used to isolate the battery string, and mechanical relays were used to control the insert and removal of a battery cell. Then, a battery switching strategy based on a hybrid switching device structure was proposed, incorporating a diode-assisted bus voltage regulation method. At last, a prototype of a hybrid-switch-based reconfigurable battery pack with 10-series, 2-parallel connections was built, and a reconstruction experiment under discharge conditions was carried out. The experimental results show that the proposed structure can realize battery balancing, fault isolation, and bus voltage regulation through switching devices. Analyses of loss, reliability, and weight show that the structure can manage cells with minimal additional system loss and weight, improving overall battery pack reliability.

Advanced perovskite photovoltaic technology for space applications
ZHOU Bin, QU Duo, YANG Xiaoyu, KONG Hua, TU Yongguang, XU Guoning
2025, 51(8): 2685-2700. doi: 10.13700/j.bh.1001-5965.2022.0938
Abstract:

Metal halide perovskite-type semiconductors have received extensive attention in the photovoltaic field due to their low cost and excellent performance. Perovskite solar cells have gradually become a new generation of photovoltaic technology for space/near-space applications due to their high photoelectric conversion efficiency, long-term stability, flexible fabrication, and good radiation resistance. In this paper, it was proposed that solar cells for space applications should achieve high performance, a high energy-to-mass ratio, and long-term stability due to extreme environments of strong radiation, high vacuum, and wide temperature cycles in near space. In addition, the structural characteristics of perovskite solar cells were introduced, and their technical development and industrialization process in terms of high efficiency, large area, stability, and flexibility were summarized. In order to meet the energy demand of space applications in the future, the paper discussed the radiation resistance performance and space flight tests of perovskite solar cells, providing theoretical guidance for the development of perovskite solar cell technology for space applications.

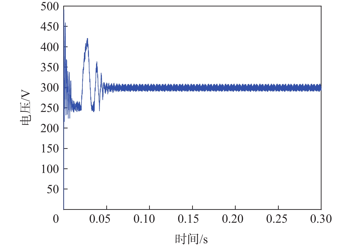
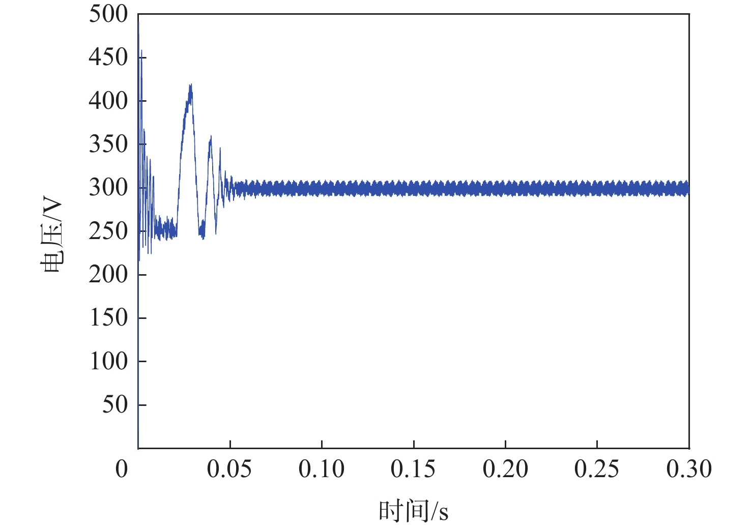
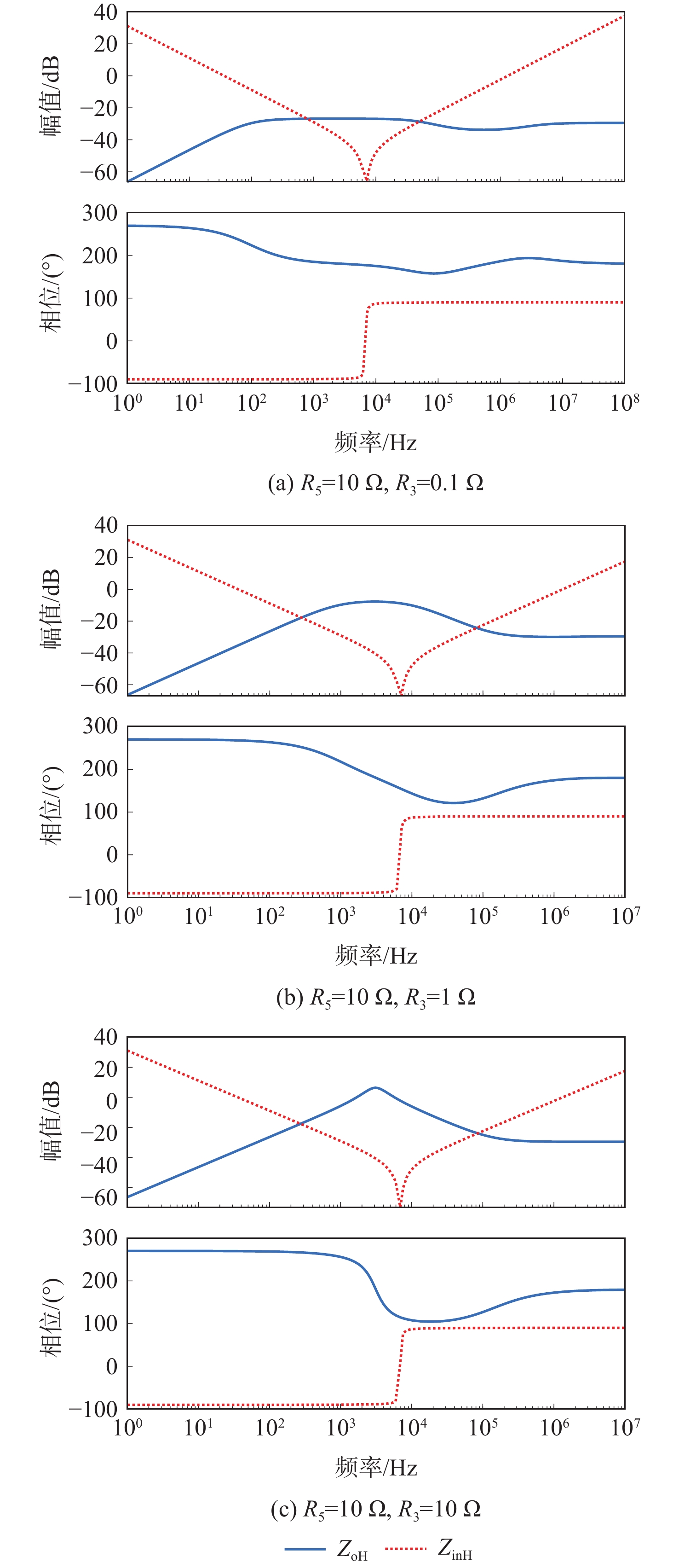
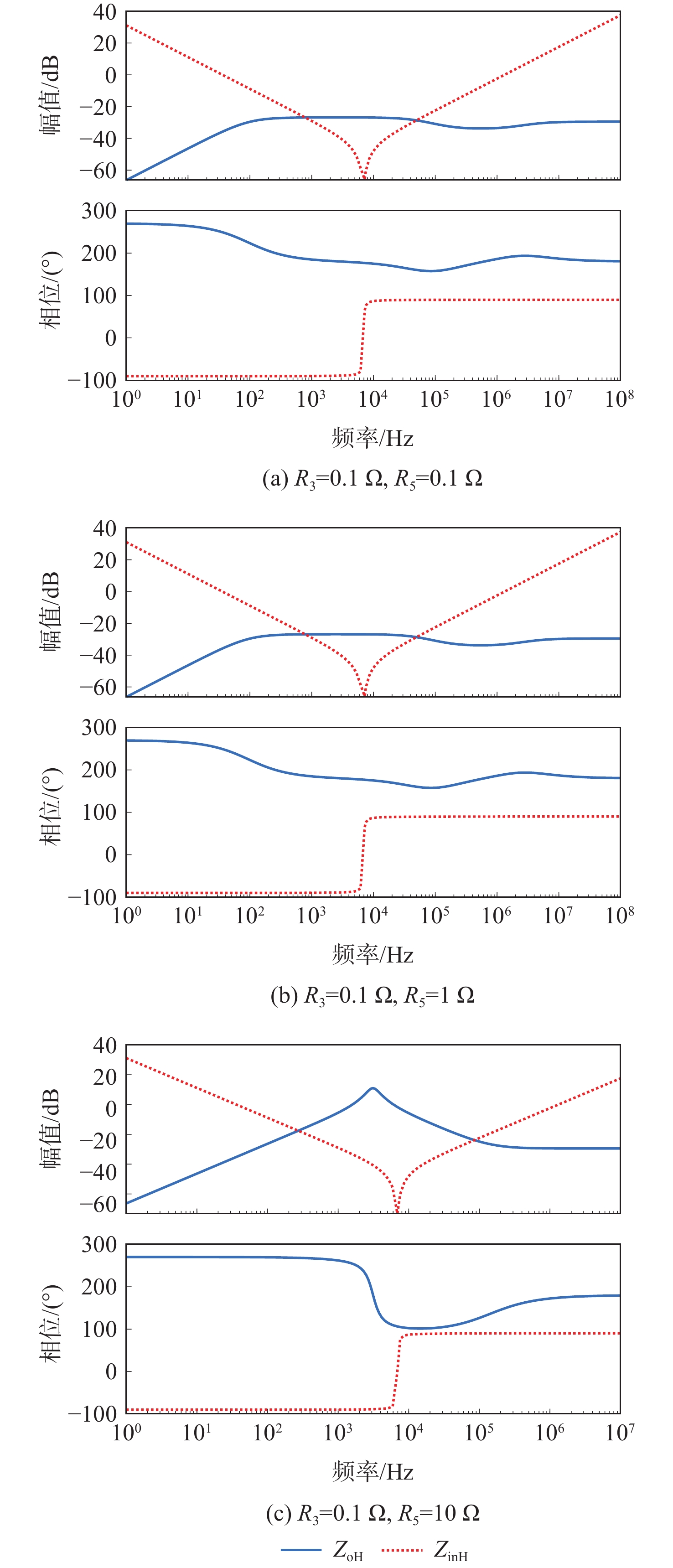
Stability analysis of stratospheric airship energy system
GAO Yang, XU Guoning, WANG Sheng, LI Yongxiang, CAI Rong, YANG Yanchu
2025, 51(8): 2701-2715. doi: 10.13700/j.bh.1001-5965.2023.0020
Abstract:

For the long-endurance stratospheric airship to operate safely and dependably, the energy system’s stability is crucial. The stability issue is particularly noticeable for energy systems with several buses and converters connected in series and parallel. In order to establish a semi-regulated busbar mode, this paper suggests a new stratospheric airship energy system structure based on a three-port converter. It also examines the stability of the complex energy system made up of multiple converters and semi-regulating double-bus under various load impedances. The input and output impedances of the energy system under various subsystem division techniques are first determined by creating an impedance model of a stratospheric airship that contains solar cells, batteries, and different converters. Then, the stability of the energy system is analyzed using the stability criterion of the impedance ratio of the multi-bus direct current system, the theoretical analysis results are verified by simulation experiments. Finally, a hierarchical control method of airship energy system based on consistent power coordination control and Sliding mode control is proposed. According to simulation data, this technique can improve the airship energy system’s stability.

Review of low-temperature electrolyte of lithium-ion batteries for near space vehicle
SU Fangyuan, SONG Ge, WANG Zhenbing, CHEN Chengmeng
2025, 51(8): 2716-2726. doi: 10.13700/j.bh.1001-5965.2023.0052
Abstract:

Higher demands have been placed on the power system of near-space missions due to the low-temperature environment. Lithium-ion batteries (LIBs), the primary power source for space systems, have significant technical obstacles to normal operation in harsh environments due to their rapid capacity deterioration and eventual battery failure at below-freezing temperatures. E For LIBs to function at low temperatures, electrolyte—including bulk electrolyte and solid electrolyte interface (SEI) film—is essential. Therefore, the development of advanced electrolyte for low-temperature conditions is important for the operation of LIBs in extremely cold environments. The design status of the low-temperature electrolyte of LIBs for near-space vehicles was evaluated, along with a summary of pertinent strategies to improve the LIBs of electrolyte for low-temperature conditions, with the goal of identifying the factors limiting the low-temperature performance of LIBs. This work provides a feasible strategy for the development of Energy storage equipment in near-space vehicles.

Uncertainty of solar cell calibration using a high-altitude balloon
ZHUANG Chunyu, XU Guoning, LI Zhaojie, TANG Yu, LI Yongxiang, WANG Yanqing
2025, 51(8): 2727-2734. doi: 10.13700/j.bh.1001-5965.2022.0241
Abstract:

By considering that a spectral and radiation environment similar to space can be obtained at an altitude of 35 km and above, as well as the convenience, economy, and accuracy of solar cell calibration using high-altitude balloons, a high-altitude balloon calibration method for solar cells at 35 km altitude is regarded as the best in-situ calibration method for space solar cells at present. Aiming at the poor consistency in calibration results caused by variations in calibration conditions for each group of data in the actual tests of solar cells using the high-altitude balloon calibration method, this paper analyzed the influence of solar cell temperature, irradiance, solar incidence angle, spectral mismatch, and other factors on high-altitude balloon calibration. A data correction model for this calibration method was proposed and validated using the data obtained from the flight calibration test. Moreover, the uncertainty of the calibration data of solar cells using a high-altitude balloon was analyzed, and a relative expanded uncertainty of 1.4% (k = 2) was achieved for short-circuit current. This paper can provide theoretical support for the subsequent data correction of high-altitude balloon calibration tests for solar cells. Additionally, it verified the feasibility of the high-altitude balloon calibration test proposed by the Chinese Academy of Sciences from the perspective of measurement uncertainty.

Three-dimensional complete coverage flight path planning for high-altitude long-endurance solar-powered UAV
WANG Qian, WANG Xiangyu, JIAO Jun, ZHANG Zijian, ZHANG Jian
2025, 51(8): 2735-2747. doi: 10.13700/j.bh.1001-5965.2022.0748
Abstract:

Near-space solar-powered UAVs, characterized by their ultra-long endurance, can effectively solve the issue of insufficient endurance faced by traditional UAVs during missions. This paper proposed a three-dimensional (3D) path planning method for solar-powered UAVs based on “point to surface” coverage missions across large-scale spatiotemporal scenarios. Under the constraints of limited energy acquisition and conversion, the method maximized mission efficiency through reasonable distribution and scheduling of solar energy and gravitational potential energy. Based on the solar irradiance model and energy system model, a segmented energy management strategy was used to allocate and schedule the energy and divide the flight phases of the 24-hour mission cycle. The objective functions and boundary conditions of each phase were defined, and the Gauss pseudospectral method (GPM) was introduced to solve the multi-phase and multi-objective optimal control problem. The rotating calipers algorithm (RCA) was introduced to solve the full coverage path planning (CPP) problem of the convex polygon area. A multi-objective optimization was performed by combining the maximum solar irradiation path and the optimal coverage mission path, and the results were compared with the traditional CPP algorithm. The GPM and the RCA were combined to solve the 3D complete coverage flight path planning problem with energy and mission constraints. The simulation results show that, within the randomly generated convex polygon area, the proposed joint optimization method can increase the average solar irradiation power by 11.64% and reduce the complete coverage mission path by 10.9% while satisfying the day-night energy closed-loop of the solar-powered UAV, significantly improving the mission efficiency of solar-powered UAVs and maximizing the energy utilization.

Lithium metal electrode based on Au-modified CuO/CF nanoarray
LI Shurui, XIONG Gangyi, XING Yalan, ZHANG Shichao
2025, 51(8): 2748-2756. doi: 10.13700/j.bh.1001-5965.2022.0958
Abstract:

With the growing strategic position of near-space vehicles, the demand for energy storage batteries with high power, high specific energy, and long cycle life has also increased. Lithium metal battery with ultra-high theoretical specific energy is a promising candidate for the next-generation energy storage system of near-space vehicles. Lithium metal exhibits extremely low reduction potential and high theoretical capacity, but its application is limited by issues associated with dendrite growth. In this paper, based on oxidation etching and ion exchange mechanism, a three-dimensional (3D) Au-CuO nanowire array current collector on copper foam (CF) (Au-CuO/CF nanoarray 3D current collector) was successfully prepared via the preparation of CuO nanowire array on CF and the introduction of Au as lithophilic sites. This current collector was then applied as a lithium metal battery anode. Compared to the CuO/CF nanoarray 3D current collector, the Au-CuO/CF nanoarray 3D current collector demonstrated significantly improved Coulombic efficiency, cycle life, and cycling stability. When paired with a lithium iron phosphate (LFP) cathode, the full cell achieved a capacity retention of 97.7% after 700 cycles. The Au-CuO/CF nanoarray 3D current collector features simple preparation and excellent electrochemical performance, with the full cell demonstrating outstanding cycling stability and exceptional capacity retention, showing great potential as a next-generation high-energy-density lithium metal battery anode current collector.

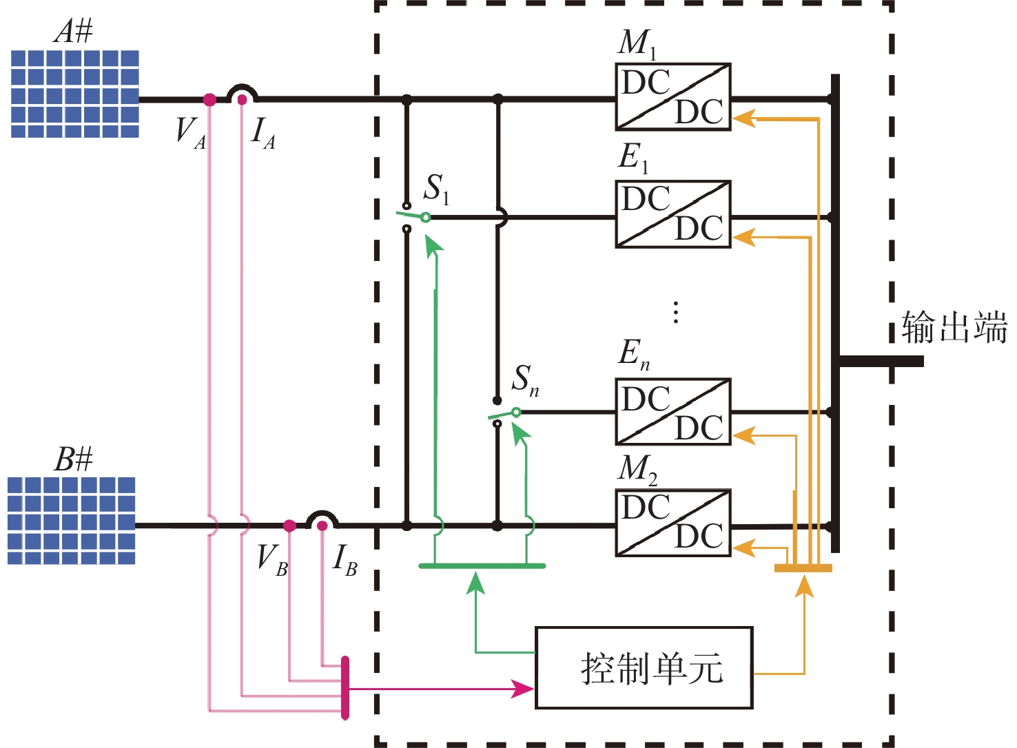
Distributed solar cell generation analysis and system optimization for near space vehicles
CAI Peiyuan, XU Guoning, KE Zhijie, ZHANG Yanlei, YANG Yanchu, CAI Rong
2025, 51(8): 2757-2766. doi: 10.13700/j.bh.1001-5965.2023.0652
Abstract:

The form of energy for long-duration vehicles in near space generally adopts a photovoltaic power generation system, and the solar cells are laid on the upper surface of the vehicle. Because of the vehicle's shape and limitations, the solar cells are dispersed across curved surfaces with varying irradiance at different points. A distributed solar cell system, in which the curved array is separated into several solar cell subarrays and each subarray is individually controlled to realize the maximum power generation of the entire solar array, is typically used to make efficient use of the curved solar cell array. For a near-space vehicle, this work develops a distributed solar cell array power generation model and examines the law and impact of the power produced by solar cell subarrays with various parameters. A distributed solar cell maximum power tracking controller topology is proposed based on the above law. According to the simulation analysis, the topology reduces the rated power of the converter while ensuring the overall energy remains unchanged, which provides a new idea for the weight reduction of the power system of the near-space vehicle.

Analysis and mitigation of spherical reflection effects on solar cell calibration using high-altitude balloons
ZHANG Yiqing, HUANG Tingshuang, LI Yongxiang, YANG Yanchu, XU Guoning
2025, 51(8): 2767-2775. doi: 10.13700/j.bh.1001-5965.2024.0772
Abstract:

Accurate calibration is becoming more and more necessary as high-altitude balloons are utilized more frequently for solar cell calibration. Conventional approaches produce calibration values that are roughly 5% higher than theoretical values because they only take into account direct sunlight precision and disregard the effect of spherical reflection. This paper proposes an analysis method for spherical reflection effects, which involves fitting the sphere’s shape using a third-order Bessel curve and modeling it. The method calculates how the sphere’s reflection affects the calibration device’s reception of different light wavelengths. 18 solar cells were calibrated at a height of 35000 m using the high-altitude balloon and calibration apparatus that are part of the experimental setup. Both experimental and simulation results confirm the impact of spherical reflection. Simulation results show that reflection can increase short-circuit current by up to 9.28%, while experimental data indicate that the actual short-circuit current is about 5.28% higher than the air mass 0 (AM0) value of standard cells.

Measurement methods for the critical bending radius of flexible solar cells
GAO Hongxin, ZHAO Shougen, ZHU Jialin, YU Yihao, ZHANG Zhen
2025, 51(8): 2776-2781. doi: 10.13700/j.bh.1001-5965.2024.0801
Abstract:

Flexible solar cells are becoming more widely acknowledged as essential elements for upcoming applications as space solar cell arrays move from rigid and semi-rigid structures to flexible designs with high packing ratios, less weight, and lower costs. The exact measurement of these cells’ essential bending radius is necessary because they must preserve both their structural integrity and photoelectric conversion efficiency under bending conditions. In response to this need, a new method based on large deflection buckling theory is proposed for testing the bending radius of flexible solar cells. Accurate and repeatable measurements are made possible by an automated testing instrument designed to support this method. To validate the accuracy of this method, its results were compared with those obtained using the traditional mandrel method. The accuracy and dependability of this method were confirmed by the trials, which revealed that the critical bending radius determined by the big deflection buckling method was quite compatible with that of the mandrel method. The findings of the study serve as a guide for maximizing the performance of upcoming flexible electronic devices in addition to providing exact mechanical parameters for the structural design of flexible solar cells.

Optimization of multi-mission scheduling for swarm UAVs with charging platform
KE Zhijie, XU Guoning, CAI Rong, LI Yongxiang, YANG Yanchu
2025, 51(8): 2782-2791. doi: 10.13700/j.bh.1001-5965.2022.0414
Abstract:

The swarm unmanned aerial vehicles (UAVs), characterized by their large quantity, low cost, and unified scheduling, have broad application prospects. Unified scheduling is a focal point and challenge in swarm UAVs research, aiming to the optimal allocation of tasks and resources. Current scheduling research primarily focuses on small-scale, short-term scenarios without considering complex scenarios such as mid-operation charging. However, for future multi-task and long-term applications, scheduling optimization must account for such factors. An improved mission scheduling method for swarm UAVs based on a unified scheduling model and an improved genetic algorithm was proposed. First, the wireless charging platform resources were incorporated into the UAV working environment, and the working scenario was modeled systematically. Then, the genetic algorithm was used to optimize the mission and charging platform resource allocation. Finally, the proposed method was tested for validation using simulated scenarios. Test results show that the method proposed can better adapt to changes in missions, environment, and resources, showing good performance even for large-scale swarm UAVs.

A non-resonant linear soft-switching DC-DC step-up conversion topology featuring current balancing for aerostat power systems
HU Xiaofei, LI Hong, ZENG Yangbin, SU Wenzhe, XU Guoning
2025, 51(8): 2792-2800. doi: 10.13700/j.bh.1001-5965.2022.1023
Abstract:

Applications for near-space aerostats are numerous and include scientific experiments, geological exploration, and communication support. The power conversion equipment in these systems must have characteristics like high efficiency, miniaturization, and lightweight construction because of their particular operating environment. The significance of creating a DC-DC converter with high efficiency, high power density, and high voltage gain is highlighted by the low output voltage of the solar cell in the aerostat power system and the high voltage of the DC bus. Thus, using a high gain clamping capacitor converter and non-resonant soft-switching approaches, this work suggests a novel non-resonant linear (NRL) soft-switching DC-DC step-up converter with current balancing. The suggested converter can eliminate the device current spike brought on by charging and discharging capacitors by implementing zero-current-switching (ZCS) turn-on of switches and ZCS turn-off of diodes. Finally, the validity and correctness of the proposed converter are verified by simulation and experiment, which provides a novel topology choice for DC-DC step-up converter in near-space aerostat power systems.

Wireless charging coil location method of aircraft based on machine learning
YANG Shanghang, XU Guoning, JIA Zhongzhen, LI Yongxiang, ZHUANG Chunyu, YANG Yanchu
2025, 51(8): 2801-2811. doi: 10.13700/j.bh.1001-5965.2023.0006
Abstract:

Magnetically coupled resonant wireless power transfer technology is widely used in drone charging, where the positioning accuracy of charging coils directly affects charging efficiency. To address the limitation of existing methods that neglect angular misalignment of drones, this paper proposes a coil positioning method based on supervised machine learning, capable of simultaneously detecting positional and angular offsets. The method establishes a dataset using auxiliary coil voltages as features and relative positional/angular offsets as labels, then trains a positioning model via supervised learning regression algorithms. Simulation and experimental validation demonstrate a positional detection accuracy of 1 cm and angular detection accuracy of 1°. By integrating mechanical adjustment mechanisms on the charging pad to translate or rotate the transmitter coil, precise coil alignment is achieved, enhancing system charging efficiency.

Experimental investigation of overcharge caused sodium plating of hard carbon anodes for sodium-ion batteries
LIU Qianlei, DAI Liqin, YI Zonglin, SU Fangyuan, SUN Guohua, CHEN Chengmeng
2025, 51(8): 2812-2819. doi: 10.13700/j.bh.1001-5965.2023.0051
Abstract:

Sodium-ion batteries are strong candidates for secondary batteries for near-space vehicles. Although there aren’t many reports, the monitoring, failure, and mechanism of sodium plating in hard carbon anodes provide guidelines for the use and management of sodium-ion batteries. For this, a trustworthy understanding of the sodium plating behavior of hard carbons is provided by setting a series of sodium precipitation gradients, using differential capacity curves, combined with scanning electron microscopy (SEM) and galvanostatic intermittent titration technique (GITT). The results show that sodium clusters appear on the surface of the hard carbon at a current density of 20 mA/g for 12.5 h. The sodium clusters are converted into sodium-metal by continuing to sodiate for 2.5 h and the voltage of desodiation of the sodium-metal can be detected by the differential capacity curves. The battery’s cycling performance is not impacted by the sodium clusters because of their low formation energy; however, the sodium-metal causes an increase in the battery’s interfacial impedance and charge transfer impedance, which accelerates the degradation of the battery’s cycling performance.

Model predictive control strategy for Buck-Boost converter of near-space aircraft
ZHAO Yuyu, WANG Baocheng, HUANG Tingshuang, JIA Zhongzhen, DU Xiaowei, XU Guoning
2025, 51(8): 2820-2828. doi: 10.13700/j.bh.1001-5965.2024.0860
Abstract:

The energy system of a near-space long-endurance aircraft mainly includes solar cells, energy storage batteries, energy controllers, and power distributors. The solar cells’ maximum power point tracking and energy storage battery charging are handled by the energy controller. The single boost or single buck topologies used by conventional energy controllers for near-space vehicles have multiple disadvantages. To address these issues, a four-switch Buck-Boost converter topology and a corresponding control method are proposed. Through practical power supply designs of the four-switch Buck-Boost converter, this control approach seeks to address the issue of frequent mode switching brought on by the control dead zone. A combined control strategy of model predictive control (MPC) and the multi-step discretization method is proposed. Based on the traditional Buck and Boost two-mode operation, this strategy derives the duty cycle control from the predictive model and incorporates the limit duty cycle using the multi-step discretization method. As a result, two extended modes—extended Buck (E-Buck) and extended Boost (E-Boost) are defined within the dead zone. Additionally, an input voltage detection unit is employed to achieve smooth transitions between the four modes. Through simulation trials, the suggested control strategy’s efficacy was confirmed.