留言板

尊敬的读者、作者、审稿人, 关于本刊的投稿、审稿、编辑和出版的任何问题, 您可以本页添加留言。我们将尽快给您答复。谢谢您的支持!

姓名
邮箱
手机号码
标题
留言内容
验证码

2017年  第43卷  第6期

显示方式:
2017年, 第43卷, 第6期
icon下载 (38991) 1051 icon预览
论文
基于PCH模型的航天器姿态无源控制
王青, 龚立纲, 董朝阳
2017, 43(6): 1061-1071. doi: 10.13700/j.bh.1001-5965.2016.0414
摘要:

针对存在干扰力矩的航天器姿态控制问题,从能量角度提出一种基于端口受控哈密顿(PCH)系统模型的无源控制方法。通过将姿态控制系统表示为PCH形式,并增加与姿态误差积分有关的状态,利用互联和阻尼分配无源控制(IDA-PBC)方法进行控制器设计,使得闭环系统具有期望的内部互连结构关系和能量耗散特性,所提出的控制方案能保证系统的输入-状态稳定性。进一步,考虑执行器的动态特性,利用反步法对控制指令进行补偿设计,结合指令滤波技术避免对虚拟控制量高阶导数的计算,并从理论上证明了闭环系统一致最终有界。仿真结果验证了本文所提控制方法相比于单独基于无源性控制方法的性能优势。

多旋翼无人飞行器必要建模因素
万佳, 刘洪, 王福新
2017, 43(6): 1072-1079. doi: 10.13700/j.bh.1001-5965.2016.0481
摘要:

近年来多旋翼无人飞行器(UAV)成为了小型无人飞行器发展的热门领域,而学界对于多旋翼飞行器飞行力学建模与飞行力学特性分析的研究还相对较少。针对相关研究需求,基于传统旋翼模型,建立了适用于多旋翼无人飞行器的飞行力学模型,并利用此模型对多旋翼无人飞行器悬停模态特性进行了初步分析,结果显示多旋翼飞行器模态稳定性明显弱于传统直升机,且横向Phugoid模态取代了荷兰滚模态。随后利用弱耦合系统理论与纵向模态简化模型,对多旋翼建模过程中的旋翼旋转自由度(DOF)动态特性、入流模型和旋翼气动力矩的建模必要性进行了研究。分析表明,旋翼旋转自由度的动态特性在飞控增稳条件下对全机特性有着重要影响,入流分布对刚性旋翼的俯仰、滚转气动力矩有着决定性作用,而旋翼气动力矩是决定多旋翼悬停模态的重要因素,这三者在多旋翼建模分析中不能忽略。

基于相关性分析的结构可靠性加严试验方法
马小兵, 章健淳, 赵宇
2017, 43(6): 1080-1084. doi: 10.13700/j.bh.1001-5965.2016.0420
摘要:

针对传统结构可靠性试验的验证多是基于载荷应力和结构强度相互独立的假设问题,从应力和强度数据的相关性分析与度量出发,在二者均为正态随机变量的前提下,建立了一种基于Copula函数相关应力-强度干涉模型的结构可靠性加严试验验证方案设计方法。该方法结合Copula函数和应力-强度干涉模型实现相关条件下原可靠性指标与加严条件下可靠性指标的转化,适用于小样本情况下基于传统成败型试验方法评估其可靠性。研究结果表明:相比独立假设,应力和强度呈负相关时,会增加试验样本量且样本量随负相关程度减弱而减少;呈正相关时,会减少试验样本量且样本量随正相关程度增强而减少。

战斗机武器外挂投放与内埋投放比较
张群峰, 闫盼盼, 黎军
2017, 43(6): 1085-1097. doi: 10.13700/j.bh.1001-5965.2016.0497
摘要:

为了研究弹体外挂投放与内埋投放的区别,利用基于Menter SST湍流模式的改进延迟分离涡模拟(IDDES)方法以及重叠网格技术,分别对亚声速和超声速来流条件下,同一弹体外挂投放和内埋投放进行了数值模拟,得到了亚声速和超声速条件下外挂投放与内埋投放弹体的下落规律。通过对比分析表明:亚声速和超声速来流条件下,内埋投放由于受舱体内强非定常流场以及舱体唇口剪切层的影响,弹体受很大的抬头力矩,弹体姿态角变化较大,投放特性劣于外挂投放。进一步研究表明:在弹射时给弹体一定的低头角速度,使弹体以低头姿态穿越剪切层,则可以大幅度降低剪切层带来的不利影响,提高内埋投放弹体分离品质。

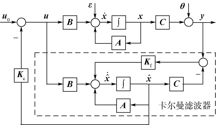
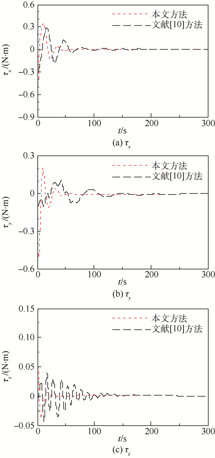
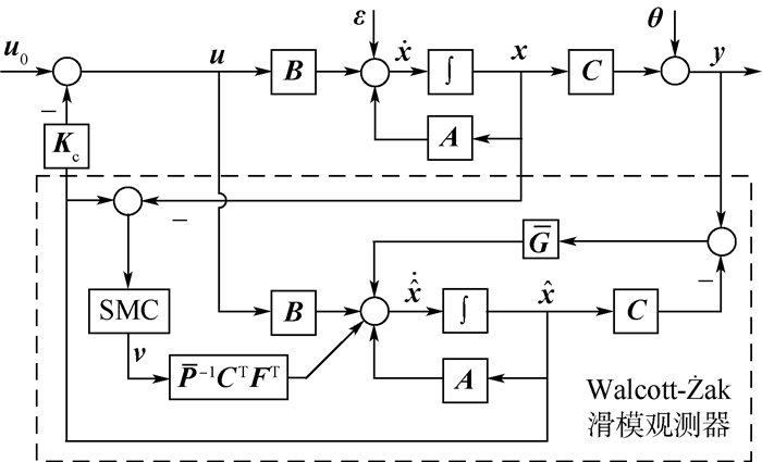
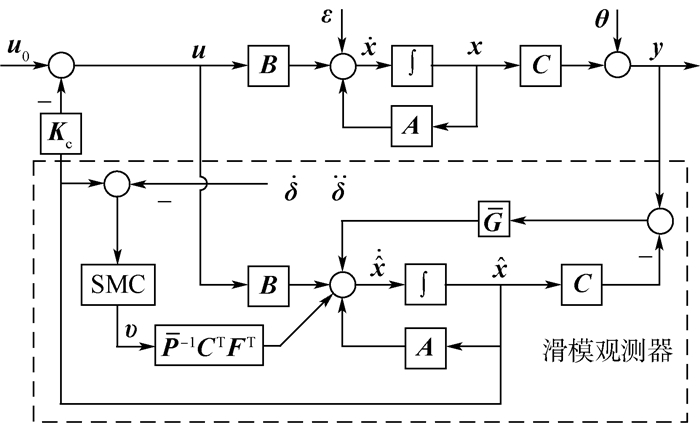
基于滑模观测器的机翼颤振主动抑制设计
宋晨, 王诗其, 杨超
2017, 43(6): 1098-1104. doi: 10.13700/j.bh.1001-5965.2016.0453
摘要:

颤振主动抑制(AFS)是国际上普遍推崇的颤振问题解决方案,对现代飞行器设计具有重要意义。基于国际上滑模观测器的二维机翼AFS应用,以双后缘控制面真实机翼模型为对象,发展一种低阶滑模观测器的三维机翼AFS设计方法。该观测器性能优越、特点鲜明,但传统的设计流程繁琐,限制了其在高阶模型对象上的使用。本文借助线性二次型高斯(LQG)方法中的最优滤波器增益矩阵,提出一种简化的滑模观测器设计流程。结合气动弹性物理背景,使本文方法理论上能够应用于实践。算例对比分析结果表明,本文方法比LQG方法具有更好的抵抗噪声能力。

基于大气光鲁棒估计的无人机图像去雾方法
刘春辉, 齐越, 丁文锐
2017, 43(6): 1105-1111. doi: 10.13700/j.bh.1001-5965.2016.0473
摘要:

针对无人机(UAV)获取的图像易受雾、霾等天气影响导致图像质量降低的问题,本文提出一种基于大气光鲁棒估计的无人机图像去雾方法。首先,选取具有不同表面反照率的像素块,得到各个图像块的像素直线,利用各条像素直线与大气光共面的性质,估计得到大气光的方向;然后,利用无人机对地成像时图像各像素点的景深相似的特点,定义了图像的全局透射率,通过全局透射率和各像素直线在大气光方向上的投影计算得到大气光幅度;最后,通过对雾天图像模型进行变换得到无雾图像。为使本文方法适用于不同类型的图像,采用了自动调整图像块尺寸和条件阈值等措施来提高方法的鲁棒性。通过真实无人机图像的去雾实验证明,相比现有的图像去雾方法,本文方法在去雾的视觉效果和客观评价指标上都有较大的提升。

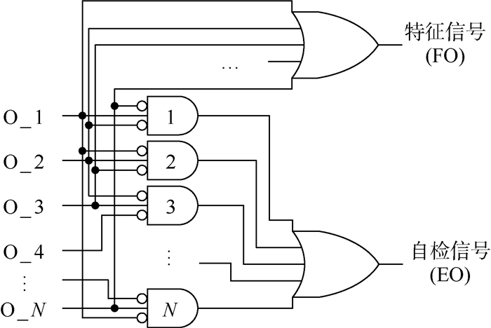
基于双模冗余的胚胎电子细胞阵列在线故障检测
李丹阳, 蔡金燕, 孟亚峰, 朱赛
2017, 43(6): 1112-1122. doi: 10.13700/j.bh.1001-5965.2016.0745
摘要:

针对胚胎电子细胞阵列在线故障检测设计困难、检测率低、检测率难以准确计算等问题,提出了一种基于双模冗余的在线故障检测方法和一种基于电路等价性验证的故障检测率分析方法。设计了一种适用于查找表型功能单元的新型检测器,并开发了自动化设计程序。针对单固定型故障,将电路转变为待验证电路,再通过故障注入和等价性验证,可以快速精确地计算电路的故障检测率。仿真实验选取16个不同规模的标准电路,分别映射在胚胎电子细胞阵列中,分析了双模冗余后面积、延时变化情况和双模冗余的故障检测率。仿真结果给出了较为详细的面积消耗、电路延时和故障检测率等数据,并验证了本文方法具有很高的故障检测率。

基于ICP的稳态部分可辨编队目标精细跟踪算法
王聪, 王海鹏, 何友, 郭晨
2017, 43(6): 1123-1131. doi: 10.13700/j.bh.1001-5965.2016.0421
摘要:

针对稳态编队在部分可辨条件下精细跟踪的难题,提出了一种基于迭代就近点(ICP)的稳态部分可辨编队精细跟踪算法。首先将ICP算法思想应用于编队成员拓扑的点航关联中,将k时刻的位置状态估计通过最近点循环迭代逼近k+1时刻的量测,在关联判决时采用双门限原则应对部分可辨所带来的漏观测问题,以提高关联时的容错性能;进而采用概率最近邻对漏观测航迹进行填补,以进一步保证跟踪的可靠性;最后,采用多模型法实现编队成员航迹滤波更新,以保证航迹的跟踪滤波精度。仿真结果表明,与现有的基于模版匹配的编队目标跟踪算法以及经典的多假设多目标跟踪算法相比,该算法具有较高的跟踪可靠性与精度,且在编队拓扑发生缓慢变化时具有更高的正确跟踪率。

输入输出受限的无人机防滑刹车系统容错控制
孙辉, 闫建国, 屈耀红
2017, 43(6): 1132-1140. doi: 10.13700/j.bh.1001-5965.2016.0438
摘要:

针对无人机防滑刹车系统工作过程中同时出现系统输出滑移率稳定区域受限、控制输入饱和与刹车执行机构故障的多重约束问题,提出了一种基于障碍Lyapunov形式的自适应神经网络反演容错控制器的设计方法。当刹车执行机构发生故障时,通过自适应神经网络补偿刹车系统中的非线性及不确定项。根据反演设计原理,应用神经网络输出设计相应的容错控制律,同时,在控制器的设计中引入鲁棒切换控制项,优化系统快速容错的暂态性能。首先本文设计的容错控制器无需精确获取执行机构在线故障的重构信息,也能使刹车闭环系统能够快速稳定,然后基于Lyapunov方法分析了系统的稳定性,最后通过数值仿真结果表明,所提出的容错控制算法能够有效地保证刹车执行机构故障时控制系统的稳定性和有效性。

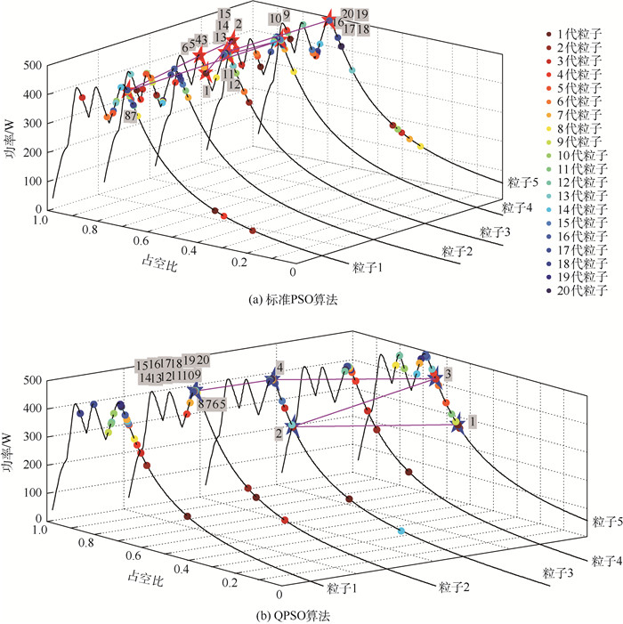
复杂遮蔽条件下光伏多峰出力特征及GMPPT控制
陈明轩, 武建文, 马速良, 黄炼
2017, 43(6): 1141-1148. doi: 10.13700/j.bh.1001-5965.2016.0478
摘要:

针对光伏发电系统中最大功率点跟踪(MPPT)算法在遮蔽情况下失效问题,提出了一种基于δ势阱的量子粒子群全局MPPT(GMPPT)算法。结合光照强度变化时的光伏多峰值出力特征,从光伏最大功率点变迁角度出发,分析常规MPPT算法存在搜索盲区的原因,说明GMPPT寻优必要性。提出一种提高粒子多样性、搜索速度及收敛精度的量子行为粒子群优化(QPSO)算法。在MATLAB/SIMSCAPE平台下,结合算例分析,对比标准粒子群优化(PSO)算法,验证所提优化算法在有效GMPPT的情况下,具有参数少、搜索快的特点,同时全局搜索能力强,防早熟效果明显,适用于GMPPT的实现。

预载荷下板料激光弯曲成形的工艺参数分析
徐琅, 李卫东, 王秀凤, 万敏
2017, 43(6): 1149-1154. doi: 10.13700/j.bh.1001-5965.2016.0494
摘要:

预载荷下板料激光弯曲成形是一种较新的板料弯曲成形方法,本文对其工艺参数进行了分析研究。使用软件ABAQUS建立了预载荷下板料激光弯曲成形的有限元模型,并进行了试验验证,在此模型的基础上,采用均匀设计法进行了变工艺参数仿真试验设计,利用仿真试验结果建立了各工艺参数与变形量间的回归模型,并进一步分析了工艺参数对变形量的影响及其内在原因。研究表明,各工艺参数中扫描速度对变形量的影响最大,而激光功率的影响最小;光斑直径与扫描速度间存在对变形量有高度显著影响的负交互作用;变形量随预载荷增大近似呈指数上升,随激光功率的增大近似呈线性增大,随光斑直径的增大近似呈线性下降,随扫描速度的增大呈现先减小后增大的趋势。

面向地震应急响应的互联网信息处理
宋建功, 王之欣, 李勤勇, 李雅婷, 马世龙, 吕江花
2017, 43(6): 1155-1164. doi: 10.13700/j.bh.1001-5965.2016.0785
摘要:

近年来国内外地震灾害给人类的生命财产造成了巨大损失。海量的互联网地震灾情信息可为应急响应和及时救援提供决策支持的依据,因此互联网灾情信息高效快速处理需求迫切。针对地震互联网灾情信息处理的研究,定义了地震事件模型、网页对象模型等,用极限方法定义Web信息收敛性,刻画了互联网灾情信息传播特点。根据灾情信息时效性特点,提出了一种支持动态收敛性的Web信息抽取算法,完成互联网灾情信息提取。提出一种针对灾害信息随时间的变化进行时序统计的方法,形成信息统计报告,为制定救援决策提供依据。设计并实现了面向地震应急响应的互联网信息智能处理系统,并进行了工程实践验证。

编队卫星法向机动的切向耦合效应补偿方法
王有亮, 李明涛, 郑建华, 周敬
2017, 43(6): 1165-1172. doi: 10.13700/j.bh.1001-5965.2016.0437
摘要:

空间四面体构型在空间物理场三维立体协同探测任务中具有重要应用价值。为了保证空间四面体良好的探测性能,必须对空间四面体构型进行构型维持控制。但是,在法向控制中,法向机动的切向耦合效应会导致编队构型发生切向漂移,使得空间四面体几何特性变差,从而影响编队卫星的探测性能。针对编队飞行任务,通过解析的补偿方法消除法向机动时由于耦合效应造成的构型切向漂移,从而实现J2摄动下精确的构型初始化重构和构型保持控制。仿真表明,该方法简单有效,能够有效消除J2摄动下的法向机动引起的构型切向漂移,实现更精确的构型控制。

超高速流动模拟及热化学反应模型对比研究
周凯, 李旭东, 胡宗民, 姜宗林
2017, 43(6): 1173-1181. doi: 10.13700/j.bh.1001-5965.2016.0474
摘要:

超高速流动是飞行器再入大气层时所面临的高速高温流动环境,膨胀管是少数几种能模拟超高速流动的地面设备之一。采用数值模拟方法对超高速试验进行辅助分析诊断,流动模拟时热化学反应模型的选择对流场特性影响较大,分别选择5组分、11组分热平衡及5组分热非平衡模型,对比研究3种不同热化学反应模型对双楔试验模型数值模拟结果的影响,以进一步评估超高速流动模拟时热化学反应模型的适用范围。结果表明,试验气流条件下5组分化学模型即可满足要求,加速气流条件则必须采取11组分化学模型,而对于流动中热非平衡效应显著时,热化学非平衡模型更为适用。

重叠网格装配中的一种改进ADT搜索方法
李鹏, 高振勋, 蒋崇文, 李椿萱
2017, 43(6): 1182-1190. doi: 10.13700/j.bh.1001-5965.2016.0425
摘要:

针对现有交替数字二叉树(ADT)方法的不足,引入辅助笛卡儿网格提出了一种基于散列数据结构的改进搜索方法以缓解可能出现堆栈溢出的问题和提高重叠网格装配的效率。该方法以散列数据结构的方式对网格单元进行存储和搜索,首先以辅助笛卡儿网格对网格单元的存储空间进行初步映像,然后基于ADT搜索树作进一步检索。在ADT搜索方法的基础上,笛卡儿网格的引入进一步缩小了网格单元的搜索范围使得改进方法具有更好的效率。基于单个网格节点,查询深度和搜索耗时的测试显示改进方法相比现有ADT搜索方法能使挖洞的平均效率提高25%以上。此外,挖洞结果和基于网格装配的数值计算验证了改进搜索方法在重叠网格装配中的可靠性。

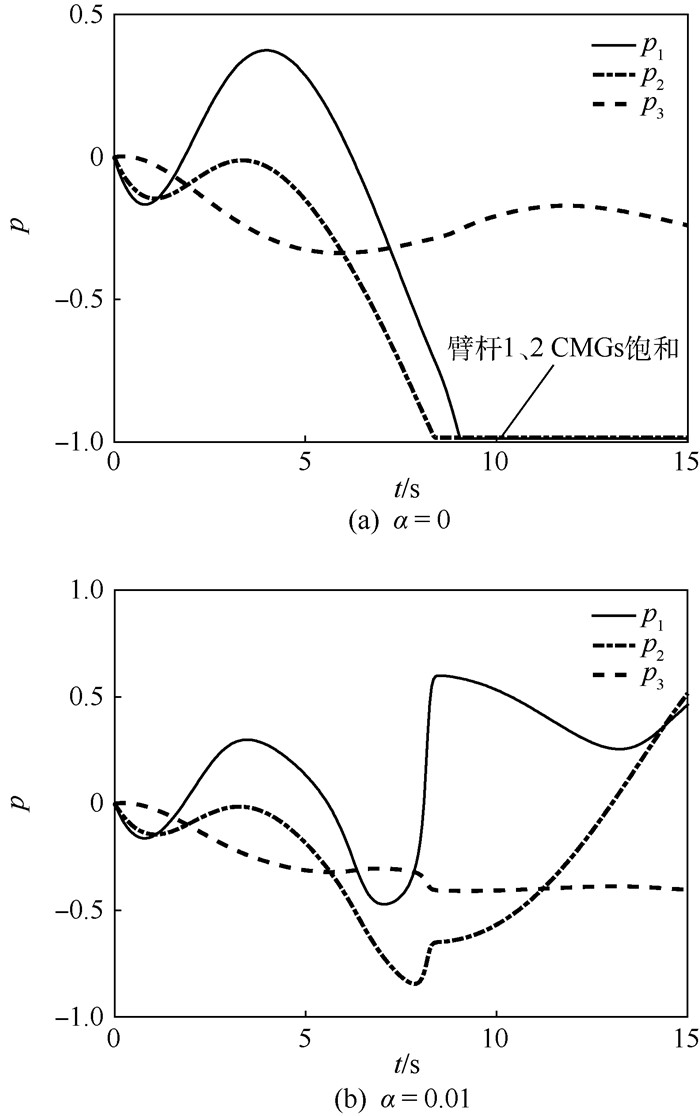
控制力矩陀螺驱动空间机器人的角动量平衡控制
冯骁, 贾英宏, 徐世杰
2017, 43(6): 1191-1198. doi: 10.13700/j.bh.1001-5965.2016.0427
摘要:

针对Ⅴ构型控制力矩陀螺(CMGs)驱动的冗余空间机器人的CMGs角动量饱和问题,提出一种角动量平衡控制方法。该方法从平衡使用机械臂各臂杆CMGs角动量的思想出发,定义了角动量平衡指标,并使用加速度分解技术和逆动力学方法设计了角动量平衡控制器。该控制器可在保证机械臂跟踪工作空间轨迹的同时,利用机械臂的空转运动使得角动量平衡指标尽量减小,即各臂CMGs的角动量使用趋于平均,从而降低某些臂杆的CMGs先行饱和的可能性,充分利用CMGs的控制能力。基于平面三自由度冗余机械臂的数值仿真结果验证了所设计的控制器的有效性。

可靠性全局灵敏度指标的空间分割高效方法
员婉莹, 吕震宙, 蒋献, 杨彩琼
2017, 43(6): 1199-1207. doi: 10.13700/j.bh.1001-5965.2016.0479
摘要:

可靠性全局灵敏度指标能够有效地分析输入变量的不确定性对结构系统失效概率的影响程度,为提高该灵敏度指标求解数字模拟法的效率,提出了一种基于密度权重及连续无重叠区间全方差公式的空间分割高效方法。所提方法通过连续无重叠区间上的全方差公式来加快该指标计算的收敛速度,利用密度权重法在输入变量可能的取值区间内进行均匀抽样,并以均匀样本点的联合概率密度函数的权重来保证计算的等价性,这使得所构造的方法不需要寻找失效域的设计点,因此其可以有效解决非线性程度较高难以找到设计点及多设计点的问题。除此之外,应用空间分割技术,使得本文所提方法仅需重复利用一组样本点,就可同时得到各个输入变量的可靠性全局灵敏度指标,消除了计算量与输入变量维数的相关性,大大地提高了样本的利用率和计算效率。验证算例的计算结果,说明了本文方法对计算功能函数非线性程度较高及多设计点问题的高效性。

基于改进极限学习机的光谱定量建模方法
周美灵, 郑德智, 娄格, 刘峥
2017, 43(6): 1208-1215. doi: 10.13700/j.bh.1001-5965.2016.0459
摘要:

依据近红外光谱(NIR)产生原理,提出了粒子群优化极限学习机(PSO-ELM)算法,运用于小样本氨水浓度定量分析。通过优化极限学习机(ELM)隐藏节点参数,解决了极限学习机由于输入权值和隐含层偏差随机产生的建模结果具有随机性的问题,提高了预测模型的稳定性、精确度和泛化性能。经实验验证,优化后的PSO-ELM相比ELM,模型预测集均方根误差由0.011 66减小至0.003 22,预测集相关系数由0.995 1提高至0.997 9。将优化后的模型预测结果与支持向量机(SVM)、BP神经网络算法等传统方法的建模结果进行对比,优化后的PSO-ELM算法具有较高的精确度和良好的泛化性能,模型预测效果优于传统的定量回归分析算法。

基于自适应融合的弹道目标空间位置重构
许丹, 田波, 冯存前, 贺思三, 赵双
2017, 43(6): 1216-1223. doi: 10.13700/j.bh.1001-5965.2016.0463
摘要:

由于进动锥体目标参数存在耦合,单部雷达不易获取同时参数估计误差较大。针对这一问题,提出了一种联合多部雷达不同视角微动信息进行参数提取与融合的新方法。首先,对进动目标进行了建模和散射点距离像分析,并利用Hough变换实现了锥顶散射点的关联。然后,联立2部雷达的微动信息作为求解单元来对耦合参数进行解耦,求出相应的参数。同时以进动角为例进行了误差方差分析,以融合后误差方差最小为原则对权系数进行了求解,并对其余参数进行了相同的处理。最后,在一个进动周期内,根据求出的锥体顶点坐标和锥旋轴矢量实现了锥体目标空间位置的重构。仿真结果表明该融合方法能够提高参数精度并能对锥体空间位置进行重构。

长时间流固耦合传热过程的快速算法
孟繁超, 董素君, 江泓升, 王浚
2017, 43(6): 1224-1230. doi: 10.13700/j.bh.1001-5965.2016.0447
摘要:

针对千秒级长时间流固耦合传热(CHT)过程求解问题,进一步提出一种基于准稳态流场的全局瞬态紧耦合传热的新型松耦合算法。交替使用单独对流体区域进行稳态流场求解的算法更新流场,以及同时对流固区域进行瞬态传热求解的算法计算瞬态温度场。该算法相对于传统流固松耦合算法,可以大大减小流场更新频率,进一步显著提高计算效率。以管内定来流速度空气连续300 s的强制对流瞬态加热过程为例,利用Fluent软件证明了该算法相对于瞬态紧耦合算法获得的管体结构温升最大偏差为5%,而计算耗时减小到14.8%。

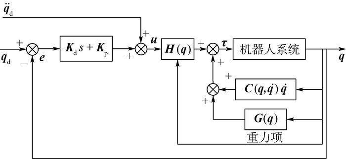
基于计算力矩法的眼内手术机器人的重力补偿
陈翔, 黄龙, 杨洋
2017, 43(6): 1231-1238. doi: 10.13700/j.bh.1001-5965.2016.0455
摘要:

为了提高一种具有远程运动中心(RCM)机构的眼内手术机器人的定位精度和稳定性,在建立机器人坐标系的基础上,通过动力学等效,对机器人各构件质心瞬态位置进行分析。根据拉格朗日方程建立机器人动力学模型。提出基于计算力矩法的重力补偿方法。在此基础上,通过MATLAB/Simulink软件对重力补偿模型进行仿真。比较独立比例微分(PD)控制方法及重力补偿方法的各关节运动响应曲线,表明重力补偿模型可有效补偿重力项;同时,分析重力补偿模型响应曲线与期望曲线的误差,证明重力补偿模型具有较高的补偿精度和可行性。

基于正则化秩k矩阵逼近的稀疏主成分分析
杨茜, 刘红英
2017, 43(6): 1239-1246. doi: 10.13700/j.bh.1001-5965.2016.0462
摘要:

在计算稀疏主成分(PCs)时,由于同时求k个主成分的做法可以减少计算所产生的累积误差,因此提出了基于正则化秩k矩阵逼近的稀疏主成分模型,并设计了求解该模型的块坐标下降法(BCD-sPCA-rSVD)。该算法的主要思想是先把变量按坐标分成2k个块,当固定其他2k-1个坐标块的变量时,求解关于单个坐标块的子问题并给出子问题的显式解,循环地求解这些子问题直至满足终止条件。该算法每次迭代的计算复杂度关于样本个数与变量维数都是线性的,并且证明了它是收敛的。该算法不仅易于实现,数值仿真结果表明,该算法应用到真实数据与合成数据上都是可行且有效的。它不仅使累积误差降低,而且具有较低的计算复杂度,因而可以有效地求解大规模稀疏主成分分析问题。

雷达信号误差对舰载机全自动着舰控制的影响
杨宝钧, 刘刚, 洪冠新
2017, 43(6): 1247-1253. doi: 10.13700/j.bh.1001-5965.2016.0475
摘要:

基于常规舰载机使用的全自动着舰系统(ACLS),以及现役的作为主要导引方式的雷达导引着舰,分析了雷达导引过程中的信号误差对着舰的影响。从全自动着舰系统的组成和作用出发,建立完整的着舰仿真系统与环境,加入雷达信号测量数值、时间延迟和噪声杂波干扰3种不同类型的误差,以仿真误差存在时的着舰状况。通过计算着舰成功率,及其随误差量值的绝对值增大而减小的特点,验证了结果的正确性。该方法定量分析雷达信号误差的影响,既有助于着舰理论的研究,也对工程设计和应用具有指导意义。

BDS/GPS组合的H-ARAIM PBN和ADS-B应用可用性评估
葛奕杉, 王志鹏
2017, 43(6): 1254-1263. doi: 10.13700/j.bh.1001-5965.2016.0477
摘要:

水平-先进接收机自主完好性监测(H-ARAIM)属欧美大力发展的新型机载自主卫星导航完好性监测技术。从H-ARAIM的基于性能的导航(PBN)和广播式自动相关监视(ADS-B)应用方法出发,基于美国全球卫星导航系统(GPS)和中国自主北斗卫星导航系统(BDS)组合系统,综合考虑不同卫星故障概率、不同星座故障概率、不同星钟星历误差配置以及不同星座配置,全面仿真评估了H-ARAIM的PBN和ADS-B应用全球可用性,结果表明:卫星和星座故障概率变化,对水平保护级(HPL)结果的影响不足0.1%,PBN和ADS-B均可实现全球100%可用性;星钟星历误差变化,会导致较大幅度的HPL变化,最大值可达20 m,但对PBN和ADS-B应用可用性没有显著影响;不同星座配置会对全球和亚太区域平均99.9%HPL结果及PBN和ADS-B应用可用性产生显著影响,HPL变化幅度达到32 m,可用性随星座配置不同而变化,最差可降低到96%。所取成果可为北斗民航应用提供坚实的理论参考和可靠的技术支撑。

GO-FLOW法在飞机EHA可靠性分析中的应用
兰雪, 段富海, 桑勇
2017, 43(6): 1264-1270. doi: 10.13700/j.bh.1001-5965.2016.0444
摘要:

应用GO-FLOW法分析了飞机电静液作动器(EHA)的可靠性。首先在EHA单元功能合理划分的基础上,建立了EHA的GO-FLOW可靠性分析模型,采用布尔代数求解描述反馈环的布尔方程,解决了GO-FLOW图不允许存在循环的难题;其次进行了GO-FLOW运算,得到EHA系统在各时间点的可靠度;再次与GO法的结果比较,验证了GO-FLOW法的可行性和准确性;最后通过MATLAB曲线拟合,得到系统可靠度随时间的变化规律,以便及时对系统进行检修和维护。结果表明GO-FLOW法只需一次运算,就可得到系统在各时间点的可靠度,在减小计算复杂度方面较GO法有优势。

压电悬臂梁振动能量收集仿真与试验验证
思建行, 戴玉婷, 杨淞, 王超磊, 王若钦, 杨超
2017, 43(6): 1271-1277. doi: 10.13700/j.bh.1001-5965.2016.0416
摘要:

基于压电陶瓷的振动能量收集器以其结构简单、清洁环保及易于微型化等诸多优点受到广泛关注。利用压电陶瓷的正压电效应,根据机电理论和结构动力学理论,采用模态法建立了压电悬臂梁的双向耦合分布参数模型,仿真分析了外激励频率和外接负载对压电能量收集器输出电压特性的影响,设计制作了铝制悬臂梁,并进行了地面振动和能量收集试验,试验结果与理论仿真吻合较好,验证了理论建模的正确性。试验结果表明,单个压电片的能量收集电压最大为73 V/N。

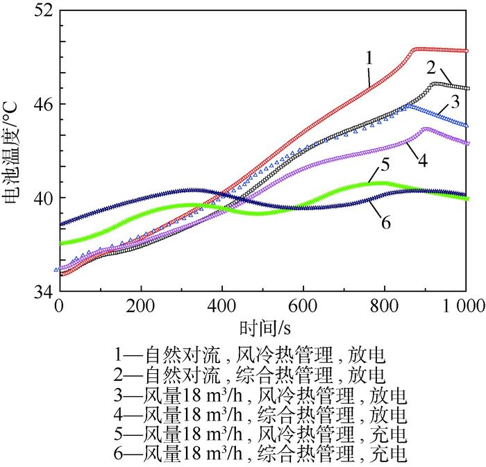
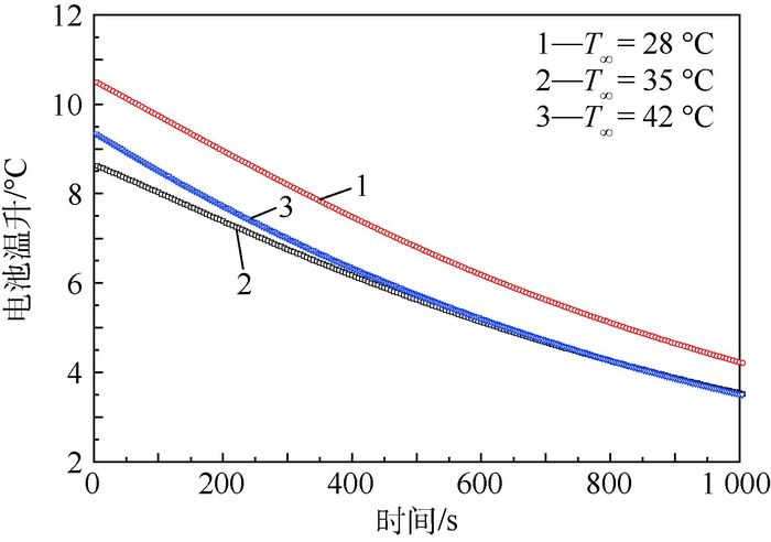
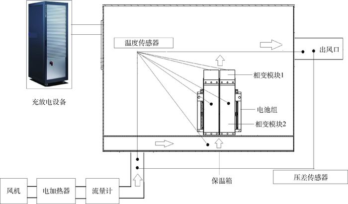
锂电池相变材料/风冷综合热管理系统温升特性
施尚, 余建祖, 谢永奇, 高红霞, 李明
2017, 43(6): 1278-1286. doi: 10.13700/j.bh.1001-5965.2016.0831
摘要:

锂电池在高倍率充放电过程中会产生大量热量,此热量不及时散出会导致电池超温进而影响电池的使用寿命,甚至导致安全事故。本文设计了一种新型相变材料/风冷综合热管理系统(TMS),并对综合热管理方式下的电池温升特性进行了实验和理论研究。基于集总参数法,结合电池生热及散热机理,建立了电池发热功率计算模型以及相变材料/风冷综合TMS电池温度场数学模型,计算了电池单体发热功率,分析了环境温度、电池充放电循环初始温度、相变温度、对流热阻以及电池和相变材料之间的导热热阻对电池综合TMS性能的影响。结果表明:综合TMS的冷却性能优于纯风冷热管理系统;电池充放电过程为非稳态传热过程,因此较高的初始温度带来超温风险;电池温度场数学模型能准确反映电池升温行为;较高的环境温度下,电池最大温升幅度降低,但可能导致电池最高温度超过安全温度;相变材料的相变温度越低,电池最大温升越低;减小导热热阻及对流热阻能显著提高TMS性能。

常见问答