2024 Vol. 50, No. 4

Display Method:
Volume 4 Issue E-journal
Volume 50 Issue42024
iconDownload (78392) 1102 iconPreview
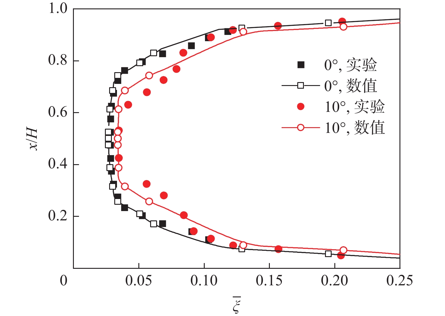
Research progress on dynamic stability of rotating variant wing opening and closing process for aircraft
GAN Wenbiao, ZUO Zhenjie, XIANG Jinwu, ZHAO Zhongliang, CAI Jun, MA Shang
2024, 50(4): 1053-1064. doi: 10.13700/j.bh.1001-5965.2022.0469
Abstract:

One type of wings that may spin along a fixed axis is the rotating variant wing. It is frequently utilized in the domains of aviation bombs, cruise missiles, new concept unmanned aerial vehicles, and other aircraft. Its dynamics stability mechanism of opening and closing process is a key fundamental question for the design of rotating variant wing aircraft. This paper summarizes the research progress on dynamics stability of aircraft rotating variant wing opening and closing process in recent years. Firstly, the development history of the rotating variant wing and the key issues of dynamic stability in the opening and closing process are introduced. Secondly, the numerical simulation of dynamic stability in the opening and closing process is expounded from three levels: unsteady aerodynamic numerical simulation, dynamic characteristic simulation, and CFD/RBD integrated coupling simulation progress. The introduction covers the present state of dynamic stability analysis and nonlinear dynamic modeling under the rotating variant wing disturbance. After that, the analysis is done on the wind tunnel test results confirming the rotating variant wing stability. Ultimately, the conclusion is made that scientific problems faced by the research on the dynamic stability of the rotating variant wing during opening and closing are presented, and the feasible research directions are proposed.

Research progress on airport slot allocation
WANG Yanjun, SHUI Xiaoyu, WANG Mengyin
2024, 50(4): 1065-1076. doi: 10.13700/j.bh.1001-5965.2022.0425
Abstract:

Most of the busiest airports airports face severe congestion and flight delays. Optimal allocating airport slots is one of the most effective ways in airport demand management. This paper systematically reviews the progress of research in airport slots allocation, as well as the main techniques in setting airport declared capacity and allocating slots. The major challenging issues of stochastic optimization were identified in such areas as the determination of airport declared capacity, the slot allocation in an airport, in an airport network and in the multi-airport system, and the technical complexity. Main research directions in slot allocation are further discussed and suggested.

Ultrasonic longitudinal torsional and low frequency torsional compound vibration tapping experiment
HAN Fengqi, ZHANG Deyuan
2024, 50(4): 1077-1084. doi: 10.13700/j.bh.1001-5965.2022.0453
Abstract:

In view of the low efficiency of low frequency torsional vibration tapping of titanium alloy, the ultrasonic longitudinal torsional and low frequency torsional compound vibration tapping method was proposed. To investigate the process effect of compound vibration tapping and the influence rule of parameter change on it, three experiments were conducted in succession: the ultrasonic longitudinal torsional vibration tapping experiment, the compound vibration tapping experiment with different cutting fluids, and the compound vibration tapping experiment with variable parameters. The experimental results show that ultrasonic longitudinal torsional vibration enhances the lubricating effect of the cutting fluid and reduces the tapping torque. Compared with ordinary continuous tapping, the ultrasonic longitudinal torsional vibration tapping of M3 threaded holes can reduce the tapping torque by about 18%. Comparing compound vibration tapping to low frequency torsional vibration tapping, the tapping torque can be reduced by up to approximately 30% within the chosen parameter range. The effect of compound vibration tapping on reducing the tapping torque decreases with the increase of the net cutting amount, the spindle speed, and the decrease of the backward amount.

Model-free predictive current control for permanent magnet toroidal motor with extended state observer
LIU Xin, WANG Zhengyang, WANG Xiaoyuan
2024, 50(4): 1085-1096. doi: 10.13700/j.bh.1001-5965.2022.0495
Abstract:

The model-free predictive current control method for the toroidal motor with extended state observer (MFPCC-ESO) was investigated in order to reduce the dependence of deadbeat predictive current control (DPCC) on the parameters of a permanent magnet toroidal motor system. According to the composite rotor structure of a toroidal motor, the rotation motion influence coefficient and magnetomotive force coefficient were introduced. The rotating coordinate system was used to build the time-varying mathematical model of the toroidal motor. Then the ultra-local model with a time-varying scaling factor was established by using the input and output of the toroidal motor system. Meanwhile, ESO was introduced to estimate the interference part of the ultra-local model in real time, and the stability of ESO was proved by using the Jury criterion. Combining with the delay compensation DPCC, the reference voltage vector was obtained. The MFPCC-ESO for the toroidal motor was further realized. The MFPCC-ESO strategy and DPCC strategy were compared and analyzed for toroidal motor under parameter matching and mismatch. The simulation results show that the toroidal motor with the MFPCC-ESO strategy has superior dynamic performance, steady-state performance, and strong robustness. Meanwhile, the proposed control strategy can also reduce the output fluctuation of the toroidal motor effectively.

Cross-level fusion gated adaptive network for retinal vessel segmentation
LIANG Liming, YU Jie, CHEN Xin, LEI Kun, ZHOU Longsong
2024, 50(4): 1097-1109. doi: 10.13700/j.bh.1001-5965.2022.0410
Abstract:

To address the insufficient shallow feature extraction of most existing algorithms, which results in noise, blurred vascular boundary and capillary under segmentation, a cross-level fusion gated adaptive network is proposed. Firstly, shallow feature information is fully extracted by the dense gated channel transformation module in the network with promotion of competition or cooperation of channels to avoid the loss of shallow coarse-grained feature information. Secondly, cross-dimensional interaction information of each layer is captured by cross-level fusion module to effectively aggregate multi-scale context features. Thirdly, dual adaptive feature fusion method is used to guide the feature fusion of adjacent layers effectively and suppress noise. The validation was performed on public data sets DRIVE, CHASEDB1 and STARE, and the accuracy rates were 0.9652, 0.9668 and 0.9695 respectively; the F1 values were 0.8544, 0.8152 and 0.8412 respectively. The results show that the proposed network is at a high level in many indexes, and is superior to the existing advanced algorithms.

Evaluation method for roughness of airport runway based on joint time-frequency analysis
QI Lin, YANG Shuai, XIE Zhenzhou, JIN Tianyu, HUANG Xin
2024, 50(4): 1110-1116. doi: 10.13700/j.bh.1001-5965.2022.0459
Abstract:

Airport runway roughness is an important content of airport pavement evaluation. At present, the commonly used roughness evaluation methods can’t determine the distribution of unevenness on the runway, and can’t classify and evaluate the taxiing safety of different types of aircraft. In this paper, a runway roughness evaluation method based on joint time-frequency analysis is proposed. The parametric analysis method is used to statistically analyze the root-mean-square distribution characteristics of vertical acceleration at the aircraft’s center of gravity when the aircraft runs at different speeds on uneven runways with different amplitudes and wavelengths. This analysis is based on the three-degree-of-freedom dynamic model of the aircraft. The amplitude, wavelength of the uneven signal of the runway, and taxiing speed corresponding to the vertical acceleration root-mean-square of the center of gravity of the aircraft as 0.25g and 0.4g is calculated back, and the judgment surface of the aircraft taxiing safety vibration based on the frequency domain information of the uneven signal of therunway is established. In order to determine the wavelength and amplitude distribution surfaces of unequal signals at various points along the runway, a joint time-frequency analysis is conducted using the S transform method on the elevation of the airport runway.This paper analyzes the taxiing speed of the aircraft at different positions on the runway, and replaces the taxiing speed with the coordinate position, forming a taxiing safety vibration surface based on the frequency domain information of the uneven signal and the position of the runway. The runway roughness evaluation surface based on joint time-frequency analysis is obtained by superimposing with the surface obtained by the S transform. In contrast to other evaluation techniques, it is capable of assessing the degree of roughness at a given runway location and rating the roughness of the runway based on the kind of aircraft.

Prediction of aviation safety event risk level based on ensemble cost-sensitive deep neural network
FENG Xia, SANG Xiao, ZUO Haichao
2024, 50(4): 1117-1128. doi: 10.13700/j.bh.1001-5965.2022.0473
Abstract:

One key component of active risk management is the prediction of aviation safety event risk levels.Considering the characteristics of high-dimensional complexity and class imbalance presented by massive aviation safety event data, this paper proposes an aviation safety event risk level prediction method based on an ensemble cost-sensitive deep neural network (ECSDNN). First, the feature representation of aviation safety event data is realized by using the method of splicing type attribute embedding coding and numerical attribute; secondly, a cost-sensitive matrix and a cost-sensitive loss function are designed comprehensively considering the misclassification ratio and fixed cost, and a base classifier model based on a cost-sensitive deep neural network (CSDNN) is constructed; finally, an ensemble prediction model of aviation safety event risk level ECSDNN is created by integrating various base classifiers with varying parameters and performances using the hard voting approach.The experimental results on the aviation safety reporting system (ASRS) dataset demonstrate that the prediction accuracy of the ECSDNN model is improved by 3.17% when compared with the single CSDNN base classifier and by 4.51% when compared with the optimal prediction ability of the benchmark algorithm.The effectiveness of the ensemble cost-sensitive deep neural network method for aviation safety event risk level prediction is verified.

Research on pre-corrosion fatigue properties of 2195 Al-Li alloys in 30% HNO3
LIU Dejun, TIAN Gan, LI Yulong, ZHANG Wei, ZHANG Youhong
2024, 50(4): 1129-1137. doi: 10.13700/j.bh.1001-5965.2022.0445
Abstract:

To simulate the material and application characteristics of liquid-missile propellant tanks, fatigue tests were carried out after pre-corrosion in 30% HNO3 for different hours. Effects of pre-corrosion on fatigue properties were investigated by scanning electron microscopy (SEM), transmission electron microscope (TEM), and electron backscatter detector (EBSD) methods. The results show that the surface morphology after corrosion is mainly composed of intergranular corrosion and pitting. Stripped corrosion chains are produced along the rolling direction, which are related with corroded long grain boundaries and intermetallic particles. The fatigue limit values of pre-corroded specimens are lower than those of the uncorroded specimens. The fatigue limit of 16 h corroded specimens is the highest, while the limit of 24 h corroded specimens declines to zero. The fatigue cycles under median stress amplitudes of 210 MPa, 280 MPa and 330 MPa, higher than those of uncorroded specimens, and the increase of 16 h corroded specimens is the most obvious. The enhancement of fatigue cycles attributes to the elimination of microcracks, pores and the improvement of surface roughness through pre-corrosion, which reduces the stress concentration and retards the crack initiation.

Fault diagnosis method of BN ball mill rolling bearing based on AESL-GA
WANG Jinhua, TANG Guodong, CAO Jie, LI Yajie
2024, 50(4): 1138-1146. doi: 10.13700/j.bh.1001-5965.2022.0428
Abstract:

To address the imperfect and imprecise shortcomings of the knowledge-based Bayesian network (BN) construction method, this paper proposes a BN structure construction method based on knowledge guidance and data mining. Firstly, aiming at the problem of inaccurate fault diagnosis results of a single signal and the uncertainty in fault information, the current signal and the vibration signal are fused to establish the characteristic nodes of the BN. The fault characteristic parameters of the two kinds of signals are extracted respectively, and the feature selection is carried out by the distinguish index method, which is used as the node of the feature layer of the BN structure. Secondly, the initial BN structure constructed by expert knowledge is combined with the adaptive elite-based structure learner using genetic algorithm (AESL-GA) to optimize the structure. By adaptively restricting the search space in the evolution process, reducing the number of free parameters and improving its global search ability, we obtain optimal BN structure. Finally, the method is verified by the measured data of the ball mill rolling bearing of Jinchuan Company and the data set of Paderborn University, which proves the effectiveness of the proposed method.

Cooperating loading balance optimization for medium-sized aircraft with multiple flight legs based on loading and unloading sequence
ZHAO Xiangling, LI Yunfei, WANG Zhiyu, XU Jihui, LI Pengfei
2024, 50(4): 1147-1161. doi: 10.13700/j.bh.1001-5965.2022.0439
Abstract:

For air cargo flights with multiple legs and multiple stops, it is necessary to reasonably control the center of gravity (CG) position of the aircraft , and maintain a balanced state during the flight; during the loading and unloading operation at intermediate airports, it is important to avoid extra loading and unloading operations, so as to reduce waste of time and labor. Therefore, studying the cooperating loading balance problem of multiple flight legs flights was of great practical significance. In this paper, according to the aircraft’s characteristics and the sequence of unit load device (ULD) loading and unloading, and combined with the loading and unloading operation requirements for the aircraft loading balance in each flight leg and ULD in the over-station airport, a multi-objective integer linear programming model for connecting flights is constructed by cooperating and distributing the positions of ULD and bulk cargo in each flight leg. The model takes into account the weight, volume and matching restrictions of the ULD and bulk cargo. It considered the constraints of aircraft weight limitation, cabin weight limitation, cabin and regional cumulative weight limitation, upper and lower cabins combined weight limitation, and the CG location balance limit. Additionally, the model considers the connectivity constraints of ULD and bulk cargoes in the front and rear legs. According to the two reasons of the extra loading and unloading operation of the intermediate airports, and based on the loading and unloading sequence, the loading and unloading optimization model is established, the CG is optimized and the number of loading and unloading is reduced through the translation of the ULD in the cabin. Taking the B757-200F model as an example, the commercial solver Gurobi was used for the three scenarios of two loadings and one unloading, one loading and two unloadings and two loadings and two unloadings. For three different combinations of objective functions are solved, analyzed and compared. Experimental results show that the model can effectively cooperate and optimize additional loading and unloading operations and CG location of the front and rear legs.

Analysis of airworthiness requirements of Beidou-3 airborne equipment only used for tracking
MA Zhenyang, ZHOU Zhonghua, ZHANG Fan, WANG Peng, KE Bingqing
2024, 50(4): 1162-1175. doi: 10.13700/j.bh.1001-5965.2022.0452
Abstract:

With the opening of Beidou-3 navigation satellite system service, the relevant airworthiness standard of Beidou-2 cannot meet the requirements of the current application scenarios of airborne equipment, which seriously restricts the application process of Beidou in the field of civil aviation. It is urgent to carry out the research and formulation of the corresponding standard of Beidou-3. The primary goal of Beidou’s implementation in civil aircraft is to be “used for aircraft tracking only”. In order to achieve this, the distinction between Beidou-2 and Beidou-3 is examined, and a proposed modification plan is presented. In order to provide standard support for equipment development and airworthiness certification, the index revision scheme is put forward according to the equipment configuration, and the approval elements and compliance method suggestions are formed. This is done by taking into account the airworthiness safety and the application scenario of airborne equipment, combined with industrial practice. The key parameters such as equipment antenna gain and satellite visibility are simulated and analyzed to verify the correctness of the revised technical indexes.

Low-energy transfer from Earth into DRO with hybrid gravity assist and numerical continuation
ZHANG Chen
2024, 50(4): 1176-1186. doi: 10.13700/j.bh.1001-5965.2022.0494
Abstract:

Distant retrograde orbits (DRO) are well-known trajectory types in cislunar space, such orbits have long-term stability and low insertion cost. In cislunar space, DRO are well-known trajectory types with minimal insertion costs and long-term stability. A cislunar station deployed on DRO might be expected to deliver a crew to the moon or Mars for exploration missions in the future. For low-energy transfer from Earth into DRO, the maximum delivery mass can be achieved by utilizing a weak stability boundary (WSB) and multiple lunar gravity assist (LGA) simultaneously, but this kind of transfer is very sensitive to initial values. A novel two-level pseudo-arc continuation method was proposed to explore local solution space, and this paper aims to improve both computational and transfer efficiency when leveraging hybrid gravity assist in cislunar space. Additionally, a modified problem description with an analytical gradient is used to improve multiple shooting efficiency under a bicircular restricted four-body problem. In the numerical simulation, the minimum cost solution shows “LGA+WSB+2LGA”, where the time of flight is 123 days, the LEO launching cost is 3.125 km/s and the 2:1 DRO insertion maneuver only needs 19.7 m/s.

Structural characteristics and resilience evaluation of air traffic CPS
WANG Xinglong, WEI Yiwen, HE Min
2024, 50(4): 1187-1196. doi: 10.13700/j.bh.1001-5965.2022.0313
Abstract:

An air traffic network is a multi-dimensional complex system, which becomes vulnerable due to the coupling relationship when disturbed. This research examines the structural resilience of the system to mitigate the cascading failures caused by disturbance. An air traffic cyber physical system (CPS) model is developed. The relevant indicators such as the intra-layer degree and inter-layer degree, and intra-layer betweenness and inter-layer betweenness are defined, and the cascading failure process is analyzed. The resilience of air traffic CPS is then proposed, and a quantitative assessment method is used to measure the system’s disturbance response and recovery capabilities. The performance of the air traffic CPS is compared under different perturbation-recovery strategies to improve its resilience when perturbed. The results show that the air traffic CPS network degree follows a power law distribution while the betweenness follows an exponential distribution. For both perturbation methods, betweenness recovery leads to fastest recovery of air traffic CPS performance.

A precise landing control method based on model predictive control algorithm
WAN Bing, SU Xichao, WANG Jie, HAN Wei, LI Changjiu
2024, 50(4): 1197-1207. doi: 10.13700/j.bh.1001-5965.2022.0383
Abstract:

This paper proposes a precise landing control method based on model predictive control-linear quadratic gaussian (MPC-LQG) to address the influences of carrier motion and wake turbulence during the landing process of carrier-based aircraft. The method is applied to research precise landing control in the longitudinal channel of the aircraft. The core idea of integrating model predictive control (MPC) with the linear quadratic gaussian (LQG) algorithm for trajectory tracking control is as follows: MPC is utilized for compensating the motion of the aircraft carrier; A full-dimensional state observer is designed to achieve full state feedback, thereby realizing optimal landing control. Finally, the simulation of the algorithm is carried out for a typical landing problem, and the landing control results with different initial conditions and algorithms are compared and analyzed. The simulation shows that the algorithm proposed has a good trajectory tracking effect, with the altitude deviation at ITP being 0.1~0.2m.

Dynamic force equalization for dual redundancy electro-mechanical actuation system
SUN Xiaozhe, WU Jiang, SHI Linxuan, YANG Jianzhong
2024, 50(4): 1208-1218. doi: 10.13700/j.bh.1001-5965.2022.0466
Abstract:

Redundant electromechanical actuation systems are frequently utilized in flight control surface actuation systems as a result of advancements in more-electric/all-electric aircraft technology. However, a solution to the force fight brought on by actuator output asynchrony in active / active working mode is still pending. To solve this problem, a complete linear mathematical model of the system is established, the causes of dynamic force fight are analyzed, a dynamic force equalization control method based on the combined action of speed and acceleration feedforward compensation control and PID control based on force difference feedback is studied and proposed, and its equalization ability and robustness are verified. The dynamic force equalization is found to be robust against the disturbance of various system parameters and to be able to successfully minimize the dynamic force fight caused by friction, backlash, and command delay.

Robust analysis of hydrodynamic performance under variable rotation speeds
ZHANG Zebin, JING Shizhao, YUAN Shaopeng, SHI Minghui
2024, 50(4): 1219-1228. doi: 10.13700/j.bh.1001-5965.2022.0480
Abstract:

Oil film, as the intermediate medium, offers substantial benefits for enhancing the stability and dependability of mechanical transmission systems with high rotation speeds. The high-speed bearing-rotor system is inevitably affected by environmental factors in manufacturing and operation. These factors affect the shape of the oil film, leading to changes in the performance of sliding bearing, and the actual working performance deviates from the design objectives. The high-speed dynamic pressure oil film was selected as the research object to grasp the influence of geometric parameters and rotation speeds on the fluctuation of oil film performance. Robust optimization and analysis were carried out and the robust optimization result of the oil film was extracted. The oil film pressure field of the hydrodynamic sliding bearing under various operating speeds is solved using the Computational Fluid Dynamics method in accordance with the various requirements of the transmission system. The performance properties: bearing capacity and friction power consumption are solved. The Kriging approximate model is established, and robust indices are calculated within the subspaces that are selected in the vicinity of the sample points. The non-dominated sorting genetic algorithm (NSGA-II) is used to solve the Pareto optimal solution of different objective combinations. The correlation analysis is carried out with the self-organizing maps (SOM), and the correlation characteristics between design objectives, geometric parameters, and rotation speeds are extracted. The robust optimal design is determined by analyzing the impact of the eccentricity on the robust indices in the optimized space. The results show that the proposed robust optimization method can clearly show the distribution of the robust optimality region in the design space and reduce the influence of geometrical parameters and rotation speeds on the oil film performance. The proposed method can improve the feasibility of design results and effectively promote the transition from a theoretical design to an engineering real-life practice.

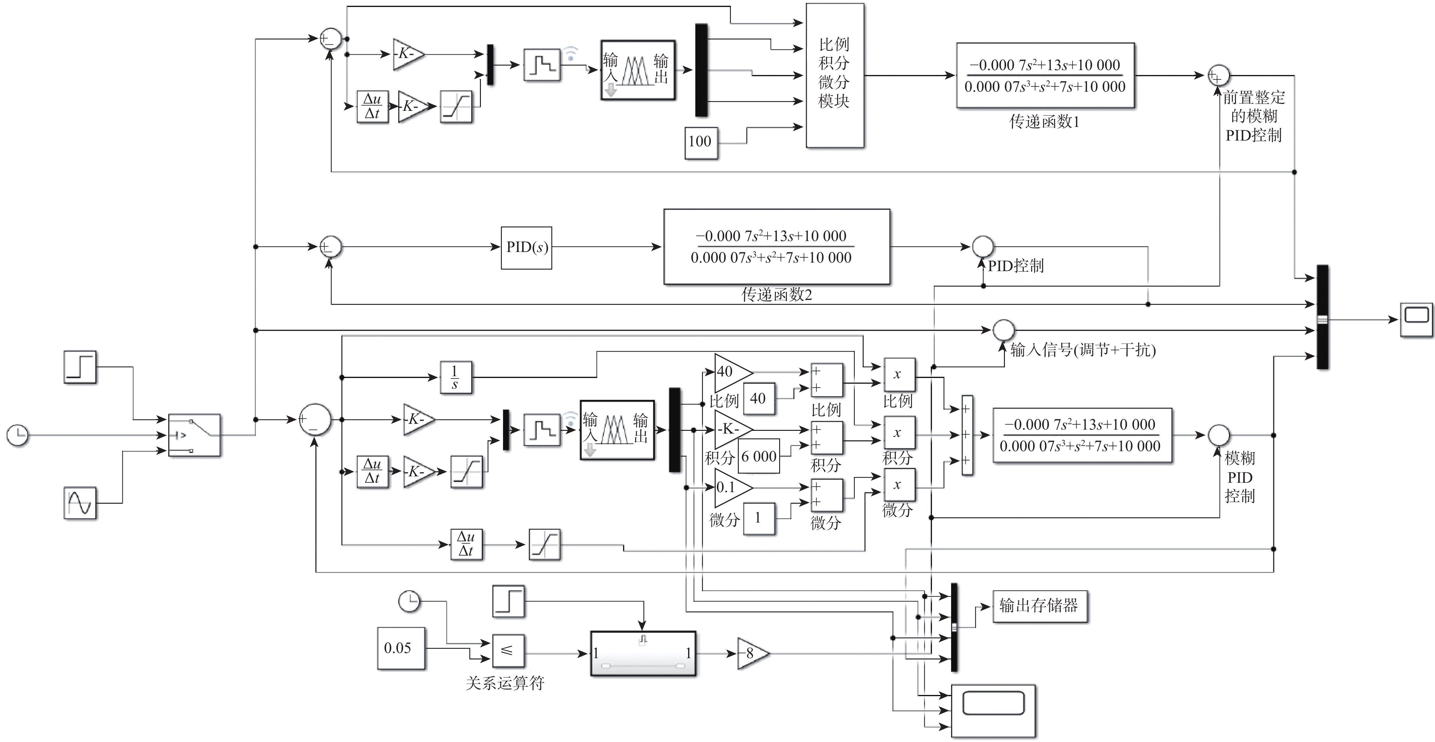
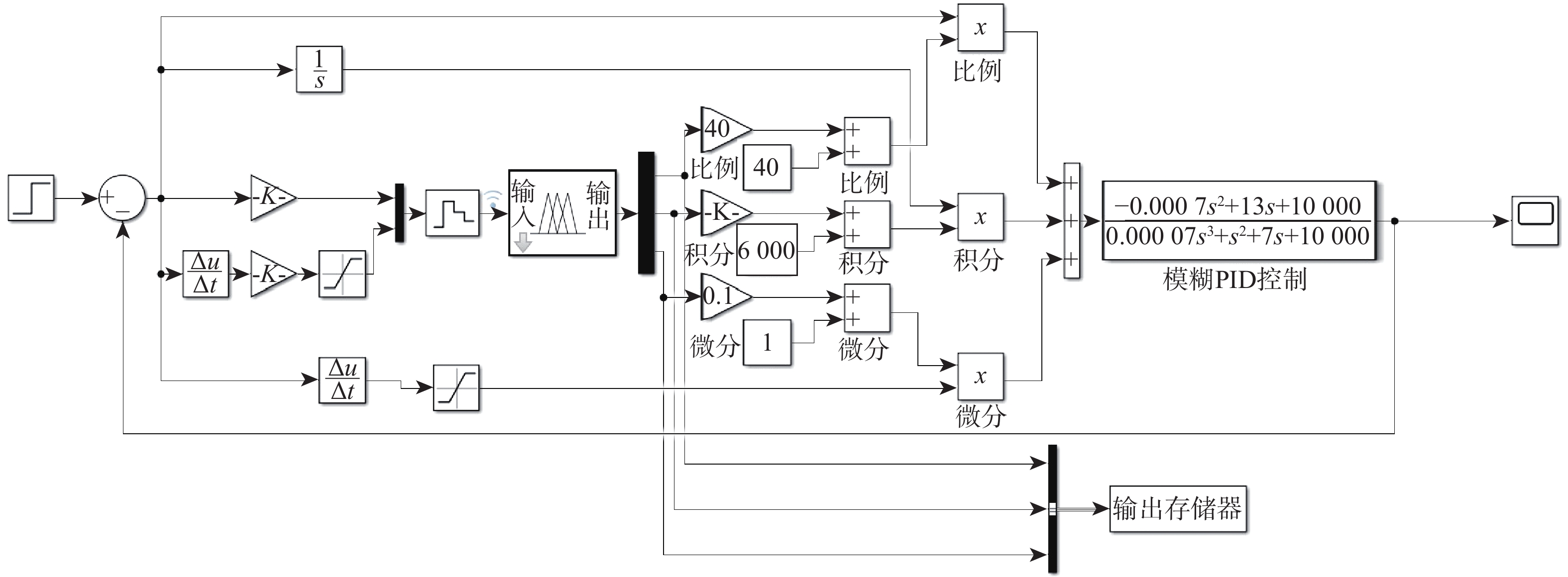
Improved remote regulated power supply control scheme in improved flyback converter
ZHANG Shuai, HAN Xiaowen, LI Rupeng, CHENG Peng, LI Zhengtian, WANG Yujiao
2024, 50(4): 1229-1239. doi: 10.13700/j.bh.1001-5965.2022.0458
Abstract:

In order to improve the power supply quality of the remote regulated power supply and ensure that the output voltage of the transmitter device reaches the set value quickly and smoothly under the premise of high reliability, a design method of the remote regulated power supply in the flyback topology mode is introduced, and the corresponding mathematical model is established. Here, a fuzzy proportional-integral-derivative (PID) control algorithm for pre-domain tuning is presented. It uses fuzzy logic to process the dynamic parameter value of the remote regulated power supply in real time, and it maps the generated quantitative value to the control element in accordance with the anti-fuzzy mapping function. This effectively avoids the phenomenon of over-adjustment and eliminates the accidentality of the trial method and the amplification effect of the scale factor on the error. According to simulation results, the fuzzy PID control algorithm with pre-domain tuning performs better in steady-state conditions than the fuzzy PID control algorithm without pre-domain tuning. The adjustment time, response time, and reduction to 1.4 ms are all shortened by 48.1%, 28.6%, and 37.5%, respectively, while the control scheme is also able to withstand abrupt interference with good effectiveness. The experimental results show that the pre-tuned fuzzy PID control algorithm can be applied to the actual industrial environment, and compared with the traditional control algorithm in the industrial environment, the pre-tuned fuzzy PID control algorithm can greatly improve the power supply quality of the remote regulated power supply and has excellent robustness.

Case study on seismic behavior of typical multistory light industrial building structures
WU Bin, YANG Yue, YAO Yangping, WANG Songhan, JIANG Xuewei, XU Liyan
2024, 50(4): 1240-1250. doi: 10.13700/j.bh.1001-5965.2022.0405
Abstract:

Vertical light industrial building structures exhibit characteristics such as large spans, high-altitude loads, and uneven vertical mass distribution. In order to investigate the vibration response characteristics of this structural form, this paper takes a typical vertical light industrial production workshop as a background and establishes a refined three-dimensional nonlinear computational model. Seismic performance research on this structural form is conducted through finite element simulation technology. The results show that the structure can meet the structural seismic requirements through reasonable design. The structural damage spreads from the outside to the inside. The plastic hinges are distributed more at high levels and less in low levels, and more on heavy load layers and less on non-heavy load layers. In the seismic design process, the heavily loaded floors should be considered as weak floors to be reinforced, and the horizontal and vertical supports should be set in the outer wind-resistant columns to delay the damage of the internal load-bearing members and improve the seismic performance of the structure. In addition, when a large mass ratio variable load exists on the structure, the effect of mass variation on the structural dynamic properties should be considered. When the mass of the equipment is smaller, the interaction between the equipment and the structure can be ignored, and the consolidation model for equipment and structure can be used for simplified calculation during seismic analysis.

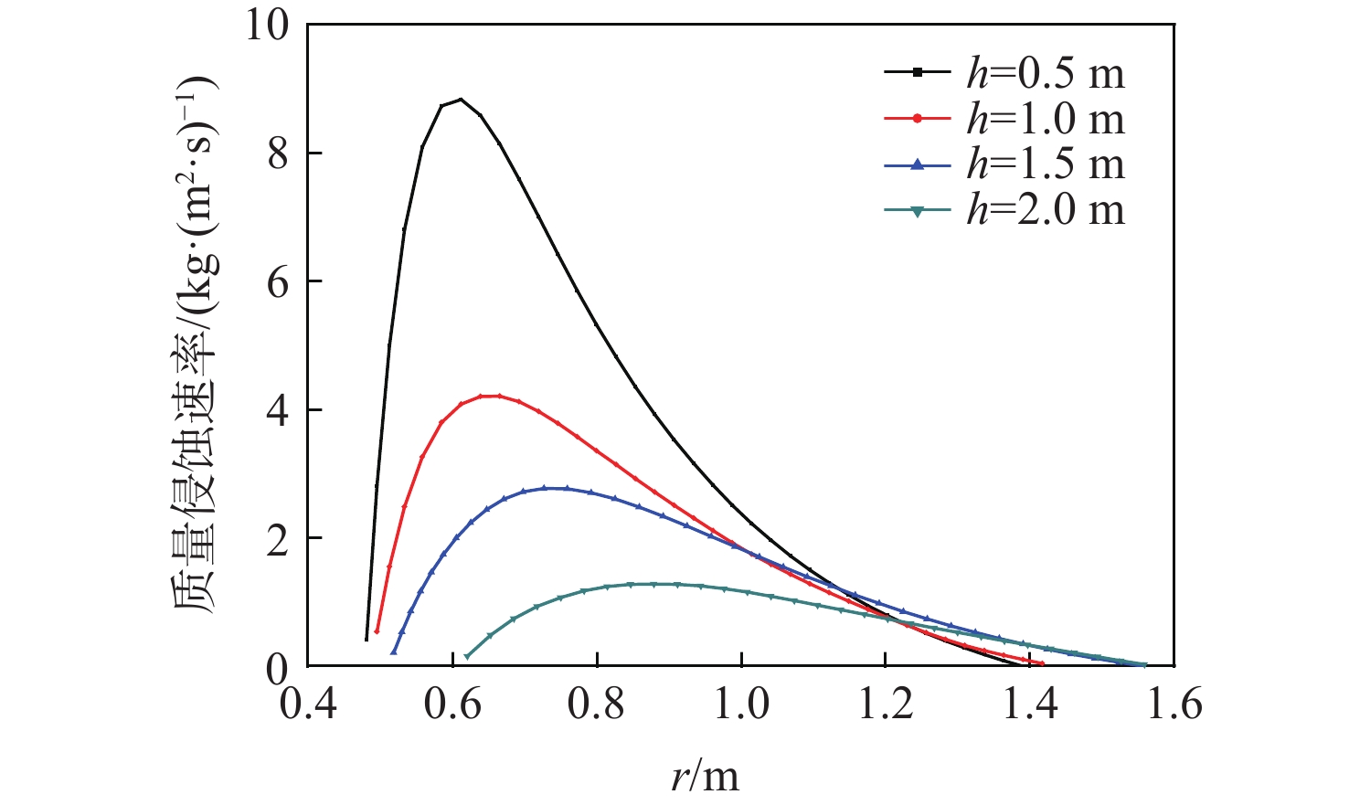
Nozzle plume erosion property on lunar dust in Chang’E-5 mission
ZHANG Haiyan, LI Sixin, WANG Yi, LI Cunhui, ZHANG Xiaoping, WANG Weidong
2024, 50(4): 1251-1261. doi: 10.13700/j.bh.1001-5965.2022.0447
Abstract:

During a lander landing, the plume-lunar surface interaction induces lunar dust ejection, which is the main reason for lunar dust hazards. The study adopts computational fluid dynamics(CFD) method to build a one-toone nozzle model and vacuum plume flow and diffusion model, through which the lunar dust erosion mass is investigated, and the lunar dust trajectory, ejection angle and velocity are obtained when nozzle altitude is from 0.5 to 2.0 m. The results show that the maximum mass erosion rate is 8.83 kg/m2·s and this value decreases with nozzle altitude increase, which also is consistent with landing photo results in the Chang’E-5 mission. For lunar dust kinetic properties, the maximum velocity for 1 μm and 70 μm particles are 2 520 m/s and 1 010 m/s respectively, the maximum height for 1 μm and 70 μm particles are 0.72 m and 0.36 m respectively. The dust ejected angle ranges from 1.44° to 2.27°. The ejected angle calculated in Chang’E-5 mission is similar to that in Apollo mission.

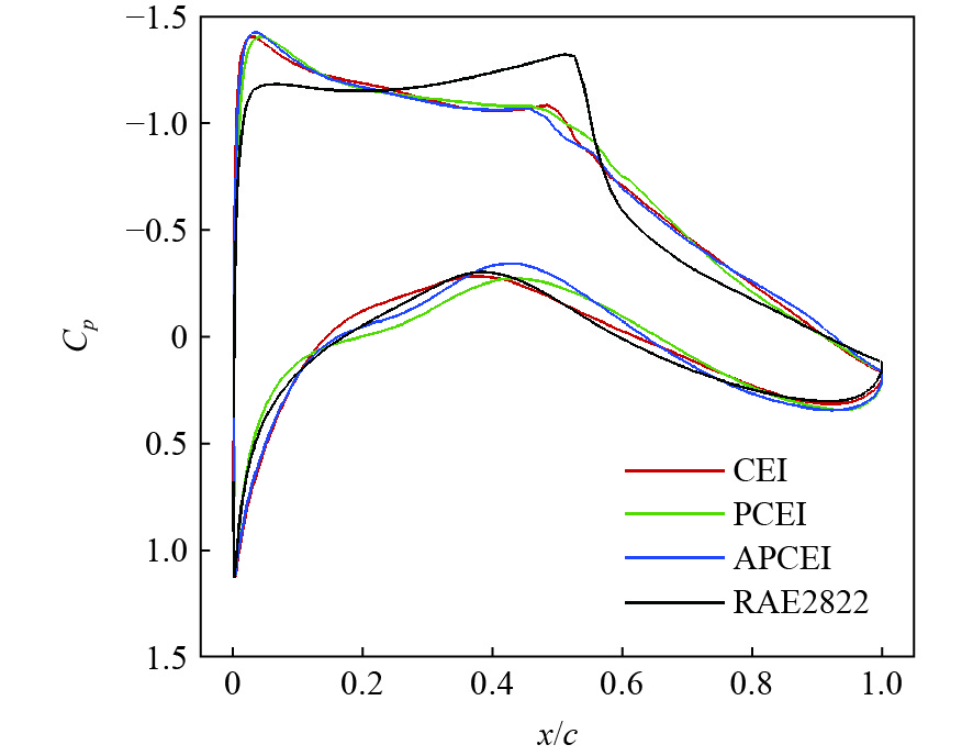
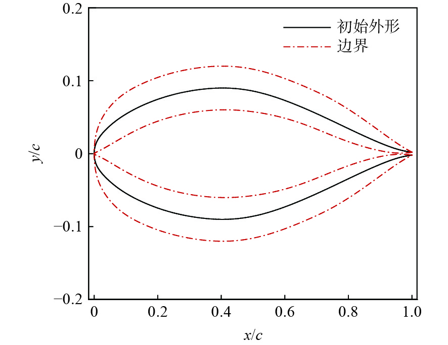
Efficient surrogate-based aerodynamic optimization with parameter-free adaptive penalty function
ZHANG Wei, GAO Zhenghong, WANG Chao, XIA Lu
2024, 50(4): 1262-1272. doi: 10.13700/j.bh.1001-5965.2022.0451
Abstract:

Complex constraints must be addressed in the aerodynamic optimizations. Distinct constraints not only influence the optimization outcomes but also significantly influence the optimization method's efficacy. This paper investigates the impact of reference points on optimization design results using the constrained efficient global optimization method (EGO) and suggests a mechanism for selecting reference points that takes constraints into account. Afterwards, for the problem of constraint processing, the constrained expected improvement (EI) method and the penalty function method are compared and found that the penalty function method can find a feasible solution that satisfies the constraints more quickly. However, in this process, the penalty factor has a great influence on the optimization efficiency, and inappropriate penalty factors will damage the optimization efficiency. Drawing on the aforementioned evaluation, this study suggests a constrained EGO technique utilizing an adaptive penalty function that is free of parameters. By normalizing the target value and the constraint value, the feasible solution with the smallest target value or the infeasible solution closest to the feasible region is selected as the reference point. The penalty factor is adaptively adjusted, so that the algorithm can search for the ideal solution sufficiently. This approach can significantly increase the optimization efficiency, as shown by the constrained test functions and airfoil design challenges.

Measurement of three-dimensional temperature and soot volume fraction for RP-3 jet fuel flame
ZUO Bingxian, ZHOU Bin, DAI Minglu
2024, 50(4): 1273-1281. doi: 10.13700/j.bh.1001-5965.2022.0415
Abstract:

RP-3 jet fuel is one of the frequently utilized fuels in aviation engines. Temperature and soot volume fraction distribution of flame are the vital data support for fuel optimization, which can directly indicate the state of combustion. The precision of the reconstruction path in three-dimensional measurement was influenced by camera position and attitude. A novel method that combines the radiation imaging system and the camera stereo calibration technology was proposed to address this problem. According to the results of numerical simulation, the method could not only guarantee the accuracy of measurement results, but also provide high spatial resolution. The experimental measurement of RP-3 and air premixed flame were carried out. The three-dimensional temperature and soot volume fraction distribution were also obtained by the calibrated six-camera system. The spatial resolution was $1 \;{\mathrm{mm}}\times $$ 1 \;{\mathrm{mm}}\times1 \;{\mathrm{mm}} $, and the uncertainty of temperature difference between reconstructed and thermocouple measured temperature was 0.58 K, demonstrating the accuracy of the method.

Flow mechanism of horseshoe vortex suction control for compressor cascade
TANG Yaoxuan, LIU Yanming, AN Yufei, SUN Yunzheng
2024, 50(4): 1282-1291. doi: 10.13700/j.bh.1001-5965.2022.0461
Abstract:

To explore the source flow control method for the corner separation, this paper takes the NACA65 cascade as the research object and applies the blade leading edge endwall suction technology to control the horseshoe vortex with the numerical simulation method. Combined with topology analysis, the three-dimensional flow field is accurately reconstructed and the control mechanism of the leading edge endwall suction is revealed to improve the cascade channel flow field performance. The results show that the leading edge endwall suction technology can effectively delay the formation of the horseshoe vortex and weaken its strength. Meanwhile, a pair of counter rotating vortices are formed at the end of the suction slit, which interacts with the passage vortex in the process of downstream development. By regulating horseshoe vortices, the suction lessens the thickness of the endwall boundary layer, inhibiting the formation of leading edge passage vortices and preventing surface separation caused by backflow. Because the leading edge and pressure side suction (EPS) directly acts on the pressure side leg of the horseshoe vortex, the passage vortex strength is further weakened, and the corner separation mode changes from closed separation to incomplete closed separation. Finally, the total pressure losses are compared at the outlet under the optimal suction coefficient. It is discovered that when the suction coefficient is 0.2%, the overall pressure loss at the EPS outflow section is decreased by 5.8%. At off-design situations, improved control performance can be attained by modifying the suction coefficient.

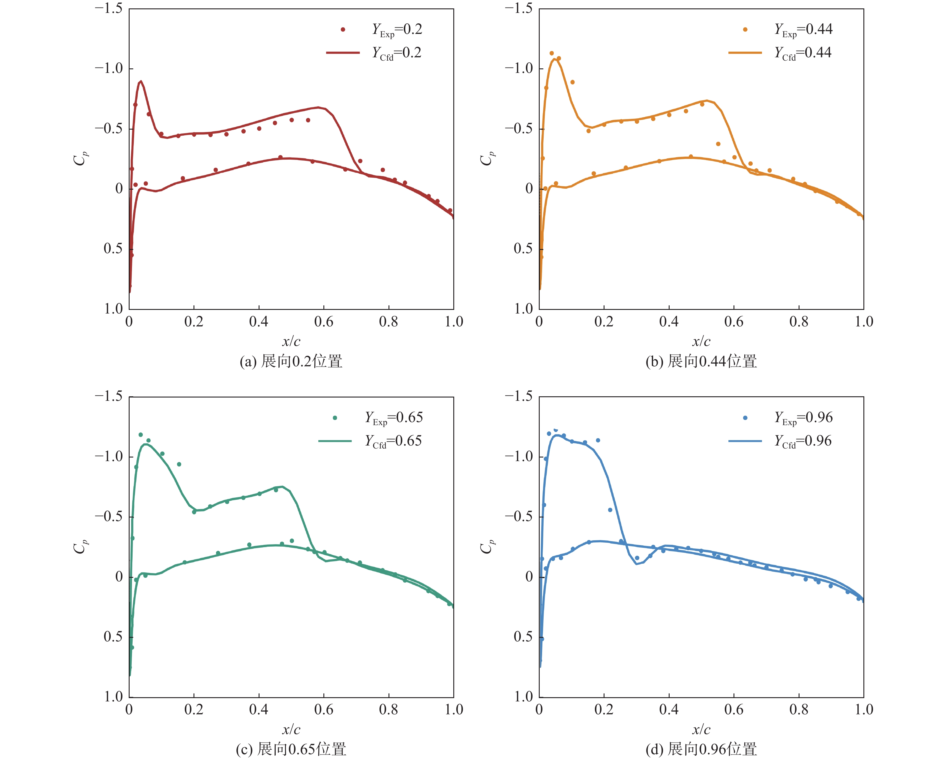
Design and aerodynamic analysis of blended wing body with variable camber technology
WANG Yutong, LAN Qingsheng, ZHOU Zhu, YANG Tihao, SONG Chao
2024, 50(4): 1292-1307. doi: 10.13700/j.bh.1001-5965.2022.0493
Abstract:

The variable camber wing has great potential to improve the aerodynamic characteristics of conventional tube and wing design, but it can change the pitching moment of the whole aircraft. The drag reduction advantage and trim penalty of variable camber technology on a blended wing-body aircraft are explored, taking into account the features of short moment arm and substantial trim loss in the blended wing body. Considering the engineering practice, the variable camber of the trailing edge is realized based on flap deflection, and the trimming ability of the flap at different spanwise positions is compared and analyzed. Then, the global optimization method is used to carry out the optimization design of variable camber aerodynamic drag reduction; finally, the variable camber design space is explored. The results show that as the lift coefficient changes, the position of the flap that produces the least trim resistance also changes. Without the pitching moment trim constraint, at most 4.62% of the drag reduction benefit can be obtained by using the variable camber technology. When compared to trimming with the center body's trailing edge, variable camber technology can result in a trim loss of 2.4×10−4 when it comes to the pitching moment trim constraint.Under different lift coefficients, there are obvious differences in the deflection combination of flaps with variable camber. When the lift coefficient is small, the variable camber can decrease drag by combining the deflection of multiple flap negative deflections, which will increase the head-up moment. When the lift coefficient is large, however, the variable camber can decrease drag by combining the deflection of multiple flap positive deflections. The evaluation of variable camber drag reduction benefit and moment penalty based on the combined deflection of flaps can provide a reference for the engineering design of variable camber blended wing body aircraft.

Tabular subordination relation extraction based on graph convolutional networks
ZHANG Yutong, LI Qiyuan, LIU Shukan
2024, 50(4): 1308-1315. doi: 10.13700/j.bh.1001-5965.2022.0382
Abstract:

This study addresses the lack of research on extracting subordination relations between the cells in a table in the field of table recognition and analysis. It defines the table subordination relation extraction task. Based on the similarity between table and graph structures and the graph representation method for table cells, a subordination relation extraction model is proposed using graph convolutional networks(GCN). The proposed model predicts the subordination relation between cells by aggregating the features of table cells and their adjacent cells through the GCN, and then realizes relation extraction. To verify the effectiveness of the proposed model, two datasets, Chinese Rel-forms and English Rel-SciTSR, were annotated. The experiments achieve 98.61%, 96.55% and 97.05% F1 scores on the above two datasets and their joint datasets respectively, thus verifying the effectiveness of the proposed model. The effects of different factors such as text content, coordinate information, cell attributes and relative orientation between cells on the experimental results of subordination relation extraction are also analyzed.

Robust adaptive position algorithm for GNSS/IMU based on pseudorange residual and innovation
LIU Zhengwu, SUN Rui, JIANG Lei
2024, 50(4): 1316-1324. doi: 10.13700/j.bh.1001-5965.2022.0389
Abstract:

Algorithms of robust filtering and adaptive filtering are commonly used to improve the positioning accuracy of the navigation system integrating global navigation satellite system (GNSS) and inertial measurement units (IMU). However, the conditions applicable to robust filtering and adaptive filtering are different, and improper use of the filter may reduce the positioning accuracy of the integrated system. To solve this problem, a robust adaptive position algorithm for GNSS/IMU is proposed based on pseudorange residual and innovation. The positioning quality of GNSS is evaluated based on pseudorange residuals. The appropriate filtering algorithm is selected to solve the GNSS/IMU integrated navigation. Innovation and pseudorange residuals are then used to determine whether the IMU kinematic estimation error is greater than the GNSS observation error in long-time low quality GNSS. The robust factor is used based on the determined results. Experimental results show that the positioning accuracy of the proposed algorithm is improved by 36.05%, 22.71%, and 56.22% in the east, north and up directions, respectively, compared with the results from the extended Kalman filter algorithm.

Joint estimation of DOA and polarization parameters based on uniform circle array with vector sensor
SHI Chunpeng, HE Huafeng, HE Yaomin, LI Zhen, YAN Shaoqiang, ZHANG Xiaoyu
2024, 50(4): 1325-1335. doi: 10.13700/j.bh.1001-5965.2022.0390
Abstract:

To address the problem of multi-parameter joint estimation of incomplete electromagnetic vector sensors in the polarization sensitive array, a joint estimation method of Direction of Arrival (DOA) and polarization parameters is proposed based on a circle array model of the three-dimensional electromagnetic vector sensor plane. Using the characteristics of the array flow pattern matrix, a four-dimensional spectral function is decoupled, and the uncorrelation between DOA search and polarization parameter estimation is rigorously proved. A four-dimensional spectral search is optimized to a two-dimensional spectral search only related to DOA. A two-level comparison strategy of the DOA spectral peak search is proposed, which enables the radar to automatically identify the spectral peak coordinates and effectively improve the real-time performance of signal processing. The improved particle swarm optimization algorithm based on elite reverse learning and Lévy flight is proposed to estimate the polarization parameters, which improves the convergence performance of polarization parameters. The simulation results show that the proposed algorithm improves the estimation accuracy at the expense of a small amount of time.

Construction and application of fault knowledge graph for aero-engine lubrication system
WU Chuang, ZHANG Liang, TANG Xilang, CUI Lijie, XIE Xiaoyue
2024, 50(4): 1336-1346. doi: 10.13700/j.bh.1001-5965.2022.0434
Abstract:

Due to the complex structure and function of aero-engine lubrication system, the existing health management system lacks sufficient interpretability and relies heavily on expert experience for fault diagnosis A method for constructing aero-engine lubrication system fault knowledge graph was proposed in this paper. By integrating expert knowledge, the concept of lubrication system fault knowledge graph ontology was designed. With the help of deep learning techniques such as bi-directional long short-term memory (BiLSTM) and conditional random field (CRF), we achieved the automatic extraction of unstructured knowledge. Next, based on the Cosine Distance and Jaccard coefficient, multi-source heterogeneous fault knowledge fusion was realized. In the end, incorporating the constructed areo-engine lubrication system fault knowledge graph, we achieved intelligent question and answer capabilities for lubrication system fault knowledge. The application results show that the knowledge graph technology can realize the utilization of prior knowledge of lubrication system faults and the explanation of fault causes, and has a good application prospect in the field of intelligent fault diagnosis.

Aircraft vertical profile prediction for continuous climb based on thrust intention
DU Zhuoming, ZHANG Junfeng, MIAO Honglian, WANG Bin
2024, 50(4): 1347-1353. doi: 10.13700/j.bh.1001-5965.2022.0446
Abstract:

Accurate continuous climb profile prediction can improve conflict detection reliability and departure scheduling precision. A method of modeling aircraft thrust intention based on the thrust setting information is proposed. A vertical profile prediction method for the continuous ascent is suggested, taking into account temperature data, wind vector, thrust purpose, and the total energy model. The case studies and comparative analysis are based on quick access recorder (QAR) data. The analysis is focused on the error between the predicted and actual values of true airspeed, altitude, and fuel flow at each sampling data from QAR. In addition, the evaluation is done on the mean absolute error of the duration and distance to the top of climb (TOC) between the actual and anticipated values. The results indicate that the TOC arrival time mean absolute error could be controlled to within 1 minute by the proposed prediction method. The arrival time mean absolute error at TOC can be reduced by approximately 52% compared to prediction methods without considering the thrust intent.

Complex equipment troubleshooting strategy generation based on Bayesian networks and reinforcement learning
LIU Baoding, YU Jinsong, HAN Danyang, TANG Diyin, LI Xin
2024, 50(4): 1354-1364. doi: 10.13700/j.bh.1001-5965.2022.0449
Abstract:

To shorten the time spent and reduce the troubleshooting cost of traditional heuristic methods, a method of generating a troubleshooting strategy based on reinforcement learning (RL) and Bayesian networks (BN) is proposed for complex equipment. BN is used for the expression of knowledge to make better use of model knowledge of complex equipment. To get closer to the real scenario, the fault probability in the failure mode, effect, and critical analysis (FMECA) of complex equipment is converted and used as a prior probability in BN. A paradigm of converting troubleshooting problems into RL problems is proposed to generate a troubleshooting strategy by using the decision process of RL. The observation-action pair (O-A) is introduced to reduce the scale of the RL problem and the action masking is set to deal with dynamic action space. Simulation findings demonstrate the superiority of the proposed BN-RL method by demonstrating its remarkable performances compared to standard heuristic methods based on the proposed metrics.

Ship’s critical part detection algorithm based on anchor-free in optical remote sensing
ZHANG Dongdong, WANG Chunping, FU Qiang
2024, 50(4): 1365-1374. doi: 10.13700/j.bh.1001-5965.2022.0450
Abstract:

Low detection effectiveness and inadequate refinement plague the existing deep learning-based remote sensing ship detection technique. To address the above problems, an optical remote sensing ship critical part detection algorithm based on anchor-free is proposed. The proposed algorithm takes fully convolutional one-stage object detection (FCOS) as the benchmark algorithm and introduces a global context module in the backbone network to improve the feature representation capability of the network. In the prediction step, a regression branch with orientation representation capabilities is built to more accurately describe the orientation of targets. The centrality function is optimized to make it direction-aware and adaptive. The experimental results show that the average precision (AP) of the proposed algorithm is significant improved over FCOS algorithm on the self-built ship critical part dataset and HRSC2016, respectively. Compared with other algorithms, the proposed algorithm has superior performance in both detection speed and detection accuracy and has high detection efficiency.

Construction method of driving safety field model for unmanned vehicles
XIE Chu’an, REN Yi, YANG Dezhen, FENG Qiang, SUN Bo, WANG Zili
2024, 50(4): 1375-1383. doi: 10.13700/j.bh.1001-5965.2022.0462
Abstract:

In response to the shortage of comprehensive and systematic methods for evaluating the driving safety of unmanned vehicles, an enhanced driving safety field model is proposed, taking into account the impact of the complex road factors of unmanned vehicles as well as the characteristics of three artificial intelligence (AI) system modules: perception, decision-making, and control. A mathematical model of unmanned vehicle driving safety field combining dynamic potential field and safety behavior field is established based on Hooke’s law to characterize the driving risks caused by static objects, moving objects and AI system itself on the road. The correctness and usability of the proposed model is verified by the driving safety analysis of typical driving scenarios.

Identification method of ablation performance parameters of carbonized materials
CHENG Mohan, LI Wenguang, WANG Zhi
2024, 50(4): 1384-1391. doi: 10.13700/j.bh.1001-5965.2022.0474
Abstract:

In response to the difficulty in measuring the ablation performance parameters of thermal protection materials, this paper studies the identification method of ablation performance parameters based on optimization algorithms. The one-dimensional continuous model is used to describe the internal thermal response of carbonization ablation thermal protective materials. Compared with the public experimental data, the calculation error of each measurement point is less than 15%. The basis function characterisation approach uses the Chebyshev polynomial as the basis function to characterize the material’s specific heat capacity and thermal conductivity both before and after carbonization. According to the temperature test experimental data of PICA materials in the public literature, the pyrolysis kinetic parameters of the materials and the undetermined coefficients of the basis function are identified by genetic algorithm, and the parameter identification results are substituted into the one-dimensional continuous model for calculation. Compared with the experimental data in the public literature, the average relative error of the temperature curves under the two verification conditions is less than 10%.

Deployment optimization method for missile early warning radar under complex and multi-directional missile threats
LIU Wei, LIU Changyun, GUO Xiangke, FAN Liangyou, HE Sheng, LAN Hao
2024, 50(4): 1392-1404. doi: 10.13700/j.bh.1001-5965.2022.0486
Abstract:

An optimized deployment model of multiple missile early warning radars is established based on the distinct mission characteristics of early warning radar, tracking and identification radar, and transportable early warning radar in order to address the situation where the deployment of existing missile early warning radars is relatively independent, difficult to cooperate with, and difficult to meet the large-scale operation scenario. Under the constraints of optimal coverage, cooperative handover, and target identification, the cooperative deployment of early warning radars is solved. A cloud adaptive partition optimization binary particle swarm optimization (CPBPSO) algorithm is designed. In order to make the algorithm more suited for solving early warning radar deployment problems, the partition coding strategy is used to shrink the algorithm’s solution space. The cloud adaptive mutation operator is then added to enhance the algorithm’s global optimization and local jumping capability.The example verifies the feasibility of the model in solving the deployment problem of single-direction and multi-direction threat scenarios and analyzes the effectiveness of the CPBPSO algorithm, which basically meets the needs of the optimal cooperative deployment of missile early warning radar.

Study of tensile properties of laminates containing microvascular channels with different diameters
RAN Guangling, MA Yihao, AN Ziqian, ZHAO Dafang, GUO Xin, CHENG Xiaoquan
2024, 50(4): 1405-1415. doi: 10.13700/j.bh.1001-5965.2022.0490
Abstract:

In view of the influence of microvascular on the mechanical properties of laminates, the tensile properties of laminates with varying diameter microvascular channels were studied. Tensile strength and stiffness of laminates with varying diameter microvascular channels were determined by experimental measurements. A refined finite element model of laminates containing microvascular channels was established, which considered the effects of resin-rich area, fiber bending, and fiber volume fraction change, and the tensile properties of laminates containing microvascular channels were analyzed and the results were verified by the experimental results. On this basis, the effects of microvascular channel orientation and diameter were investigated. The results show that when the microvascular channel is laid in a vertical ply direction, it decreases the longitudinal tensile strength of the unidirectional laminate, but the stiffness is basically unaffected. The larger the diameter of the microvascular channel, the greater the reduction of tensile strength. The structural strength of the laminate containing microvascular channels with diameters of 0.255 mm and 0.4 mm is reduced by 21.9% and 39.9%, respectively, when compared to the tensile properties of the laminate without the channels; however, its stiffness changes less than 1.4%.The damage process of laminate also changes with the microvascular channel diameter.

Multi-strategy fusion improved adaptive mayfly algorithm
JIANG Yufei, XU Xianze, XU Fengqiu, GAO Bo
2024, 50(4): 1416-1426. doi: 10.13700/j.bh.1001-5965.2022.0492
Abstract:

This paper proposes the multi-strategy fusion improved adaptive mayfly algorithm (MIMA), which addresses the shortcomings of the improved mayfly algorithm, including its low adaptive ability, minimal population diversity, and poor global search performance. Firstly, Sin chaos mapping was used to initialize the mayfly population so that the population could be uniformly distributed in the solution space, which improved the initial population quality and enhanced the global search ability. Second, in order to improve the local optimal escape ability, control population density, and boost population diversity, individuals in the population were exposed to Gaussian variation and Tent chaos mapping. Then, the incomplete gamma function was introduced to reconstruct the adaptive dynamic adjustment of gravity coefficients to establish a better balance between global search and local exploitation ability, which in turn improved the convergence accuracy of the algorithm and facilitated the potential of global search to find the optimal solution. Finally, the random opposition-based learning (ROBL) strategy was adopted to enhance the global search ability, improve the convergence speed and enhance the stability. To demonstrate the efficacy and dependability of the four improvement measures, the algorithms were compared using the classical test function set and their optimization effect was examined using the Wilcoxon rank sum test. The experimental results show that compared with other algorithms, the MIMA has better searching accuracy, convergence speed, and stability.