2019 Vol. 45, No. 11

Display Method:
Volume 45 Issue112019
iconDownload (21834) 850 iconPreview
Review on refrigerant for direct-cooling thermal management system of lithium-ion battery for electric vehicles
YANG Shichun, ZHOU Sida, ZHANG Yulong, HUA Yang
2019, 45(11): 2123-2132. doi: 10.13700/j.bh.1001-5965.2019.0115
Abstract:

The direct-cooling thermal management system is one of the feasible solutions for the future advanced thermal management system of electric vehicles, which has great potential in terms of vehicle weight reduction and temperature consistency management. Refrigerants are the critical components for direct-cooling thermal management system that directly impact the refrigeration capacity, efficiency and safety. Selecting an effective and suitable refrigerant is especially important for direct-cooling thermal management systems. In this paper, the refrigerants for the direct-cooling thermal management system in recent years is reviewed. First, the thermal management requirements of the lithium-ion batteries and the performance of the direct-cooling thermal management systems are introduced based on electric vehicle applications. Then the definitions and characteristics of commonly used refrigerants are systematically analyzed. The next part introduces the research progress of the pure refrigerants and mixed refrigerants in detail. Finally, the problems and future prospects of the refrigerants are summarized, and feasible research directions for refrigerants in thefuture direct-cooling thermal management systems are proposed.

Parameter analysis and improvement of PSO satellite selection algorithm
WANG Ershen, YANG Di, WANG Chuanyun, QU Pingping, PANG Tao, LAN Xiaoyu
2019, 45(11): 2133-2138. doi: 10.13700/j.bh.1001-5965.2019.0138
Abstract:

Multi-constellation integrated navigation can provide users with more visible satellites; however, the computational complexity of the navigation receiver will also be increased. Therefore, part visible satellites are selected instead of all visible satellites for receiver position solution, which becomes a hot spot in satellite selection algorithm research. The particle swarm optimization (PSO) is introduced into the satellite selection process by the PSO fast satellite selection algorithm. Through this method, not only the time for selecting satellite is reduced, but also the fast selection of the Beidou/GPS integrated constellation is implemented. The influence of the algorithm's key parameters such as inertia weighting factor, acceleration coefficient and population size on the performance of PSO satellite selection algorithm is studied. In addition, since PSO satellite selection algorithm is easy to fall into the local optimum for the search process, the adaptive simulated annealing particle swarm optimization (ASAPSO) algorithm is proposed to optimize the process of satellite selection algorithm. Moreover, the adaptive adjustment of evolutionary parameters with adaptive value, the adjustment of particle velocity in combination with simulated annealing algorithm are introduced in order to enhance the ability of the algorithm to jump out of local extremum. The algorithm is verified by using real navigation data, and the results demonstrate that the ASAPSO algorithm not only can ensure the satellite selection time, but also can improve the accuracy of the search results. Moreover, the performance of the ASAPSO satellite selection algorithm is better than that of the PSO satellite selection algorithm.

Physical interpretation of mathematical homogenization method for thermomechanical problem
ZHU Xiaopeng, HUANG Jun, CHEN Lei, XING Yufeng
2019, 45(11): 2139-2151. doi: 10.13700/j.bh.1001-5965.2019.0088
Abstract:

The mathematical expression of high-order mathematical homogenization method (MHM) is formulated by constructing decoupling form of each order perturbation for the thermomechanical problem of periodical composite structure, and it is converted into a matrix form by weighted residual method, which is convenient for use as standard finite element method. The elastic influence function and the heat influence function are respectively compared to the elastic virtual displacement and the thermal virtual displacement, and the physical interpretation of each order influence function and perturbation displacement are revealed by the self-balancing characteristics and dimensional analysis and geometric visualization. The second-order perturbation displacement is emphasized for the analysis of micro structure. The numerical results verify the correctness of high-order MHM matrix form and the analysis of physical interpretation.

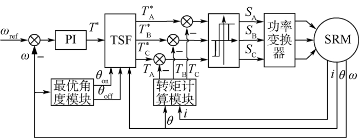
Direct instantaneous torque control of switched reluctance motor based on optimal angle adaptive TSF
LIU Yongzhi, LI Jie, SHAN Chenglong
2019, 45(11): 2152-2159. doi: 10.13700/j.bh.1001-5965.2019.0101
Abstract:

Aimed at the problem that the switched reluctance motor (SRM) has large torque ripple and low operating efficiency in the commutation area, this paper proposes an SRM direct instantaneous torque control (DITC) method based on the optimal-angle-based adaptive torque sharing function (TSF). Firstrly, the representative speed of the motor is selected in the full speed range, and the optimal switch angle corresponding to the maximum average torque at the corresponding speed is obtained. Then, the improved BP neural network is trained with discrete optimal switch angle data to obtain the optimal switch angle in the full speed range. Therefore, the TSF can dynamically adjust the shape of the TSF according to different rotation speeds, obtain the adaptive ability, and achieve the purpose of suppressing the torque ripple of the commutation area. In order to verify the effectiveness of the proposed method, a three-phase 6/4-pole SRM based simulation model and experimental platform are built. The results show that the proposed method effectively suppresses the torque ripple in the commutation area and improves the system operation efficiency.

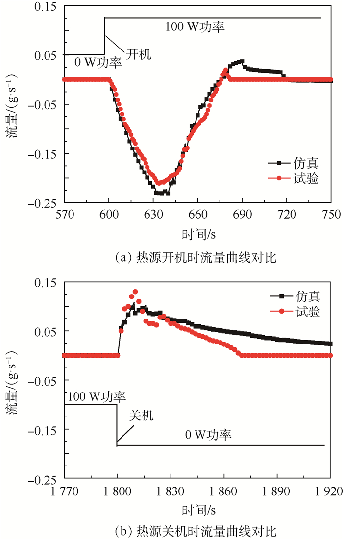
Transient numerical simulations of flow rate into and out of two-phase temperature control accumulator
MENG Qingliang, ZHANG Huandong, ZHAO Zhenming, ZHAO Shilei, YANG Tao
2019, 45(11): 2160-2169. doi: 10.13700/j.bh.1001-5965.2019.0094
Abstract:

Two-phase temperature control accumulator (hereinafter referred to as accumulator) is the key component of mechanically pumped two-phase loop (MPTL) system, which acts like the brain of MPTL system. The accumulator has the functions of storage and supplying of working fluid, gas-liquid separation and precise temperature controlling. In order to study the dynamic behavior of heat and mass transfer between accumulator and MPTL system in response to heat load variations, a transient numerical simulation model is developed for MPTL system by using the Navier-Stokes equations. By comparison between simulation and test results, it is found that the flow rate error of numerical model is in the range of ±10%, which verifies the validity and accuracy of the model. The simulation results show that accumulator will exchange fluid with the main loop in response to heat load variations. In this case, the temperature and pressure of two-phase fluid in accumulator, and the total system flow resistance will be affected. The rate and amount of mass transfer between accumulator and main loop will increase with the increase of heat power, and the same increase will occur for the variation trend of temperature and pressure of two-phase fluid in the accumulator. The model can be used to study the variation characteristics of flow rate, temperature, and quality under different operating conditions, which can also be used to design MPTL system and to predict the system characteristics before a system has been built.

Research and implementation of multi-size aerial image positioning method based on CNN
PAN Haixia, XU Jialu, LI Jintao, WANG Yunhao, WANG Huafeng
2019, 45(11): 2170-2176. doi: 10.13700/j.bh.1001-5965.2019.0045
Abstract:

Image positioning is the key of UAV visual navigation. Scene matching navigation is widely used in traditional UAV visual navigation. With the continuous development of computer technology, deep learning technology provides a new way for the realization of visual navigation. In this context, this research mainly focuses on image localization based on convolution neural network. In this paper, based on the vertical reconnaissance of UAV, the aerial image of flight area is divided into several grids of the same size, each grid represents a class of regions, and the convolutional neural network (CNN) is trained by making data sets of grid images. This paper designs a fully convolutional network model based on AlexNet, which integrates saliency features. It effectively implements a sliding window classifier with CNN multi-size input, and proposes a neighborhood saliency reference positioning strategy to filter the classification results, so as to realize the positioning of multi-size aerial images.

Damage detection of CFRP structure based on electrical impedance tomography
FAN Wenru, WANG Bo, LI Jingyao, ZHOU Chen
2019, 45(11): 2177-2183. doi: 10.13700/j.bh.1001-5965.2019.0149
Abstract:

Electrical impedance tomography (EIT) is an emerging method for evaluating the structural state of carbon fiber reinforced polymer (CFRP). In this paper, the structural damage detection ability of EIT is studied by applying EIT technology to commercial anisotropic CFRP laminated plates. Some damage models of CFRP are established by COMSOL software, and the spatial potential distribution information of three-dimensional field is obtained by finite element analysis. In order to improve the image reconstruction effect of EIT technology on the damage of anisotropic CFRP structure, the embedded electrodes are used to collect the internal electrical signals of the material effectively, and a modified image reconstruction algorithm based on L1 sparse regularization is proposed. In addition, a set of embedded 16-electrode EIT hardware system based on digital multimeter is established. The damage of simple CFRP is detected by EIT system detection platform. The results show that the image reconstruction effect of damaged materials is good, which proves the feasibility of EIT method in damage detection of CFRP structures.

Research on low-speed avoidance zone of tiltrotor
CHEN Jinhe, WANG Zhengzhong, MA Yujie
2019, 45(11): 2184-2192. doi: 10.13700/j.bh.1001-5965.2019.0071
Abstract:

This paper focuses on the analysis and prediction of the height-velocity low-speed avoidance zone of tiltrotor based on the idea of minimizing avoidance zone, aiming at improve the safety of tiltrotor aircraft in one/all engine inoperative (OEI/AEI). First, mixed control model is introduced to establish an augmented longitudinal two-dimensional rigid-body flight dynamic model after engine failure of tiltrotor. Second, Based on the optimal control theory, the boundary of avoidance zone is transformed into a safe landing problem, then a continuous nonlinear optimal control model of tiltrotor for landing safely after engine failure is established, solved it by discontinuous finite element method (DPG) and nonlinear programming algorithm. Finally, Using XV-15 as the sample vehicle, the accuracy of the algorithm is verified. And the height-speed avoidance zone under different flight weight or control restraint after one/all engine inoperative was studied, the influence of nacelle on the low-speed avoidance zone is analyzed, the maximum safe gross weight suggested for XV-15 during vertical operation is given after one engine failure.

Single event transient pulse width transmission of 0.13 μm partial depleted SOI process DFF
SHANGGUAN Shipeng, ZHU Xiang, CHEN Rui, MA Yingqi, LI Sai, HAN Jianwei
2019, 45(11): 2193-2198. doi: 10.13700/j.bh.1001-5965.2019.0076
Abstract:

Based on 0.13 μm partial depleted silicon-on-insulator (PD-SOI) process, a delay flip-flop (DFF) has been designed for single event transient (SET) pulse width, with the pulse width test range between 105 ps to 3 150 ps and the precision being ±52.5 ps. The DFF has been tested by heavy ion accelerator and pulsed laser single event effect facility. 86Kr ion with linear energy transfer (LET) equal 37.6 MeV·cm2/mg was chosen to obtain a DFF 3 level SET pulse width, and pulsed laser triggered the same pulse width by front-side testing. By using 5 500 pJ laser energy, the bipolar amplification of DFF has been triggered, and the pulse width is amplified by 32.3%. According to the same SET pulse width, a method for estimating the pulsed laser energy reaching to the active area of chips which is also called effective energy is established. Meanwhile, based on the experimental results, the relationship between effective energy and LET was also established, and the deviations between the two methods were also analyzed. Other kinds of chips can also use this method to establish the relationship between laser energy and LET.

Effect of low-speed modification of compressible solver on turbulence simulation accuracy
LI Yansu, ZHANG Kun, HE Chengjun, YAN Chao
2019, 45(11): 2199-2206. doi: 10.13700/j.bh.1001-5965.2019.0129
Abstract:

The calculation accuracy of low-speed region in high speed turbulence can be improved by modifying the compressible solver. However, it is difficult to evaluate the contribution of such modification, because simulation accuracy results from complex factors including solver type, accuracy of schemes, grid number, etc. This paper focuses on the influence of the compressible solver with and without low-speed modification on complex turbulence simulation when using different order or resolution of the schemes and different amount of grid. With the calculation example of Taylor-Green vortex, the differences of the results are evaluated quantitatively. The results show that the influence of the low-speed modification is different with different scheme-grid combinations. The low-speed modification method can effectively improve the calculation accuracy with coarse grids and low-accuracy reconstruction schemes.

Experimental study and numerical simulation on CFRP flat-joggle-flat joints
XU Chang, LIU Zhiming
2019, 45(11): 2207-2216. doi: 10.13700/j.bh.1001-5965.2019.0062
Abstract:

Both experimental tests and numerical simulation were implemented to investigate the strength and failure problem of carbon fiber reinforced plastics (CFRP) flat-joggle-flat (FJF) joints. Based on the commercial finite element analysis software ABAQUS, strength prediction models of the FJF joints were built. Compared with the test results, the failure modes and the carrying capacity of the joints were studied under the tensile load condition. Meanwhile, the effect of the lap length on the joint strength and failure modes was analyzed. The results show that the carrying capacity for each joint predicted by the model has the error value under 3.5%, which illustrates good accuracy with the test results. For different lap lengths, the strength of the FJF hybrid joint is higher than that of the bonded and bolted joint. The strength of each joint increases with the lap length, but tends to flatten when the lap length increases to a certain level. As the lap length is small, the failure of the FJF hybrid joint is manifested by the fracture of the adhesive layer along the lap zone and the bearing failure. For larger lap length, the failure modes are changed into the tensile fracture of the laminated plate near the hole and the fracture of the adhesive layer extending to the hole edge.

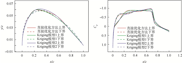
Interval analysis for geometric uncertainty and robust aerodynamic optimization design
SONG Xin, ZHENG Guannan, YANG Guowei, JIANG Qian
2019, 45(11): 2217-2227. doi: 10.13700/j.bh.1001-5965.2019.0077
Abstract:

Uncertainties will make aircraft deviate from the designed aerodynamic performance, resulting in the decrease in aerodynamic performance and even destruction. Due to the problem that the probability distribution of geometric uncertainty cannot be given in engineering and nonlinear aerodynamic problem in transonic flows, the non-probabilistic parametric modeling of geometric uncertainty is studied, and the fast nonlinear interval analysis method is established in combination with Kriging model and optimization method. The effects of geometric uncertainties on a symmetric airfoil are analyzed using the above method, and the quantitative variation range of aerodynamic performance is obtained. Based on interval uncertainty analysis, a robust optimization design process is established. The single-objective interval uncertainty optimization problem was transformed into deterministic multi-objective optimization problem based on the order relation and possibility degree model of interval number, and the optimization problem was solved by adaptive multi-objective particle swarm optimization which is based on Pareto entropy. The robust optimization design is implemented for the supercritical airfoil with the drag objective as well as lift, moment and area constraints under geometric uncertainties. The results compared with deterministic optimization design show that deterministic design is prone to failure under the influence of uncertainties, while the robust design is more secure and reliable.

Evaluation of space station on-orbit maintenance operation complexity and its experimental validation
GE Xiangyu, HUANG Jie, ZHOU Qianxiang, LIU Zhongqi
2019, 45(11): 2228-2236. doi: 10.13700/j.bh.1001-5965.2019.0118
Abstract:

On-orbit maintenance is essential to maintain the safe operation of space stations in special environment of outer space. The harsh space environment and the structural characteristics of space stations determine on-orbital maintenance operation complexity (OOMOC), which is related to the optimization of maintenance program, the development of maintenance plan, the arrangement of cargo spacecraft, astronaut training and space station maintainability design. However, there are few studies on OOMOC. In this paper, we proposed the concept of OOMOC, and established a complexity evaluation model based on information entropy theory. The model is composed of the instinct maintenance complexity and the external impact factors. Maintenance logic, the number of maintenance operations, human machine interface (HMI) for maintenance and knowledge support were considered by the instinct complexity, and quantified with information entropy; the external influence factors covered operation space, tool support, time pressure, visual occlusion and impact of spacesuits, and were quantified with a graded scoring method. To verify model, the maintenance test for 12 types of product based on the ground simulation cabin was performed, and maintenance actions and duration were collected. The experimental results show that the proposed model can better quantify OOMOC and predict maintenance operation time (correlation coefficient is 0.82). This paper can also provide methodological guidance for on-orbit maintenance, evaluation of maintenance programs, astronaut crew training, and space station maintainability design.

Reliability assessment for electronic components with bivariate accelerated degradation based on random correlation
GAI Bingliang, TENG Kenan, WANG Haowei, WANG Wenshuang, CHEN Jian, HUAN Jing
2019, 45(11): 2237-2246. doi: 10.13700/j.bh.1001-5965.2019.0130
Abstract:

Targeting at the difficulty of reliability analysis for electronic components with bivariate correlation accelerated degradation data, a reliability assessment method based on random correlation is proposed. The Wiener process model with random effect is used to model the marginal degradation process considering the individual difference, and the relationship between model parameters and acceleration stress is established by using acceleration factor constant principle. Then, a bivariate degradation model with random correlation based on Copula function is established. A two-stage Bayesian method is introduced to facilitate the parameter estimation, and the scatter plots, deviance information criterion (DIC) and the non-parametric estimation of Kendall τ are used for random correlation model selection. The reliability calculation is carried out by Monte Carlo simulation method. Finally, an example is used to verify the effectiveness of the proposed method.The paper has significant meaning for the storage reliability assessment considering individual differences.

FDA platform external interference suppression based on SD-LCMV algorithm
WANG Bo, XIE Junwei, ZHANG Jing, GE Jiaang
2019, 45(11): 2247-2256. doi: 10.13700/j.bh.1001-5965.2019.0140
Abstract:

In the process of suppressing the interference which is close to the target position, minimum variance distortionless response (MVDR) beamformer will have the mainlobe distortion problem with mismatched steering vector or larger number of elements. We use the overlapping subarray-based sin-FDA as the receiving array instead of the uniform linear array frequency diverse array (ULA-FDA). The weighted vector of the mismatched steering vector is solved by the steepest descent linear constrained minimum variance (SD-LCMV) algorithm, which can effectively correct and preserve the mainlobe of the beampattern. Simulation verifies that the overlapping subarray-based sin-FDA has the best mainlobe width and low sidelobe characteristics. When there is a pointing error of 2°, the steering vecter of the overlapping subarray-based sin-FDA can be corrected and the shape of the mainlobe can be corrected while effectively suppressing the interference.

Reentry trajectory optimization for hypersonic vehicle based on adaptive pseudospectral method
REN Pengfei, WANG Hongbo, ZHOU Guofeng
2019, 45(11): 2257-2265. doi: 10.13700/j.bh.1001-5965.2019.0165
Abstract:

In order to solve the reentry trajectory optimization for hypersonic vehicle, a three-degree-of-freedom reentry kinematic equation considering the earth rotation was established, and a reentry constraint model was built, which took America's universal space vehicle as the object. Firstly, Legendre-Gauss-Radau points were employed to transform the continuous-time optimal control problem into a nonlinear programming problem, and three typical optimization problems including maximum downrange, maximum crossrange and minimum change rate of path angle were discretized. Secondly, an estimation relational expression of relative error relying on decay rate of Legendre polynomial approximation was established, and an effective adaptive mesh refinement strategy was proposed. Finally, three typical reentry trajectory optimization problems were well solved. The simulation results show that the result solved by the proposed method is consistent with the integral of variable-step-size Runge-Kutta-Fehlberg method. Compared to the traditional adaptive pseudospectral method, the proposed method achieves more reasonable mesh refinement, less mesh iteration numbers, faster computation speed and less sensitivity to the user-specified parameters.

Improved FMEA method based on PROMETHEE in multi-granular probabilistic linguistic environment
JU Pinghua, CHEN Zi, RAN Yan, HU Xiaobo
2019, 45(11): 2266-2276. doi: 10.13700/j.bh.1001-5965.2019.0142
Abstract:

With respect to some inherent drawbacks regarding failure mode evaluations, risk factor weights and risk priority ranking in traditional failure mode and effect analysis (FMEA)method, an improved FMEA method based on preference ranking organization method for enrichment evaluations (PROMETHEE) in multi-granular probabilistic linguistic environment was proposed. The multi-granular probabilistic linguistic term sets (PLTS) were used to characterize the diversity and uncertainty of experts' assessment information, and a new linguistic computational model was developed based on the 2-tuple linguistic transformation formulas to unify the multi-granular risk assessment information provided by FMEA team members. Best-worst method (BWM) and the entropy weighting method were adopted to determine subjective and objective combined weights of risk factors. The PROMETHEEE was extended to probabilistic linguistic environment to determine the risk ranking of failure modes. Finally, an empirical case concerning the failure risk evaluation of tray automatic exchange device was presented to demonstrate the practicality and effectiveness of the proposed method, and sensitivity analysis and comparison study were also performed to show its merits.

Optimal transition tilt angle curve of tiltrotor UAV
ZHOU Yu, LIU Li
2019, 45(11): 2277-2283. doi: 10.13700/j.bh.1001-5965.2019.0073
Abstract:

A dynamic model of a typical tri-tiltrotor UAV was established. The optimal tilt angle curve in the transition process was studied to reduce the influence of lateral coupling on longitudinal motion, and energy consumption. Based on the analysis of the influence of the tilt angle curve on the transition process, a improved motion profile algorithm was proposed to parameterize the tilt angle curve. A two-phase optimization scheme was proposed to optimize parameters. In the first phase, the minimum coupling degree of lateral control and the minimum energy consumption of the transition process are considered. The optimal tilt angle problem model was constructed by using the curve parameters as the optimization variables.The optimal tilt angle problem was solved by genetic algorithm. In the second phase, a servo dynamics model was introduced for further optimization to reduce the overshoot in the end-stage considering transition time and system overshoot. The results of comparison with the three existing typical tilt angle curves show that, in given transition time, the proposed optimal tilt angle curve effectively reduces the lateral control coupling degree and the energy consumption during the transition process, and reduces the overshoot at the end of the transition.

Transient simulation on pressure relief process of engine nacelle
WANG Chenchen, FENG Shiyu, PENG Xiaotian, DENG Yang, CHEN Jun
2019, 45(11): 2284-2290. doi: 10.13700/j.bh.1001-5965.2019.0081
Abstract:

The design of the engine nacelle pressure relief door will affect the safety of the nacelle. The pressure relief is a dynamic process, which is related to the pressure inside and outside the nacelle, the freestream Mach number and the structure of the pressure relief door. Based on the Modelica language, a zero-dimensional transient simulation mathematical model of the nacelle pressure relief process was established, and the pressure relief door (PRD) discharge and moment coefficient under different opening angles were calculated via computational fluid dynamics (CFD). Then those coefficients were substituted into the zero-dimensional transient simulation model, and the variation relationship of key parameters such as the plenum compartment pressure and opening angle of the PRD with time during the pressure relief process is obtained. The influence of the plenum compartment pressure threshold and the maximum opening angle of the PRD on the pressure relief process was analyzed. The study results show that reducing the plenum compartment pressure threshold for PRD opening will reduce the time required for the pressure relief process reaching to the equilibrium stage, but has no effect on the plenum compartment pressure and reciprocating swing angle/amplitude at equilibrium stage; properly reducing the maximum opening angle can effectively reduce the PRD reciprocating swing angle/amplitude in the equilibrium stage, and has no effect on the pressure relief rate in the initial stage and the plenum compartment pressure in the equilibrium stage, but excessive reduction of the maximum opening angle will decrease the pressure relief rate in the initial stage and increase plenum compartment pressure in the equilibrium stage.

A bearing fault diagnosis method based on semi-supervised and transfer learning
ZHANG Zhenliang, LIU Junqiang, HUANG Liang, ZHANG Xi
2019, 45(11): 2291-2300. doi: 10.13700/j.bh.1001-5965.2019.0082
Abstract:

Aimed at the problems of insufficient prediction accuracy and over-fitting in the fault diagnosis process of aero-engine bearing, a semi-supervised integrated learning device based on transfer learning (SSIT) is proposed to predict engine bearing fault. First, transfer learning based improved extreme learning machine (TELM) and support vector machines (TSVM) were trained by adding the high-similarity sample of different target space to the original sample space, which is integrated to identify the tag sample with the corresponding learning. Then integrate the same cluster learner with the corresponding base learner to identify the unlabeled samples, Next, the constituted semi-supervised learning device constantly adjusts the initial learning unit weight, and continues to integrate semi-supervised learning recognition results into SSIT, which will be used to identify faults after feature identification and extraction by this learning machine. The experimental results clearly show that this algorithm can effectively reduce the negative transfer effect in transfer learning, improve the transfer accuracy by about 10%, reduce the over-fitting effect in machine learning, and improve the stability of semi-supervised learning. Compared with the existing prediction method, this algorithm can improve the accuracy by more than 9%.

Reliability evaluation of slip ring based on multi-field coupling modeling and Bootstrap method
LIU Xianjun, SUN Yuanhang, WANG Yongsong, SHI Yingying, SUN Xiwu, YU Jianbo
2019, 45(11): 2301-2311. doi: 10.13700/j.bh.1001-5965.2019.0106
Abstract:

The aerospace electric slip ring is a core component of the satellite solar battery array drive assembly. Its reliability is related to the satellite life. Due to the high cost of the space slip ring life test, the long test period and the small amount of sample data, it is difficult to obtain the large-size sample life data. Thus, it is difficult to conduct reliability evaluation using traditional statistical method. In order to solve these issues above, this paper proposes a reliability evaluation method based on friction and wear model. The Hertz theory and heat transfer method are used to calculate the contact area and temperature rising in the process of the friction pair wear, respectively. The effect of thermoelectric multi-field coupling on the friction pair wear is quantified. A multi-physics coupled wear model based on adhesive wear is established. The parameters of slip ring life distribution are estimated using improved Bootstrap method with the life data obtained from the multi-physics coupled wear model. Finally, a series of slip ring reliability indicators are obtained combined with the conventional reliability prediction method. The method comparison results indicate that the improved Bootstrap method provides not only high evaluation accuracy, but also weak subjectivity and flexible applicability. The method evaluation results show that all reliability indicators obtained from the proposed method are in line with the engineering reality, which have powerful application values in practical engineering.

Theoretical of reactor performance in oxygen consumption based inerting system
XIE Huihui, FENG Shiyu, PENG Xiaotian, PAN Jun, WANG Yangyang
2019, 45(11): 2312-2319. doi: 10.13700/j.bh.1001-5965.2019.0117
Abstract:

In order to research the working performance of the reactor in oxygen consumption based fuel tank inerting system, the solid phase energy equation was added in the form of UDS to establish the two temperatures reactor model with gas-solid two-phase coupled heat transfer on the basis of Fluent 17.0 software porous medium model, the reaction kinetic equation was tested experimentally with Daqing RP-3 fuel as the object, and the chemical reaction was added in the form of UDF source terms to simulate the reactor. This paper studied the effects of different operating conditions on the inerting efficiency of the reactor, as well as the internal temperature of the reactor in inerting process and variation characteristics of RP-3 concentration. The results show that the effect of reactant concentration on conversion is related to the saturation value of oxygen concentration; the absence of additional cooling will lead to temperature run-away, and the chemical reaction mainly occurs in the second half section of the reactor and is close to the reactor axis. Therefore, when designing the reactor in the future, additional cooling measures should be considered to prevent the temperature run-away and make the temperature of the catalytic bed evenly distributed to improve the work efficiency of the reactor.

Design and evaluation of green taxiing strategy for departure aircraft during peak hours
ZHENG Lijun, HU Rong, ZHANG Junfeng, ZHU Jialin
2019, 45(11): 2320-2326. doi: 10.13700/j.bh.1001-5965.2019.0124
Abstract:

In order to effectively reduce the congestion delay and pollutant emissions of departure aircraft during peak hours in large hub airports, the design and evaluation of different taxiing strategies are carried out. Firstly, the calculation model of departure aircraft taxiing cost including environmental cost is established. Then, three different departure aircraft green taxiing strategies are proposed:punctual pushback, stand holding and speed optimization. Finally, targeting the minimum total taxiing cost, the genetic algorithm is used to carry out example simulation, to solve the optimal taxiing route under different strategies, and to compare and analyze the effectiveness of different taxiing strategies on congestion mitigation and emission reduction. The results show that, compared with the punctual pushback strategy, the stand holding and speed optimization strategy can reduce the total taxiing time by 5.90% and 22.49%, and has good congestion mitigation effect. In addition, the stand holding strategy has the lowest fuel consumption and emission cost, and the speed optimization strategy has the lowest pollutant emissions, so both of them have certain emission reduction effect.

AFDX network topology generation based on degree centrality
WANG Zhiyu, HE Feng, GU Xiaoyan
2019, 45(11): 2327-2334. doi: 10.13700/j.bh.1001-5965.2019.0123
Abstract:

With the development of mission requirements and technologies, avionics systems continue to evolve into deep integration, and the complexity of systems has brought enormous challenges to the design and verification of networks. How to realize real-time performance guarantee of avionics information interaction through network generation under restricted resources is an urgent problem to be solved. According to the relationship between the sum of the maximum communication frame lengths of all virtual links between terminal nodes, the avionics full duplex switched Ethernet (AFDX) network topology generation algorithm based on degree centrality theory is proposed to improve the existing topology design method that cannot control the avionics network in real time. All the terminal nodes are collectively divided according to the data frame length between the terminal nodes which is used as a measure of the degree of the node. The switch performs dynamic connection according to the data frame length of the terminal node in the set. Deterministic network calculus and simulation methods are used for performance evaluation of AFDX network topology generation algorithm based on degree centrality. The results show that 75% of the VLs' real-time performance in the network topology based on degree centrality is better than the original artificially designed network topology using the deterministic network calculus method under the networking of small-scale virtual link, and the end-to-end delay is reduced by on average of 9.37%. The results show that 94.3% of VLs real-time performance in the network topology based on degree centrality is better than the artificially planned network topology. And the end-to-end delay is reduced by 50.2% on average using the OMNet++ simulation method under the networking scale of 1 400 virtual links. Therefore, the results show that the topology generation algorithm based on degree centrality greatly improves the real-time performance guarantee of the network.

Perception and control method of driverless mining vehicle
LI Honggang, WANG Yunpeng, LIAO Yaping, ZHOU Bin, YU Guizhen
2019, 45(11): 2335-2344. doi: 10.13700/j.bh.1001-5965.2019.0521
Abstract:

In order to solve the problems of low production efficiency and frequent safety accidents in mining areas, a driverless perception and control method for mining vehicles was proposed. In the part of perception, a multi-target recognition architecture based on the fusion of lidar and millimeter-wave radar was designed. On the basis of data association, the joint probabilistic data association (JPDA) algorithm based on Kalman filter was applied to realize multi-target recognition in mining environment. In the control part, the lateral control and longitudinal control were decoupled by the way of path preview tracking, and the deviation was corrected in real time through the feedback mechanism to realize the accurate lateral and longitudinal control of the driverless mining vehicle. In addition, the driverless system platform of real mine vehicle was built, and the above perception and control methods were tested in different scenarios in the mining area. The experimental results show that the perception algorithm realize the accurate detection of the drivable area of the mining road, and identify a variety of obstacle types. The control algorithm realize the accurate control of the longitudinal speed and lateral position of driverless mining vehicles in uphill and downhill scenarios, so as to meet the of practical applications.