2017 Vol. 43, No. 6

Display Method:
Volume 43 Issue62017
iconDownload (38991) 1070 iconPreview
Spacecraft attitude passivity control based on PCH model
WANG Qing, GONG Ligang, DONG Chaoyang
2017, 43(6): 1061-1071. doi: 10.13700/j.bh.1001-5965.2016.0414
Abstract:

For the spacecraft attitude control problem in the presence of disturbance torques, a passivity control scheme based on port-controlled Hamiltonian (PCH) system model was proposed from the perspective of energy. By writing the attitude control system in a PCH form and adding the state related to integral of attitude error, the interconnection and damping assignment passivity-based control (IDA-PBC) method was then utilized to design the controller and provide the closed-loop system with desired internal interconnection structure and energy dissipativity properties. The proposed control scheme can guarantee input-to-state stability of closed-loop system. The actuator dynamics was then considered and backstepping control scheme was utilized to compensate for control command. Combined with command filtering technique, the computation of higher order derivatives of virtual control was avoided and uniform ultimate boundedness of the closed-loop system was proved theoretically. Simulation results validate the performance advantage of the proposed control scheme over that based on passivity alone.

Imperative modeling elements for multi-rotor unmanned aerial vehicles
WAN Jia, LIU Hong, WANG Fuxin
2017, 43(6): 1072-1079. doi: 10.13700/j.bh.1001-5965.2016.0481
Abstract:

The multi-rotor unmanned aerial vehicle (UAV) is one of the popular configurations in the UAV industry for small UAVs. However, research on the modeling of multi-rotor vehicles and its characteristics regarding flight mechanics is still limited. A flight mechanics model for multi-rotor UAV is developed based on a classical helicopter model, and is used for the initial analyses of the hovering modes of a multi-rotor UAV. The results show that the dynamic stability of a multi-rotor vehicle is lower than that of a conventional helicopter, and the Dutch-roll mode is replaced by the lateral Phugoid mode. Based on the weakly-coupled system theory and simplified longitudinal equation of motion, the impacts of different modeling elements on multi-rotor modeling are analyzed, including the rotor rotation degree of freedom (DOF), the rotor inflow model and the rotor aerodynamic moments. It is shown that the rotor rotation DOF has large impacts on the flight mechanics characteristics of a multi-rotor vehicle with stability augmentation system. For a rigid rotor, the inflow distribution is one of the definitive factors for the rotor pitch and roll aerodynamic moments, which play an important role in the hovering modes of a multi-rotor vehicle. Therefore, all these three elements should be considered in the modeling and flight mechanics analyses for multi-rotor vehicles.

Hardened test method of structural reliability based on correlation analysis
MA Xiaobing, ZHANG Jianchun, ZHAO Yu
2017, 43(6): 1080-1084. doi: 10.13700/j.bh.1001-5965.2016.0420
Abstract:

The traditional test verification of structural reliability is generally based on the independence assumption between loading stress and structural strength. Stating with the correlation analysis of stress and strength, we propose a hardened test method of structural reliability verification based on the stress-strength interference model with Copula correlation when loading and strength both follow the normal distribution. The method combines Copula functions with stress-strength interference model to achieve the transformation of the original reliability index and reliability index under the hardened condition, and the reliability is estimated by the traditional binomial distribution test under the condition of small sample. Compared with the independence assumption, the results show that the negative correlation between stress and strength leads to the increase of sample size and the sample size decreases with the decrease of negative correlation; the positive correlation leads to the decrease of sample size and the sample size decreases with the increase of positive correlation.

Comparison between external store separation and buried store separation of fighter
ZHANG Qunfeng, YAN Panpan, LI Jun
2017, 43(6): 1085-1097. doi: 10.13700/j.bh.1001-5965.2016.0497
Abstract:

To analyze the difference between external store separation and buried store separation, several separation cases were simulated using the same missile under the conditions of both subsonic and supersonic inflow. Improved delayed detached eddy simulation (IDDES) method based on Menter SST turbulence model and overset mesh method were employed. Different trajectories of missile under different separation conditions were obtained. The results show that under both subsonic and supersonic inflow conditions, the buried missile is impacted by the strong unsteady flow field inside the cavity and shear layer at the cavity lip. It gives the missile big upward force moment which leads to obvious attitude angle variation. Compared with external store separation, the quality of buried store separation is much worse. If the missile is given a downward angular velocity and goes through the shear layer in pitch down angle, the side effects caused by shear layer can be substantially reduced. By using this launching method, the buried store separation quality is improved apparently.

Active flutter suppression design of a wing based on sliding mode observer
SONG Chen, WANG Shiqi, YANG Chao
2017, 43(6): 1098-1104. doi: 10.13700/j.bh.1001-5965.2016.0453
Abstract:

Active flutter suppression (AFS) is a worldwide well proposed solution for the flutter of aircraft, which plays an important role in modern aircraft design. Many studies have shed some light on the AFS usage of sliding mode control strategy and the sliding mode observer, acting on two-dimensional wings. Herein, a wind-tunnel model of an actual wing which has two tailing-edge flaps is selected to examine the effectiveness of a low-order sliding mode observer which will be applied to AFS design of 3D wing. This observer has superior performance and distinctive features. However, the traditional complicated design routine limits its application to high-order objects. A new simplified design procedure is proposed by using a gain matrix of the Kalman filter in linear quadratic Gaussian (LQG) method. Then, considering the physical property of aeroelasticity, the new method can be put into practice theoretically. Comparison analyses are given. The results indicate that the sliding mode observer method has a better noise resistance ability than the LQG method.

A haze removal method for unmanned aerial vehicle images based on robust estimation of atmospheric light
LIU Chunhui, QI Yue, DING Wenrui
2017, 43(6): 1105-1111. doi: 10.13700/j.bh.1001-5965.2016.0473
Abstract:

Aimed at the problem that the quality of the images acquired by unmanned aerial vehicle (UAV) is easily reduced due to the fog or haze weather, a haze removal algorithm for UAV images based on robust estimation of atmospheric light was proposed. The proposed algorithm selects image patches with different surface reflectance rate to obtain the pixel line of each patch. Using the properties that all the pixel lines are coplanar with the atmospheric light, the orientation of the atmospheric light vector was calculated. Based on the fact that scene depths of each pixel in the image are similar, the global transmittance is defined. The amplitude of the atmospheric light and the dehazed image are obtained using the global transmittance and projection of the pixel lines on the direction of the atmospheric light. In order to apply this method to different types of images, the measures of automatic adjustment of image block size and condition threshold were adopted to improve the robustness of the algorithm. The experimental results with the real UAV images show that the proposed algorithm has a great improvement in the visual effect and objective evaluation index compared with the existing methods.

Online fault detection based on dual modular redundancy for embryonics array
LI Danyang, CAI Jinyan, MENG Yafeng, ZHU Sai
2017, 43(6): 1112-1122. doi: 10.13700/j.bh.1001-5965.2016.0745
Abstract:

In order to solve the problems for embryonics array that online fault detection is difficult to be designed, detection rate is low, and detection rate is difficult to be accurately calculated, an online fault detection method based on dual modular redundancy and a fault detection rate analysis method based on equivalence checking are proposed. A novel checker which is suitable for look up table style function module of embryonics cell is designed, and the automated design program is developed. For single stuck at fault, the circuit is first converted to an equivalence checking circuit, and then through fault injection and equivalence checking, fault detection rate can be accurately calculated. In simulations, 16 different sizes of benchmark circuits are chosen, and mapped into embryonics array. Area, delay and fault detection rate of the dual modular redundancy circuit are analyzed. Simulation results are presented with detailed area consumption data, circuit delay data and fault detection rate data, and verify that the proposed method has a high fault detection rate.

Refined tracking algorithm for steady partly resolvable group targets based on ICP
WANG Cong, WANG Haipeng, HE You, GUO Chen
2017, 43(6): 1123-1131. doi: 10.13700/j.bh.1001-5965.2016.0421
Abstract:

To deal with the problem of the refined tracking of steady groups in partly resolvable condition, a refined tracking algorithm based on iterative closest point (ICP) is proposed in this paper. First, the ICP algorithm is used in tracking association, and by using closest point cyclic iteration, the measurements at time k+1 can be matched with the position estimation at time k. In order to deal with the problem of leakage tracks brought by partly resolvable group and to increase the fault tolerant performance in tracking association, double threshold principle is used in decision making. Then, to further ensure the reliability of tracking, probabilistic nearest neighbor method has been used to fill the leakage tracks. Finally, to ensure the precision of tracking, multi-model algorithm is used to realize filter update of group member tracking. The simulation results show that, compared with group target tracking algorithm based on template matching and classical multiple hypothesis tracking algorithm, the algorithm has better performance in tacking reliability and precision, and can be more accurate when slow change of group topology happens.

Fault-tolerant control of UAV anti-skid braking system with input and output constraints
SUN Hui, YAN Jianguo, QU Yaohong
2017, 43(6): 1132-1140. doi: 10.13700/j.bh.1001-5965.2016.0438
Abstract:

In this paper, a method of adaptive neural network backstepping fault-tolerant control, based on barrier Lyapunov function, is proposed for anti-skid braking system in the presence of slip-ratio constraint, control input saturation and partial loss of actuator effectiveness. The neural network can more accurately approximate the unknown nonlinearity in order to compensate the effect of actuator fault, and the great robustness to actuator fault is guaranteed. In this approach, the output of neural network is used to design the backstepping controller to achieve fault-tolerant control and uncertainty compensation, and a robust term is employed to optimize the transient performance of braking system. Firstly, the closed-loop fault-tolerant control system could be stable without the reconfiguration value of actuator fault in real time. Then, the stability of the system is analyzed based on the Lyapunov method. Finally, the numerical simulation results show that the proposed fault-tolerant control scheme can effectively guarantee the stability and effectiveness of the control system when the actuator happens faulty.

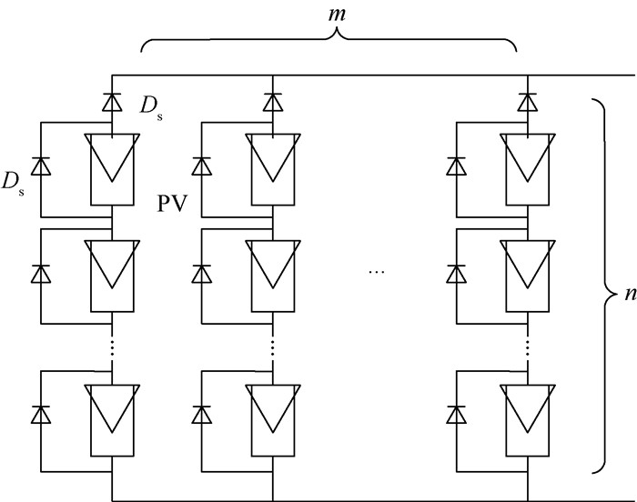
Photovoltaic multi-peak output characteristics and GMPPT control under complex shaded condition
CHEN Mingxuan, WU Jianwen, MA Suliang, HUANG Lian
2017, 43(6): 1141-1148. doi: 10.13700/j.bh.1001-5965.2016.0478
Abstract:

Aimed at solving the failure problem of the maximum power point tracking (MPPT) algorithm caused by partially shaded condition in the photovoltaic power generation system, a global maximum power point tracking (GMPPT) algorithm based on δ-potential well is proposed. Based on the photovoltaic multi-peak output characteristics when the illumination intensity is changing, the reason of searching blind spot in conventional MPPT algorithm is analyzed in terms of maximum power point transition, and the necessity of GMPPT optimization is explained. A quantum-behaved particle swarm optimization (QPSO) algorithm is proposed to improve the particle diversity and increase the search speed and convergence accuracy. The algorithm was verified by MATLAB/SIMSCAPE and compared with the standard particle swarm optimization (PSO) algorithm. The results show that the proposed algorithm can track the global maximum power point effectively with fast searching speed, reducing the dependency on parameters and avoiding premature convergence of the algorithm.

Analysis on process parameters of laser bending of preloaded metal plate
XU Lang, LI Weidong, WANG Xiufeng, WAN Min
2017, 43(6): 1149-1154. doi: 10.13700/j.bh.1001-5965.2016.0494
Abstract:

Laser bending of preloaded metal plate is a relatively new bending method and its process parameters are researched in this paper. A finite element model of the forming process was established based on software ABAQUS, and its reliability was verified by test. Then, finite element simulations using different process parameter values were done by uniform design. On the basis of the simulation results, a regression model of relationship between the process parameters and deformation amount was developed. Further, influences of the process parameters on the deformation amount and the internal reasons of these influences were analyzed. It is shown that among the parameters the scanning speed has the greatest influence on the deformation amount while the laser power has the minimal influence. The negative interaction of the laser spot diameter and scanning speed affects the deformation amount significantly. The deformation amount increases almost exponentially with the increase of preload amount, increases linearly with the increase of laser power, and decreases almost linearly with the increase of laser spot diameter. Moreover, it decreases at first and increases later with the increase of scanning speed.

Internet information processing for earthquake emergency response
SONG Jiangong, WANG Zhixin, LI Qinyong, LI Yating, MA Shilong, LYU Jianghua
2017, 43(6): 1155-1164. doi: 10.13700/j.bh.1001-5965.2016.0785
Abstract:

In recent years, the domestic and international earthquake disaster has caused huge losses to human life and property. Massive earthquake disaster information on the Internet can provide the basis for decision support for emergency response and timely rescue, so there is an urgent need for efficient and rapid processing of the disaster information. To study the information processing of the earthquake disaster in the Internet, the seismic event model, webpage object model, etc. were defined, and the convergence of Web information was defined with the limit method. The characteristics of the Internet disaster information dissemination were described. According to the characteristics of the timeliness of disaster information, the Web information extraction algorithm was proposed, which supports dynamic convergence. The method of time series statistics for the change of the disaster information with time was presented, and the information statistic report was formed, which provides the basis for rescue decision making. The intelligent information processing system for earthquake emergency response was designed and implemented. The models and methods were verified in a practical engineering project.

Compensation method of in-track coupling effect of cross-track maneuver for formation-flying satellites
WANG Youliang, LI Mingtao, ZHENG Jianhua, ZHOU Jing
2017, 43(6): 1165-1172. doi: 10.13700/j.bh.1001-5965.2016.0437
Abstract:

Tetrahedron formation has an important application in the space physical three-dimensional collaborative detection. Formation keeping control must be carried out to guarantee the detecting efficiency. However, the in-track coupling effect of cross-track maneuver can cause the drift along the in-track direction, thus making the deterioration of geometric characteristic, and having a bad effect on the detecting efficiency. An analytical compensation method for formation-flying satellites was designed to eliminate the in-track drift caused by coupling effect of cross-track maneuver, and achieve the accurate formation initialization reconfiguration and formation keeping control under J2 perturbation. The numerical simulation results show that the method is simple and efficient to eliminate the in-track drift caused by cross-track maneuver under J2 perturbation, and can achieve more accurate formation control.

Comparative study of thermal-chemical reaction models on simulation of hypervelocity flow
ZHOU Kai, LI Xudong, HU Zongmin, JIANG Zonglin
2017, 43(6): 1173-1181. doi: 10.13700/j.bh.1001-5965.2016.0474
Abstract:

Hypervelocity flow is the high-speed high-temperature flow environment that space vehicles or capsules face when they reenter the atmospheric layer. An expansion tube is one of the few qualified test facilities on the ground to simulate it. Numerical simulation is presented as a powerful assistant tool for hypervelocity flow diagnosis and analysis. Thermal-chemical reaction model plays an important role in simulation of hypervelocity flow. Thermal-chemical reaction models of 5 and 11 species based on thermal equilibrium condition, and 5 species based on thermal nonequilibrium condition are applied on the numerical technique. A comparative study of the influence on the computation for double-wedge test model employed with the above three models has been conducted to evaluate their applicability. The results indicate that 5 species chemical model can meet the test gas simulation requirement, but 11 species chemical model must be taken into account for the acceleration gas. However, if the thermal nonequilibrium phenomenon is strong in the flow, we must employ the thermal-chemical nonequilibrium model to guarantee the reliability of the numerical simulation.

Improved ADT searching method in overlapping grid assembly
LI Peng, GAO Zhenxun, JIANG Chongwen, LEE Chunhian
2017, 43(6): 1182-1190. doi: 10.13700/j.bh.1001-5965.2016.0425
Abstract:

An improved searching method of alternating digital tree (ADT) is proposed for making up the deficiency of the existing ADT method and improving the efficiency of the overlapping grid assembly. The new method stores and retrieves donor cells based on a hash data structure, in which an auxiliary Cartesian mesh is first applied to map the storage address similar to the table of contents in hash table, and then a node-oriented ADT is used for further retrieval in accordance with the aforementioned storage space. Based on ADT search, the introduction of the Cartesian mesh can further narrow the search scope of donor cell, which makes the present one have better efficiency. Tests of searching depth and time consumption based on several discrete grid nodes indicate that the present method can enhance the average hole-cutting efficiency by more than 25% compared with the existing ADT method. Moreover, the hole-cutting results and numerical computations of typical configurations confirm the reliability of the improved ADT searching method in overlapping grid assembly.

Momentum equalization control of space robot with control moment gyroscopes for joint actuation
FENG Xiao, JIA Yinghong, XU Shijie
2017, 43(6): 1191-1198. doi: 10.13700/j.bh.1001-5965.2016.0427
Abstract:

An angular momentum equalization control method was proposed for redundant space robot with scissored-pair control moment gyroscopes (CMGs) for joint actuation. This method utilizes the space robot's extra degrees of freedom to equalize momentum usage among arm links, thus achieving CMGs' simultaneous saturation and better trajectory tracking ability. A momentum equalization index was defined following the idea of equal momentum usage to achieve simultaneous CMGs saturation. A control technique was developed based on acceleration-level redundancy resolution and inverse dynamics control, with precious operational space tracking ability and momentum equalization index local minimization functionality. The local minimization of momentum equalization index serves as a means to use angular momenta as equally as possible, which decreases the possibility of non-simultaneous saturation and takes full advantage of the CMGs' angular momentum capacity. A planar three degree-of-freedom redundant manipulator was used in numerical simulation to verify the effectiveness of the control technique.

An efficient method for reliability global sensitivity index by space-partition
YUN Wanying, LYU Zhenzhou, JIANG Xian, YANG Caiqiong
2017, 43(6): 1199-1207. doi: 10.13700/j.bh.1001-5965.2016.0479
Abstract:

The reliability sensitivity index well analyzes how the failure probability of a model is affected by the different sources of uncertainty in the model inputs. In order to improve the efficiency of digital simulation in estimating this index, a method was proposed based on the weighted density, the law of total variance in the successive intervals without overlapping and the space partition. To accelerate the speed of convergence, the law of total variance in the successive intervals without overlapping was proved and used subsequently. The weighted density method generates uniform samples in the possible interval of model inputs, and it can ensure the equivalence of estimation by the weighted density indices. The proposed method can avoid searching the design point; therefore, for the highly nonlinear problem which is difficult to find the design point and the problem of multiple design points, the proposed method can well deal with. In addition, by the idea of space-partition, the dependence of the computational cost on the input dimensionality is removed, and the proposed method only requires one set of input-output samples to obtain all the sensitivity indices, which greatly improves the utilization of samples and computational efficiency. Examples illustrate that the proposed method has higher efficiency, accuracy, convergence and robustness than the existing methods for the problems of high nonlinearity and multiple design points.

Quantitative spectral modeling method based on improved extreme learning machine
ZHOU Meiling, ZHENG Dezhi, LOU Ge, LIU Zheng
2017, 43(6): 1208-1215. doi: 10.13700/j.bh.1001-5965.2016.0459
Abstract:

According to the principle of near infrared spectrum (NIR), an optimized extreme learning machine algorithm with particle swarm optimization (PSO-ELM) was proposed and used in ammonia concentration quantitative analysis of small sample. By optimizing the hidden node parameters of extreme learning machine (ELM) algorithm, the problem of randomly generated input weight and hidden layer of ELM leading to random modeling results has been solved. At the same time, the model stability, accuracy and generalization performance were improved. Through the experimental verification, by the optimized PSO-ELM, compared to ELM, the root mean square error of prediction set reduces to 0.003 22 from 0.011 66 and the correlation coefficient of prediction increases from 0.995 1 to 0.997 9. After comparing the optimized model prediction results with the modeling results of traditional support vector machine (SVM) regression and BP neural network algorithm, optimized PSO-ELM offers high accuracy and excellent generalization performance. Model prediction effect is superior to the traditional quantitative regression analysis algorithm.

Space position reconstruction of ballistic target based on adaptive fusion
XU Dan, TIAN Bo, FENG Cunqian, HE Sisan, ZHAO Shuang
2017, 43(6): 1216-1223. doi: 10.13700/j.bh.1001-5965.2016.0463
Abstract:

Aimed at the problem that signal radar extracts parameters difficultly and has higher error in estimating parameters due to coupling of precession cone target parameters, a novel algorithm based on uniting the multi-aspect micro-motion information is proposed for parameter extraction and fusion. First, cone-shaped precession model are established and scattering points profile sequence are analyzed. After that, different-aspect conic node scattering point is matched and identified using Hough transform. Then, the micro-motion information of two radars is united as one solving unit to solve the coupling parameters, and other parameters also can be solved. Moreover, precession angle is taken as an example to analyze the variance of error, and each unit is fused by the weighed fusion array based on minimum variance. And other parameters are optimized in the same way. Finally, in one precession period, cone target space position can be reconstructed based on solving the coordinates of conic node and coning vector. Simulation results prove that the proposed method can realize the extraction of high accuracy parameters and cone's reconstruction availably.

A fast algorithm for long-term fluid-solid conjugate heat transfer process
MENG Fanchao, DONG Sujun, JIANG Hongsheng, WANG Jun
2017, 43(6): 1224-1230. doi: 10.13700/j.bh.1001-5965.2016.0447
Abstract:

Concerning the specific demands for solving problems of the long-term conjugate heat transfer (CHT) problem at the kilosecond level, a new loosely coupled algorithm of the global tightly transient coupled heat transfer based on the quasi-steady flow field is put forward. The flow field is updated alone by steady algorithm and the transient temperature field of the fluid and solid regions are solved by transient heat transfer algorithm alternately. Compared to the traditional loosely coupled algorithm, the computational efficiency is further improved with the greatly reduced update frequency of the flow field. Taking a tube heated by inner forced air flow heating process for 300 s as an example, the results by Fluent software show that, compared to the tightly transient coupled calculation, the maximum wall temperature rise deviation is 5% while the computing time is reduced to 14.8%.

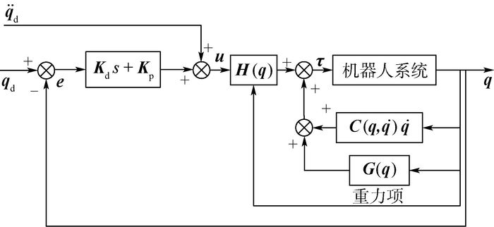
Gravity compensation of an intraocular surgery robot based on computed torque method
CHEN Xiang, HUANG Long, YANG Yang
2017, 43(6): 1231-1238. doi: 10.13700/j.bh.1001-5965.2016.0455
Abstract:

To improve the positioning accuracy and stability of an intraocular surgery robot which has a remote center of motion (RCM) mechanism, the coordinate system of the robot is established. Based on the equivalent system model, the instantaneous centroid position of model components is analyzed. The dynamic model of the robot system is built by using the Lagrange equation. On the basis of the dynamic model, the gravity compensation model is built by using computed torque method and it is simulated by using MATLAB/Simulink. Each joint motion response curve is compared between the independent proportional plus derivative(PD) control model and the gravity compensation model. The results of simulation show that the gravity compensation model can compensate the gravity effectively. The difference between response curve and expected curve of gravity compensation model is analyzed, which prove that the gravity compensation model has high precision and feasibility.

Sparse principal component analysis via regularized rank-k matrix approximation
YANG Qian, LIU Hongying
2017, 43(6): 1239-1246. doi: 10.13700/j.bh.1001-5965.2016.0462
Abstract:

In calculating the sparse principal components (PCs), attaining k PCs simultaneously can reduce the accumulated error arising from the calculation process. We proposed the sparse principal component model via regularized rank-k matrix approximation and designed a block coordinate descent method (BCD-sPCA-rSVD) to solve this problem. Its main idea is to first divide variables into 2k blocks by coordinates, and then solve sub-problem with respect to each single coordinate block when keeping other 2k-1 variables fixed. By solving these sub-problems with explicit solutions recursively until the stopping criterion is satisfied, the BCD-sPCA-rSVD algorithm can be easily constructed. Its per-iteration complexity is linear in both sample size and variable dimensionality. The algorithm is convergent and easy to implement. Numerical simulation results show that the algorithm is feasible and effective when applied to real and synthetic data sets. The proposed method reduces the accumulated error and has lower computational complexity, which makes it well suited to handling large-scale problems of sparse principal component analysis.

Effect of radar signal error on automatic carrier landing control of carrier-based aircraft
YANG Baojun, LIU Gang, HONG Guanxin
2017, 43(6): 1247-1253. doi: 10.13700/j.bh.1001-5965.2016.0475
Abstract:

The effect of signal error on carrier landing during radar navigation was analyzed based on the automatic carrier landing system (ACLS) of natural carrier-based aircraft and the commissioned main guiding way of radar navigation in carrier landing. According to the components and the functions of the ACLS, the system and the environment of the whole carrier landing simulation were established, and three different kinds of radar error including testing value, delay time and noise were taken into simulation in order to simulate the landing conditions with error. The results were proved correct due to the calculation of carrier landing success rate which became lower as the absolute value of error increased. This method analyzes the effect degree of radar signal error quantitatively, which not only contributes to the study of carrier landing theory, but also possesses guiding significance for engineering design and application.

Availability evaluation of PBN and ADS-B application for BDS/GPS combined H-ARAIM
GE Yishan, WANG Zhipeng
2017, 43(6): 1254-1263. doi: 10.13700/j.bh.1001-5965.2016.0477
Abstract:

Horizontal-advanced receiver autonomous integrity monitoring (H-ARAIM) is a new type of airborne autonomous satellite navigation integrity monitoring technology developed in the United States and Europe. In view of performance based navigation (PBN) and automatic dependent surveillance-broadcast (ADS-B) application methods of H-ARAIM and based on the global position system (GPS) and our own BeiDou navigation satellite system (BDS) combination system, different constellation/satellite failure probabilities, different satellite clock and ephemeris error configurations and different constellation configurations have been considered, and then the availability of PBN and ADS-B of H-ARAIM was assessed. The results show that the change of constellation/satellite failure probability has little impact on the results of horizontal protection level (HPL), which is less than 0.1%. Both PBN and ADS-B can achieve 100% availability globally. The change of satellite clock and ephemeris configuration can lead to large variation of HPL with the maximum reaching 20 m. But there is no significant influence on PBN and ADS-B availability. Different constellation configurations have significant impact on average 99.9%HPL of the Asia-Pacific region and the world, as well as PBN and ADS-B availability. Variations in HPL reach 32 m. Availability varies with different constellation configurations, and the worst can be reduced to 96%. The results obtained can provide a solid theoretical reference and reliable technical support for the application of BeiDou civil aviation.

Application of GO-FLOW methodology in reliability analysis of aircraft EHA
LAN Xue, DUAN Fuhai, SANG Yong
2017, 43(6): 1264-1270. doi: 10.13700/j.bh.1001-5965.2016.0444
Abstract:

The GO-FLOW methodology is applied in the reliability analysis of aircraft electro-hydrostatic actuator (EHA). Firstly, based on the reasonable division of unit function, GO-FLOW reliability analysis model of EHA was established. In order to solve the difficult problem that GO-FLOW chart cannot contain feedback loops, Boolean algebra was used to solve the Boolean equations that describe the feedback loops. Secondly, the GO-FLOW calculation was finished and the system reliability at each time point was obtained. Thirdly, compared with the results of GO methodology, the feasibility and accuracy of GO-FLOW methodology were clearly verified. Finally, the system reliability changing rule with time was obtained through the MATLAB curve fitting so that the system can be repaired and maintained timely. The results show that the GO-FLOW methodology can easily obtain the system reliability at each time point with only one operation and has more advantages than GO methodology in reducing computational complexity.

Simulation and test verification of piezoelectric cantilever vibration energy harvester
SI Jianhang, DAI Yuting, YANG Song, WANG Chaolei, WANG Ruoqin, YANG Chao
2017, 43(6): 1271-1277. doi: 10.13700/j.bh.1001-5965.2016.0416
Abstract:

Piezoelectric ceramic vibration energy harvester has attracted great attention for its simple structure, environment protection, easy miniaturization and other advantages. According to piezoelectric effect, a double-coupled distributed parameter model was established using mode method by combination of electromechanical theory and structural dynamics theory. Simulation analysis of effect of excitation frequency and load on output voltage of piezoelectric energy harvester was performed. Al-cantilever energy harvester was made to perform ground vibration and energy harvesting test. The experimental results are in good agreement with the numerical simulation, which verifies the correctness of theoretical modeling. Experimental results show that the max voltage output of a single piezoelectric patch is 73 V/N.

Temperature rise characteristic of lithium battery integrated thermal management system combining phase change materials with air cooling
SHI Shang, YU Jianzu, XIE Yongqi, GAO Hongxia, LI Ming
2017, 43(6): 1278-1286. doi: 10.13700/j.bh.1001-5965.2016.0831
Abstract:

A large amount of heat inside the lithium battery must be dissipated to ensure the safety of the battery by using high efficiency thermal management system (TMS) at high charging/discharging rates. A newly designed TMS integrating phase change material with air cooling was designed and its temperature rise characteristic was investigated theoretically and experimentally. Based on the lumped parameter method and the heat transfer mechanism, the mathematical models of temperature rise and heat generation power were developed for the battery. The battery heat generation power was calculated. The key parameters of ambient temperature, initial temperature, phase change temperature, convective resistance and conductive resistance between the battery and the phase change material affecting the performance of the integrated TMS were analyzed. The results indicate that the performance of the integrated TMS is superior to the pure air cooling system. In the non-steady process of temperature rise during charging and discharging, the higher initial temperature easily causes the battery to exceed the safe temperature. The mathematical model of the battery temperature field can accurately describe the battery temperature rise characteristic. At high ambient temperature, the maximum temperature rise of battery declined, but it may cause the maximum temperature to exceed the safe temperature. The higher phase change temperature is, the lower battery maximum temperature rise is. Reducing conductive resistance or convective resistance can significantly improve the performance of the TMS.