Volume 44 Issue 11
Nov.  2018
Turn off MathJax
Article Contents
JIANG Yu, XU Cheng, CAI Mengting, et al. Joint scheduling of both taxiway and gate re-assignment based on bi-level programming model[J]. Journal of Beijing University of Aeronautics and Astronautics, 2018, 44(11): 2437-2443. doi: 10.13700/j.bh.1001-5965.2018.0123(in Chinese)
Citation: JIANG Yu, XU Cheng, CAI Mengting, et al. Joint scheduling of both taxiway and gate re-assignment based on bi-level programming model[J]. Journal of Beijing University of Aeronautics and Astronautics, 2018, 44(11): 2437-2443. doi: 10.13700/j.bh.1001-5965.2018.0123(in Chinese)

Joint scheduling of both taxiway and gate re-assignment based on bi-level programming model

doi: 10.13700/j.bh.1001-5965.2018.0123
Funds:

National Natural Science Foundation of China U1333117

More Information
  • Corresponding author: JIANG Yu, E-mail:jiangyu07@nuaa.edu.cn
  • Received Date: 12 Mar 2018
  • Accepted Date: 20 Apr 2018
  • Publish Date: 20 Nov 2018
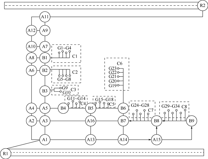
  • With the rapid development of air transport industry, the growing demands of air traffic put forward higher requirements for airport operation efficiency. To improve the surface efficiency, a bi-level programming model with taxiing scheduling model as upper model and gate re-assignment model as lower model is established based on the analysis of the operating mechanism of the airport surface. The genetic algorithm is designed to solve the model. The proposed model is tested by simulation based on the real data of a major domestic airport. Gate re-assignment is carried out firstly and then scheduling taxiway in the manually strategy. The results show that, compared with the manually shceduling strategy that gate re-assignment is carried out first and then taxiway is scheduled, the disturbance value of gate is reduced by 26.3% and the total taxiing time is reduced by 24.79% with the proposed bi-level programming strategy. The operation efficiency of taxiway system and gate system are both improved. The joint scheduling strategy described in this article further improves the operation efficiency of the airport surface. It can provide theoretical guidance for the actual operation of the airport.

     

  • loading
  • [1]
    NEUMAN U M, ATKIN J A D.Airport gate assignment considering ground movement[M]//Computational Logistics.Berlin:Springer, 2013:184-198.
    [2]
    BEHRENDS J A, USHER J M.Aircraft gate assignment:Using a deterministic approach for integrating freight movement and aircraft taxiing[J].Computers & Industrial Engineering, 2016, 102(5):44-57.
    [3]
    MURCA M C R.A robust optimization approach for airport departure metering under uncertain taxi-out time predictions[J].Aerospace Science & Technology, 2017, 68(9):269-277.
    [4]
    GUEPET J, BRIANT O, GAYON J P, et al.Integration of aircraft ground movements and runway operations[J].Transportation Research Part E Logistics & Transportation Review, 2017, 104(8):131-149.
    [5]
    WANG J, SHORTLR J F, WANG J, et al.Analysis of gate-waiting delays at major US airports[C]//9th AIAA Aviation Technology, Integration, and Operations Conference(ATIO)and AIAA/AAAF Aircraft Noise and Emissions Reduction Symposium(ANERS).Reston: AIAA, 2009: 1-20.
    [6]
    QIN Q, YU H.A statistic analysis of flight delays of major US airports:Illustrated by the example of the JFK airport[M].Berlin:Springer, 2015:469-474.
    [7]
    STEFAN R, JASON A D, EDMUND K B.A more realistic approach for airport ground movement optimisation with stand holding[J].Journal of Scheduling, 2014, 17(5):507-520. doi: 10.1007/s10951-013-0323-3
    [8]
    SIMAIAKIS I, KHADILKAR H, BALAKRISHNAN H, et al.Demonstration of reduced airport congestion through pushback rate control[J].Transportation Research Part A Policy & Practice, 2014, 66(1):251-267.
    [9]
    LEE H.Airport surface traffic optimization and simulation in the presence of uncertainties[D].Boston: Massachusetts Institute of Technology, 2010.
    [10]
    CLARE G, RICHARDS A G.Optimization of taxiway routing and runway scheduling[J].IEEE Transactions on Intelligent Transportation Systems, 2011, 12(4):1000-1013. doi: 10.1109/TITS.2011.2131650
    [11]
    杨磊.机场场面运行优化技术研究[D].南京: 南京亚洲成人在线一二三四五六区, 2012.

    YANG L.Research on optimization techniques of airport surface operation[D].Nanjing: Nanjing University of Aeronautics and Astronautics, 2012(in Chinese).
    [12]
    冯程.机场场面运行优化及容量评估技术研究[D].南京: 南京亚洲成人在线一二三四五六区, 2013.

    FENG C.Research on optimization techniques of airport surface operation and capacity evaluation[D].Nanjing: Nanjing University of Aeronautics and Astronautics, 2013(in Chinese).
    [13]
    MALIK W, GUPTA G, JUNG Y.Managing departure aircraft release for efficient airport surface operations[J].Journal of Air Transport Management, 2013, 46(3):406-422. doi: 10.2514/6.2010-7696
    [14]
    YU C, ZHANG D, LAU H Y K H, et al.A heuristic approach for solving an integrated gate reassignment and taxi scheduling problem[J].Journal of Air Transport Management, 2017, 62(1):189-196.
    [15]
    徐涛, 曾进进, 吕宗磊.基于CPN Tools的机场主要资源调度研究[J].中国民航大学学报, 2013, 31(2):36-39. doi: 10.3969/j.issn.1674-5590.2013.02.008

    XU T, ZENG J J, LU Z L.Study on scheduling of main resources in airport based on CPN Tools[J].Journal of Civil Cviation University of China, 2013, 31(2):36-39(in Chinese). doi: 10.3969/j.issn.1674-5590.2013.02.008
    [16]
    汤淼.基于MAS(Multi-agent System)的机场空侧管制运行仿真系统研究[D].南京: 南京亚洲成人在线一二三四五六区, 2016.

    TANG M.Research on simulation system of airport airside operation based on MAS (Multi-agent System)[D].Nanjing: Nanjing University of Aeronautics and Astronautics, 2016(in Chinese).
  • 加载中

Catalog

    通讯作者: 陈斌, bchen63@163.com
    • 1. 

      沈阳化工大学材料科学与工程学院 沈阳 110142

    1. 本站搜索
    2. 百度学术搜索
    3. 万方数据库搜索
    4. CNKI搜索

    Figures(7)  / Tables(5)

    Article Metrics

    Article views(974) PDF downloads(472) Cited by()
    Proportional views
    Related

    /

    DownLoad:  Full-Size Img  PowerPoint
    Return
    Return