Volume 43 Issue 10
Oct.  2017
Turn off MathJax
Article Contents
YUE Huijun, ZHANG Yao, LI Hongbiao, et al. Transmission gear vibration mechanism and modification method for vibration and noise reduction[J]. Journal of Beijing University of Aeronautics and Astronautics, 2017, 43(10): 2003-2010. doi: 10.13700/j.bh.1001-5965.2016.0814(in Chinese)
Citation: YUE Huijun, ZHANG Yao, LI Hongbiao, et al. Transmission gear vibration mechanism and modification method for vibration and noise reduction[J]. Journal of Beijing University of Aeronautics and Astronautics, 2017, 43(10): 2003-2010. doi: 10.13700/j.bh.1001-5965.2016.0814(in Chinese)

Transmission gear vibration mechanism and modification method for vibration and noise reduction

doi: 10.13700/j.bh.1001-5965.2016.0814
Funds:

National Key Technology Research and Development Program of China 2011BAG09B00

More Information
  • Corresponding author: YUE Huijun, E-mail: yuehuijun87@sina.com
  • Received Date: 19 Oct 2016
  • Accepted Date: 11 Nov 2016
  • Publish Date: 20 Oct 2017
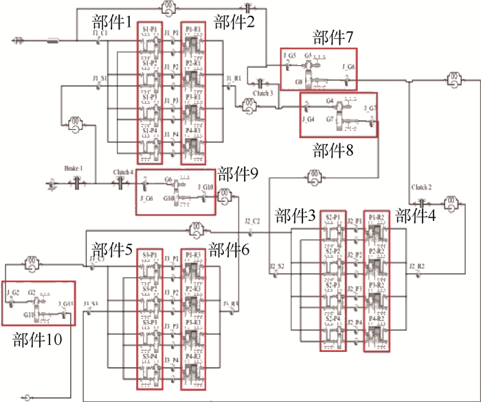
  • This paper discusses the vibration mechanism of gear transmission and modification methods to reduce vibration and noise with a specific automatic transmission as the research object. Using SimulationX and test methods, the gears that have the most contribution to system vibration can be found. The internal excitation of the helical gear was analyzed with the method of finite element simulation, including transmission errors, contact spots, meshing impact and thermo-elastic deformation. Considering the minimum fluctuation amplitude of the transmission errors, meshing impact elimination and the optimal contact status as a comprehensive objective, the optimal gear modification was obtained after comparison with plenty of simulation results. Based on the test results after modification, it is verified that the proposed modification scheme can optimize the transmission status and further effectively reduce the vibration and noise of transmission.

     

  • loading
  • [1]
    KAHRAMAN A.Free torsional vibration characteristics of compound planetary gear sets[J]. Mechanism and Machine Theory, 2001, 36(8):953-971. doi: 10.1016/S0094-114X(01)00033-7
    [2]
    方源, 章桐, 于蓬, 等.电动车动力总成内部激励的研究分析[J].振动、测试与诊断, 2014, 34(3):496-502. http://www.cnki.com.cn/Article/CJFDTOTAL-ZDCS201403016.htm

    FANG Y, ZHANG T, YU P, et al.Research and analysis of the internal excitations of electric powertrain[J]. Journal of Vibration, Measurement & Diagnosis, 2014, 34(3):496-502(in Chinese). http://www.cnki.com.cn/Article/CJFDTOTAL-ZDCS201403016.htm
    [3]
    刘辉, 蔡仲昌, 项昌乐.发动机激励下行星传动非线性啮合力特性[J].振动、测试与诊断, 2014, 34(1):83-89. http://www.cnki.com.cn/Article/CJFDTOTAL-ZDCS201401022.htm

    LIU H, CAI Z C, XIANG C L.Study on nonlinear meshing force dynamic behavior of planetary gears on engine excitation[J]. Journal of Vibration, Measurement & Diagnosis, 2014, 34(1):83-89(in Chinese). http://www.cnki.com.cn/Article/CJFDTOTAL-ZDCS201401022.htm
    [4]
    DUDLEY D W.Gear handbook[M]. New York:McGraw-Hill Co., 1962:6-22.
    [5]
    周延泽, 吴继泽.直齿锥齿轮齿根应力的有限元分析[J].北京亚洲成人在线一二三四五六区学报, 1996, 22(1):88-93. http://www.cnki.com.cn/Article/CJFDTOTAL-BJHK601.018.htm

    ZHOU Y Z, WU J Z.Finite element analysis of tooth root stress of straight bevel gear[J]. Journal of Beijng University of Aeronautics and Astronautics, 1996, 22(1):88-93(in Chinese). http://www.cnki.com.cn/Article/CJFDTOTAL-BJHK601.018.htm
    [6]
    PARK S J, YOO W S.Deformation overlap in the design of spur and helical gear pair[J]. Finite Elements in Analysis and Design, 2004, 40(11):1361-1378. doi: 10.1016/j.finel.2003.10.003
    [7]
    HARRIS S L.Dynamic loads on the teeth of spur gears[J]. Proceedings of Institution of Mechanical Engineers, 1958, 172(1):87-112. doi: 10.1243/PIME_PROC_1958_172_017_02
    [8]
    SMITH R E.Single-flank testing of gears[J]. Gear Technology, 2004, 21(3):18-21.
    [9]
    KIRACOFE D R, PARKER R G.Structured vibration modes of general compound gear systems[J]. Journal of Vibration and Acoustics Transactions of the ASME, 2007, 129(1):1-16. doi: 10.1115/1.2345680
    [10]
    BLOK H.The dissipation of frictional heat[J]. Applied Scientific Research, 1955, 5(2-3):151-181. doi: 10.1007/BF03184615
    [11]
    BLOK H.The thermal-network method for predicting bulk temperature in gear transmission[M]. New York:Wiley, 1969:11-30.
    [12]
    VAN HEIJNINGEN G J J, BLOK H.Continuous as against intermittent fling-off cooling of gear teeth[J]. ASME Journal of Lubrication Technology, 1974, 96(4):529-538. doi: 10.1115/1.3452476
    [13]
    TERAUCHI Y, NAGAMURA K. 圆柱直齿轮轮齿的变形计算和齿廓修形[J]. 李德滋, 译. 齿轮, 1984, 8(3): 42-48.

    TERAUCHI Y, NAGAMURA K.On tooth deflection calculation and profile modification of spur gear tooth[J]. LI D Z, translated.Journal of Mechanical Transmission, 1984, 8(3):42-48(in Chinese).
    [14]
    SIGGN.Tooth profile modification of high speed duty gear[C]//Proceedings of International Conference on Gearing.New York:McGraw-Hill Co., 1958:313-316.
    [15]
    DUDLEYB W.Hand book of practical gear design[M]. New York:McGraw-Hill Co., 1984:193-235.
    [16]
    高维金, 王亮, 刘永光.箱式动力结构的振动传递特性分析[J].北京亚洲成人在线一二三四五六区学报, 2015, 41(3):509-516.

    GAO W J, WANG L, LIU Y G.Analysis on vibration transmission characteristics of box-like power structure[J]. Journal of Beijng University of Aeronautics and Astronautics, 2015, 41(3):509-516(in Chinese).
  • 加载中

Catalog

    通讯作者: 陈斌, bchen63@163.com
    • 1. 

      沈阳化工大学材料科学与工程学院 沈阳 110142

    1. 本站搜索
    2. 百度学术搜索
    3. 万方数据库搜索
    4. CNKI搜索

    Figures(18)  / Tables(5)

    Article Metrics

    Article views(1372) PDF downloads(479) Cited by()
    Proportional views
    Related

    /

    DownLoad:  Full-Size Img  PowerPoint
    Return
    Return