Volume 43 Issue 2
Feb.  2017
Turn off MathJax
Article Contents
QI Haitao, TENG Yating. Force equalization control for dual-redundancy electro-hydrostatic actuator[J]. Journal of Beijing University of Aeronautics and Astronautics, 2017, 43(2): 270-276. doi: 10.13700/j.bh.1001-5965.2016.0133(in Chinese)
Citation: QI Haitao, TENG Yating. Force equalization control for dual-redundancy electro-hydrostatic actuator[J]. Journal of Beijing University of Aeronautics and Astronautics, 2017, 43(2): 270-276. doi: 10.13700/j.bh.1001-5965.2016.0133(in Chinese)

Force equalization control for dual-redundancy electro-hydrostatic actuator

doi: 10.13700/j.bh.1001-5965.2016.0133
Funds:

Aeronautical Science Foundation of China 20132851033

More Information
  • Corresponding author: QI Haitao,E-mail:qihaitao@cqjj8.com
  • Received Date: 19 Feb 2016
  • Accepted Date: 18 Mar 2016
  • Publish Date: 20 Feb 2017
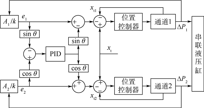
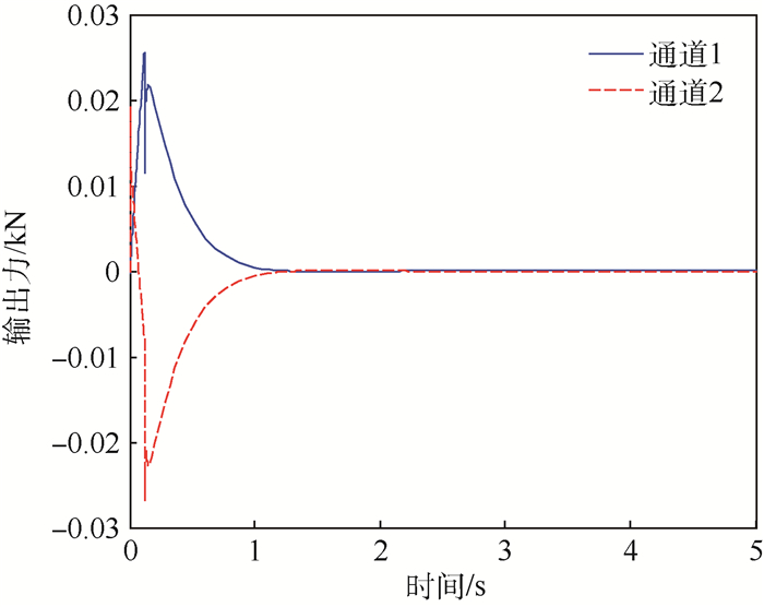
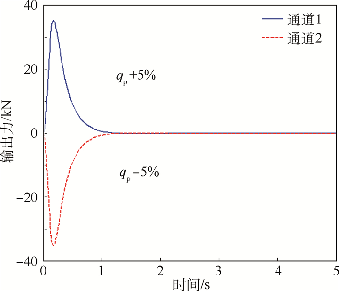
  • With the development of key technologies about more/all electric aircraft, electro-hydrostatic actuator (EHA) is widely applied in aircraft actuation system. Dual-redundancy electro-hydrostatic actuator (DREHA) is easy to realize effortless redundancy design, and improve the reliability of its use in aircraft. The structure of a novel DREHA is presented, and then the working principle and the intrinsic force fighting phenomenon are analyzed. Ideally, the force fighting disappears by flow compensation. Simulating model cannot be identical with the actual DREHA system completely, so the parameter error is set factitiously in model, and a big force fighting is observed again. Aimed at the phenomenon of force fighting, force difference compensation control and cross-coupling control are proposed to eliminate force fighting based on the pressure of two channels. The results of co-simulation based on MATLAB and AMESim indicate that the controller designed to eliminate force fighting can strongly decrease the amplitude of force fighting and improve the system response speed greatly.

     

  • loading
  • [1]
    付永领,祁晓野,王锴,等.多电飞机的关键技术[C]//中国航空学会控制与应用第十二届学术年会,2006.

    FU Y L,QI X Y,WANG K,et al.The key technology of more electric aircraft[C]//The 12th Annual Seminar of Technical Committee on Control and Application,2006(in Chinese).
    [2]
    王占林.近代电气液压伺服控制[M].北京:北京亚洲成人在线一二三四五六区出版社,2005:82-97.

    WANG Z L.Modern electric hydraulic servo control[M].Beijing:Beihang University Press,2005:82-97(in Chinese).
    [3]
    王占林,陈斌.未来飞机液压系统的特性[J].中国工程科学,1999,1(3):5-10. http://www.cnki.com.cn/Article/CJFDTOTAL-GCKX199903001.htm

    WANG Z L,CHEN B.Characters of future aircraft hydraulic system[J].Engineering Science,1999,1(3):5-10(in Chinese). http://www.cnki.com.cn/Article/CJFDTOTAL-GCKX199903001.htm
    [4]
    QI H T,TENG Y T,LIU Z L,et al.Modelling and simulation of a novel dual-redundancy electro-hydrostatic actuator[C]//2015 IEEE International Conference on Fluid Power and Mechatronics.Piscataway,NJ:IEEE Press,2015:270-275.
    [5]
    范殿梁,付永领,郭彦青,等.非相似余度作动系统动态力均衡控制策略[J].北京亚洲成人在线一二三四五六区学报,2015,41(2):234-240.

    FAN D L,FU Y L,GUO Y Q,et al.Dynamic force equalization for dissimilar redundant actuator system[J].Journal of Beijing University of Aeronautics and Astronautic,2015,41(2):234-240(in Chinese).
    [6]
    付永领,范殿梁,李祝锋.非相似余度作动系统静态力均衡控制策略[J].北京亚洲成人在线一二三四五六区学报,2014,40(11):1492-1499.

    FU Y L,FAN D L,LI Z F.Static force equalization for dissimilar redundant actuator system[J].Journal of Beijing University of Aeronautics and Astronautics,2014,40(11):1492-1499(in Chinese).
    [7]
    LI J,FU Y L,GAO B,et al.Force balancing control of multi-electro-hydrostatic actuators for aircraft[C]//Proceedings of the 6th International Conference on Fluid Power Transmission and Control.Hongkong:International Academic Publishers,2005:9-13.
    [8]
    付永领,庞尧,刘和松,等.非相似余度作动系统设计及工作模式分析[J].北京亚洲成人在线一二三四五六区学报,2012,38(4):432-437.

    FU Y L,PANG Y,LIU H S,et al.Design and working mode analysis of dissimilar redundant actuator system[J].Journal of Beijing University of Aeronautics and Astronautics,2012,38(4):432-437(in Chinese).
    [9]
    付永领,齐海涛,王利剑,等.混合作动系统的工作模式研究[J].航空学报,2010,31(6):1177-1184. http://www.cnki.com.cn/Article/CJFDTOTAL-HKXB201006012.htm

    FU Y L,QI H T,WANG L J,et al.Research on operating modes in hybrid actuation system[J].Acta Aeronautica et Astronautica Sinica,2010,31(6):1177-1184(in Chinese). http://www.cnki.com.cn/Article/CJFDTOTAL-HKXB201006012.htm
    [10]
    QI H T,FU Y L,QI X Y,et al.Architecture optimization of more electric aircraft actuation system[J].Chinese Journal of Aeronautics,2011,24(4):506-513. doi: 10.1016/S1000-9361(11)60058-7
    [11]
    齐海涛.多电飞机作动系统体系结构及EHA作动器研究[D].北京:北京亚洲成人在线一二三四五六区,2009:41-59.

    QI H T.Research on actuation system architecture of more electric aircraft and electro-hydrostatic actuator (EHA)[D].Beijing:Beihang University,2009:41-59(in Chinese).
    [12]
    庞尧.功率电传混合作动系统关键技术研究[D].北京:北京亚洲成人在线一二三四五六区,2012:31-40.

    PANG Y.Study on crucial technology of power-by-wire hybrid redundant actuation system[D].Beijing:Beihang University,2012:31-40(in Chinese).
    [13]
    FU Y L,PANG Y,LIU H S,et al.Force fighting research of dual redundant hydraulic actuation system[C]//2010 IEEE International Conference on Intelligent System Design and Engineering Application.Piscataway,NJ:IEEE Press,2010:762-766.
    [14]
    QI H T,MARE J C,FU Y L.Force equalization in hybrid actuation systems[C]//Proceedings of the 7th International Conference on Fluid Power Transmission and Control.Beijing:World Publishing Corporation,2009:342-348.
    [15]
    TRUONG D Q,KWAN A K.A study on parallel force/position control applied to hybrid electro-hydrostatic actuators[C]//ICCAS-SICE,2009.Piscataway,NJ:IEEE Press,2009:3009-3014.
    [16]
    TRUONG D Q,AHN K K.Self-tuning quantitative feedback theory for parallel force/position control of electro-hydrostatic actuators[J].Proceedings of the Institution of Mechanical Engineers,Part I:Journal of Systems and Control Engineering,2009,223(4):537-556. doi: 10.1243/09596518JSCE700
  • 加载中

Catalog

    通讯作者: 陈斌, bchen63@163.com
    • 1. 

      沈阳化工大学材料科学与工程学院 沈阳 110142

    1. 本站搜索
    2. 百度学术搜索
    3. 万方数据库搜索
    4. CNKI搜索

    Figures(9)  / Tables(1)

    Article Metrics

    Article views(1261) PDF downloads(621) Cited by()
    Proportional views
    Related

    /

    DownLoad:  Full-Size Img  PowerPoint
    Return
    Return