2020 Vol. 46, No. 6

Display Method:
Volume 46 Issue62020
iconDownload (38643) 818 iconPreview
EEG based amplitude-modulated auditory steady-state response and auditory selective attention analysis
ZHENG Dezhi, JIA Hongru, JIANG Fengmin, ZHU Meiyi, NA Rui, ZHANG Shuailei
2020, 46(6): 1045-1052. doi: 10.13700/j.bh.1001-5965.2019.0381
Abstract:

Patients with atresia cannot control eye movement independently, and cannot use visual Brain-Computer Interface (BCI) to realize consciousness communication. The technology of auditory BCI is not restricted by vision. It is of great significance to realize the consciousness communication of such patients. Firstly, the response characteristics of different subjects to auditory evoked stimuli with amplitude modulation frequency change were studied to obtain the amplitude-frequency characteristics of auditory passband. Based on the auditory passband frequency characteristics of subjects, a new auditory selective attention paradigm was designed. The stimulus frequency with stronger response amplitude was selected as the stimulus frequency of subjects. An improved spatial coherence Electroencephalogram (EEG) signal resolution method was proposed, which improves algorithm robustness and achieves higher classification accuracy. The two-class classification was realized through attention selection. In this paper, the frequency characteristics of the auditory passband of different subjects were accessed, and the auditory amplitude-frequency characteristic curves of the human brain in the frequency range of 35-94 Hz are obtained. It was found that the response amplitude is the strongest in the frequency range of 35-44 Hz. By using the improved spatial coherence algorithm, the proposed experimental paradigm based on the passband characteristics and the fixed frequencies experimental paradigm for three subjects were compared and tested. The results show that the proposed experimental paradigm and the improved spatial coherence algorithm achieve higher accuracy.

Path following and obstacle avoidance control of AUV based on MPC guidance law
YAO Xuliang, WANG Xiaowei
2020, 46(6): 1053-1062. doi: 10.13700/j.bh.1001-5965.2019.0413
Abstract:

In order to realize the three-dimensional straight path following and obstacle avoidance control of underactuated Autonomous Underwater Vehicle (AUV), a new control method including kinematic and dynamic controller is presented based on cascade control strategy. First, the constraints of pitch and yaw angular velocities are considered in the design of kinematic controller, and the optimal guidance law is designed by using Model Predictive Control (MPC). Then, the rotation speed of thruster and the saturation of rudder angle are considered in the design of dynamic controller, and the dynamic controller is designed based on the Sliding Mode Control (SMC) technology to ensure the robustness of the system. Finally, the performance of the proposed control algorithm is compared with the performance of traditional control method based on Line-Of-Sight (LOS) guidance law by simulation experiment. The simulation results demonstrate that the proposed algorithm can not only improve the three-dimensional straight path tracking effect of underactuated AUV, but also reduce the saturation of rudder angle effectively.

Stable control of MSCMG rotor based on feedback linearization
TANG Jiqiang, WEI Tongkun, NING Mengyue, CUI Xu
2020, 46(6): 1063-1072. doi: 10.13700/j.bh.1001-5965.2019.0401
Abstract:

The stable suspension of the Magnetically Suspended Control Moment Gyro (MSCMG) rotor is the key to achieve high-precise and large-moment output for gyro. Aimed at the problems of the rotor radial tilt coupling, nonlinear parameter perturbation and moving-gimbal effects that affect the rotor stable suspension, the rotor dynamics model is established and an enhanced internal model control method based on feedback linearization is proposed. The feedback linearization method is used to decouple the radial tilt motion and linearize the rotor dynamics model. The enhanced internal model control is designed to compensate the nonlinear parameter perturbation, suppress moving-gimbal effects and improve stability of the rotor system. MATLAB simulation results show that the proposed control method can decouple rotor tilt motion completely. Compared with the PID control, the proposed method can effectively suppress the influence of parameter perturbation on rotor radial translation. For rotor radial tilt, the proposed method can effectively suppress moving-gimbal effects and improve system control precision compared with PID cross control.

Method for screening fine water mist additive based on temperature drop index of lithium-ion battery
ZHANG Qingsong, LUO Xingna, CHENG Xiangjing, BAI Wei
2020, 46(6): 1073-1079. doi: 10.13700/j.bh.1001-5965.2019.0362
Abstract:

In order to compare the effect of fine water mist additive on controlling thermal runaway Domino effect of lithium-ion batteries, the temperature drop index model of lithium-ion battery and its test method are proposed. The self-designed thermal runaway experiment platform of lithium-ion battery was used to conduct the Domino effect suppression experiment of fine water mist containing different additives, determine the temperature drop index after the action of each additive, and analyze the action mechanism of each additive. The results show that the temperature drop index increases obviously after adding the additive, which indicates that the additive can significantly improve the thermal uncontrolled continuous propagation effect of fine water mist. The inhibitory effect of inorganic salt additives is higher than that of surfactant additives, which mainly enhances the chemical fire extinguishing effect of fine water mist. Further comparison of the temperature drop index shows that the effect of fine water mist suppression is the best after NH4H2PO4 is added. The temperature drop index was used to evaluate the thermal runaway domino effect suppression of fine water mist additive, which provides a theoretical basis for screening fine water mist additive fire extinguishing agent.

Experimental research on aerodynamic force effect of multiple plumes based on pressure-sensitive paint technique
WU Jing, CAI Guobiao
2020, 46(6): 1080-1088. doi: 10.13700/j.bh.1001-5965.2019.0419
Abstract:

The interaction of multiple plumes may cause interacted plumes with complex flow field. To experimentally study the aerodynamic force effects of interacted plumes, an optical measurement technique for surface pressure based on Pressure-Sensitive Paint (PSP) was employed to globally measure the aerodynamic force of a plate model impinged by single-and dual-nozzle plumes which used normal-temperature air as the working gas with high resolution. The strength and region of the aerodynamic force under different distances and angles between the nozzles and the plate were analyzed. The experimental results show that PSP using poly(TMSP) as the binder and PtTFPP as the luminophore exhibits fast response and can distinguish tiny pressure variation of Pa level in the plume aerodynamic force measurement. Compared to the conventional method based on discrete pressure taps, PSP is low temperature-dependent, is capable of measuring large pressure gradient, and can accurately describe the aerodynamic force effect of plume. It is found that the aerodynamic force is significantly enhanced by the interacted plumes, and the enhancement effect decreases as the incident distance reduces. The aerodynamic force of the interacted plumes cannot be directly superimposed by those of single plumes linearly. Plume interaction enhances the backflow intensity, and thus the plume shield after multi-plume interaction should be taken into account in spacecraft design.

A method for GNSS-IR soil moisture inversion based on GPS multi-satellite and triple-frequency data fusion
SUN Bo, LIANG Yong, HAN Mutian, YANG Lei, JING Lili, HONG Xuebao
2020, 46(6): 1089-1096. doi: 10.13700/j.bh.1001-5965.2019.0396
Abstract:

Soil moisture monitoring is one of the key applications of Global Navigation Satellite System Interferometry and Reflectometry (GNSS-IR). Traditional GNSS-IR soil moisture inversion methods generally utilize only one frequency of single satellite, which lose the opportunities of taking full advantages of difference and complementarity of satellite signals with different orbits and frequencies. To solve this problem, this paper proposes a joint inversion method with weighting fusions of the L1, L2 and L5 frequency band data of GPS multi-satellite. In this method, the weighting factor is determined by an adaptive fusion algorithm based on the minimum variance. Field experiment is performed for verification. The results show that, compared with traditional Larson method on the test set, the correlation coefficient and the root-mean-square error of the inversion method proposed in this paper are 24.69% higher and 22.28% lower respectively, and meanwhile compared with the fusion method of the mean value method, the correlation coefficient and the root-mean-square error are 26.77% higher and 23.26% lower respectively. Experimental results prove that the proposed method can effectively improve the inversion accuracy.

Tactical activity recognition model and online accurate inference based on CIDBN
GUO Haifeng, LIU Hongqiang, ZHUANG Yanlong, YANG Haiyan
2020, 46(6): 1097-1107. doi: 10.13700/j.bh.1001-5965.2019.0399
Abstract:

Tactical activity recognition is an important research content of battlefield situational awareness. In order to improve the accuracy and real-time of tactical activity recognition, a tactical activity recognition model and online accurate reasoning based on Context-Independent Dynamic Bayesian Network (CIDBN) are put forward. Based on the analysis of tactical activity mechanism and Dynamic Bayesian Network (DBN) theory, an initial tactical activity recognition model is established. In this model, threat index nodes are introduced to influence the termination and selection of activities, and the fuzzy membership function is used to discretize the continuous variables. The model is simplified based on the relationship of context independence, and the new tactical activity recognition model based on CIDBN is obtained. The interface algorithm is extended to the model and an online accurate reasoning algorithm is proposed. The simulation results show that the proposed tactical activity recognition method has the advantages of high recognition accuracy, low uncertainty and high real-time performance.

Numerical simulation of parafoil inflation process based on fluid-structure interaction method
ZHANG Siyu, YU Li, LIU Xin
2020, 46(6): 1108-1115. doi: 10.13700/j.bh.1001-5965.2019.0408
Abstract:

To study the fluid-structure interaction dynamic characteristics of rammed parafoil during inflating process, a folding model of rammed parafoil with multi-chamber was established based on the theory of free form deformation. The time-step updating technique was used to make fluid field move with the movement of the parafoil system. The nonlinear dynamics numerical calculation was carried out with Arbitrary Lagrange-Euler (ALE) method during the unsteady parafoil inflation process. The numerical results are in good agreement with the airdrop test results. The three-dimensional shape and unsteady flow field distribution indicate that there exists a wake recontact phenomenon with "tip warping and central depression" due to the tip vortex during parafoil inflation process. The inflatable law of each chamber is symmetrical with respect to the central chamber. The dynamic variation law of parafoil aerodynamic characteristics is analyzed and the glide ratio is stable at 2.24 after inflation. The conclusions provide a theoretical basis for parafoil design and inflation performance prediction.

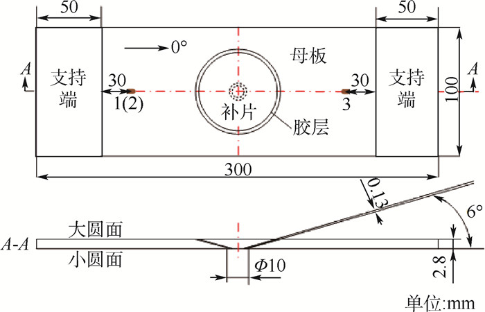
Effect of hygrothermal environment on tensile and compressive properties of CCF800/epoxy scarf-repaired laminates
ZHANG Jie, CHENG Xiaoquan, CHENG Yujia, FENG Zhenyu
2020, 46(6): 1116-1124. doi: 10.13700/j.bh.1001-5965.2019.0416
Abstract:

As the aircrafts after scarf repair may experience hygrothermal environment during its service, the effect of hygrothermal environment on tensile and compressive properties of scarf-repaired laminates was studied in this paper. The tensile and compressive properties of composite CCF800/epoxy scarf-repaired laminates in four hygrothermal environments were firstly tested. Then, corresponding finite element models of hygrothermal stress were established to explore structural hygrothermal stress distribution in different environments. Finally, the tensile and compressive property analysis models of scarf-repaired laminates in the hygrothermal environment were established to explore the effect of the hygrothermal environment on the mechanical properties of the scarf-repaired laminates. The experimental results show that the hygrothermal environment reduces the compressive bearing capacity of scarf-repaired laminates, but improves their tensile bearing capacity, which is inconsistent with the common sense. Through experimental observation and mechanism analysis, it was found that the fiber misalignment in CCF800/epoxy laminates is the main reason that the tensile properties of the scarf-repaired laminates do not decrease but rise in hygrothermal environment. Therefore, with hygrothermal environment considered, the problem of fiber misalignment needs to be paid special attention to in the production of CCF800 fiber composite materials.

Research and detection of magnetic anomaly signals of moving vehicles at different speeds
WANG Yao, SHAO Jianda, HU Guohang, LIU Xiaofeng, ZHANG Kaixin
2020, 46(6): 1125-1132. doi: 10.13700/j.bh.1001-5965.2019.0426
Abstract:

As speed increases, there is the creation of non-steady-state materials in vehicles, such as high-temperature combustion of gasoline and free charge accumulation caused by high-speed friction. These signals can not be explained by magnetic dipole model suitable to ferromagnetic materials. To solve this problem, a method combining the equivalent model of magnetic dipole and motion charge is proposed in this paper. The magnetic anomaly signals of vehicles at different speeds were calculated theoretically, their characteristics in time domain and frequency domain were analyzed, and the dependence relationship between magnetic anomaly signals and speeds was obtained. Further, a weak magnetic detection experiment device was constructed for detecting the magnetic anomaly signals of vehicles at different speeds in time domain, using the Tunnel Magnetoresistance sensor (TMR) combined with filtering, amplification and analog-digital conversion technology. The frequency-domain information was obtained using Fourier transform and the results agree with the theoretical model. In addition, the frequency-domain signal spectrum shifts to the high frequency as speed increases, which is extremely significant to extract weak magnetic target signals from low-frequency geomagnetic background field.

Periodic quasi-satellite orbits around Phobos and their injections
WU Xiaojie, WANG Yue, XU Shijie
2020, 46(6): 1133-1141. doi: 10.13700/j.bh.1001-5965.2019.0391
Abstract:

The Quasi-Satellite Orbits (QSOs) around Phobos are the most practical orbits in Phobos exploration missions due to their stability. With the planar circular restricted three-body problem model, Poincaré's surface of section and KAM tori iterations are employed to investigate the periodic QSOs. Initial conditions of periodic QSOs with different energy are determined. A method to design transfer orbits from orbits around the Mars to periodic QSOs is proposed, which propagates orbits backward from injection points on QSOs with a ΔV to somewhere away from Phobos to complete a transfer. The fuel consumption and transfer time are optimized by changing transfer parameters. It is found that when the energy of the periodic quasi-satellite orbit is in a specific interval, a specific interval of impulsive velocity exists, in which the Phobos' gravity can be used for fuel saving, and a shorter transfer time can be achieved with a small impulsive velocity.

Multi-platform cooperative task planning with decoupling optimization and circulating APF
JIA Zhengrong, LU Faxing, WANG Hangyu
2020, 46(6): 1142-1150. doi: 10.13700/j.bh.1001-5965.2019.0424
Abstract:

For better performance in cooperative task planning, a multi-platform task planning method is proposed with the high efficient Artificial Potential Field (APF) method. For the coupling problem of task assignment and path planning in task planning, two decoupling frameworks are presented, namely Decoupling with Independent path planning (ID) and Decoupling with Direct distance (DD). The objective function of task assignment is constructed considering the sum of target value, range of distance between platform and target, and sum of distance between platform and target, and is solved with genetic algorithm. By presenting circulating APF, the no-solution problem of traditional APF method caused by local-minima is avoided, and the simultaneous arrival control strategy and path confliction avoidance strategy are proposed for path planning of multi-platform simultaneous arrival. The simulation is conducted in different scenarios with coupling method, ID and DD. And the path planning results of traditional APF and circulating APF method are also compared. The results suggest that, decoupling methods can reach results close to coupling method but with less time cost than coupling method. And compared with traditional APF method, circulating APF method is characterized with better solution feasibility and path performance. For method application, it is recommended that ID method is used in big block obstacle scenarios for better precision, and DD method is used in sparse obstacle scenarios for better efficiency.

Beijing-Tianjin-Hebei carbon steel soil corrosion rate map based on BP-GIS
LI Jingyang, WANG Zhen, CHEN Yi, QI Junfeng, YANG Bin
2020, 46(6): 1151-1158. doi: 10.13700/j.bh.1001-5965.2019.0403
Abstract:

In view of the corrosion of carbon steel soil in Beijing-Tianjin-Hebei region, the prediction model for corrosion and pore corrosion in soil were developed using Back Propagation (BP) neural network. The main influencing factors were used as input parameters. According to the values of main soil corrosion influencing factors, the carbon steel soil corrosion rate was predicted. Average annual carbon steel soil corrosion rate in China was mapped based on Geographic Information System (GIS). The research shows that the average annual corrosion rate of carbon steel in Beijing-Tianjin-Hebei region is higher in the northwest and lower in the southeast in one year, and the average annual corrosion rate is basically uniformly distributed in many years. The carbon steel soil corrosion caused by pH value, total salt content, soil temperature, total nitrogen content and organic matter is more significant. The maximum average annual corrosion rate of carbon steel in 1, 3, 5 and 8 years is 6.159, 2.322, 2.614 and 3.467 g/(dm2·a).

Extended-state-observer based sliding mode control for pump-controlled electro-hydraulic servo system
GUO Xinping, WANG Chengwen, LIU Hua, ZHANG Zhenyang, JI Xinhao, ZHAO Bin
2020, 46(6): 1159-1168. doi: 10.13700/j.bh.1001-5965.2019.0418
Abstract:

A sliding mode position tracking control strategy based on extended state observer is proposed for pump-controlled electro-hydraulic servo system. The mathematical model of the system is processed by reducing order using singular perturbation theory, and the mathematical model of reduced-order pump-controlled electro-hydraulic position servo system is obtained. Aimed at the complexity of pump-controlled electro-hydraulic servo system and the disturbance of random external load, an extended state observer is designed to estimate the disturbance on-line. Besides providing the estimations of disturbances, the observer can also estimate the position and velocity of piston rod. Based on the sliding mode control theory, a sliding mode variable structure control algorithm is designed using the estimations of disturbance and speed. The stability of the proposed control strategy is analyzed. Co-simulation model of pump-controlled electro-hydraulic servo system was conducted using MATLAB/Simulink and AMESim. The feasibility and effectiveness of the algorithm are verified by co-simulation. The simulation results show that the extended state observer can accurately estimate the disturbance. The position tracking performance of the proposed extended-state-observer based sliding mode control strategy is significantly better than that of PID controller and traditional sliding mode controller, and it has strong robustness to external disturbance, which improves the control performance of the pump-controlled electro-hydraulic servo system.

Control-oriented modal analysis and dynamic modeling for six-degree-of-freedom piezoelectric vibration isolation platform
YU Shuaibiao, ZHANG Zhen, ZHOU Kemin
2020, 46(6): 1169-1176. doi: 10.13700/j.bh.1001-5965.2019.0402
Abstract:

The strong coupling between the channels of the six-degree-of-freedom piezoelectric vibration isolation platform and the inherent hysteresis nonlinearity of the piezoelectric actuator pose challenges to the system dynamic modeling. In this paper, based on modal analysis technology, the control-oriented nonlinear dynamic modeling of six-degree-of-freedom piezoelectric vibration isolation platform is studied. After fully considering the hysteresis nonlinearity of the piezoelectric actuator, the Hammerstein nonlinear dynamic model of the vibration isolation platform is established by the modal coordinate transformation method, including the hysteresis nonlinearity subsystem at the input end, the decoupled modal equations and the modal positive/inverse transformation matrix. The parameters in the modal equation are identified by experimental measurement method. The static hysteresis nonlinear subsystem of the piezoelectric actuator is obtained by MPI model. The correctness of the hysteresis model is verified by inverse compensation control experiment. The modal inverse transformation matrix is obtained based on the hysteresis inverse compensation strategy. Finally, a dynamic model of the platform was established, which laid a good foundation for subsequent control.

A roll angle estimation method using GPS based on adaptive filter
LIU Yang, LI Huaijian, DU Xiaojing
2020, 46(6): 1177-1183. doi: 10.13700/j.bh.1001-5965.2019.0414
Abstract:

The two main techniques for Global Positioning System (GPS) attitude measurement are to use GPS carrier phase and signal power, but the measurement information is single and independent. Aimed at the problem of attitude measurement of a spinning vehicle, a roll angle estimation method using GPS based on adaptive filter is proposed, which measures the roll angle and roll angular velocity by combining signal power and Doppler frequency information of GPS receiver antenna. The system model of the roll angle and roll angular velocity measurement is established by using the current statistical model, the measurements are selected according to the predicted estimation value of the roll angle, and an adaptive filter is proposed. The adaptive filter algorithm of roll angular acceleration estimation is used to realize the adaptive adjustment of the variance matrix of the system noise, which avoids the selection of the roll angle acceleration maximum value and reduces the effect of noise. The feasibility of the roll angle estimation method using GPS based on adaptive filter is verified by simulation, and the results show that the measurement accuracy of the method is higher than that of Unscented Kalman Filter (UKF).

Remote sensing image ship detection based on modified YOLO algorithm
WANG Xikun, JIANG Hongxu, LIN Keyu
2020, 46(6): 1184-1191. doi: 10.13700/j.bh.1001-5965.2019.0394
Abstract:

Although the target detection algorithm has achieved very good detection results in data sets such as PASCAL VOC.However, the accuracy of ship target detection in large-scale prediction images is very low.Therefore, according to the characteristics of the visible light reflection image, a feature mapping module is added on the basis of the YOLOv3-Tiny algorithm, which provides rich semantic information for the prediction layer.At the same time, a residual network is used in the feature extraction network, which improves the detection accuracy and effectively extracts ship features. Experimental results show that the detection accuracy of the optimized M-YOLO algorithm is 94.12%.Compared with the SSD and YOLOv3 algorithms, the detection accuracy of the M-YOLO algorithm is improved by 11.11% and 9.44%.

An object-oriented multi-scale segmentation optimization algorithm based on PCA
JIANG Chenchen, HUO Hongtao, FENG Qi
2020, 46(6): 1192-1203. doi: 10.13700/j.bh.1001-5965.2019.0398
Abstract:

Multi-scale segmentation is the basis of remote sensing images object-oriented classification. The paper proposes an object-oriented multi-scale segmentation optimization algorithm which combines dimension reduction technique with clustering algorithm aiming at the subjectivity of optimal segmentation scale determination of different regional features and the randomness of clustering center determined when using clustering algorithms. In this method, the initial clustering center is generated using the result of dimension reduction and sorting by Principal Component Analysis (PCA). Then the probability of merging each pixel is calculated by K-means clustering algorithm, so as to obtain the multi-scale segmentation results suitable for different scales in different research areas. This paper comparatively analyzes, in combination with the existing image segmentation methods and the original K-means algorithm, the K-means clustering segmentation after PCA dimension reduction, using multiple image databases, through a series of clustering evaluation indicators (internal and external evaluation indicators) and segmentation evaluation indicators (segmentation accuracy, over-segmentation rate and under-segmentation rate) to evaluate the result of different methods. The results show as follows: first, the method of the clustering algorithm after dimension reduction is more stable than the original clustering algorithm; second, compared with the traditional clustering algorithm, the PCA dimension reduction can identify the optimal segmentation scale more automatically; third, in the combination of dimension reduction technology and clustering algorithm, visual and quantitative evaluation indexes show that the clustering after dimension reduction preprocessing can get higher-quality segmentation results.

Control-aircraft state interdependent network model and characteristic analysis
LI Ang, NIE Dangmin, WEN Xiangxi, WANG Zekun
2020, 46(6): 1204-1213. doi: 10.13700/j.bh.1001-5965.2019.0400
Abstract:

The controller and aircraft are the key of the control system. They are closely related and interdependent. Analyzing the relation of them can deepen the comprehension of the control system and maintain the operation efficiency better. For this purpose, an interdependent network model coupled by aircraft state network and control network is established. In the model, aircraft state network is composed of the aircraft and their relative position. The control network is made up of the control sectors and their handover relationship. And the weights of the edges between the networks are calculated according to the control difficulty. On this basis, an artificial network is generated according to construction principle. The node degree, node weight, weighted clustering coefficient, network efficiency and network robustness of the interdependent network are analyzed. The analysis results show that the constructed interdependent network model can reflect the relationship between the controllers and the aircraft and the importance degree of the control nodes is higher than that of the aircraft nodes.

Vulnerability and defense strategy for gunship against HE munition
HU Zhengzhe, LI Xiangdong, ZHOU Lanwei, CHEN Xing
2020, 46(6): 1214-1220. doi: 10.13700/j.bh.1001-5965.2019.0427
Abstract:

In order to study the defense strategy for gunship against small caliber High-Explosive(HE) munition, the vulnerability model of gunship under the attack of small caliber HE munition was established and the vulnerable area of gunship in typical strike directions was calculated. The bottom of the gunship was divided into several regions and the defense effectiveness of these regions was calculated.According to the calculation results, the vulnerable area of gunship attacked from the lower-right back direction is 6.97 m2, which exhibits the highest vulnerability. Considering the shape of the gunship, its bottom and sides need to be defended on the top of priority. The defense effectiveness of the two regions that contain front and back fuel tanks is higher than 50%, which means that these regions should be priorly defended if the mass of armor is limited. Adding the clapboard between the mainbody and the tail of the gunship can prevent the fragments spreading in the lateral direction after explosion of projectile, which leads to the defense effectiveness improving from 2.93% to 11.07%, compared with direct defense of the tail region of gunship.

Multicomponent LFM signal detection and parameter estimation method based on FRFT
SONG Yaohui, HUANG Yangchao, ZHANG Hengyang, QIN Zhikang, GAO Weiting
2020, 46(6): 1221-1228. doi: 10.13700/j.bh.1001-5965.2019.0430
Abstract:

Aimed at the low searching efficiency of traditional methods, this paper, using aimed searching strategy, proposes a fast and accurate algorithm for detecting and estimating multicomponent Linear Frequency Modulation (LFM) signal parameters.The approximate relation between the power spectrum width and rotation angle of LFM signal in fractional domain is deduced.This paper presents an efficient algorithm for searching the optimal rotation angle using the variation law of power spectrum amplitude with rotation angle in fractional domain.And it is concluded that the computation of this algorithm is small and has great advantages compared with the traditional algorithm.In the case of low SNR, two times of S-G filtering can significantly improve the detection probability. Simulation results show that the algorithm can reliably detect and accurately estimate multicomponent LFM signal parameters under the condition of low SNR and interference between components.

A decentralized fusion estimator using linear coding compensation method with non-fixed dropout rates
HAN Xu, ZHAO Guorong, WANG Kang
2020, 46(6): 1229-1236. doi: 10.13700/j.bh.1001-5965.2019.0348
Abstract:

The networked multi-sensor fusion estimation problem is investigated in the paper for a class of networked system with non-fixed packet loss rates, which aims to solving the problem of modeling of non-fixed packet loss rates in wireless channel and the problem of dropout compensation. The dropout rate of the wireless channel is assumed to be non-fixed. A linear coding method is used at the sensor by combining the past several measurements to get a new measurement, which compensates the data. First, a recursive locally optimal estimator is designed by minimizing the mean square error accounting for the non-Gaussian non-white noise random disturbance of the system matrix and making good use of the real-time arrival information based on the received measurement. Second, the functional relationship between the fusion estimation error covariance and sensor transmitting probability is derived. Finally, simulation example is given to confirm the effectiveness of the proposed method.