Design method for modulation strategy of a single-inductor multi-port converter based on reinforcement learning
-
摘要:
单电感多端口(SIMP)变换器具有多硅少磁的特性,在诸多领域有很好的应用潜力,但其开关模态多,调制策略设计复杂,目前的设计方法是人为挑选开关模态序列并进行模态分析,设计过程需要电力电子专业知识和经验。基于此,提出一种基于强化学习(RL)的单电感多端口变换器调制策略设计方法,使用神经网络(NN)生成调制策略,该方法将端口电压和变换器结构等已知条件作为神经网络输入,并采用一组简单的规则提供奖励用于训练神经网络,避免繁复的人工设计。通过强化学习,神经网络无需人为干预即可在试错中总结经验,生成不同运行工况下的最优调制策略。对一种单电感多端口变换器进行调制策略设计,并通过实验验证了所提方法的有效性。
Abstract:Single-inductor multi-port (SIMP) converters have great application potential due to their “more silicon less magnetic” feature. However, there are so many switching modes of SIMP converters that the modulation strategy design is complicated. At present, the design of the modulation strategy is mainly to manually select the switching mode sequence and carry out modal analysis, which requires professional knowledge of power electronics. This research proposes a reinforcement learning (RL) based modulation strategy design technique for SIMP converters. The proposed method uses a neural network (NN) to produce modulation strategies, takes known conditions such as port voltages and converter structure as the input of the NN and leverages a set of basic principles to provide rewards for training the NN, avoiding complex artificial design. With RL, the NN sums up experience during trial-and-error without human intervention, and finally generates the optimal modulation strategy under different operating conditions. Based on this method, modulation strategies are designed for a SIMP converter and the effectiveness of the method is verified by experiments.
-
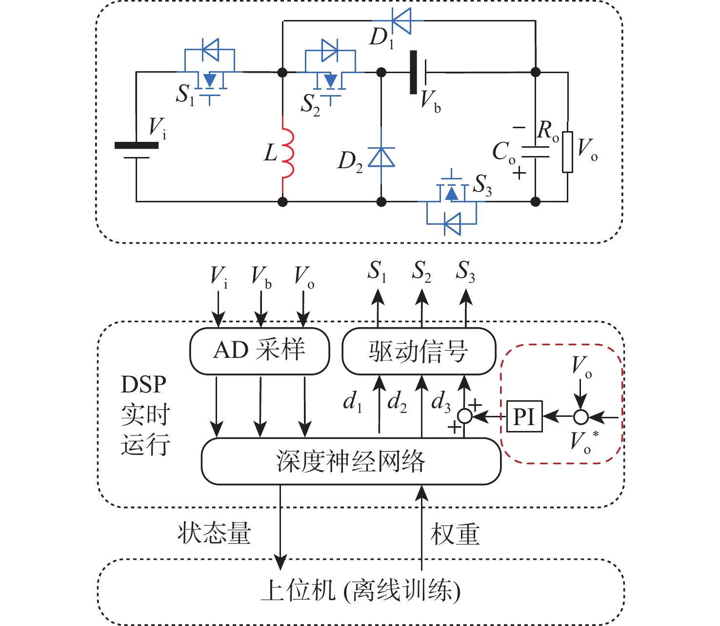
表 1 样机关键参数
Table 1. Key parameters of prototype
元件 数值 光伏输入电压Vi/V 20~40(通常30) 电池电压Vb/V 30~40(通常36) 输出电压Vo/V 24 输出功率Po/W 0~120 光伏功率Pi/W 0~240 开关频率fs/kHz 20 电感L/μH 140 MOSFETs (S1~S3) GS61004B 二极管(D1~D2) NTSJ30U80 数字信号处理器(DSP) TMS320F28335 表 2 不同开关模态下电感两端电压
Table 2. Voltage at both ends of inductor under different switching modes
开关模态 S1 S2 S3 电感两端电压 m1 1 0 0 v1=Vi m2 0 0 1 v2=−Vo m3 0 1 1 v3=Vb−Vo m4 0 0 0 v4=−Vb m5 0 1 0 v5=0 注:“0”表示开关管关断,“1”表示开关管导通。 表 3 调制策略设计系统参数
Table 3. Parameters of modulation strategy design system
参数 数值 X 1×35 神经网络输入层节点数 35 神经网络隐藏层节点数 132 隐藏层激活函数 ReLU 神经网络输出层节点数 95 训练算法 Gradient Descent α 0.001 γ 0.9 Nmax 8 RSN –10 RN –300 RSP 20 RP 600 -
[1] KHASIM S R, DHANAMJAYULU C, MUYEEN S M. A single inductor multi-port power converter for electric vehicle applications[J]. IEEE Access, 2023, 11: 3367-3385. doi: 10.1109/ACCESS.2023.3234105 [2] HUANG T W, TSENG W J, HUANG J X. Single-inductor multiple-outputs dimmable LED driver with Buck converter[C]//Proceedings of the International Power Electronics Conference. Piscataway: IEEE Press, 2018: 1626-1633. [3] CHANG C K, SU C H, CHAO P C. A new single inductor bipolar multiple output (SIBMO) on-chip boost converter using ripple-based constant on-time control for LCD drivers[C]//Proceedings of the 40th Annual Conference of the IEEE Industrial Electronics Society. Piscataway: IEEE Press, 2014: 4122-4125. [4] KIM J Y, LEE B S, LEE S H, et al. Integrated single inductor converter for a DC grid system connected with battery and load[J]. IEEE Transactions on Industrial Electronics, 2021, 68(12): 12010-12020. doi: 10.1109/TIE.2020.3047062 [5] 周述晗, 周国华, 毛桂华, 等. 电流型控制单电感双输出开关变换器稳定性与瞬态特性分析[J]. 电工技术学报, 2018, 33(6): 1374-1381.ZHOU S H, ZHOU G H, MAO G H, et al. Stability and transient response analysis of current-mode controlled single-inductor dual-output converter[J]. Transactions of China Electrotechnical Society, 2018, 33(6): 1374-1381(in Chinese). [6] 徐利梅, 王瑶, 张留洋, 等. 用于单电感双输出Buck变换器的PCPV控制方案[J]. 西南交通大学学报, 2021, 56(1): 182-189.XU L M, WANG Y, ZHANG L Y, et al. Peak-current and peak-voltage control scheme for single-inductor dual-output Buck converter[J]. Journal of Southwest Jiaotong University, 2021, 56(1): 182-189(in Chinese). [7] WU J R, LU Y M. Exact feedback linearisation optimal control for single-inductor dual-output Boost converter[J]. IET Power Electronics, 2020, 13(11): 2293-2301. doi: 10.1049/iet-pel.2019.1160 [8] XU W W, LI Y, GONG X H, et al. A dual-mode single-inductor dual-output switching converter with small ripple[J]. IEEE Transactions on Power Electronics, 2010, 25(3): 614-623. doi: 10.1109/TPEL.2009.2033927 [9] CHEN G P, LIU Y W, QING X L, et al. Principle and topology derivation of single-inductor multi-input multi-output DC-DC converters[J]. IEEE Transactions on Industrial Electronics, 2021, 68(1): 25-36. doi: 10.1109/TIE.2020.2965490 [10] YIN C D, LI H, LI Y M, et al. A new family of non-isolated single-inductor three-port converter based on a storage port switch-commutated unit[C]//Proceedings of the International Power Electronics Conference. Piscataway: IEEE Press, 2022: 2307-2311. [11] QIAN Z J, ABDEL-RAHMAN O, AL-ATRASH H, et al. Modeling and control of three-port DC/DC converter interface for satellite applications[J]. IEEE Transactions on Power Electronics, 2010, 25(3): 637-649. doi: 10.1109/TPEL.2009.2033926 [12] BÖHLER J, KRISMER F, SEN T, et al. Optimized modulation of a four-port isolated DC-DC converter formed by integration of three dual active bridge converter stages[C]//Proceedings of the IEEE International Telecommunications Energy Conference. Piscataway: IEEE Press, 2018: 1-8. [13] QIAN Z J, ABDEL-RAHMAN O, HU H B, et al. A zero-voltage switching four-port integrated DC/DC converter[C]//Proceedings of the IEEE International Telecommunications Energy Conference. Piscataway: IEEE Press, 2010: 1-8. [14] MA Y H, HUANGFU Y G, XU L C, et al. A novel nonisolated multi-port bidirectional DC-DC converter with high voltage gain for fuel cell hybrid system[C]//Proceedings of the IEEE Transportation Electrification Conference & Expo. Piscataway: IEEE Press, 2021: 376-381. [15] 王瑶. 电容电流–电容电压纹波控制单电感双输出CCM Buck变换器[J]. 中国电机工程学报, 2020, 40(10): 3280-3288.WANG Y. Capacitor current and capacitor voltage ripple controlled single-inductor dual-output CCM Buck converter[J]. Proceedings of the CSEE, 2020, 40(10): 3280-3288(in Chinese). [16] 谢锋, 皇金锋. 单电感双输出Buck变换器的供能模式及输出纹波电压分析[J]. 电工技术学报, 2020, 35(12): 2585-2595.XIE F, HUANG J F. Supply modes and output ripple voltage of single-inductor dual-output Buck converter[J]. Transactions of China Electrotechnical Society, 2020, 35(12): 2585-2595(in Chinese). [17] ZHAO S, BLAABJERG F, WANG H. An overview of artificial intelligence applications for power electronics[J]. IEEE Transactions on Power Electronics, 2021, 36(4): 4633-4658. doi: 10.1109/TPEL.2020.3024914 [18] WANG S D, DRAGICEVIC T, GONTIJO G F, et al. Machine learning emulation of model predictive control for modular multilevel converters[J]. IEEE Transactions on Industrial Electronics, 2021, 68(11): 11628-11634. doi: 10.1109/TIE.2020.3038064 [19] SONG J C, DONG F, ZHAO J W, et al. An efficient multiobjective design optimization method for a PMSLM based on an extreme learning machine[J]. IEEE Transactions on Industrial Electronics, 2019, 66(2): 1001-1011. doi: 10.1109/TIE.2018.2835413 [20] CHEN Y, BAI J B, KANG Y. A nonisolated single-inductor multiport DC-DC topology deduction method based on reinforcement learning[J]. IEEE Journal of Emerging and Selected Topics in Power Electronics, 2022, 10(6): 6572-6585. doi: 10.1109/JESTPE.2021.3128270 [21] GU Z M, ZHANG L, JIN H, et al. Deep reinforcement learning-based ground-via placement optimization for EMI mitigation[J]. IEEE Transactions on Electromagnetic Compatibility, 2023, 65(2): 564-573. doi: 10.1109/TEMC.2022.3222034 [22] SUTTON R S. Learning to predict by the methods of temporal differences[J]. Machine Learning, 1988, 3(1): 9-44. -


下载: