Fault diagnosis method of small sample rolling bearings under variable working conditions based on MTF-SPCNN
-
摘要:
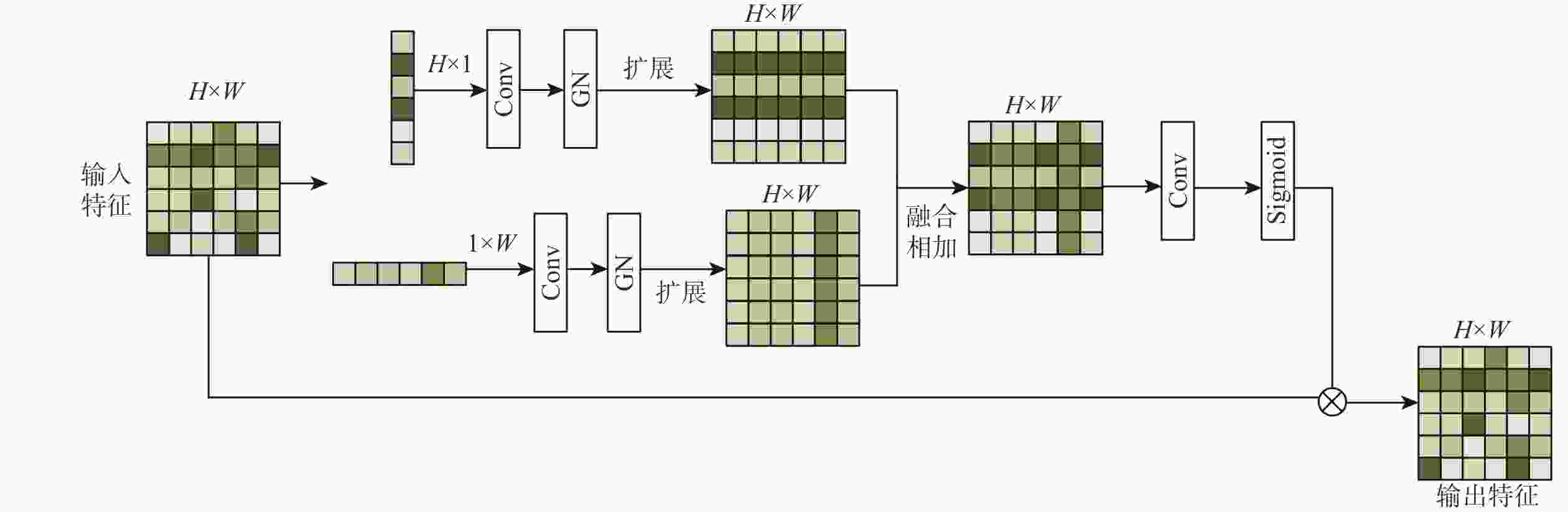
针对滚动轴承运行工况复杂及样本不足导致故障诊断精度较低的问题,提出一种基于马尔可夫转移场(MTF)与条纹池化卷积神经网络(SPCNN)的小样本滚动轴承变工况故障诊断方法。采用MTF将一维轴承信号转变为具有时间关联性的二维图像;提出条纹池化模块(SPM)并将其引入到网络中,不仅可以加强模型在长距离方向信息的捕捉能力,还可以有效提取远程空间特征;在最大池化层前添加SE注意力机制,增加有用信息的权重,提高模型训练速度,构建MTF-SPCNN模型;将MTF图像输入到MTF-SPCNN网络中进行训练,得到故障分类结果。运用美国凯斯西储大学及实验室滚动轴承MFS数据集验证所提方法在小样本变负载和变转速时的诊断效果,并对MFS数据集进行加噪处理,与其他智能算法进行对比,实验结果表明,所提方法具有更高的故障分类准确率、更强的泛化性能和抗干扰性能。
Abstract:In order to solve the problem of low fault diagnosis accuracy caused by complex operating conditions and insufficient samples of rolling bearings, a fault diagnosis method based on the Markov transition field (MTF) and the stripe pooling convolutional neural network (SPCNN) for small sample rolling bearings under variable working conditions was proposed. Firstly, one-dimensional bearing signals were transformed into two-dimensional images with time correlation by using MTF. Then, the stripe pooling module (SPM) was presented and introduced into the network, which could not only enhance the ability of the model to capture information in the long-distance direction but also effectively extract remote spatial features. Secondly, the channel attention mechanism, namely SE was added before the max pooling layer to increase the weight of useful information and improve the training speed of the model. The MTF-SPCNN model was thus constructed. Finally, the MTF images were input into the MTF-SPCNN for training, and fault classification results were obtained. The data sets of Case Western Reserve University and laboratory rolling bearings MFS were used to verify the validity of the proposed method in small samples with variable load and variable speed, and the MFS data sets were processed with noise added and compared with other intelligent algorithms. Experimental results show that the proposed method has higher fault recognition accuracy and stronger generalization performance and anti-interference performance.
-
表 1 CWRU滚动轴承数据集
Table 1. CWRU rolling bearing data set
工况 损伤
直径/mm故障
位置标签 训练集
样本数测试集
样本数负载/kW A 0 正常 0 40 100 0.7457 (1 hp)0.18 内圈 1 40 100 外圈 2 40 100 滚动体 3 40 100 0.36 内圈 4 40 100 外圈 5 40 100 滚动体 6 40 100 B 0 正常 0 40 100 1.4914 (2 hp)0.18 内圈 1 40 100 外圈 2 40 100 滚动体 3 40 100 0.36 内圈 4 40 100 外圈 5 40 100 滚动体 6 40 100 C 0 正常 0 40 100 2.2371 (3 hp)0.18 内圈 1 40 100 外圈 2 40 100 滚动体 3 40 100 0.36 内圈 4 40 100 外圈 5 40 100 滚动体 6 40 100 表 2 MFS滚动轴承数据集
Table 2. MFS rolling bearing data set
工况 损伤
直径/mm故障
位置标签 训练集
样本数测试集
样本数转速/
(r·min−1)D 0 正常 0 40 100 1200 0.6 内圈 1 40 100 外圈 2 40 100 滚动体 3 40 100 1.2 内圈 4 40 100 外圈 5 40 100 滚动体 6 40 100 E 0 正常 0 40 100 1300 0.6 内圈 1 40 100 外圈 2 40 100 滚动体 3 40 100 1.2 内圈 4 40 100 外圈 5 40 100 滚动体 6 40 100 F 0 正常 0 40 100 1400 0.6 内圈 1 40 100 外圈 2 40 100 滚动体 3 40 100 1.2 内圈 4 40 100 外圈 5 40 100 滚动体 6 40 100 表 3 不同模型变负载时分类准确率
Table 3. Classification accuracy of different models under variable loads
样本数 模型 分类准确率/% 平均分类准确率/% A-B A-C B-A B-C C-A C-B 10 MTF-SPCNN 99.47 97.47 99.59 97.96 98.07 99.04 98.60 MTF-ICNN 98.76 96.90 98.04 96.86 97.04 98.19 97.63 GADF-SPCNN 88.72 86.91 88.43 87.10 87.18 88.24 87.76 DFCNN 98.66 95.86 98.53 96.14 97.70 98.04 97.49 MSACNN 97.14 96.48 97.81 95.24 96.05 96.71 96.57 20 MTF-SPCNN 99.94 98.57 99.63 98.29 98.58 99.49 99.08 MTF-ICNN 98.95 97.52 98.19 97.24 97.67 98.62 98.03 GADF-SPCNN 89.24 87.67 89.99 87.95 88.17 89.71 88.79 DFCNN 99.14 96.05 99.05 97.47 97.91 98.76 98.06 MSACNN 97.48 96.81 97.95 97.56 97.48 97.43 97.45 30 MTF-SPCNN 99.97 98.92 99.68 98.57 98.70 99.67 99.25 MTF-ICNN 99.01 98.09 98.39 98.14 98.33 99.05 98.50 GADF-SPCNN 90.05 89.51 91.28 89.54 89.75 90.12 90.04 DFCNN 99.24 97.34 99.29 97.62 98.33 99.37 98.53 MSACNN 98.33 96.95 98.47 98.09 97.86 98.28 98.00 40 MTF-SPCNN 99.99 99.09 99.80 99.14 99.25 99.80 99.51 MTF-ICNN 99.38 98.20 98.95 98.38 98.57 99.48 98.83 GADF-SPCNN 90.33 90.19 91.72 90.09 90.28 90.24 90.48 DFCNN 99.33 98.00 99.43 98.66 99.19 99.52 99.02 MSACNN 99.29 98.14 99.24 98.28 98.24 99.14 98.72 表 4 不同模型抗噪性能分析
Table 4. Analysis of anti-noise performance of different models
信噪比/dB 模型 分类准确率/% 平均分类准确率/% D-E D-F E-D E-F F-D F-E 0 MTF-SPCNN 88.14 88.01 88.15 87.43 87.86 88.87 88.08 MTF-ICNN 62.01 62.62 60.43 65.66 62.09 61.24 62.34 GADF-SPCNN 57.90 53.34 55.72 58.00 56.43 56.35 56.29 DFCNN 58.77 61.15 55.73 61.61 61.06 58.04 59.39 MSACNN 67.71 65.05 66.29 64.86 65.05 64.95 65.65 2 MTF-SPCNN 93.29 92.43 93.15 94.86 93.58 93.05 93.39 MTF-ICNN 72.38 74.05 73.09 70.71 73.33 73.57 72.86 GADF-SPCNN 60.29 61.59 61.19 61.43 62.14 63.14 61.63 DFCNN 73.51 71.82 72.56 70.39 73.13 74.50 72.65 MSACNN 75.24 78.66 74.09 71.23 76.43 78.48 75.69 4 MTF-SPCNN 95.05 96.62 96.86 95.25 96.01 95.57 95.89 MTF-ICNN 80.48 82.86 80.01 84.83 86.43 81.98 82.77 GADF-SPCNN 70.86 72.29 72.43 71.91 71.79 72.50 71.96 DFCNN 83.15 81.27 82.37 80.11 84.56 79.72 81.86 MSACNN 82.38 82.67 87.81 85.55 85.28 82.00 84.28 6 MTF-SPCNN 96.35 97.07 97.86 96.66 97.62 96.72 97.05 MTF-ICNN 91.38 91.58 92.05 92.28 90.34 91.86 91.58 GADF-SPCNN 81.72 81.57 81.99 81.79 81.43 80.95 81.58 DFCNN 90.18 90.01 91.63 91.08 90.56 90.39 90.64 MSACNN 90.81 90.95 90.67 90.77 90.95 91.24 90.90 -
[1] CHENG J S, YANG Y, YANG Y. A rotating machinery fault diagnosis method based on local mean decomposition[J]. Digital Signal Processing, 2012, 22(2): 356-366. doi: 10.1016/j.dsp.2011.09.008 [2] WANG H Q, KE Y L, LUO G G, et al. Compressed sensing of roller bearing fault based on multiple down-sampling strategy[J]. Measurement Science and Technology, 2016, 27(2): 025009. doi: 10.1088/0957-0233/27/2/025009 [3] JIANG H K, XIA Y, WANG X D. Rolling bearing fault detection using an adaptive lifting multiwavelet packet with a dimension spectrum[J]. Measurement Science and Technology, 2013, 24(12): 125002. doi: 10.1088/0957-0233/24/12/125002 [4] 袁彩艳, 孙洁娣, 温江涛, 等. 多域信息融合结合改进残差密集网络的轴承故障诊断[J]. 振动与冲击, 2022, 41(4): 200-208.YUAN C Y, SUN J D, WEN J T, et al. Bearing fault diagnosis based on information fusion and improved residual dense networks[J]. Journal of Vibration and Shock, 2022, 41(4): 200-208 (in Chinese). [5] HINTON G E, SALAKHUTDINOV R R. Reducing the dimensionality of data with neural networks[J]. Science, 2006, 313(5786): 504-507. doi: 10.1126/science.1127647 [6] MIKOLOV T, KARAFIÁT M, BURGET L, et al. Recurrent neural network based language model[C]//Proceedings of the 11th Annual Conference of the International Speech Communication Association. Toulouse: ISCA-INST Speech Communication Association, 2010: 1045-1048. [7] KRIZHEVSKY A, SUTSKEVER I, HINTON G E. ImageNet classification with deep convolutional neural networks[J]. Communications of the ACM, 2017, 60(6): 84-90. doi: 10.1145/3065386 [8] XU Y, MO T, FENG Q W, et al. Deep learning of feature representation with multiple instance learning for medical image analysis[C]//Proceedings of the IEEE International Conference on Acoustics, Speech and Signal Processing. Piscataway: IEEE Press, 2014: 1626-1630. [9] ZHANG W, PENG G L, LI C H, et al. A new deep learning model for fault diagnosis with good anti-noise and domain adaptation ability on raw vibration signals[J]. Sensors, 2017, 17(2): 425. doi: 10.3390/s17020425 [10] XU Y N, YANG L. Based on improved CNN bearing fault detection[J]. Journal of Physics: Conference Series, 2022, 2171(1): 012073. doi: 10.1088/1742-6596/2171/1/012073 [11] 赵小强, 张亚洲. 利用改进卷积神经网络的滚动轴承变工况故障诊断方法[J]. 西安交通大学学报, 2021, 55(12): 108-118.ZHAO X Q, ZHANG Y Z. Improved CNN-based fault diagnosis method for rolling bearings under variable working conditions[J]. Journal of Xi’an Jiaotong University, 2021, 55(12): 108-118(in Chinese). [12] 邓飞跃, 吕浩洋, 顾晓辉, 等. 基于轻量化神经网络Shuffle-SENet的高速动车组轴箱轴承故障诊断方法[J]. 吉林大学学报(工学版), 2022, 52(2): 474-482.DENG F Y, LU H Y, GU X H, et al. Fault diagnosis method of high-speed emu axle box bearing based on lightweight neural network Shuffle-SENet[J]. Journal of Jilin University (Engineering and Technology Edition), 2022, 52(2): 474-482(in Chinese). [13] APPANA D K, PROSVIRIN A, KIM J M. Reliable fault diagnosis of bearings with varying rotational speeds using envelope spectrum and convolution neural networks[J]. Soft Computing, 2018, 22(20): 6719-6729. doi: 10.1007/s00500-018-3256-0 [14] MAO G, ZHANG Z Z, QIAO B, et al. Fusion domain-adaptation CNN driven by images and vibration signals for fault diagnosis of gearbox cross-working conditions[J]. Entropy, 2022, 24(1): 119. doi: 10.3390/e24010119 [15] 梁睿君, 冉文丰, 余传粮, 等. 基于CWT-CNN的齿轮箱运行故障状态识别[J]. 航空动力学报, 2021, 36(12): 2465-2473.LIANG R J, RAN W F, YU C L, et al. Recognition of gearbox operation fault state based on CWT-CNN[J]. Journal of Aerospace Power, 2021, 36(12): 2465-2473(in Chinese). [16] 谷玉海, 朱腾腾, 饶文军, 等. 基于EMD二值化图像和CNN的滚动轴承故障诊断[J]. 振动、 测试与诊断, 2021, 41(1): 105-113.GU Y H, ZHU T T, RAO W J, et al. Rolling bearing fault diagnosis based on EMD binary image and CNN[J]. Journal of Vibration, Measurement & Diagnosis, 2021, 41(1): 105-113(in Chinese). [17] WANG Z G, OATES T. Encoding time series as images for visual inspection and classification using tiled convolutional neural networks[C]//Proceedings of the 29th AAAI Conference on Artificial Intelligence. Palo Alto: AAAI Press, 2015: 40-46. [18] WANG Z G, OATES T. Spatially encoding temporal correlations to classify temporal data using convolutional neural networks[EB/OL]. (2015-09-24)[2023-02-01]. [19] HU J, SHEN L, SUN G. Squeeze-and-excitation networks[C]//Proceedings of the IEEE/CVF Conference on Computer Vision and Pattern Recognition. Piscataway: IEEE Press, 2018: 7132-7141. [20] HOU Q B, ZHANG L, CHENG M M, et al. Strip pooling: Rethinking spatial pooling for scene parsing[C]//Proceedings of the IEEE/CVF Conference on Computer Vision and Pattern Recognition. Piscataway: IEEE Press, 2020: 4002-4011. [21] ZHANG T C, CHEN J L, LI F D, et al. Intelligent fault diagnosis of machines with small & imbalanced data: A state-of-the-art review and possible extensions[J]. ISA Transactions, 2022, 119: 152-171. doi: 10.1016/j.isatra.2021.02.042 [22] JIAO J Y, ZHAO M, LIN J, et al. A comprehensive review on convolutional neural network in machine fault diagnosis[J]. Neurocomputing, 2020, 417: 36-63. doi: 10.1016/j.neucom.2020.07.088 [23] ZHANG J Q, SUN Y, GUO L, et al. A new bearing fault diagnosis method based on modified convolutional neural networks[J]. Chinese Journal of Aeronautics, 2020, 33(2): 439-447. doi: 10.1016/j.cja.2019.07.011 [24] 丁雪, 邓艾东, 李晶, 等. 基于多尺度和注意力机制的滚动轴承故障诊断[J]. 东南大学学报(自然科学版), 2022, 52(1): 172-178.DING X, DENG A D, LI J, et al. Fault diagnosis of rolling bearing based on multi-scale and attention mechanism[J]. Journal of Southeast University (Natural Science Edition), 2022, 52(1): 172-178(in Chinese). -


下载: