Improved remote regulated power supply control scheme in improved flyback converter
-
摘要:
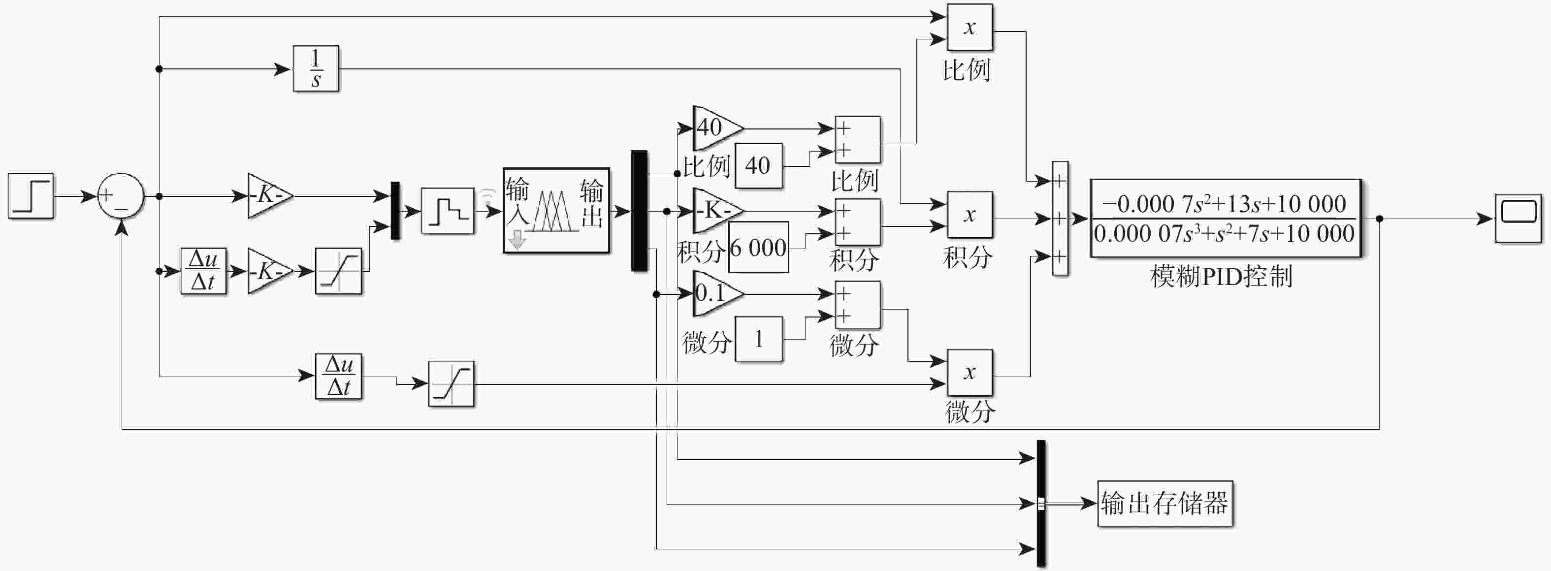
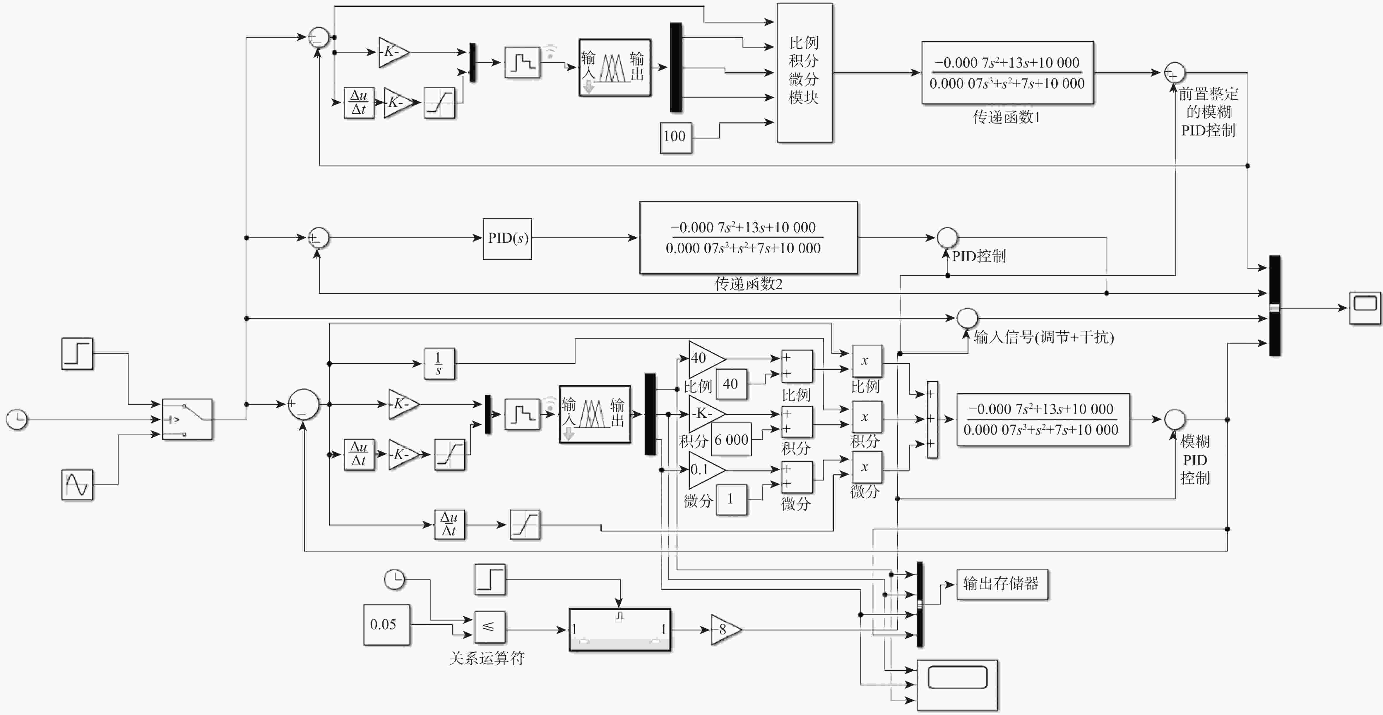
为提高远端稳压电源的供电质量,最大限度的在高可靠性前提下保证发射设备输出电压快速、平稳地达到设定值,提出一种改进反激拓扑模式下远端稳压电源设计方式,并建立相应数学模型。设计了前置论域整定的模糊比例积分微分(PID)控制算法,通过论域整定模型将模糊PID参数直接映射到模糊规则下,消除试凑法偶然性的同时消除了量化因子对误差的放大作用,有效地避免了过度调整的现象;引用模糊逻辑来实时处理远端稳压电源的动态参量值,并根据反模糊映射函数将生成的量化值映射到控制元件。仿真环境模拟结果表明:与模糊PID控制相比,前置论域整定的模糊PID控制算法具有优良稳态性能,调节时间缩短48.1%,响应时间缩短了28.6%并降低到1.4 ms;与此同时,该控制方案能够有效地抵抗突发性干扰,稳压输出时间缩短了45.5%,响应时间缩短到37.5%。实验结果表明:前置整定模糊PID控制算法可以运用到实际工业环境中,与工业环境下传统控制算法比,前置整定模糊PID控制算法可以大幅提高远端稳压电源的供电质量,具备优良的鲁棒性。
Abstract:In order to improve the power supply quality of the remote regulated power supply and ensure that the output voltage of the transmitter device reaches the set value quickly and smoothly under the premise of high reliability, a design method of the remote regulated power supply in the flyback topology mode is introduced, and the corresponding mathematical model is established. Here, a fuzzy proportional-integral-derivative (PID) control algorithm for pre-domain tuning is presented. It uses fuzzy logic to process the dynamic parameter value of the remote regulated power supply in real time, and it maps the generated quantitative value to the control element in accordance with the anti-fuzzy mapping function. This effectively avoids the phenomenon of over-adjustment and eliminates the accidentality of the trial method and the amplification effect of the scale factor on the error. According to simulation results, the fuzzy PID control algorithm with pre-domain tuning performs better in steady-state conditions than the fuzzy PID control algorithm without pre-domain tuning. The adjustment time, response time, and reduction to 1.4 ms are all shortened by 48.1%, 28.6%, and 37.5%, respectively, while the control scheme is also able to withstand abrupt interference with good effectiveness. The experimental results show that the pre-tuned fuzzy PID control algorithm can be applied to the actual industrial environment, and compared with the traditional control algorithm in the industrial environment, the pre-tuned fuzzy PID control algorithm can greatly improve the power supply quality of the remote regulated power supply and has excellent robustness.
-
表 2 积分因子Ki的模糊规则
Table 2. Fuzzy control of integral factor Ki
e(t) ec[de(t)/dt] NB NM NS ZE PS PM PB NB NB NB NM NM NS ZE ZE NM NB NB NM NS NS ZE ZE NS NB NM NS NS ZE PS PS ZE NM NM NS ZE PS PM PM PS NM NS ZE PS PS PM PB PM ZE ZE PS PS PM PB PB PB ZE ZE PS PM PM PB PB 表 1 比例因子Kp的模糊规则
Table 1. Fuzzy control of proportional factor Kp
e(t) ec[de(t)/dt] NB NM NS ZE PS PM PB NB PB PB PM PM PS ZE ZE NM PB PB PM PS PS ZE ZE NS PM PM PM PM ZE NS NS ZE PM PM PS NS NS NM NM PS PS PS ZE NS NS NM NM PM PS ZE NS NM NM NM NB PB ZE ZE NM NM NM NB NB 表 3 微分因子Kd的模糊规则
Table 3. Fuzzy control of derivative factor Kd
e(t) ec[de(t)/dt] NB NM NS ZE PS PM PB NB PS NS NB NB NB NM PS NM PS NS NB NB NB NM PS NS ZE NS NS NS NS NS ZE ZE ZE NS NS NS NS NS ZE PS ZE ZE ZE ZE ZE ZE ZE PM PB NS PS PS PS PS PB PB PB PM PM PM PS PS PB 表 4 前置整定模糊PID算法仿真数据
Table 4. Pre-tuned fuzzy PID algorithm simulation data
仿真方式 控制策略 最大超调量/
%上升时间/
ms调节时间/
ms28 V稳定仿真 前置整定的
模糊PID控制17.50 0.5 1.4 模糊PID控制 21.25 0.7 2.7 PID控制 23.36 0.9 3.0 系统扰动状态 前置整定的
模糊PID控制4.80 0.5 1.2 模糊PID控制 4.90 0.8 2.2 PID控制 6.20 1.0 3.0 表 5 前置整定模糊PID算法实验数据
Table 5. Pre-tuned fuzzy PID algorithm simulation data
控制策略 最大超调量/% 上升时间/ms 调节时间/ms 前置整定的模糊PID控制 2.53 0.5 0.6 模糊PID控制 2.86 1.0 1.4 -
[1] 孙艳秋, 吴庆军, 张硕, 等. 面向零窗口发射的全冗余一体化测发控系统[J]. 导弹与航天运载技术, 2022(1): 53-58.SUN Y Q, WU Q J, ZHANG S, et al. Integrated measurement control and launch system with full redundancy for zero-window launching[J]. Missiles and Space Vehicles, 2022(1): 53-58 (in Chinese). [2] 孙志群, 李强, 袁卫, 等. 路面激励对火箭炮行进间发射控制的影响研究[J]. 兵器装备工程学报, 2021, 42(4): 37-41. doi: 10.11809/bqzbgcxb2021.04.007SUN Z Q, LI Q, YUAN W, et al. Study on effect of road excitation on rocket launch control between travels[J]. Journal of Ordnance Equipment Engineering, 2021, 42(4): 37-41 (in Chinese). doi: 10.11809/bqzbgcxb2021.04.007 [3] 周逢道, 王爽, 赵心晖, 等. 高精度同步输出多功能发射控制技术[J]. 中南大学学报(自然科学版), 2016, 47(8): 2636-2642.ZHOU F D, WANG S, ZHAO X H, et al. Multifunctional transmitter control technology with high-precision synchronization output[J]. Journal of Central South University (Science and Technology), 2016, 47(8): 2636-2642 (in Chinese). [4] 陈朋, 毛待春, 陈思逾, 等. 基于反激拓扑与RC隔离触发网络的短弧脉冲氙灯电源设计[J]. 强激光与粒子束, 2021, 33(3): 123-131. doi: 10.11884/HPLPB202133.200316CHEN P, MAO D C, CHEN S Y, et al. Design of short-arc xenon flashlamp power supply based on flyback topology and RC isolation trigger network[J]. High Power Laser and Particle Beams, 2021, 33(3): 123-131 (in Chinese). doi: 10.11884/HPLPB202133.200316 [5] 冯丹, 任宏滨, 李伟伟, 等. 反激式开关电源控制系统小信号模型[J]. 探测与控制学报, 2015, 37(5): 89-93.FENG D, REN H B, LI W W, et al. Small signal model of flyback switching power supply control system[J]. Journal of Detection & Control, 2015, 37(5): 89-93 (in Chinese). [6] 唐潇, 孙文杰, 何明祖, 等. 双极性直线型变压器驱动源的研制[J]. 强激光与粒子束, 2021, 33(6): 36-43.TANG X, SUN W J, HE M Z, et al. A bipolar nanosecond pulse source based on liner transformer driver[J]. High Power Laser and Particle Beams, 2021, 33(6): 36-43 (in Chinese). [7] 袁义生, 赖立. 一种多模式电流馈LCL谐振变换器[J]. 中国电机工程学报, 2020, 40(10): 3259-3270.YUAN Y S, LAI L. A Multi-mode current-fed LCL resonant converter[J]. Proceedings of the CSEE, 2020, 40(10): 3259-3270 (in Chinese). [8] 张峰, 谢运祥, 胡炎申, 等. 临界模式混合光伏微型逆变器的特性分析[J]. 电工技术学报, 2020, 35(6): 1290-1302.ZHANG F, XIE Y X, HU Y S, et al. Characteristics analysis for a boundary conduction mode hybrid-type photovoltaic micro-inverter[J]. Transactions of China Electrotechnical Society, 2020, 35(6): 1290-1302 (in Chinese). [9] 王凤国, 陈小雷, 许宝立, 等. 一种稳压电源远端供电电压补偿方法设计[J]. 电子器件, 2019, 42(4): 827-831. doi: 10.3969/j.issn.1005-9490.2019.04.004WANG F G, CHEN X L, XU B L, et al. Design of compensation method for remote power supply voltage of regulated power supply[J]. Journal of Electron Devices, 2019, 42(4): 827-831 (in Chinese). doi: 10.3969/j.issn.1005-9490.2019.04.004 [10] 孙凤, 张琪, 徐方超, 等. 激光光路控制电磁作动器的模糊PID控制特性分析[J]. 兵工学报, 2019, 40(2): 430-441. doi: 10.3969/j.issn.1000-1093.2019.02.024SUN F, ZHANG Q, XU F C, et al. Analysis of fuzzy PID control characteristics on electromagnetic actuator for laser optical path control[J]. Acta Armamentarii, 2019, 40(2): 430-441 (in Chinese). doi: 10.3969/j.issn.1000-1093.2019.02.024 [11] 陈帅, 汪成文, 张震阳, 等. 改进模糊PID方法及其在电液伺服控制中的应用[J]. 机电工程, 2021, 38(5): 559-565. doi: 10.3969/j.issn.1001-4551.2021.05.006CHEN S, WANG C W, ZHANG Z Y, et al. Improved fuzzy PID method and its application in electro-hydraulic servo control[J]. Journal of Mechanical & Electrical Engineering, 2021, 38(5): 559-565 (in Chinese). doi: 10.3969/j.issn.1001-4551.2021.05.006 [12] 赵天宇, 苏庆宇. 基于变论域模糊控制的无刷直流电机转速问题[J]. 电机与控制应用, 2017, 44(11): 6-11. doi: 10.3969/j.issn.1673-6540.2017.11.002ZHAO T Y, SU Q Y. Brushless DC motor speed questions based on variable universe fuzzy control[J]. Electric Machines & Control Application, 2017, 44(11): 6-11 (in Chinese). doi: 10.3969/j.issn.1673-6540.2017.11.002 [13] KARAHAN O. Design of optimal fractional order fuzzy PID controller based on cuckoo search algorithm for core power control in molten salt reactors[J]. Progress in Nuclear Energy, 2021, 139: 103868. doi: 10.1016/j.pnucene.2021.103868 [14] MITRA P, DEY C, MUDI R K. Fuzzy rule-based set point weighting for fuzzy PID controller[J]. SN Applied Sciences, 2021, 3: 651. [15] RANJBAR E, MENHAJ M B, SURATGAR A A, et al. Design of a fuzzy PID controller for a MEMS tunable capacitor for noise reduction in a voltage reference source[J]. SN Applied Sciences, 2021, 3: 609. [16] YU L H, SONG S X. Design of flow cytometer liquid circuit control system based on incremental PID algorithm[J]. Journal of Physics:Conference Series, 2020, 1633(1): 012001. doi: 10.1088/1742-6596/1633/1/012001 [17] KHADANGA R K, KUMAR A, PANDA S. Application of interval type-2 fuzzy PID controller for frequency regulation of AC islanded microgrid using modified equilibrium optimization algorithm[J]. Arabian Journal for Science and Engineering, 2021, 46(10): 1-17. [18] WANG B, GENG H P, LI H, et al. Particle swarm optimization-based fuzzy PID controller for stable control of active magnetic bearing system[J]. Journal of Physics:Conference Series, 2021, 1888(1): 012022. doi: 10.1088/1742-6596/1888/1/012022 [19] KUMAR KHADANGA R, KUMAR A, PANDA S. Frequency control in hybrid distributed power systems via type-2 fuzzy PID controller[J]. IET Renewable Power Generation, 2021, 15(8): 1706-1723. doi: 10.1049/rpg2.12140 [20] JIN X, CHEN K K, ZHAO Y, et al. Simulation of hydraulic transplanting robot control system based on fuzzy PID controller[J]. Measurement, 2020, 164: 108023. doi: 10.1016/j.measurement.2020.108023 [21] SHI J Z, SONG Y. Mathematical Analysis of a simplified general type-2 fuzzy PID controller[J]. Mathematical Biosciences and Engineering, 2020, 17(6): 7994-8036. doi: 10.3934/mbe.2020406 [22] WANG R X, AN A M, WEN Y A, et al. Study on the influence of parallel fuzzy PID control on the regulating system of a bulb tubular turbine generator unit[J]. Journal of Electrical Engineering & Technology, 2021, 16(3): 1403-1414. -


下载: