Research on broadband and high flatness conductive electromagnetic susceptibility injection probe
-
摘要:
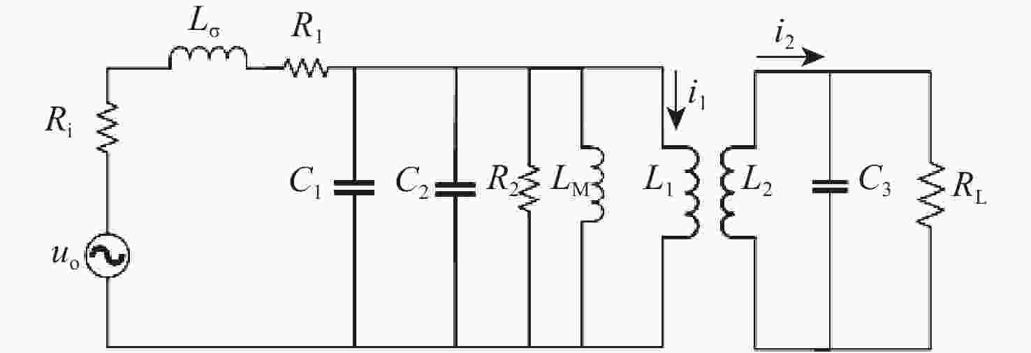
集成电路和电子设备的小体积、高密度和高时钟频率的发展趋势,导致严重的电磁兼容问题,特别是电磁敏感性问题。集成电路和电子设备的电磁敏感性水平对其优化设计至关重要,而宽带脉冲注入探头广泛用于集成电路和电子设备的传导电磁敏感性测试。根据集成电路和电子设备的传导电磁敏感性测试需求,通过分析宽带脉冲注入探头的工作原理、影响工作带宽及平坦度的因素,进行宽频带高平坦度的宽带脉冲注入探头的方案设计,通过多线并绕、磁芯与外壳匹配设计、高频段阻抗匹配等方法,研制出宽频带高平坦度的宽带脉冲注入探头。测试结果和实际应用结果表明:所研制的宽带脉冲注入探头实现了工作频率覆盖9 kHz~1 GHz、平坦度小于5 dB的性能指标,可以满足开展传导电磁敏感性测试的需求。
Abstract:The development trend of small volume, high density, and high clock frequency of integrated circuits and electronic equipment leads to serious electromagnetic compatibility problems, especially electromagnetic susceptibility problems. The electromagnetic susceptibility level of integrated circuits and electronic equipment is very important for their optimal design, and broadband pulse injection probes are widely used in the conducted electromagnetic susceptibility test of integrated circuits and electronic equipment. The project design of broadband pulse injection probes with broadband and high flatness is put into effect by examining the operating principle of broadband pulse injection probes and the variables affecting working bandwidth and flatness on the basis of he conducted electromagnetic susceptibility test requirements of integrated circuits and electronic equipment. A broadband pulse injection probe with a broad frequency band and high flatness is produced using the techniques of multi-wire parallel winding, matching design of magnetic core and shell, and impedance matching in high-frequency band.The test results and practical application results show that the designed broadband pulse injection probe achieves the performance index of working frequency covering 9 kHz-1 GHz and flatness less than 5 dB, and can also meet the needs of conducting electromagnetic susceptibility tests.
-
表 1 自主研制宽带脉冲注入探头与FCC商业探头性能对比
Table 1. Performance comparison of self-developed broadband pulse injection probes and FCC commercial probes
产品名称 型号 可用频率/MHz 平坦度/dB 额定功率/W 自主研
制探头BHEMC-
Pro
-1E9-010.009~1000 5 400
(瞬时
功率>1000)美国FCC
商业探头F-140 0.1~1000 7 100 -
[1] GRASSI F, MARLIANI F, PIGNARI S A. Circuit modeling of injection probes for bulk current injection[J]. IEEE Transactions on Electromagnetic Compatibility, 2007, 49(3): 563-576. doi: 10.1109/TEMC.2007.902385 [2] TOSCANI N, GRASSI F, SPADACINI G, et al. Circuit and electromagnetic modeling of bulk current injection test setups involving complex wiring harnesses[J]. IEEE Transactions on Electromagnetic Compatibility, 2018, 60(6): 1752-1760. doi: 10.1109/TEMC.2018.2794823 [3] 孙江宁, 潘晓东, 卢新福, 等. 大功率高线性度的电流注入探头性能分析及研制[J]. 强激光与粒子束, 2021, 33(5): 84-90.SUN J N, PAN X D, LU X F, et al. Performance analysis and development of high-power and high-linearity current injection probes[J]. High Power Laser and Particle Beams, 2021, 33(5): 84-90(in Chinese). [4] 吴进. 10 kHz—400 MHz注入电流探头的研制及测试研究[D]. 南京: 东南大学, 2013.WU J. Development and test of 10 kHz—400 MHz injection current probe[D]. Nanjing: Southeast University, 2013 (in Chinese). [5] 周雁然. 注入电流探头及其校准夹具的设计研究[D]. 南京: 东南大学, 2015.ZHOU Y R. Design and research of injection current probe and its calibration fixture[D]. Nanjing: Southeast University, 2015 (in Chinese). [6] SPADACINI G, GRASSI F, PIGNARI S A, et al. Bulk current injection as an alternative radiated susceptibility test enforcing a statistically quantified overtesting margin[J]. IEEE Transactions on Electromagnetic Compatibility, 2018, 60(5): 1270-1278. doi: 10.1109/TEMC.2018.2810074 [7] GRASSI F, PIGNARI S A. Bulk current injection in twisted wire pairs with not perfectly balanced terminations[J]. IEEE Transactions on Electromagnetic Compatibility, 2013, 55(6): 1293-1301. doi: 10.1109/TEMC.2013.2255295 [8] 詹楠楠. 电磁敏感度测试的大电流注入技术研究[D]. 成都: 电子科技大学, 2011.ZHAN N N. Research on high current injection technology for electromagnetic sensitivity test[D]. Chengdu: University of Electronic Science and Technology of China, 2011 (in Chinese). [9] V. W. 卡姆普曲克. 铁氧体磁芯[M]. 北京: 科学出版社, 1986.KAMPCZYK V W. Ferritkerne[M]. Beijing: Science Press, 1986 (in Chinese). [10] 张清. 两无限长平行直导线间电容的精确解[J]. 安徽工业大学学报(自然科学版), 2003, 20(1): 84-86.ZHANG Q. Exact solution for the capacity of th e two infinite long conducting wires[J]. Journal of Anhui University of Technology (Natural Science), 2003, 20(1): 84-86(in Chinese). [11] 姚正安, 周铁强. 一类拟线性抛物方程解的性质[J]. 数学杂志, 1998, 18(3): 345-348. doi: 10.13548/j.sxzz.1998.03.021YAO Z A, ZHOU T Q. Txproper for solutions of a class of quasi-linear parabolic equations[J]. Journal of Mathematics, 1998, 18(3): 345-348(in Chinese). doi: 10.13548/j.sxzz.1998.03.021 [12] IVANYUSHKIN R Y, SHMAKOV N D. Research of the influence of nonlinearity of capacitance-voltage characteristics of field-effect transistors on nonlinear distortions in distributed amplifiers[C]//2021 Systems of Signals Generating and Processing in the Field of on Board Communications. Piscataway: IEEE Press, 2021: 1-4. [13] LIU X, YAO X F, SUN L Q, et al. Classification of the distributed capacitance and voltage distribution of V-arranged triple-break series vacuum circuit breakers[C]//2020 IEEE 1st China International Youth Conference on Electrical Engineering. Piscataway: IEEE Press, 2021: 1-5. [14] KONDO Y, IZUMICHI M, WADA O. Simulation of bulk current injection test for automotive components using electromagnetic analysis[J]. IEEE Transactions on Electromagnetic Compatibility, 2018, 60(4): 866-874. doi: 10.1109/TEMC.2017.2751580 [15] CHEN Y H, LI K J, GONG S Y, et al. A susceptibility assessment method of high-power electromagnetic effects based on Gaussian process classification and autoregressive co-kriging model[C]//2018 IEEE International Symposium on Electromagnetic Compatibility and 2018 IEEE Asia-Pacific Symposium on Electromagnetic Compatibility. Piscataway: IEEE Press, 2018: 1236-1239. [16] MAO C G, CUI Z T, SUN B Y, et al. Electromagnetic susceptibility investigation of microcontroller by pulsed current injection[C]//2012 6th Asia-Pacific Conference on Environmental Electromagnetics. Piscataway: IEEE Press, 2013: 135-138. -


下载: