-
摘要:
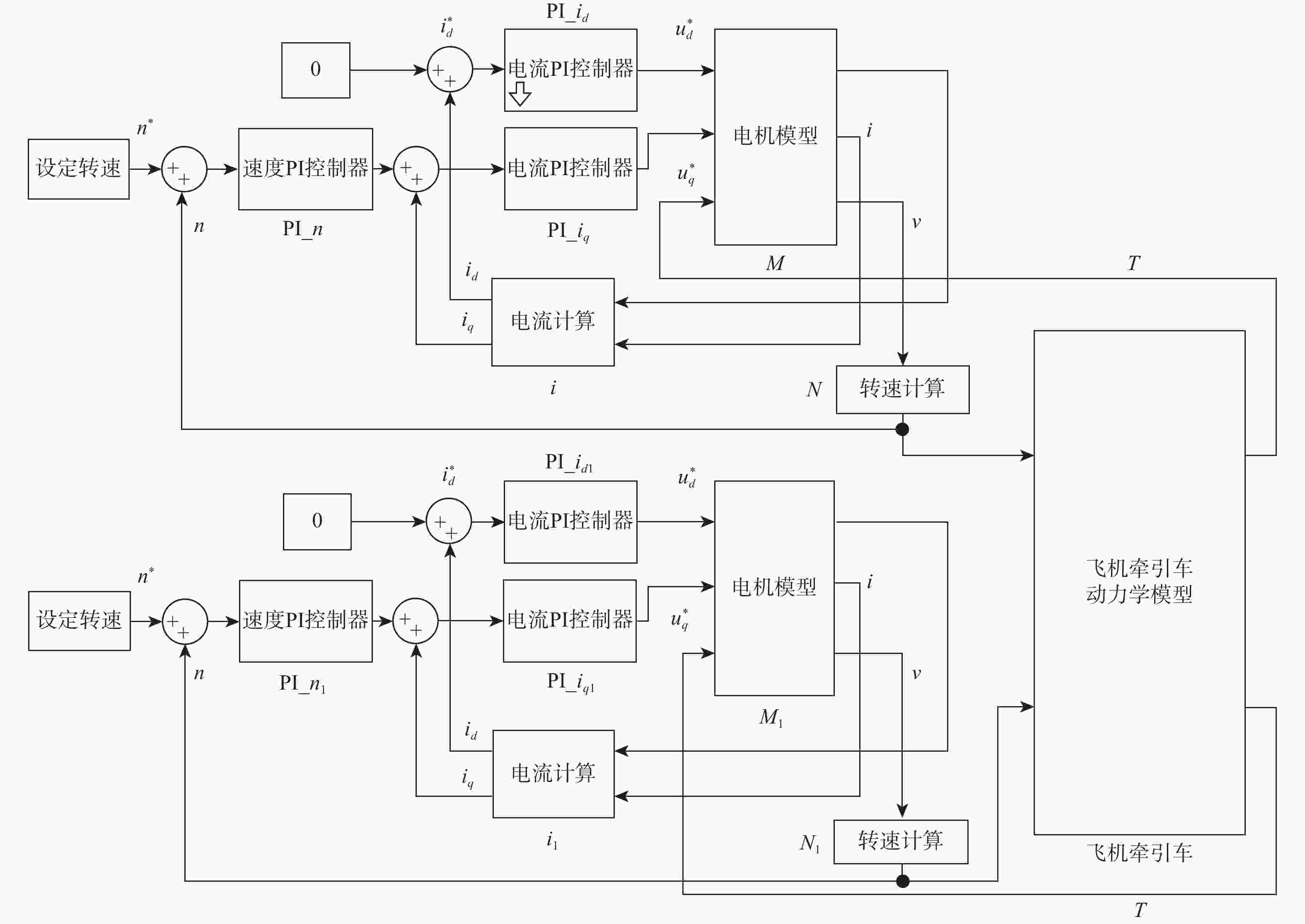
飞机牵引过程存在大惯性、高质心和时变摩擦力的特点,严重影响电传动牵引车的平稳性。为提高电传动牵引车运行过程的稳定性,以影响飞机牵引稳定的变量转速和转矩为研究对象,分析所设计策略的控制效果。运用ADAMS和MATLAB/Simulink仿真软件,构建了10 t飞机和牵引车的动力学模型和电机模型,设计基于转速和转矩的二阶非线性自抗扰控制器。分别对比分析了基于自抗扰控制(ADRC)和PID控制的电传动飞机牵引车变速过程中的轮速动态特性,并开展了变速过程的样机控制试验。结果表明:基于二阶非线性自抗扰控制器的飞机牵引系统的变速效果更优,变速过程中的轮速在响应速度、稳定性和抗扰能力等方面均更佳;试验结果与仿真结果吻合,证明了仿真模型和仿真结果的可行性与正确性,为高稳定的电传动飞机牵引车研究奠定基础。
Abstract:Large inertia, a high center of mass, and time-varying friction are aspects of the aircraft towing process that have a significant impact on the stability of the aircraft tug. In order to improve the stability of the electric aircraft tug, the variable speed and torque that affect the stability of aircraft traction are taken as the research objects, and the control effect of the designed strategy is analyzed. Using ADAMS and MATLAB/Simulink simulation software, the aircraft and tug dynamic model and motor model are constructed, and the second-order nonlinear auto disturbance rejection controller based on speed and torque is designed. The dynamic characteristics of the wheel speed of the aircraft tug based on active disturbance rejection control (ADRC) and PID control during the shifting process are compared and analyzed, and the prototype control test of the shifting process is carried out. The results show that the aircraft traction system based on the second-order nonlinear auto-disturbance rejection control algorithm has better gear shifting effects, and the wheel speed during gear shifting is better in terms of response speed, stability and anti-disturbance ability; the test results match the simulation results, and the coincidence proves the feasibility and correctness of the simulation model and simulation results, which lays the foundation for the research of highly stable aircraft tug.
-
Key words:
- electric aircraft tug /
- stationarity /
- active disturbance rejection control /
- PID /
- load disturbance
-
表 1 电传动无杆飞机牵引车元件约束关系
Table 1. Elemental constraints of electric rodless aircraft tug
构件名称 万向舵轮 抱轮机构 后机轮 驱动轮 车体 旋转副 旋转副 机体 固定 旋转 路面 旋转副 旋转副 旋转副 表 2 飞机和牵引车参数输入数据
Table 2. Input parameters of aircraft and tug
项目 参数 数值 飞机 质量/kg 10000 长×宽×高/(mm×mm×mm) 12270 ×9480 ×4800 质心到后轮轴距离/mm 430 质心到前轮距离/mm 4150 质心到地面距离/mm 2 000 两后轮距离/mm 2390 牵引车 质量/kg 2 000 长×宽×高/(mm×mm×mm) 1500 ×1500 ×480质心到后轮轴距离/mm 500 质心到前轮距离/mm 920 质心到地面距离/mm 250 两后轮距离/mm 1470 表 3 电传动无杆飞机牵引车仿真和试验条件
Table 3. Simulation and experimental conditions of electric rodless aircraft tug
项目 时间/s 运行状态 速度/(r·min−1) 电机输入 0~1 匀加速 0~200 1~3 匀速 200 3~4 匀加速 200~650 4~7 匀速 650 表 4 电传动无杆飞机牵引车PID试验参数
Table 4. PID parameters of electric rodless aircraft tug
项目 Kp Ki 仿真值 样机参考值 仿真值 样机参考值 d轴电流环 5.83 5.25~6.41 1053.8 948.42~ 1159.18 q轴电流环 13.2 11.88~14.52 1053.8 948.42~ 1159.18 速度环 0.14 0.13~0.15 7 6.30~7.70 表 5 电传动无杆飞机牵引车ADRC试验参数
Table 5. ADRC parameters of electric rodless aircraft tug
项目 ${\beta _{01}}$ ${\beta _{02}}$ ${\beta _1}$ b 仿真值 样机参考值 仿真值 样机参考值 仿真值 样机参考值 仿真值 样机参考值 d/q轴电流环 8500 7650 ~9350 500000 450000 ~550000 20 18~22 120 108~132 转速环 850 765~935 50000 45000 ~55000 5000 4500 ~5500 0 0 表 6 电传动无杆飞机牵引车试验数据
Table 6. Experimental data analysis of electric rodless aircraft tug
控制 时间段/s ${n_{\max }}$ ${n_{\min }}$ ${n }$ ${S }$/% ADRC控制 1~3 199.8 191 200 4.4 3~7 672 658 665 2.1 PID控制 1~3 213 186 200 13.5 3~7 706 633 665 11.0 -
[1] 赵宏伟. A320系列飞机遥控无杆牵引车结构设计和力学分析[D]. 天津: 中国民航大学, 2017: 10-20.ZHAO H W. Structural design and mechanical analysis of A320 series aircraft remote control rodless tug[D]. Tianjin: Civil Aviation University of China, 2017: 10-20(in Chinese). [2] 朱贺. 飞机牵引系统制动性能分析[D]. 天津: 中国民航大学, 2016: 15-25.ZHU H. Analysis of the braking performance of aircraft traction system[D]. Tianjin: Civil Aviation University of China, 2016: 15-25 (in Chinese). [3] 王志, 陈文科, 闫洪峰, 等. 电动无杆飞机牵引车设计[J]. 液压气动与密封, 2006(3): 8-10.WANG Z, CHEN W K, YAN H F, et al. Design of electric rodless aircraft tractor[J]. Hydraulics Pneumatics & Seals, 2006(3): 8-10(in Chinese). [4] 魏延辉, 彭富国, 盛超, 等. 自主式水下机器人运动稳定性控制方法[J]. 华中科技大学学报(自然科学版), 2014, 42(2): 127-132.WEI Y H, PENG F G, SHENG C, et al. Motion stability control method of autonomous underwater robot[J]. Journal of Huazhong University of Science and Technology (Natural Science Edition), 2014, 42(2): 127-132(in Chinese). [5] 俞建成, 张艾群, 王晓辉, 等. 基于模糊神经网络水下机器人直接自适应控制[J]. 自动化学报, 2007, 33(8): 840-846.YU J C, ZHANG A Q, WANG X H, et al. Motion stability control method of autonomous underwater robot[J]. Acta Automatica Sinica, 2007, 33(8): 840-846(in Chinese). [6] 魏静波, 刘昆, 吴锦杰. 惯性定向三轴稳定卫星姿态自适应滑模控制[J]. 控制与决策, 2013, 28(8): 1231-1234. doi: 10.13195/j.cd.2013.08.113.weijb.007WEI J B, LIU K, WU J J. Inertially oriented three-axis stabilized satellite attitude adaptive sliding mode control[J]. Control and Decision, 2013, 28(8): 1231-1234(in Chinese). doi: 10.13195/j.cd.2013.08.113.weijb.007 [7] 殷春武, 刘素兵. 非合作目标捕获过程中姿态反演滑模控制[J]. 控制工程, 2019, 26(2): 276-281. doi: 10.14107/j.cnki.kzgc.160311YING C W, LIU S B. Attitude inversion sliding mode control in the process of non-cooperative target acquisition[J]. Control Engineering, 2019, 26(2): 276-281(in Chinese). doi: 10.14107/j.cnki.kzgc.160311 [8] 马龙, 孙汉旭, 宋荆洲, 等. 一种球形机器人高速直线运动的自适应控制方法[J]. 振动与冲击, 2021, 40(6): 201-211. doi: 10.13465/j.cnki.jvs.2021.06.027MA L, SUN H X, SONG J Z, et al. An adaptive control method for high-speed linear motion of spherical robot[J]. Journal of Vibration and Shock, 2021, 40(6): 201-211(in Chinese). doi: 10.13465/j.cnki.jvs.2021.06.027 [9] DUMLU A. Design of a fractional-order adaptive integral sliding mode controller for the trajectory tracking control of robot manipulators[J]. Proceedings of the Institution of Mechanical Engineers, Part I:Journal of Systems and Control Engineering, 2018, 232(9): 1212-1229. doi: 10.1177/0959651818778218 [10] YUE M, LIU B Y, WEI X, et al. Adaptive sliding-mode control of spherical robot with estimated rolling resistance[J]. Cybernetics and Systems, 2014, 45(5): 407-417. doi: 10.1080/01969722.2014.919205 [11] 周凯, 孙彦成, 王旭东, 等. 永磁同步电机的自抗扰控制调速策略[J]. 电机与控制学报, 2018, 22(2): 57-63. doi: 10.15938/j.emc.2018.02.008ZHOU K, SUN Y C, WANG X D, et al. Speed regulation strategy of auto-disturbance rejection control for permanent magnet synchronous motor[J]. Electric Machines and Control, 2018, 22(2): 57-63(in Chinese). doi: 10.15938/j.emc.2018.02.008 [12] 李锦英, 付承毓, 唐涛, 等. 运动平台上光电跟踪系统的自抗扰控制器设计[J]. 控制理论与应用, 2012, 29(7): 955-958.LI J Y, FU C Y, TANG T, et al. Design of active disturbance rejection controller for photoelectric tracking system on motion platform[J]. Control Theory and Applications, 2012, 29(7): 955-958(in Chinese). [13] 孙明玮, 邱德敏, 王永坤, 等. 大口径深空探测天线的抗风干扰伺服系统[J]. 光学精密工程, 2013, 21(6): 1568-1575. doi: 10.3788/OPE.20132106.1568SUN M W, QIU D M, WANG Y K, et al. Anti-wind interference servo system of large-aperture deep-space detection antenna[J]. Optics and Precision Engineering, 2013, 21(6): 1568-1575(in Chinese). doi: 10.3788/OPE.20132106.1568 [14] 朱进权, 葛琼璇, 王晓新, 等. 基于自抗扰和负载功率前馈的高速磁悬浮系统PWM整流器控制策略[J]. 电工技术学报, 2021, 36(2): 320-329. doi: 10.19595/j.cnki.1000-6753.tces.191572ZHU J Q, GE Q X, WANG X X, et al. PWM rectifier control strategy for high-speed magnetic levitation system based on auto disturbance rejection and load power feedforward[J]. Transactions of China Electrotechnical Society, 2021, 36(2): 320-329(in Chinese). doi: 10.19595/j.cnki.1000-6753.tces.191572 [15] 周新力, 李醒飞. 光电跟踪系统积分反步自抗扰控制策略[J]. 天津大学学报(自然科学与工程技术版), 2021, 54(4): 378-387.ZHOU X L, LI X F. PWM rectifier control strategy for high-speed magnetic levitation system based on auto disturbance rejection and load power feedforward[J]. Journal of Tianjin University (Science and Technology), 2021, 54(4): 378-387(in Chinese). [16] 姚芳, 林祥辉, 吴正斌, 等. 汽车防抱死制动系统的自抗扰控制研究[J]. 中国公路学报, 2021, 34(3): 1-10. doi: 10.19721/j.cnki.1001-7372.2021.03.018YAO F, LIN X H, WU Z B, et al. Research on auto disturbance rejection control of automobile anti-lock braking system[J]. China Journal of Highway and Transport, 2021, 34(3): 1-10(in Chinese). doi: 10.19721/j.cnki.1001-7372.2021.03.018 -


下载: