Real-time performance analysis on Terahertz interconnection with timed token protocol in avionics
-
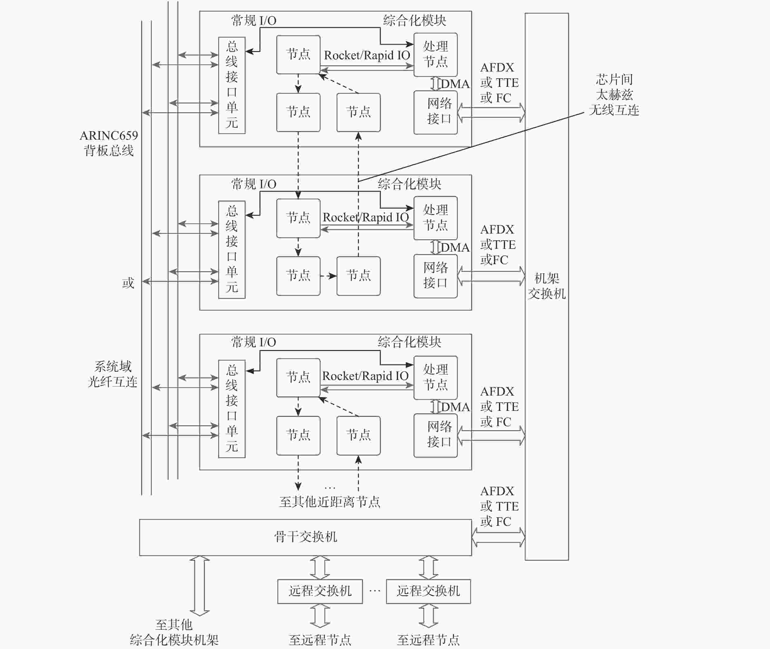
摘要:
在航空电子设备内部采用太赫兹通信技术实现cm级的板间或芯片互连可以减少引脚和接插件,缩小电子设备的体积,并降低维护成本。针对采用全向天线收发和开关键控(OOK)调制的近距离太赫兹通信网络,通过考虑分子吸收噪声和损耗的点到点通信链路分析,给出太赫兹信道容量计算结果;结合节点间的限时令牌多路访问协议,依据信道容量采用服务曲线模型进行最坏情况下总流量分析(TFA)和隔离流量分析(SFA);充分考虑概率保证下应用层通信任务的突发度,得到限时令牌太赫兹互连的实时性能分析方法。案例研究表明:相较于时分多址(TDMA)方式,基于限时令牌协议的无冲突多路访问机制可以适应物理层容量和应用层负载的随机变化,保证了更小的延迟,有利于实现航空电子芯片间和板间的太赫兹互连组网和实时通信。
Abstract:Using Terahertz communication technology to achieve centimeter level inter-board/chip interconnection in avionics can reduce pins and connectors, electronic equipment volume, and maintenance costs. For the short-range Terahertz communication network with omni-directional antenna transceiver and on-off keying (OOK) modulation, the calculation results of Terahertz channel capacity are given by analyzing the point-to-point communication link considering the molecular absorption noise and loss. Combined with the timed token multi-access protocol between nodes, and according to the channel capacity, the service curve model is used to analyze the total flow analysis (TFA) and separate flow analysis (SFA) in the worst case. The real-time performance analysis method of time limited token Terahertz interconnection is obtained by fully considering the burst degree of application layer communication task with probability guarantee. The case study shows that, compared with time division multiple access (TDMA), the collision free multiple access mechanism based on time limited token protocol can adapt to the random changes of physical layer capacity and application layer load, ensure less delay, and is conducive to the realization of Terahertz Interconnection Networking and real-time communication between avionics chips and boards.
-
Key words:
- avionics /
- real-time communication /
- Terahertz communication /
- network calculus /
- timed token network
-
表 1 不同传播距离下的信道容量
Table 1. Channel capacity in different propagation distances
参数 传播距离/cm 1 5 10 50 100 1000 信道容量/(Gbit·s−1) 54.550 5.850 1.577 0.065 0.016 1.6×10−4 表 2 节点消息负载状况及带宽分配
Table 2. Node message load and bandwidth allocation
节点 ki Pi /μs Ci /μs Di /μs THTi /μs 1 2 120 2.7 120 5.40 2 4 100 1.2 120 5.76 3 6 100 0.8 100 4.80 4 3 120 2.5 150 9.38 5 5 120 2.0 120 10.00 6 4 150 2.3 120 9.20 7 3 100 2.7 100 8.10 8 5 120 1.2 160 8.00 9 6 160 1.8 120 10.80 10 4 120 2.2 120 8.80 表 3
${{\boldsymbol{T}}_i}\left( {{\tau _i}} \right)$ 概率分布Table 3. Probability distribution of
${{{T}}_i}\left( {{\tau _i}} \right)$ 节点 THTi/μs ${ {{T} }_i}\left( { {\tau _i} } \right)$/μs ${\tau _i}$/μs 概率P 1 5.40 2.7 0~57.3 0.4775 5.4 57.3~120 0.5225 2 5.76 1.2 0~23.8 0.238 2.4 23.8~48.8 0.25 3.6 48.8~73.8 0.25 4.8 73.8~100 0.262 3 4.80 0.8 0~15.87 0.1587 1.6 15.87~32.53 0.1666 2.4 32.53~49.2 0.1667 3.2 49.2~65.87 0.1667 4.0 65.87~82.53 0.1666 4.8 82.53~100 0.1747 表 4 不同保证概率下3种方法的Beff估算结果
Table 4. Estimation results of Beff with three methods in different guaranteed probabilities
保证概率 ε Beff/μs 正态置信概率估计 Chernoff界估计 Monte Carlo仿真 10−2 56.7 56.6 56.4 10−3 61.6 60.3 60.2 10−4 65.4 62.9 62.9 10−5 68.5 64.8 64.2 表 5 网络负载率与最大延迟
Table 5. Network load rate vs. maximum delay
网络负载率U/% TDMA/μs 限时令牌/μs 最大延迟减小/% 30 31.23 27.75 11.14 50 50.47 45.25 10.34 80 81.24 73.9 9.03 表 6 U=30%时的节点消息负载状况
Table 6. Node message load when U = 30%
节点 ki Pi /μs Ci /μs Di /μs THTi /μs 1 2 120 1.0 120 2.00 2 4 100 0.5 120 2.40 3 6 100 0.5 100 3.00 4 3 120 1.0 150 3.75 5 5 120 0.75 120 3.75 6 4 150 0.5 120 2.00 7 3 100 1.0 100 3.00 8 5 120 0.5 160 3.33 9 6 160 0.5 120 3.00 10 4 120 1.0 120 4..00 表 7 U=50%时的节点消息负载状况
Table 7. Node message load when U = 50%
节点 ki Pi /μs Ci /μs Di /μs THTi /μs 1 2 120 2.0 120 4.00 2 4 100 1.0 120 4.80 3 6 100 1.0 100 6.00 4 3 120 1.0 150 3.75 5 5 120 1.25 120 6.25 6 4 150 2.0 120 8.00 7 3 100 1.0 100 3.00 8 5 120 1.0 160 6.67 9 6 160 0.5 120 3.00 10 4 120 1.0 120 4.00 -
[1] The ASHLEY Steering Committee. ASHLEY—The project [EB/OL]. (2018-03-18) [2020-03-05]. [2] GU Q J. THz interconnect: The last centimeter communication[J]. IEEE Communications Magazine, 2015, 53(4): 206-215. doi: 10.1109/MCOM.2015.7081096 [3] LEE Y S. Principles of Terahertz science and technology[M]. Berlin: Springer, 2009: 3. [4] CHEN Y, HAN C. Channel modeling and characterization for wireless networks-on-chip communications in the millimeter wave and Terahertz bands[J]. IEEE Transactions on Molecular, Biological and Multi-Scale Communications, 2019, 5(1): 30-43. doi: 10.1109/TMBMC.2019.2952863 [5] ELAYAN H, AMIN O, SHIHADA B, et al. Terahertz band: The last piece of RF spectrum puzzle for communication systems[J]. IEEE Open Journal of the Communications Society, 2019, 1: 1-32. [6] PARK J D, KANG S, THYAGARAJAN S V, et al. A 260 GHz fully integrated CMOS transceiver for wireless chip-to-chip communication[C]//2012 Symposium on VLSI Circuits. Piscataway: IEEE Press, 2012: 48-49. [7] LEE S, HARA S, YOSHIDA T, et al. An 80-Gb/s 300-GHz-band single-chip CMOS transceiver[J]. IEEE Journal of Solid-State Circuits, 2019, 54(12): 3577-3588. doi: 10.1109/JSSC.2019.2944855 [8] JORNET J M, AKYILDIZ I F. Channel modeling and capacity analysis for electromagnetic wireless nanonetworks in the Terahertz band[J]. IEEE Transactions on Wireless Communications, 2011, 10(10): 3211-3221. doi: 10.1109/TWC.2011.081011.100545 [9] KOKKONIEMI J, LEHTOMÄKI J, JUNTTI M. A discussion on molecular absorption noise in the Terahertz band[J]. Nano Communication Networks, 2016, 8: 35-45. doi: 10.1016/j.nancom.2015.11.001 [10] GHAFOOR S, BOUJNAH N, REHMANI M H, et al. MAC protocols for Terahertz communication: A comprehensive survey[J]. IEEE Communications Surveys & Tutorials, 2020, 22(4): 2236-2282. [11] ALSHEIKH R, AKKARI N, FADEL E. Grid based energy-aware MAC protocol for wireless nanosensor network[C]//2016 8th IFIP International Conference on New Technologies, Mobility and Security (NTMS). Piscataway: IEEE Press, 2016: 1-5. [12] LEMIC F, ABADAL S, TAVERNIER W, et al. Survey on Terahertz nanocommunication and networking: A top-down perspective[J]. IEEE Journal on Selected Areas in Communications, 2021, 39(6): 1506-1543. doi: 10.1109/JSAC.2021.3071837 [13] STRAITON A. The absorption and reradiation of radio waves by oxygen and water vapor in the atmosphere[J]. IEEE Transactions on Antennas and Propagation, 1975, 23(4): 595-597. doi: 10.1109/TAP.1975.1141104 [14] JORNET J M, PUJOL J C, PARETA J S. PHLAME: A physical layer aware MAC protocol for electromagnetic nanonetworks[J]. Nano Communication Networks, 2012, 3(1): 74-81. doi: 10.1016/j.nancom.2012.01.006 [15] 李峭, 李佳, 熊华钢, 等. 航空电子微距太赫兹互连DRR访问容量分析[J]. 航空学报, 2021, 42(6): 624082.LI Q, LI J, XIONG H G, et al. Accessing capacity of deficit round-robin (DRR) in avionics very-short range THz interconnections[J]. Acta Aeronautica et Astronautica Sinica, 2021, 42(6): 624082(in Chinese). [16] 中国航天工业第一集团公司. 线性令牌传递多路数据总线: GJB 8585—2015[S]. 北京: 总装备部军标出版发行部, 2016: 9-10.Aviation Industry Corporation of China. Linear token passing multiple data bus: GJB 8585—2015[S]. Beijing: Department of General Equipment Department of Military Standard Publishing, 2016: 9-10(in Chinese). [17] LE BOUDEC J Y, THIRAN P. Network calculus: A theory of deterministic queuing systems for the internet[M]. Berlin: Springer, 2001: 27-55. [18] PIESIEWICZ R, KLEINE-OSTMANN T, KRUMBHOLZ N, et al. Short-range ultra-broadband terahertz communications: Concepts and perspectives[J]. IEEE Antennas and Propagation Magazine, 2007, 49(6): 24-39. doi: 10.1109/MAP.2007.4455844 [19] ZHU N, ZIOLKOWSKI R W. Photoconductive THz antenna designs with high radiation efficiency, high directivity, and high aperture efficiency[J]. IEEE Transactions on Terahertz Science and Technology, 2013, 3(6): 721-730. doi: 10.1109/TTHZ.2013.2285568 [20] 仇佩亮, 陈惠芳, 谢磊. 数字通信基础[M]. 北京: 电子工业出版社, 2007: 242-245.QIU P L, CHEN H F, XIE L. Fundamentals of digital communications[M]. Beijing: Publishing House of Electronics Industry, 2007: 242-245(in Chinese). [21] International Telecommunication Union. Calculation of free-space attenuation: ITU-R P. 525[S]. Geneva: International Telecommunication Union, 2019. [22] GOODY R M, YUNG Y L. Atmospheric radiation: Theoretical basis[M]. 2nd ed. Oxford: Oxford University Press, 1989: 15-17. [23] ROTHMAN L S, GORDON I E, BARBE A, et al. The HITRAN 2008 molecular spectroscopic database[J]. Journal of Quantitative Spectroscopy and Radiative Transfer, 2009, 110(9-10): 533-572. doi: 10.1016/j.jqsrt.2009.02.013 [24] JORNET J M, AKYILDIZ I F. Channel capacity of electromagnetic nanonetworks in the Terahertz band[C]//2010 IEEE International Conference on Communications. Piscataway: IEEE Press, 2010: 1-6. [25] 熊华钢, 罗志强, 张其善. 线性令牌传递网络在严格实时条件下的带宽分配方法[J]. 通信学报, 1997, 18(12): 25-31.XIONG H G, LUO Z Q, ZHANG Q S. Bandwidth allocation for LTPB network under real time condition[J]. Journal of China Institute of Communications, 1997, 18(12): 25-31(in Chinese). [26] DANG D K, MIFDAOUI A, GAYRAUD T. Design and analysis of UWB-based network for reliable and timely communications in safety-critical avionics[C]//2014 10th IEEE Workshop on Factory Communication Systems. Piscataway: IEEE Press, 2014: 1-10. [27] WANDELER E. Modular performance analysis and interface-based design for embedded real-time systems[D]. Zurich: Shaker Verlag Eidgenössische Technische Hochschule Zürich, 2006: 35-49. [28] KOPETZ H. Real-time systems: Design principles for distributed embedded applications[M]. Berlin: Springer, 2011: 154-158. [29] CHERNOFF H. A measure of asymptotic efficiency for tests of a hypothesis based on the sum of observations[J]. The Annals of Mathematical Statistics, 1952, 23(4): 493-507. doi: 10.1214/aoms/1177729330 -


下载:



