留言板

尊敬的读者、作者、审稿人, 关于本刊的投稿、审稿、编辑和出版的任何问题, 您可以本页添加留言。我们将尽快给您答复。谢谢您的支持!

姓名
邮箱
手机号码
标题
留言内容
验证码

2019年  第45卷  第3期

显示方式:
2019年, 第45卷, 第3期
icon下载 (30519) 889 icon预览
论文
基于改进共生生物搜索算法的空战机动决策
高阳阳, 余敏建, 韩其松, 董肖杰
2019, 45(3): 429-436. doi: 10.13700/j.bh.1001-5965.2018.0395
摘要:

针对现代空战机动决策问题,提出了一种基于改进共生生物搜索(SOS)算法的空战机动决策方法。首先,分析了传统基本机动动作库存在的不足,对其进行了改进和扩充,设计了11种常用的基本机动动作;然后,综合考虑角度、距离、速度、高度和战机性能优势,构造了战机机动决策优势函数;最后,针对传统共生生物搜索算法在收敛速度、收敛精度以及局部最优上存在的缺陷,将轮盘赌选择方法、动态变异率和梯度思想引入到传统算法当中,对算法有效性和算法性能进行了仿真分析。仿真结果表明,改进的共生生物搜索算法在收敛速度、收敛精度以及跳出局部最优上更具优势,能够满足空战机动决策需求。

动力涡轮转子结构系统力学特性稳健设计方法
洪杰, 沈玉秡, 王永锋, 马艳红
2019, 45(3): 437-445. doi: 10.13700/j.bh.1001-5965.2018.0406
摘要:

航空涡轴/涡桨发动机动力涡轮转子是典型多支点支承、具有连接界面、质量/刚度分布不均匀的高速柔性转子系统,其连接结构力学特性和支承刚度的分散性可导致转子系统动力特性恶化。针对典型动力涡轮转子结构系统,指出不可恢复滑移、疲劳、摩擦等连接界面接触损伤是连接结构力学特性产生分散性的内在原因,提出了接触状态系数、接触应力、不可恢复变形能和接触摩擦功等工程适用的定量评估参数。通过对多支点柔性转子-支承系统临界转速分布及其对各支点支承刚度敏感度的影响规律分析,提出了基于支承刚度低敏感区择优的动力特性稳健设计方法,所提方法提高了转子结构系统的稳健性。

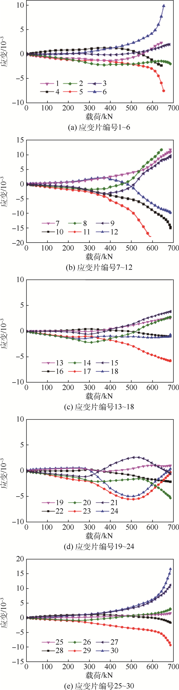
激光焊接带口盖加筋壁板剪切性能分析
回丽, 陈晓伟, 周松, 杨文军, 王磊
2019, 45(3): 446-453. doi: 10.13700/j.bh.1001-5965.2018.0414
摘要:

针对双光束激光焊接带口盖加筋壁板开展了剪切稳定性试验,分析了带口盖加筋壁板在受剪状态下的屈曲载荷、屈曲形式、后屈曲承载能力及破坏形式。建立了壁板与剪切夹具的有限元模型,对壁板的剪切失稳形式及后屈曲承载能力进行仿真计算,并探究了口盖对加筋壁板的承载能力、应力变化及面外变形的影响。结果表明:带口盖加筋壁板在剪切状态下,当屈曲比达到1.95时,加筋壁板进入后屈曲,最终破坏载荷约为屈曲载荷的2.98倍。仿真与试验得到的载荷-位移曲线较为吻合,有限元法得到的屈曲载荷和破坏载荷与试验平均值误差分别为8.7%、1.02%。开口壁板的承载能力及刚度均下降,螺栓紧固口盖对加筋壁板的应力与面外变形影响较大。

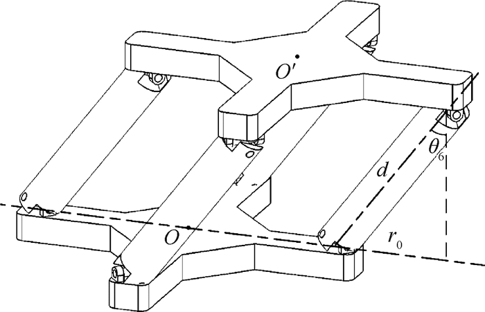
一种含闭环支链的新型并联机构设计与分析
房海蓉, 王立, 张海强, 杨会
2019, 45(3): 454-463. doi: 10.13700/j.bh.1001-5965.2018.0411
摘要:

为满足航天飞行器壳体套装过程中位姿调整机构刚度大、精度高的要求,对传统的支链结构进行有针对性的改进,设计了一种支链为闭环结构的新型5-U(RRP)S/(8U)PU并联机构,并进行了分析研究。应用螺旋理论计算机构的自由度;建立封闭矢量方程,进行运动学正反解;应用螺旋理论求解机构的全雅可比矩阵;利用杆长约束条件绘制机构的定姿态工作空间;通过求解静刚度矩阵分析机构的刚度随位姿的变化情况;利用软件进行仿真,并与一般机构进行对比。通过分析,验证了该机构的可行性和实际应用价值,为实现航天飞行器壳体套装的自动化奠定基础。

基于的DTV图像去噪模型
庞志峰, 张慧丽, 史宝丽
2019, 45(3): 464-471. doi: 10.13700/j.bh.1001-5965.2018.0329
摘要:

针对纹理图像的去噪问题,通过分析全变分(TV)去噪模型与方向全变分(DTV)去噪模型,提出了一种具有鲁棒性的基于的DTV去噪模型。为了刻画图像中的不同结构特征,该模型中DTV正则项的指数p由图像的结构来确定在(0,2)中自适应地选取。由于该模型是含有可分性算子的非光滑优化问题,可用交替方向乘子法(ADMM)求解,并能保证算法的收敛性。数值实验结果表明:与其他经典模型相比,提出的模型取得了更高的峰值信噪比和结构相似度,在去除噪声的同时能有效保持图像的细节信息。

激发跃迁速率对热力学非平衡氮气紫外辐射的影响
吴杰, 余西龙, 段然, 朱希娟, 李霞, 马静
2019, 45(3): 472-477. doi: 10.13700/j.bh.1001-5965.2018.0392
摘要:

基于氮气的碰撞-辐射(CR)模型,计算了速度为6.2 km/s、初始压力为133 Pa的高超声速流动激波中N2和N2+分子电子能级的分布情况,分析了不同激发跃迁速率模型对电子能级分布及辐射光谱模拟的影响。针对流动中热力学非平衡区域和平衡区域,在300~440 nm的辐射光谱开展了逐线法的数值模拟,并与激波管实验测量光谱进行了对比。结果表明,目前的激发跃迁速率均存在偏差,综合Park模型的爱因斯坦系数和Johnston模型的碰撞激发速率可以得到与实验结果最为接近的辐射光谱。

循环电载荷下大功率LED金引线疲劳断裂寿命预测
樊嘉杰, 李磊, 钱诚, 胡爱华, 樊学军, 张国旗
2019, 45(3): 478-485. doi: 10.13700/j.bh.1001-5965.2018.0401
摘要:

随着大功率发光二极管(LED)在照明领域的普及与广泛应用,可靠性逐渐成为研究的重点。大功率LED封装器件中金引线疲劳断裂失效一直是制约其可靠性的重要因素。通过针对大功率LED封装器件中的金引线力学仿真与功率循环试验相结合的方法,首先确定循环电载荷条件下该型LED的主要失效原因为金引线疲劳断裂,其次提出基于电流加速模型的加速因子提取方法和基于应变幅值的Coffin-Manson解析寿命预测方法,最终完成对LED金引线疲劳断裂寿命的预测和试验验证。研究结果表明:所提方法具有较高的寿命预测精度,可以满足大功率LED封装器件可靠性快速、准确评估的要求。

基于GA-SVM的GNSS-IR土壤湿度反演方法
孙波, 梁勇, 汉牟田, 杨磊, 荆丽丽, 俞永庆
2019, 45(3): 486-492. doi: 10.13700/j.bh.1001-5965.2018.0417
摘要:

针对提高大范围土壤湿度测量精度的问题,研究了土壤湿度的全球卫星导航系统干涉测量法(GNSS-IR),提出了一种基于支持向量机(SVM)的土壤湿度反演模型,利用遗传算法(GA)的自动寻优功能寻找SVM的最佳参数。结果表明,GA-SVM模型在测试集上得到的土壤湿度反演值与实测值的平均绝对百分比误差(MAPE)仅为0.69%,最大相对误差(MRE)为1.22%,线性回归方程决定系数达到了0.956 9。进一步与统计回归、粒子群优化的SVM模型(PSO-SVM)及反向传播(BP)神经网络方法进行对比,结果说明:在样本数目有限的情况下,GA-SVM方法更适用于土壤湿度的GNSS-IR技术反演,且反演精度较高,泛化性能良好。

颈动脉内血流动力学特征受向前加速度影响的数值模拟
刘岩, 孙安强
2019, 45(3): 493-498. doi: 10.13700/j.bh.1001-5965.2018.0471
摘要:

人们在日常或某些特殊条件下常会面临方向和大小发生迅速变化的加速度环境,已有研究发现加速度环境会影响心血管系统生理、病理特征。利用计算机模拟方法详细研究了向前加速度环境下人体颈动脉内的血流动力学参数变化规律。结果表明:加速度会对颈动脉内压力、压力梯度、壁面剪切应力等与血管生理、病理现象密切相关的血流动力学参数产生显著影响。研究结果为加速度环境下颈动脉生理、病理研究提供了一定的理论依据,也为航空航天领域加速度环境下人员防护提供参考。

阻拦着舰过程中飞行员颈部的损伤分析与预测
包佳仪, 王兴伟, 周前祥, 谌玉红, 李晨明, 刘华蔚
2019, 45(3): 499-507. doi: 10.13700/j.bh.1001-5965.2018.0404
摘要:

针对舰载机飞行员在阻拦着舰过程中因受到较大的阻拦载荷而导致颈部疼痛发病率较高问题,采用有限元方法开展了持续过载条件下飞行员颈部的生物力学响应研究。基于CT扫描图像,运用Mimics对头部及C1-T1椎体进行三维重建,利用Geomagic Studio进行曲面构型,运用Hypermesh和ABAQUS建立有限元模型,并在ABAQUS中计算各椎体及软组织的应力应变情况,结合损伤评价判定准则——NIC和Nij对飞行员颈部损伤情况进行分析和预测。结果表明:有限元模型动力学响应与静态和动态实验结果基本吻合,验证了模型的准确性和建模方法的可行性;关节囊韧带拉伸较其他韧带更长,易造成拉伤或松弛,长期训练会造成韧带受损、椎间盘突出和颈椎失稳等疾病;C4-C5椎间盘的应力均值大于C5-C6椎间盘,因此,该部位更容易造成损伤,应强化保护;颈部危重及以上损伤的概率仅为6.07%,即造成椎骨和脊髓损伤的可能性很小。研究结果可为飞行员颈部保护装置、对抗措施和飞行训练方法的设计与改进提供理论支撑。

基于代理模型的制导火箭炮发射诸元计算方法
赵强, 汤祁忠, 韩臖礼, 杨明, 陈志华
2019, 45(3): 508-519. doi: 10.13700/j.bh.1001-5965.2018.0339
摘要:

针对制导火箭炮发射诸元的快速计算问题,提出了一种结合大样本数据和代理模型计算发射诸元的新方法。运用代理模型建立射角、无控弹道侧偏与炮位纬度、炮位高程、射向、射程、目标点高程及药温之间的函数关系,并根据射程和无控弹道侧偏的预测值对射向进行修正。仿真结果表明,高阶多项式响应面、相关函数为高斯函数的Kriging、高阶单项式径向基函数、核函数为高斯函数的最小二乘支持向量机、激活函数为正弦函数的超限学习机以及由上述单一代理模型构建的组合代理模型均具有较高的预测精度,各种单一代理模型对射角和无控弹道侧偏的预测时间均小于1 ms,证明了基于代理模型的射角和无控弹道侧偏预测方法切实可行,且通过对射向进行修正有效减小了由于地球自转引起的无控弹道侧偏。

六相永磁容错轮毂电机多物理场综合设计方法
郭嗣, 郭宏, 徐金全
2019, 45(3): 520-528. doi: 10.13700/j.bh.1001-5965.2018.0360
摘要:

针对电动装甲车用轮毂电机工况复杂多变,发热严重的问题,通过对电机所涉及各物理场之间关系的分析,提出了一种永磁容错轮毂电机多物理场设计方法。利用该方法对一台电动装甲车用额定功率50 kW,最高转速6 000 r/min六相永磁容错轮毂电机进行了综合设计。在电机结构初步设计基础上,通过电磁-应力耦合分析,在兼顾电磁性能和转子强度的情况下对转子隔磁磁桥进行优化设计;通过电磁-温度耦合分析计算了电机内各区域温度分布,并对永磁体在极限温度下的退磁进行了校核;通过应力-温度耦合设计完成了转子与护套的最大应力计算,校核了护套厚度及过盈量。仿真结果表明,基于多物理场综合设计方法得到的电机能同时满足电磁性能、温度限制以及机械强度的要求,电机可靠性得到了提高。

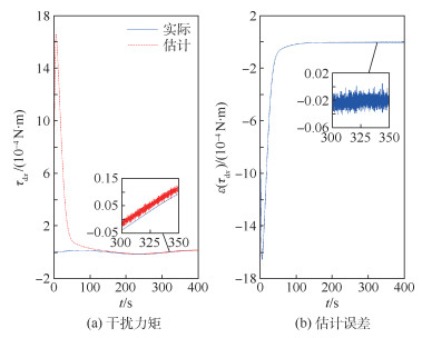
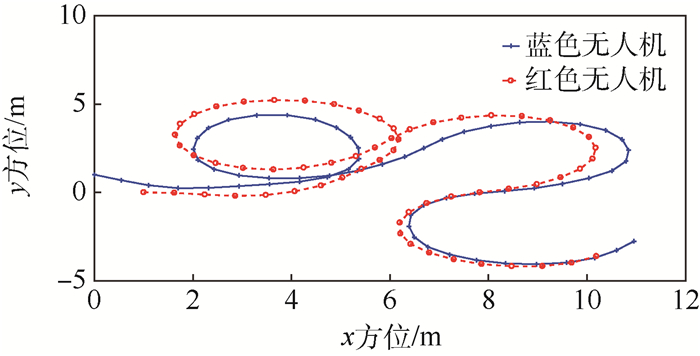
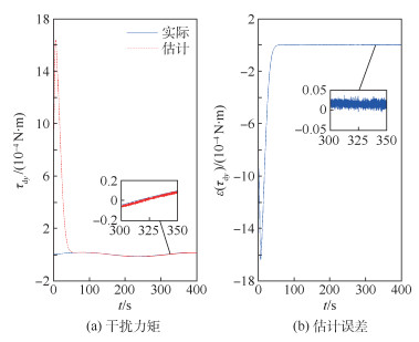
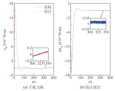
卫星姿态控制系统执行器微小故障检测方法
李磊, 高永明, 吴止锾, 张学波
2019, 45(3): 529-537. doi: 10.13700/j.bh.1001-5965.2018.0372
摘要:

针对卫星姿态控制系统执行器微小故障检测问题,提出一种基于神经网络干扰观测器的微小故障检测方法。该方法利用卫星姿态控制系统内的冗余关系,分别构建陀螺干扰观测器和干扰力矩观测器,对系统内的测量误差、扰动等进行估计,并对故障检测观测器进行扰动补偿,提高对执行器微小故障的检测能力。仿真结果表明,与基于解析模型的方法相比,该方法能够较精确地对解析模型的误差进行补偿,明显降低了检测阈值,实现了对扰动掩盖下的微小执行器故障检测。

基于切换系统的变体飞行器鲁棒自适应控制
梁小辉, 王青, 董朝阳
2019, 45(3): 538-545. doi: 10.13700/j.bh.1001-5965.2018.0377
摘要:

针对变体飞行器变形过程的控制问题,将切换系统理论与多变量自适应控制理论相结合,提出了一种基于切换系统的鲁棒自适应控制器设计方法。首先,建立了变体飞行器纵向短周期线性切换模型,描述了飞行器的整个变形过程;然后,设计了一种改进的鲁棒自适应控制律,抑制了各类干扰和不确定性对系统的影响,实现了切换系统对参考模型的良好跟踪;最后,提出了一种基于模型依赖驻留时间(MDDT)的切换控制律,保证了变体飞行器在变形切换过程中的稳定性,利用Lyapunov函数方法证明了本文方法最终一致有界。仿真验证表明,在存在外部干扰和各类不确定性的情况下,本文方法能保证飞行器在变形过程中精确跟踪参考模型,且具有较好的抗干扰能力。

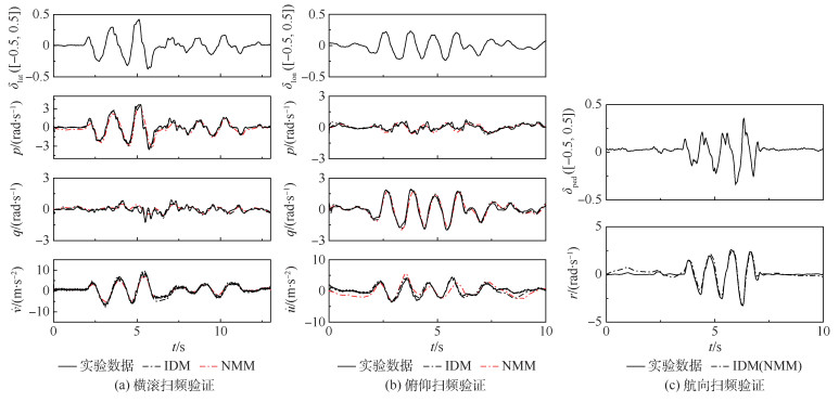
悬停状态下小型无人直升机飞行动力学模型辨识
武梅丽文, 陈铭, 王放
2019, 45(3): 546-559. doi: 10.13700/j.bh.1001-5965.2018.0384
摘要:

为了更好地研究小型无人直升机悬停状态动力学特性,对一个8.1 kg三轴陀螺仪增稳的电动直升机,从线性系统辨识方面及非线性建模方面,进行了动力学模型深入研究。在线性系统辨识过程中,应用频域辨识方法,在飞行中同时采集陀螺仪之前及之后的操纵数据进行双系统辨识。在非线性建模过程中,机体、旋翼及尾桨动力学被分别建模。尾桨动力学应用3阶段辨识法单独提取基底、陀螺仪及整体增稳模型。结合2种分析过程,应用非线性-线性模型结合修正方法,提高相互的仿真精度。结果表明:13阶高阶模型在线性辨识过程中相对比11阶模型表现更优;双系统线性模型的基底模型数据具有高质量高频特性,最高频率限制可达30 rad/s;除挥舞方程参数和尾桨参数以外,非线性数学模型(NMM)进行了7个非线性变量的修正,有效地拟合了悬停实验数据。

基于分段常值推力的水滴悬停构型控制策略
白晟州, 王慧疆, 韩潮, 张斯航
2019, 45(3): 560-566. doi: 10.13700/j.bh.1001-5965.2018.0408
摘要:

针对航天器编队飞行任务对相对运动控制的要求,研究了在分段常值推力控制下航天器受迫绕飞构型的设计与控制问题。首先,基于脉冲控制下的水滴悬停构型,提出了多段常值推力控制实现水滴悬停构型的打靶方程;将打靶方程转化为求解极值问题,采用最小二乘法来求解;分析了一段常值推力可行性。然后,以连续常值小推力控制方程为基础,推导了小邻域定理,分析了近距离相对运动条件下两段常值推力控制的可行性;针对可能出现求解精度差的问题,提出了小推力增量方程来修正精度,并证明在靠近理想解的情况下多次迭代可以趋近于理想解。最后,通过数值仿真实现常值小推力控制下的水滴悬停相对运动。数值仿真结果表明常值小推力控制策略可行,研究成果完善了航天器受迫绕飞构型设计与控制的相关理论,为工程应用提供参考。

大型机场滑行道航空器交通流特性仿真
薛清文, 陆键, 姜雨
2019, 45(3): 567-574. doi: 10.13700/j.bh.1001-5965.2018.0399
摘要:

滑行道是连接跑道和停机坪的纽带,是大型机场航空器场面运行的关键资源。随着场面航空器数量的不断增加,航空器在滑行道区域涌现出特有的交通流特性。基于滑行道航空器运行规则,结合元胞传输模型(CTM),建立宏观的滑行道航空器交通流元胞传输模型,在NetLogo系统动力学仿真平台的基础上,以中国某大型机场滑行道航空器运行为例对模型进行验证,推理滑行道交通流基本参数之间的关系和相变特征。研究表明,滑行道交通流在自由流、同步流和阻塞流3种相态中演变,其中在同步流相态中,随着密度增加,流量从0.15降至0.10架次/min,速度从20降至7.64 m/s,说明流量和速度参数对于密度的变化十分敏感。当离场率与进场率的比例从0.2降至0.15时,3种相态下的临界流量从0.15、0.10降至0.13、0.05架次/min;临界速度在自由流不变,同步流和阻塞流中依次从7.64、1.07降至0.88、0.25 m/s;临界密度在自由流由0.50降至0.46架次/km,而在同步流阻塞流中依次从0.88、6.21增加至3.77、13.17架次/km。本研究揭示滑行道交通流拥堵演变机理,为制定科学合理的滑行道管理控制策略提供理论基础。

基于相干度优化的极化顺轨干涉SAR慢小目标CFAR检测
张鹏, 张嘉峰, 刘涛
2019, 45(3): 575-587. doi: 10.13700/j.bh.1001-5965.2018.0322
摘要:

为改善干涉合成孔径雷达(SAR)系统对慢动小目标的检测性能,研究了全极化顺轨干涉SAR(AT-POLINSAR)实现慢动目标恒虚警(CFAR)检测的方法。首先,通过对单基线AT-POLINSAR的系统设计,明确了其在现有技术条件下的可实现性,并对其信号形式与极化干涉回波进行了建模分析。然后,针对AT-POLINSAR 6维极化干涉矢量提出了以背景杂波平均相干度为优化准则的极化降维新方法,构建了一种统计分布类型与单极化干涉数据相同的次优极化标量干涉回波,从而使目前单极化顺轨干涉SAR(AT-INSAR)慢动目标CFAR检测方法可直接扩展至全极化情形。最后,通过检测实验对次优极化与单极化的慢动目标检测性能进行了对比分析。结果表明,次优极化方法能充分利用全极化信息提高INSAR对慢小目标的检测概率。

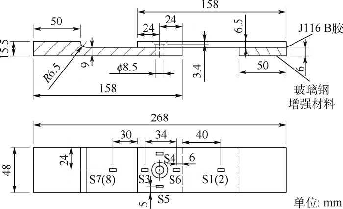
窄线宽半导体激光器的热设计及优化
刘思喆, 全伟, 翟跃阳
2019, 45(3): 588-596. doi: 10.13700/j.bh.1001-5965.2018.0336
摘要:

激光管内产生的热流对结构固有特性的影响是窄线宽半导体激光器结构设计的重点研究问题之一。基于机械性能和温度载荷要求,以整体结构散热最大化为目标,对内部热载荷进行了分析与应用研究,并以此为依据对半导体激光器的结构尺寸与结构形式进行了优化设计,该方法使激光器整体温度最大值由24.6℃降至22.827℃,并且分析了前100 s内瞬态温度变化曲线,通过优化结构使得散热均匀性得到很好的改善。

基于近似动态规划的目标追踪控制算法
李惠峰, 易文峰, 程晓明
2019, 45(3): 597-605. doi: 10.13700/j.bh.1001-5965.2018.0353
摘要:

在目标跟踪问题中,针对飞行器控制算法难以适应目标大机动飞行甚至与我方博弈等难度较大任务的问题,提出了基于近似动态规划的目标追踪控制算法。该算法通过使用博弈策略对我方无人机进行训练形成经验,将双方位置等状态作为已知量,滚转方向作为控制量,利用两物体的相对位置得出其特征,并形成近似值函数;最终利用rollout算法进行最优跟踪决策求解,实现对跟踪目标甚至是博弈目标的灵活有效精确跟踪。仿真结果验证了近似动态规划用于控制算法的有效性。

结冰条件下的飞行控制律重构设计方法
王良禹, 徐浩军, 李颖晖, 李哲
2019, 45(3): 606-613. doi: 10.13700/j.bh.1001-5965.2018.0358
摘要:

针对飞机结冰条件下的飞行安全问题,在线性结冰影响模型的基础上构建了非线性结冰影响模型,并建立了结冰飞机纵向非线性动力学模型。利用反馈线性化理论与模糊控制原理相结合,重构设计了结冰条件下的纵向控制律,既保证了动态响应特性,又改善了控制器的抗干扰能力,使飞机具备一定的容冰飞行能力。通过仿真模拟了飞机在不同结冰严重程度以及干扰下的纵向响应,并与常规PID控制进行对比,验证了设计控制律的有效性和抗干扰能力。结果表明,该设计方案下的各状态参数动态响应均能较快较好地收敛,能更精准快速地跟踪俯仰角指令,且抗干扰能力、动态性能均优于常规PID控制。

带落角约束的新型二阶滑模三维制导律
史绍琨, 赵久奋, 崇阳, 杨奇松, 尤浩
2019, 45(3): 614-623. doi: 10.13700/j.bh.1001-5965.2018.0387
摘要:

针对导弹在三维空间中攻击地面机动目标问题,提出了一种带落角约束的三维有限时间制导律。为提高收敛速度和抑制抖振现象,基于非齐异快速终端滑模面和二阶滑模控制理论设计了含耦合项的非奇异快速终端二阶滑模三维制导律,设计过程中无需对系统模型作线性化处理并且避免了奇异问题的出现。针对目标机动信息和视线角耦合带来的总扰动,设计了非齐次干扰观测器进行估计并补偿。并对制导律的稳定性和有限时间收敛特性进行了严格的数学证明。仿真验证了本文提出制导律的有效性和优越性。

类X-51A飞行器非定常湍流精细模拟
余华峰, 刘宏康, 陈树生, 阎超
2019, 45(3): 624-632. doi: 10.13700/j.bh.1001-5965.2018.0409
摘要:

针对类X-51A飞行器在超声速大迎角状态下存在的大范围非定常分离流动,开展了精细化湍流数值模拟研究。计算基于高阶格式下的延迟分离涡模拟方法(DDES),来流马赫数为2.5,迎角为10°。分析了该复杂流场中存在的分离流动现象、分离流动诱导的气动特性变化规律以及压力脉动特点;其中重点研究了壁面压力脉动强度分布情况和监测点压力脉动频谱特性。分析结果表明:飞行器大迎角飞行时从侧缘诱导出明显的分离涡,并对尾部舵面产生干扰;受干扰尾舵表现出明显的非线性及非定常气动特性;分离涡的存在导致飞行器尾舵前缘等位置的壁面压力脉动显著增强,200~300 Hz的低频高幅值脉动可能会导致结构破坏。

带衬套沉头螺栓复合材料/金属接头拉伸性能
陈坤, 舒茂盛, 胡仁伟, 郭鑫, 程羽佳, 程小全
2019, 45(3): 633-640. doi: 10.13700/j.bh.1001-5965.2018.0412
摘要:

对带衬套沉头螺栓连接复合材料/金属接头进行拉伸试验,测量了接头的载荷-位移曲线和面外变形等性能,研究了接头的拉伸行为。利用ABAQUS软件,建立了接头的有限元模型,计算得到的条件挤压载荷、极限破坏载荷和破坏模式与试验结果吻合较好,证明了所建有限元模型的有效性。利用该模型,分析了接头破坏的机理,并进一步研究了螺栓与衬套过盈量、拧紧力矩和钛板厚度等因素对接头拉伸性能的影响。结果表明:适度的增大螺栓与衬套的过盈量能有效提高接头的刚度和强度;在一定范围内增加拧紧力矩能提高接头的承载能力;增加钛板的厚度,对接头的刚度有明显提升,但对极限破坏载荷影响较小。

常见问答