2021 Vol. 47, No. 10

Display Method:
Volume 47 Issue102021
iconDownload (95718) 1026 iconPreview
Solving catenary problem using function transfer method
MA Yanhong, SHI Chenglong, HONG Jie, LI Chao
2021, 47(10): 1933-1940. doi: 10.13700/j.bh.1001-5965.2020.0367
Abstract:

Catenary problem is a kind of classical and changeable mechanical problem, whose curve configuration guides the structural design of engineering applications such as bridge. In order to obtain the deformation of catenary with different structural or load characteristics, a general method based on transfer matrix method is proposed. The catenary mechanics model is extracted, and the catenary is divided sequentially into several simple elements. The characteristic function group of element state parameters is obtained by combining element force balance and constitutive-geometry relationship. The whole characteristic function group is obtained by nesting element characteristic function group sequentially. Then the discrete Newton iterative method is used to solve the equations of nonlinear whole characteristic function group, and finally the forces and deformation of catenary are obtained. An example showed that the results were consistent with the analytical solution. The function transfer method is applicable to the catenary problems with complex structural characteristics and load characteristics, and also applicable to solving the generalized deformation of other structural systems which can be divided into several head-to-tail structural elements.

Sea surface height inversion of GPS reflected signal based on TechDemoSat-1 satellite
ZHANG Yun, MA Dehao, MENG Wanting, ZHENG Qiao, YANG Shuhu
2021, 47(10): 1941-1948. doi: 10.13700/j.bh.1001-5965.2020.0357
Abstract:

The problems of using GPS-Reflectometry (GPS-R) measured data to establish satellite-borne sea surface height inversion model are studied and its validity is verified. The data of TechDemoSat-1 (TDS-1) and the retrieval technique of Delay-Doppler Map (DDM) were used to analyze the errors in the retrieval of satellite-borne GPS-R sea surface height, and the error models were established. The satellite-borne GPS-R sea surface height inversion model was optimized. Meanwhile, the DTU15 global mean sea surface and sea tide model was adopted to verify the inversion accuracy. The results show that the Mean Absolute Deviation (MAD) of the global sea surface height inversion results obtained by the optimized inversion model is 6.05 meters, and the accuracy is improved by about 29%, effectively improving the accuracy of SST inversion. The research results have certain significance for promoting the application of spaceborne GNSS-Reflectometry (GNSS-R) in sea surface height inversion.

Image inpainting method based on incomplete image samples in generative adversarial network
LI Haiyan, HUANG Hefu, GUO Lei, LI Haijiang, CHEN Jianhua, LI Hongsong
2021, 47(10): 1949-1958. doi: 10.13700/j.bh.1001-5965.2020.0374
Abstract:

A model of Double Generator Deep Convolutional Generative Adversarial Network (DGDCGAN), which uses the incomplete or noisy sample image as the training set, is proposed, in order to solve the problem of serious distortion of large area image inpainting, complete and high-quality training samples are frequently required, which is hard to acquire. Furthermore, the convergence of single generator is slow. Therefore, two generators and a discriminator are constructed. The incomplete image training set is used to cross calculate and search the image information similar to the loss area as the sample of training generation model, which achieves faster convergence speed. The loss function of the discriminator is improved to be the Wasserstein distance of the output. The adaptive estimation algorithm is used to optimize the model parameters for generating network loss function and identifying network loss function. Finally, the distance difference between two sets of images is calculated, and the reconstructed image is optimized by discriminating model and minimizing mean square error of the total distance change of a group of repaired images. Experiments are performed on four public dataset, the subjective and objective experimental results show that the proposed method that uses incomplete samples as training data can restore large area of distortion in images with faster convergence speed and better performance compared with the existing methods in image inpainting.

Calibration of MEMS accelerometer without turntable based on IFOA
DAI Hongde, ZHENG Weiwei, ZHENG Baidong, DAI Shaowu, WANG Rui
2021, 47(10): 1959-1968. doi: 10.13700/j.bh.1001-5965.2020.0349
Abstract:

In order to improve the calibration efficiency of Micro-Electro-Mechanical System (MEMS) accelerometers and reduce the dependence on high-precision turntables, a MEMS accelerometer calibration method based on Improved Fruit Fly Optimization Algorithm (IFOA) without turntables is proposed. The method first converts the accelerometer calibration problem into a nonlinear function optimization problem according to the principle of norm-observation. Afterwards, in view of the shortcomings of the classic FOA that can only search for positive parameters and search step size is fixed, the smell concentration judgment value and search step size were improved to make IFOA have global parameter search and variable step size. The two improved performances were tested using the Rosenbrock function. The results show that the IFOA has a global parameter optimization range and higher optimization accuracy than the classic FOA. Finally, the IFOA was applied to solve the nonlinear function optimization problem of accelerometer calibration parameters. The results are compared with those of Newton iteration method and Particle Swarm Optimization (PSO) algorithm. The simulation results show that the IFOA is 1-3 orders of magnitude higher than Newton iteration method in terms of solution accuracy. Compared with Newton iteration method and PSO algorithm, the IFOA improves the running stability by 30% and 34% respectively, and reduces the running time by 15.2% and 43.6% respectively. The IFOA has a good application value in the calibration of accelerometer without turntable

Abnormal hand behavior detection based on area division and standard time
LIANG Yuning, WANG Shaohua, JIN Xiangming, ZHOU Dong
2021, 47(10): 1969-1979. doi: 10.13700/j.bh.1001-5965.2020.0369
Abstract:

Abnormal hand behavior detection during operation based on intelligent video surveillance systems can prevent human errors and improve human reliability. In order to solve the problems that the motion characteristics of hand operation are not obvious, and common abnormal detection and gesture recognition methods are not applicable, a detection technology of abnormal hand behavior based on area division and standard time is proposed. The skin color detection method based on ellipse model was used to detect the hand centroids in the video. The work area division method is proposed to define the unit task. The continuous operation was divided into unit tasks according to the work area of the hand centroid in each frame, and the start and end time and the duration of each unit task were obtained. Standard time was defined by normal working hours. And warnings were given to the unit tasks which exceed the standard time range. Experimental results show that the accuracy rate of unit task segmentation is higher than 93%, and the detection rate of abnormal behavior is higher than 86%. The proposed method can effectively detect abnormal hand behavior and provide technical support for human error monitoring and early warning.

Time delay feedback control for transonic flutter of airfoil with free-play nonlinearity
NIE Xueyuan, ZHENG Guannan, YANG Guowei
2021, 47(10): 1980-1988. doi: 10.13700/j.bh.1001-5965.2020.0356
Abstract:

In active control of flutter, time delays are inevitably introduced and have significant influence on the stability of the closed-loop controlled aeroelastic system. At present, study on the flutter suppression has been focused on subsonic and supersonic regimes, where aerodynamic forces are modeled with the linear theory. However, it is noticed that civil or military aircraft usually cruise at the transonic regime, and the control surface deflection is used as a control variable in the active control. In view of the above situation, the method of time delay feedback control for free-play nonlinear system transonic flutter is developed based on the aerodynamic forces reduced order modeling. In the method, the unsteady aerodynamic forces models for transonic regime were firstly identified with the white noise as excitation signals, and were combined with free-play nonlinear structure model to construct the state-space models for the controlled aeroelastic system. Then, a state transformation with the integral item was introduced to make the input-delay system be transformed into a system without delay. Finally, optimum time delay feedback control is designed by optimum control theory. Simulation results indicate that, for the system with time delay, the control algorithm may fail to suppress the flutter if time delay is not considered in control design. The effectiveness of the proposed time delay feedback control algorithm isn't influenced by the magnitude of the time delays. The developed method can obtain excellent flutter suppression results with either small or large input time delay.

Optimal analysis of design point performance of ducted rocket
LI Xintian, CHEN Xinmin, CHEN Shili, XU Nuo, CAI Qiang
2021, 47(10): 1989-1995. doi: 10.13700/j.bh.1001-5965.2020.0378
Abstract:

Aimed at range optimization requirements of vehicle with ramjet, an evaluation method based on the vehicle-ramjet performance factor is proposed. Performance prediction model and optimization design process of ducted rocket are developed. These provide support for the integrated optimization design of vehicle and ramjet. According to the analysis results of ramjet performance with boron-based fuel rich propellant, under the same Mach number and excess air coefficient, the change of specific impulse caused by height variation is not obvious. Under the same Mach number, the specific impulse increases first and then decreases with the increase of excess air coefficient. Under the same excess air coefficient, the specific impulse decreases with the increase of Mach number. With the increase of the Mach number and excess air coefficient, vehicle-ramjet performance factor increases first and then decreases. The vehicle-ramjet performance factor reaches a maximum under certain Mach number and excess air coefficient.

Dynamic SBAS message scheduler algorithm
CHEN Shanshan, JIN Biao, ZHAO Liqian, XIA Chuanru, WANG Leilei
2021, 47(10): 1996-2005. doi: 10.13700/j.bh.1001-5965.2020.0375
Abstract:

Satellite Based Augmentation Systems (SBAS) provide SBAS messages through GEO satellites to improve the performance of GNSS in order to meet the navigation needs of civil aviation users, and reasonable and effective message content and broadcast schedule design are important for SBAS to achieve high-quality services. In order to improve the flexibility of message scheduler and avoid the waste of broadcast resources caused by filling the null messages, this paper proposes an automatic scheduler of SBAS message. Under the premise of meeting the requirements of international standards, this scheduler comprehensively uses the age of SBAS message and the maximum broadcast period to realize the automatic selection of the message type to be broadcast. At the same time, this paper uses NTMF data to analyze the characteristics of the current SBAS message, and evaluates the application effect of the proposed scheduler in single- and dual-frequency SBAS message. The results show that this scheduler can ensure that the message schedule meets the requirements of international standards, can achieve the priority broadcast of important messages, and can realize the nearly equal proportion shortening of the broadcast interval of each message type by dynamic allocation of spare time slot. Compared with rigid scheduler, the integrity message broadcast interval is shortened by about 15.0% and the first positioning time is shortened by about 8% for the single-frequency SBAS, and the first positioning time is shortened by about 6.5% for the dual-frequency SBAS message. Compared with BDSBAS B1C rigid scheduler, the integrity message broadcast interval is shortened by about 14.7% and the first positioning time is shortened by about 16.7%. The scheduler can effectively improve the efficiency of SBAS message broadcasting and realize 100% effective use of SBAS broadcast resource.

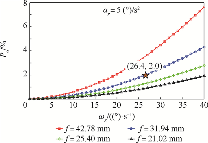
Complete motion parameters modeling and optimization design of multiexposure star tracker
YU Wenbo, WU Pei, XUAN Chuanzhong, ZHANG Chunhui, JIANG Jie
2021, 47(10): 2006-2012. doi: 10.13700/j.bh.1001-5965.2020.0364
Abstract:

The multiexposure imaging method can be utilized to improve the attitude update rate of the star tracker effectively. However, with the increase of the angular velocity and angular acceleration, the cross probability of adjacent star tracks increases significantly, thus seriously affecting the performance of multiexposure imaging method. In order to solve the above problem, first, the star imaging position model based on the complete motion parameters of star tracker is established, and the movement displacement of the star point in the working period is determined accordingly. Then, according to the above model, the relationship between the cross probability and the parameters such as complete motion parameters, focal length and star position, is simulated quantitatively, and the limit safety values of complete motion parameters are determined as angular velocity ω ≤ 26.4(°)/s and angular acceleration α ≤ 5(°)/s2. Finally, a star observation field experiment is carried out to further verify the effectiveness of the proposed method.

Deformation of high-fill subgrade of airport in mountain areas
FENG Xing, YAO Yangping, LI Runing, ZHANG Xianmin
2021, 47(10): 2013-2023. doi: 10.13700/j.bh.1001-5965.2020.0510
Abstract:

At present, a large number of high-fill projects are used in mountainous airports, and the settlement and deformation of high-fill subgrades is an important issue to be solved. In this paper, based on the Unified Hardening (UH) model, by studying relationships between the stone content and the internal friction angle and cohesion, and based on the extended SMP criterion and transforming stress, the stone content is introduced into the UH model, and the UH model considering stone content is established. The change law of the intersection of the current yield surface and the mean principal stress axis is used as the judgment criterion for loading and unloading of the UH model considering stone content, which makes the unified consideration of hardening and softening be realized. And the semi-implicit back reflection stress update algorithm is adopted. The loading and unloading criterion is applied to the stress update algorithm. And the finite element application of the UH model considering stone content is realized. Then the finite element analysis of the large-scale triaxial test of the soil-stone mixture is carried out by the finite element program of the UH model considering stone content, and the validity of the finite element program is verified by comparing the calculated results of the finite element with the actual test results. Finally, using the finite element program of the UH model considering stone content, the three-dimensional finite element analysis is carried out for the high-fill subgrade of airport in the mountain area, and the vertical displacement curve of the ground settlement monitoring point is obtained. The calculated curves are compared with the curves by the UH model without considering stone content, the Modified Cambridge (MCC) model and the measured data. And the vertical displacement contour, the lateral displacement contour, the pore water pressure contour and the change curve of pore water pressure with time of high-fill subgrade are obtained, and thereby the displacement and pore water pressure change laws of the airport's high-fill subgrade are obtained. The rationality of the UH model considering the stone content in analyzing the deformation of the high-fill subgrade of the mountainous airport is explained.

Gao Zhentong method in intelligentization of statistics in fatigue
XU Jiajin
2021, 47(10): 2024-2033. doi: 10.13700/j.bh.1001-5965.2020.0373
Abstract:

The Weibull distribution plays a very important role in statistics in fatigue, but the Weibull distribution of the three parameters is more complicated in mathematical form. The three parameters can be estimated through sample data. One is the "Weibull probability paper", but this method is inconvenient to use and the error is relatively large. The other is the "analytical method". To solve the three simultaneous transcendental equations, although it can be solved by a computer, there is still the problem of "incompatibility". To this end, an intelligent solution-Gao Zhentong method is proposed, which makes full use of the characteristics of Python and can conveniently give the three parameters of Weibull distribution at the same time. This lays a solid foundation for the theoretical research, practical application and intelligentization of statistics in fatigue of Weibull distribution.

Influence of wind deviation on rocket maximum aerodynamic load accuracy
CHENG Huhua, LI Juan, XIAO Yunqing, SHEN Hongbiao, ZHAO Liang
2021, 47(10): 2034-2042. doi: 10.13700/j.bh.1001-5965.2020.0358
Abstract:

The prediction accuracy of upper wind has an important impact on the flight safety of launch vehicle, which is mainly manifested in the impact on the accuracy of the maximum aerodynamic load. Based on wind field from sounding data in a region, the influence of wind deviation caused by upper wind forecast on the accuracy of rocket maximum aerodynamic load is analyzed. It is found that the accuracy of the maximum aerodynamic load forecast is significantly reduced with the extension of the upper wind forecast time. The relative error increases from 5.68% on the first day to 26.49% on the 11th day; the accuracy of the maximum aerodynamic load forecast is related to the season, with the highest forecast accuracy in autumn and the lowest in spring. These findings have reference value in the flight assurance and safety decision-making of rocket launch.

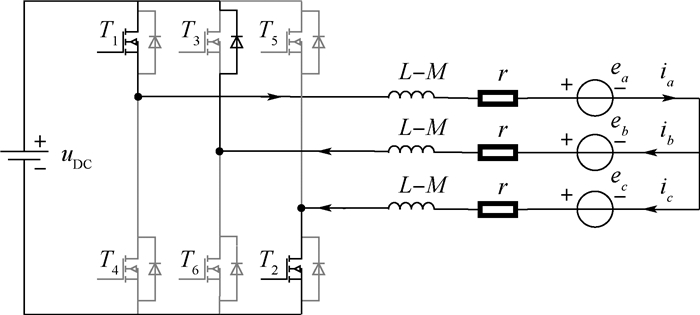
Design of four-quadrant power hardware-in-the-loop brushless DC motor emulator
ZHANG Lei, GUO Hong, XU Jinquan
2021, 47(10): 2043-2057. doi: 10.13700/j.bh.1001-5965.2020.0441
Abstract:

Since it is difficult, costly, and time-consuming to test the power electronic converter of Brushless DC Motor (BLDCM) in all operating conditions with a motor-load test bench, this paper proposes a four-quadrant Power Hardware-In-the-Loop (PHIL) BLDCM emulator, which submits a methods of sampling and calculation based on the different operating regions. it can replace the motor-load test bench in the performance test and the reliability test of the BLDCM controller under a two-phase conduction control mode. Meanwhile, the paper employs a piecewise method to optimize the sampling and model calculation processes of the emulator. This PHIL BLDCM emulator comprises a real-time simulator, a motor simulation converter, and a multi-stage bidirectional converter. The real-time simulator measures the output PWM voltages of the power electronic converter and calculates the behavior of the electric motor by the real-time calculation model. The motor simulation converter receives the calculated currents as the control instruction and generates the currents of the emulator. In the meantime, the multi-stage bidirectional converter maintains the energy balance between the input and output of the emulator and realizes the PHIL simulation to the BLDCM operating in different states. The experimental results show that the proposed PHIL BLDCM emulator has many benefits, such as high simulation precision, good real-time performance, and flexible operation, it can achieve the PHIL simulation to the real BLDCM and the mechanical-load in the test of the BLDCM controller.

A state of health estimation method for satellite battery based on smooth and discharge applicative increment capacity analysis
CHEN Jinglong, WANG Rixin, LI Yuqing, XU Minqiang, HUANG Wenhu
2021, 47(10): 2058-2067. doi: 10.13700/j.bh.1001-5965.2020.0376
Abstract:

Aimed at the large error when using Increment Capacity Analysis (ICA) to estimate the State of Health (SOH) of satellites battery, this paper proposes an advanced SOH estimation method based on Smooth and Discharge applicative Increment Capacity Analysis (SD-ICA). First, the proposed method does the smoothing processing to the low-resolution telemetry data by using the fitting results of the smooth spline functions which have the continuous second-order derivative. Thus the calculation accuracy is improved. Then, in consideration of the limitation that ICA must use the micro current discharge data, the IC calculation method under load conditions is deduced, which reduces the requirements for the satellite battery discharge conditions. Finally, a linear regression relationship between the battery capacity and Features of Interest 1 (FOI 1) of IC curve is found and used to estimate the SOH of the satellite battery. The results show that the proposed SOH estimation method can accurately obtain the battery SOH from satellite telemetry data. In addition, this method is easy to calculate, has low requirements for sampling resolution, and does not need to add battery working conditions. Therefore, it is valuable for battery health management and mission planning of satellite.

An adaptive carrier-to-noise ratio estimation method for GNSS weak signal
SUN Wenjie, WANG Zhaorui, JIN Shengzhen, AI Guoxiang
2021, 47(10): 2068-2074. doi: 10.13700/j.bh.1001-5965.2020.0372
Abstract:

The Carrier-to-Noise Ratio (CNR) of Global Navigation Satellite System (GNSS) signals is an important parameter to describe GNSS receiver's performance. In this paper, we derive and analyze two commonly used GNSS signal CNR estimation methods: Variance Summing Method (VSM) and Power Ratio Method (PRM). Meanwhile, we propose an adaptive CNR estimation method which is based on fading factor cubature Kalman filter. We compare the three methods to assess the CNR estimation ability in normal and weak signal environment. The results show that, when signal suddenly changes or signal is weak, the VSM and PRM will produce large estimation errors, while the adaptive CNR estimation methods can still accurately estimate the CNR of signal.

Threshold test study of fuze-ultrawideband high electromagnetic pulse effect
FU Shenghua, LOU Wenzhong, SU Zilong, ZHENG Fuquan
2021, 47(10): 2075-2080. doi: 10.13700/j.bh.1001-5965.2020.0344
Abstract:

In order to clarify the interference and damage effects of ultra-wideband electromagnetic pulse on fuze, the threshold interval of fuze-electromagnetic pulse coupling effect is determined. It is difficult to accurately assess the anti-interference ability of fuze in the electromagnetic pulse environment because the fuze-electromagnetic pulse effect data samples are few. To solve this problem, in this paper, a threshold analysis model of fuze-electromagnetic pulse coupling effect is established based on Markov-Monte Carlo estimation. The fuze effect test system is constructed by a typical ultra-wideband electromagnetic pulse simulator. The fuze-electromagnetic pulse effect law and interference threshold are obtained, through the electromagnetic pulse irradiation test of the typical fuze. The test results show that the mean value of the fuze communication failure threshold is 28.262 kV/m, and the 95% confidence interval is (27.390, 29.129) kV/m; the posterior expectation of variance is 1.867 kV/m, and the 95% confidence interval is (0.834, 4.182) kV/m. This method can be used to estimate the electromagnetic pulse effect threshold for various fuzes, and provide the theoretical foundation and test means for improving the fuze's ability of anti-electromagnetic interference.

Judgment method of circumferential relative sliding of air film seal between shafts
HUANG Yuhui, SU Hua, CHENG Zhuoyi, HOU Guoqiang
2021, 47(10): 2081-2087. doi: 10.13700/j.bh.1001-5965.2020.0366
Abstract:

In order to predict whether there is relative sliding in the circumferential direction between the seal ring and the outer rotor in air film seal between shafts, a method for determining the circumferential sliding of air film seal between shafts considering centrifugal expansion effect is proposed. The mechanical mechanism of the circumferential sliding between seal ring and outer rotor is analyzed. The centrifugal expansion of seal ring and outer rotor is simplified into axisymmetric plane stress and axisymmetric plane strain. The influence of the difference of elastic deformation stiffness between seal ring and outer rotor on the expansion deformation and the connection relationship is calculated, and the critical sliding operating area between seal ring and rotor is obtained. The research method provides a prediction and guidance method for circumferential sliding of seal ring in engineering.

A fast finite element method based on GPU to solve density field
LI Guoyang, YAN Hua, ZHANG Zhengyu, CHEN Qinmei, ZHU Fushun
2021, 47(10): 2088-2096. doi: 10.13700/j.bh.1001-5965.2020.0346
Abstract:

In order to quickly calculate and analyze the experimental data under the action of turbulence field, which are measured by video measurement method in high-speed wind tunnel test density projection field, and aimed at the numerical solution of density projection field, the second-order partial differential equation of density projection field is analyzed by ray deflection theory. And the CPU serial finite element method is realized to solve the problem. On this basis, a GPU-based fast finite element method for solving density field is proposed. After analyzing the efficiency of the serial finite element method solving process, the time-consuming neural network fitting, total stiffness matrix and total load vector are solved and then GPU-based parallel acceleration are carried out. The experimental results show that, under the premise that the accuracy meets the actual engineering requirements, the proposed method can greatly improve the solving efficiency compared with the CPU serial solution method, and the acceleration ratio is multiplied with the grid subdivision and multiplied encryption.

Exact solutions of thermal flutter of two-dimensional functionally graded panel
DAI Lintong, XING Yufeng
2021, 47(10): 2097-2104. doi: 10.13700/j.bh.1001-5965.2020.0351
Abstract:

For achieving the thermal flutter exact solutions of two-dimensional functionally graded panel and revealing the mechanism of the thermal flutter, based on the classical thin plate theory and the first-order piston theory, the characteristic governing differential equation of two-dimensional functionally graded panel in supersonic flow is established and exact solutions are obtained. Through the analysis of the eigenvalues, the mechanism of the panel flutter is investigated. According to different volume fraction of Functionally Graded Materials (FGM), the flutter boundary changes with Mach number in constant temperature field and nonlinear temperature field are studied respectively, and the results in two temperature fields are compared. By analyzing the flutter characteristics of panels with simply supported, fixed and integrated edges, it can be concluded that the flutter phenomenon is caused by the first-order derivative of deflection which leads to the asymmetry of system stiffness, and FGM can effectively improve the flutter boundary of the panel in the thermal environment. Meanwhile, the vibration properties of the FGM panel is simulated with ABAQUS, further validating the effectiveness of the present method.

Design of finite-time cooperative guidance law for hypersonic vehicles in dive phase
TANG Bo, XI Jianxiang, LIU Taiyang, LI Bing
2021, 47(10): 2105-2117. doi: 10.13700/j.bh.1001-5965.2020.0363
Abstract:

Focusing on the problem that multiple hypersonic vehicles in the dive phase attack a stationary target or a slowly moving target, a cooperative guidance law with Line-of-Sight (LOS) elevation and LOS azimuth constraint is designed based on finite-time theory. Firstly, the guidance process of the dive phase is divided into two directions: horizontal and longitudinal. Secondly, in the longitudinal LOS direction, the relative position difference and LOS velocity difference are introduced as errors into the guidance law, and the errors come from the hypersonic vehicles participating in the attack and their neighbors. Finally, in order to achieve the convergence of the horizontal and longitudinal LOS angles, the finite-time sliding mode guidance law is designed, and the upper bound of the time-varying disturbance is estimated by the designed adaptive disturbance observer. The finite-time convergence of the proposed cooperative guidance law is proved by Lyapunov function. The simulation results show that the proposed cooperative guidance law is correct and effective.

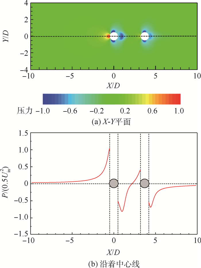
Investigation on aeroacoustic of tandem double cylinders by K-FWH acoustic analogy method
CHEN Wu, ZHOU Yi
2021, 47(10): 2118-2128. doi: 10.13700/j.bh.1001-5965.2020.0365
Abstract:

To study the intrinsic relation between the aerodynamic noise of tandem double cylinders and the large-scale vortex shedding behavior, we carry out large eddy simulations combined with the K-FWH equation. Firstly, the high-fidelity of the numerical treatment is verified by a comparison with the corresponding experimental results, and it has been proved that the combination of Wall Adaptive Local Eddy (WALE) viscosity model and K-FWH equation can accurately predict the distribution of noise spectrum density under different frequencies. The numerical results show that the vortex shedding frequencies of the upstream and downstream cylinders are the exactly same and the large-scale vortex shedding prove to be antiphase shedding. The mean surface drag coefficient of the upstream cylinder is larger than that of the downstream cylinder, but the pressure fluctuations on the downstream cylindrical surface are much more significant. The main contribution of the aerodynamic noise generated by flow around tandem cylinders is the dipole noise term (i.e. effects of the instantaneous pressure on the cylinder surface and the time derivative of the pressure), in which the time derivative of instantaneous pressure is the dominant component of sound pressure. The physical correlation between the instantaneous sound pressure and the lift and drag forces at a selected observation point is also explored. It is shown that the instantaneous sound pressure is mainly dominated by the sound pressure generated by the downstream cylinder. Owing to the influence of the upstream vortex shedding on the downstream cylinder vortex shedding, the downstream lift coefficient spectrum and the total noise spectrum exhibit discernable secondary peaks. Furthermore, by the Hilbert transform, it is found that the acoustic pressure strength at the observation point is not affected by the phase difference of the upstream and downstream vortex shedding. This research contributes to the understanding of the reduction of the aerodynamic noise of tandem double cylinders and sheds light on the engineering noise reduction.

Damage variation of gust load spectra
ZHU Junxian, HE Xiaofan, LI Yuhai
2021, 47(10): 2129-2137. doi: 10.13700/j.bh.1001-5965.2020.0348
Abstract:

Load spectrum variation matters to fatigue reliability service life of a fleet. For transport aircraft, gust load is one of the critical damage sources. To study the damage variation of gust load spectra, two parts have been investigated. In the first process, gust velocity exceedance measured in service of several transport aircraft are statistically analyzed based on discrete-gust model. It is assumed that incremental exceedance of specific gust velocity follows lognormal distribution, and a model of gust velocity exceedance variation is built. In the second process, the damage variation of gust load spectra is studied. With the help of Monte Carlo simulation, gust velocity exceedance curves of aircraft in a fleet are acquired, after which damage of gust load spectra can be calculated. To examine the validity of the methodology, numerical examples are calculated, in which flight profiles of 3 specific transport aircraft are used. The results show that damage variation of gust load spectra of transport aircraft follows lognormal distribution and the values of scatter factor are relevant to flight profiles.

Unsteady aerodynamic modeling of circulation control airfoil
LEI Yuchang, ZHANG Dengcheng, ZHANG Yanhua
2021, 47(10): 2138-2148. doi: 10.13700/j.bh.1001-5965.2020.0360
Abstract:

In view of the high coupling of the effects of jet parameters and angle of attack on the aerodynamic characteristics of airfoils in current circulation control technology, the accuracy of the corresponding unsteady aerodynamic models is poor. Based on the numerical simulation data of forced pitching vibration of circulation control airfoils, the steady aerodynamic interpolation of the airfoils is realized with the help of Kriging model. With the help of differential equation model, the linear differential equation modeling suitable for circulation control airfoil is completed, and the characteristic time constant and other parameters in linear differential equation models are identified by two-step linear regression parameter identification method. The nonlinear influence of high momentum coefficient and large amplitude flow is modified. The results show that the steady aerodynamic interpolation accuracy of the circulation control airfoil based on the Kriging model is higher than that of the traditional aerodynamic derivative model. The unsteady aerodynamic model can accurately predict the changes of aerodynamic force and torque coefficient under different flow conditions.

An improved ORB feature matching algorithm
LIAO Hongzhen, WANG Liang, SUN Hongwei, LIU Yunqing
2021, 47(10): 2149-2154. doi: 10.13700/j.bh.1001-5965.2020.0359
Abstract:

An improved ORB feature matching algorithm is proposed to solve the problem of decreasing matching accuracy under the conditions of image blur, light change, image compression and noise. First, in the process of extracting feature points, the image is meshed and quad-tree structure is introduced to make the extracted feature points evenly distributed in the image, thus solving the problem of feature points concentration encountered by traditional feature extraction methods. Then, the brute-force matching is used for preliminary matching, and cross validation is adopted to eliminate some mismatches and improve the result of brute-force matching. Finally, Gaussian kernel is used to weight the results of grid-based motion statistics to optimize the statistical results and further eliminate the mismatches to obtain the matching set with higher accuracy. The experimental results show that this algorithm improves the average accuracy by 3.5%, 4.2%, 1.8% and 6% respectively under the conditions of image blur, light change, image compression and noise.